Автор Тема: Нюансы настройки симулятора  (Прочитано 9456 раз)

0 Пользователей и 1 Гость просматривают эту тему.

Peratron

  • Сообщений: 13579
  • GTLab - forever!
    • Просмотр профиля
    • E-mail
Re: Нюансы настройки симулятора
« Ответ #20 : Февраля 21, 2017, 03:11:15 pm »
Цитировать
Да, действительно это никому не нужно, поскольку ещё в хрен знает какие времена были сняты реальные х-ки методами физических измерений.
Ну, сделаны - и сделаны.
И что дальше?

1. Какие практические выводы для конкретной схемотехники вытекают из этого?

2. Какова вариативность параметров модели звукоснимателя?

Другими словами - что можно изучить при помощи этой симуляции, с учётом недостаточности первичной информации о реальном физическом прототипе?

ХИНТ: в модели не учтена собственная ёмкость катушки.
И много чего ещё...
Схемотехническая мантра: титцешенкохоровицехилл. Повторять до просветления...

patron

  • Гость
Re: Нюансы настройки симулятора
« Ответ #21 : Февраля 21, 2017, 03:50:13 pm »
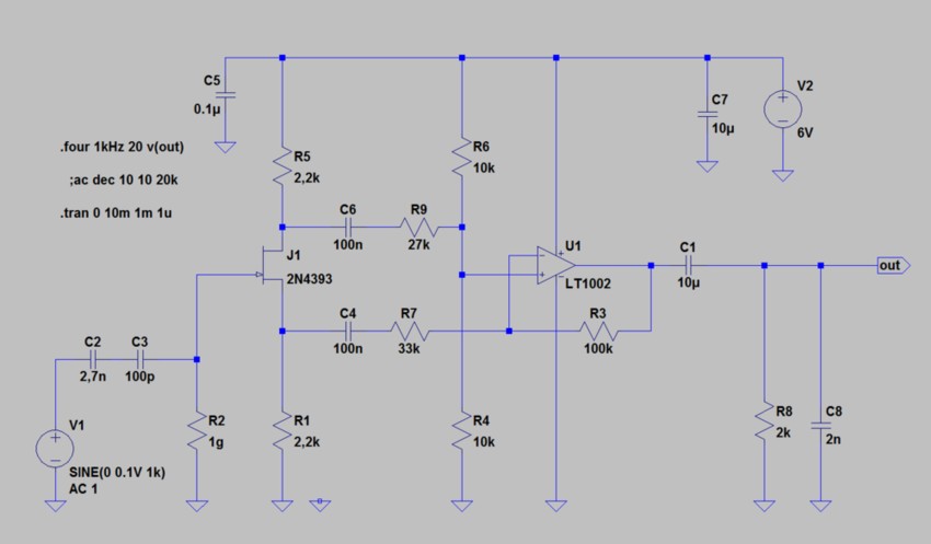
Собственная ёмкость катушки - 100пФ приплюсована к ёмкости кабеля 300пФ. А основная задача - научиться пользоваться симом, начиная с примитивных схемок.
Вот в данный момент пытаюсь оптимизировать по THD и шумам вот такую схемку :



Сигнал с полевика можно снимать тремя способами : только с истока, только со стока, с обоих. Усилитель на ОУ можно использовать как инв. у-ль, как неинв. у-ль или как на схеме. Во всех случаях общий Ку желательно получить 4 - 5 при уровене входа 100 мВ.
С точки зрения шумов на входе ОУ нежелательны большие последовательные сопротивления, с точки зрения искажений - нежелательно грузить полевик.
Увеличивать число оперов тоже нежелательно.
« Последнее редактирование: Февраля 21, 2017, 04:02:42 pm от patron »

Peratron

  • Сообщений: 13579
  • GTLab - forever!
    • Просмотр профиля
    • E-mail
Re: Нюансы настройки симулятора
« Ответ #22 : Февраля 21, 2017, 05:35:00 pm »
Цитировать
Собственная ёмкость катушки - 100пФ приплюсована к ёмкости кабеля 300пФ.
Разные точки подключения, разные АЧХ.

Цитировать
А основная задача - научиться пользоваться симом, начиная с примитивных схемок.
Задача - правильная.
Вот выбор объекта для изучения - крайне неудачный.
Этот объект не относится к категории "простейших" - слишком много неучитываемых нюансов, тонкостей и неизвесных факторов.

Симулятор - другая неизвестная часть системы и в одном эксперименте их не следует смешивать.

Для изучения следует выбирать другие объекты - более прозрачные для понимания.

Цитировать
Вот в данный момент пытаюсь оптимизировать по THD и шумам вот такую схемку :
Искажения - особенно с учётом спектральной картины - это правильно.

В шумы лезть преждевременно - там исходная физическая теория весьма непростая, а симулятор по умолчанию даёт данные, которые трудно будет интерпретировать.

Я вот в эти дела совсем не лезу с симулятором - слишком неоднозначно всё...

ХИНТ: при изучении симулятора следует исключить микросхемы при изучении звуковых искажений!
Дело в том, что большинство моделей ИМС, поставляемых с симуляторами, представлены чрезмерно упрощёнными функциональными моделями, не отображающими реальную работу прототипов.

Потому параметры в симуляторе могут быть на порядки ближе к идеалу, чем в реальности, а некоторые схемы - попросту не работать.

Потому изучать ОУ в симуляторах следует только в рамках задач промавтоматики - но не звука.

И уж не делать никаких выводов о пригодности ОУ для создания звуковых устройств.
Это совершенно отдельная тема - за которую стоит браться лишь после уверенного овладевания симулятором.
Иначе можно очень больно ушибиться.
« Последнее редактирование: Февраля 21, 2017, 05:51:51 pm от peratron »
Схемотехническая мантра: титцешенкохоровицехилл. Повторять до просветления...

Peratron

  • Сообщений: 13579
  • GTLab - forever!
    • Просмотр профиля
    • E-mail
Re: Нюансы настройки симулятора
« Ответ #23 : Февраля 21, 2017, 05:56:20 pm »
@ patron

В качестве хорошей учебной практики - просимулируй УниАмп, схемки которого я выкладывал в теме "Универсальная примочечная структура".

Сравни эти схемы с традиционными - очень много прояснится  ;)
Схемотехническая мантра: титцешенкохоровицехилл. Повторять до просветления...

patron

  • Гость
Re: Нюансы настройки симулятора
« Ответ #24 : Февраля 22, 2017, 05:36:44 am »
"..Доктор сказал - "в морг", значит - в морг.."   :'(    :)

Приходится совмещать приятное с полезным и симить то, что нужно прямо сейчас.
ОУ на то и ОУ, что в типовых схемах имеют даташитовские параметры и если записано THD  0,00001%, то вряд ли стоит ожидать, что ОУ подпортит картину примитивного входного каскада на полевике с весьма скромным THD порядка 0,1-0,2 % (это по симу  ;), а реально меряные - ещё хуже). Скорее выбором слишком низких нагрузок для полевика можно ухудшить и это значение. Вот тут сим может и подсобить.

С шумами дествительно засада : пробовал сравнивать разную схемотехнику - трудно что-либо реально сравнить просимив. Хотя опять таки - с ОУ общие принципы минимизации шумов известны из букварей, в частности - включать в последовательные сигнальные цепи резисторы небольших номиналов, что будет не по нраву полевику с точки зрения THD.
« Последнее редактирование: Февраля 22, 2017, 06:13:55 am от patron »

new_man

  • Сообщений: 2053
  • GtLab.Net
    • Просмотр профиля
    • E-mail
Re: Нюансы настройки симулятора
« Ответ #25 : Февраля 22, 2017, 06:30:00 am »
С точки зрения THD каскад на одном полевике в любом случае будет иметь неважные параметры.
Уже двухтранзисторная структура (полевик + pnp) охваченная ООС даст выигрыш по THD раз в тридцать.

patron

  • Гость
Re: Нюансы настройки симулятора
« Ответ #26 : Февраля 22, 2017, 06:49:51 am »
У меня приоритет - шумы, THD - всё, что ниже 1% - уже хорошо. Ниже - 0.1% - вообще не требуется

patron

  • Гость
Re: Нюансы настройки симулятора
« Ответ #27 : Февраля 22, 2017, 02:27:58 pm »
Вот что-то никто из корифеев не решился ответить на вопрос : сигнал со входного полевика можно снимать тремя способами : только с истока, только со стока, с обоих.
Будет ли выигрыш по шумам, если сигнал снять и с истока и со стока, а потом ссумировать опером как в посте 21 - т.е . по сравнению с тем, если снимать только с истока или только со стока ?

Peratron

  • Сообщений: 13579
  • GTLab - forever!
    • Просмотр профиля
    • E-mail
Re: Нюансы настройки симулятора
« Ответ #28 : Февраля 22, 2017, 02:48:42 pm »
Цитировать
Вот что-то никто из корифеев не решился ответить на вопрос
Какой резон отвечать на некорректно сформулированный вопрос?

А вот про способы правильного снятия сигнала с полевика - ссылку я озвучил выше.
Схемотехническая мантра: титцешенкохоровицехилл. Повторять до просветления...

patron

  • Гость
Re: Нюансы настройки симулятора
« Ответ #29 : Февраля 22, 2017, 04:51:59 pm »
Цитировать
Какой резон отвечать на некорректно сформулированный вопрос?
А в чём некорректность ? Речь шла о теории, а не о симуляции.
Цитировать
про способы правильного снятия сигнала с полевика - ссылку я озвучил выше.
И что есть "правильный съём сигнала" - что есть критерий правильности ?

Вот это ?  http://forum.gtlab.net/cgi-bin/yabb2/YaBB.pl?num=1347445931/16#16):

А из чего следует, что "... такая конфигурация минимизирует шумы и сводит их к теоретическому минимуму..."  ?
Мавр полевик сделал своё дело - понизил импеданс с мегаома до килоома и тут вряд-ли можно что-то ещё сделать с точки зрения шумов (без применения жидкого гелия конечно  :))
Коэфф-т передачи около единицы, поэтому требования ко второму каскаду по шумам такие-же жёсткие, как и к первому, но уже на уровне килоома. Малошипящих биполярных транзюков сейчас много, но второй каскад следует делать с усилением не менее 4, чтоб последующие каскады уже избавить от жёстких требований по шумам.
« Последнее редактирование: Февраля 24, 2017, 05:52:36 am от patron »

patron

  • Гость
Re: Нюансы настройки симулятора
« Ответ #30 : Февраля 24, 2017, 03:24:34 pm »
Цитировать
@ patron

В качестве хорошей учебной практики - просимулируй УниАмп, схемки которого я выкладывал в теме "Универсальная примочечная структура".
....первый каскад ..... переводится в режим преобразователя "напряжение-ток.
Это позволяет использовать для повторения на истоковом сопротивлении почти всего запаса питания. Что, полагаю, вполне достаточно даже для самых злобных звучков.

Просимил UniAmp 1.0 в LTSpice : и таблично и в FFT вторая гармоник 3% при входном 1 вольт (каскад даёт усиление примерно 6.5 дБ).
Пробовал менять параметры измерений - никаких изменений - стабильно 3%. Я понимаю, что чётные гармоники это вкусно, но не до такой-же степени ..  :)
Модели из нативной либы спайса. Другие схемки, что приводил выше на этих-же транзисторах дают 0.0002%.  Что не так ?   :-/


« Последнее редактирование: Февраля 24, 2017, 03:54:13 pm от patron »

new_man

  • Сообщений: 2053
  • GtLab.Net
    • Просмотр профиля
    • E-mail
Re: Нюансы настройки симулятора
« Ответ #31 : Февраля 24, 2017, 04:18:15 pm »
@ patron, возьмите ПТ с большим напряжением отсечки, например 2N5485, поставьте в эмиттеры БТ резисторы по 100 Ом. Результат вас приятно удивит.


patron

  • Гость
Re: Нюансы настройки симулятора
« Ответ #32 : Февраля 24, 2017, 05:00:03 pm »
Взял 5485, вставил по 100 Ом :  0.3%  - на порядок лучше  :)
К сожалению на те транзисторы, которые хотелось бы применить - нету моделей в Спайсе :  J201, BC850C, BC860C 
« Последнее редактирование: Февраля 24, 2017, 05:01:47 pm от patron »

Peratron

  • Сообщений: 13579
  • GTLab - forever!
    • Просмотр профиля
    • E-mail
Re: Нюансы настройки симулятора
« Ответ #33 : Февраля 24, 2017, 06:10:15 pm »
Цитировать
Я понимаю, что чётные гармоники это вкусно, но не до такой-же степени ..
И даже в ещё большей.

Вот тут - про новую разработку, в которую встроен синтезатор второй (и только второй) гармоники:
http://peratronika.ucoz.ru/forum/6-176-1
В первом посте темы есть ссылка на картинку - живая работа синтезатора второй гармоники, с демонстрацией спектра и уровня этой гармоники.
Искажения достигают примерно 10% - но субъективный результат неожиданен даже для меня.
В принципе, есть сим-реамп - где отдельно чистый сигнал и к нему - трек с сигналом синтезатора . И их можно мешать по своему вкусу - и оценивать результат.

Повторю: при уровне искажёнки 10% субьективный результат оказывается ну очень неожиданным.
Потому что короткий спектр.
А с длинным - и 0.1% звучит мерзко...
Схемотехническая мантра: титцешенкохоровицехилл. Повторять до просветления...

Peratron

  • Сообщений: 13579
  • GTLab - forever!
    • Просмотр профиля
    • E-mail
Re: Нюансы настройки симулятора
« Ответ #34 : Февраля 24, 2017, 06:18:08 pm »
Цитировать
@ patron, возьмите ПТ с большим напряжением отсечки, например 2N5485, поставьте в эмиттеры БТ резисторы по 100 Ом. Результат вас приятно удивит.
Там дальше по теме есть более правильные варианты токового зеркала.
А так же - варианты с кривым каскодом.

ХИНТ: главная фишка этого каскада - это полное использование питания, причём, во всех случаях - в том числе и при входном сигнале с размахом несколько вольт.

ЗЫ: каскад надо правильно подгонять к параметрам полевика - и по истоковому резистору, и по выходному...
То есть, глядеть в спектр - в последнюю очередь, а в первую - в правильное задание рабочих точек...
Схемотехническая мантра: титцешенкохоровицехилл. Повторять до просветления...

patron

  • Гость
Re: Нюансы настройки симулятора
« Ответ #35 : Февраля 25, 2017, 07:17:24 am »
Я просимил UniAmp скорее из любопытства. Как уже писал у меня приоритет - шумы, искажения на втором месте. Сейчас озадачен разработкой очень малошумящего преда для пьезодатчика гидрофона - для записи вокала рыб и креветок. Поют они очень тихо, поэтому борьба с шумами на первом плане.
Так что вкусности второй гармоники здесь как-то не на первом месте.