Автор Тема: Расчет трансформатора  (Прочитано 3142 раз)

0 Пользователей и 1 Гость просматривают эту тему.

iMusic

  • Сообщений: 19
  • GtLab.Net forever!
    • Просмотр профиля
    • E-mail
Расчет трансформатора
« : Марта 01, 2012, 11:58:14 am »
Помогите с выбором перевертыша. Допустим есть транс:
230в первичка
9в вторичка 100мА

Если я его в обратную сторону запитаю 12 вольтами (1А) сколько мА получу на 230в?

« Последнее редактирование: Марта 01, 2012, 12:01:29 pm от iMusic »

Варяг

  • Сообщений: 65
  • GtLab.Net forever!
    • Просмотр профиля
    • E-mail
Re: Расчет трансформатора
« Ответ #1 : Марта 01, 2012, 01:08:42 pm »
Разве нет двух одинаковых? Что питать? Купи в интернет магазине два одинаковых транса и собери универсальный БП для напольных примочек. Ток зависит от толщини проволки. Чем толще тем больш http://forum.gtlab.net/cgi-bin/yabb2/YaBB.pl?num=1263904350
« Последнее редактирование: Марта 01, 2012, 01:22:00 pm от Varyag »

iMusic

  • Сообщений: 19
  • GtLab.Net forever!
    • Просмотр профиля
    • E-mail
Re: Расчет трансформатора
« Ответ #2 : Марта 01, 2012, 01:37:28 pm »
Цитировать
Разве нет двух одинаковых? Что питать? Купи в интернет магазине два одинаковых транса и собери универсальный БП для напольных примочек. Ток зависит от толщини проволки. Чем толще тем больш http://forum.gtlab.net/cgi-bin/yabb2/YaBB.pl?num=1263904350

Два транса места много займут (а с ним и так не очень), да и потом я знаю, что многие так собитают (запитывают перевертыш чуть большим напряжением и полючают вторичку с первички). Я сам так сделал (все работает) вот только транс покупал зная, что он будет 150% работать на два балона (12ах7).

Сейчас нашел место где можно взять трансы Hahn, а они разной мощности и размеров. Вот и охото понять как правельно расчитать, чтоб взять минимальный размер.
 
Я знаю, что транс на 9в (4,5VA) будет работать в данной ситуации, но охото знать как расчетать перевертыш. Насколько я понимаю должна быть простая формула или что-то вроде того. Может быть я ошибаюсь.
« Последнее редактирование: Марта 01, 2012, 01:38:56 pm от iMusic »

Rasha

  • Сообщений: 255
  • Жить по Совести!
    • Просмотр профиля
    • E-mail
Re: Расчет трансформатора
« Ответ #3 : Марта 01, 2012, 01:44:11 pm »
Цитировать
Помогите с выбором перевертыша. Допустим есть транс:
230в первичка
9в вторичка 100мА

Если я его в обратную сторону запитаю 12 вольтами (1А) сколько мА получу на 230в?

 
получишь столько, сколько позволяет обмотка, около 10мА максимум

T-34

  • Сообщений: 714
  • GTLab - forever!
    • Просмотр профиля
Re: Расчет трансформатора
« Ответ #4 : Марта 01, 2012, 01:48:10 pm »
"230в первичка
9в вторичка 100мА
Если я его в обратную сторону запитаю 12 вольтами (1А) сколько мА получу на 230в?"

9в*0.1А  мощность транса 0.9Вт (чтото больно мало)
Соответственно на перевернутую вторичку (бывшая первичка 230) транс сможет передать эти 0.9Вт мощности (кпд по идее уже учтено, но при использовании транса перевертышем оно станет еще ниже).

Теперь P=U*I, отсюда I=P/U
Получается  I=0.9/230=3.9мА.   Плюс учесть ухудшившийся кпд, как-то на глаз, а лучше просто взять дополнительный запас и все.
Упрощенно получается примерно так.

Мало такого транса. Да и обычно мелкие трансы со вторичкой 9В имеют около 1А на выходе ( а не 0.1А).


Rasha

  • Сообщений: 255
  • Жить по Совести!
    • Просмотр профиля
    • E-mail
Re: Расчет трансформатора
« Ответ #5 : Марта 01, 2012, 01:48:16 pm »
для преампов трансформаторы бери у SMB http://www.smb-effects.ru/. Простенького за 400р. хватит 3 лампам запросто. У меня он отлично работает.

iMusic

  • Сообщений: 19
  • GtLab.Net forever!
    • Просмотр профиля
    • E-mail
Re: Расчет трансформатора
« Ответ #6 : Марта 01, 2012, 02:00:37 pm »
Цитировать
"230в первичка
9в вторичка 100мА
Если я его в обратную сторону запитаю 12 вольтами (1А) сколько мА получу на 230в?"

9в*0.1А  мощность транса 0.9Вт (чтото больно мало)
Соответственно на перевернутую вторичку (бывшая первичка 230) транс сможет передать эти 0.9Вт мощности (кпд по идее уже учтено, но при использовании транса перевертышем оно станет еще ниже).

Теперь P=U*I, отсюда I=P/U
Получается  I=0.9/230=3.9мА.   Плюс учесть ухудшившийся кпд, как-то на глаз, а лучше просто взять дополнительный запас и все.
Упрощенно получается примерно так.

Мало такого транса. Да и обычно мелкие трансы со вторичкой 9В имеют около 1А на выходе ( а не 0.1А).

 


Спасибо. Помогло.

iMusic

  • Сообщений: 19
  • GtLab.Net forever!
    • Просмотр профиля
    • E-mail
Re: Расчет трансформатора
« Ответ #7 : Марта 01, 2012, 02:00:55 pm »
Цитировать
для преампов трансформаторы бери у SMB http://www.smb-effects.ru/. Простенького за 400р. хватит 3 лампам запросто. У меня он отлично работает.

Обязательно посмотрю.

Rasha

  • Сообщений: 255
  • Жить по Совести!
    • Просмотр профиля
    • E-mail
Re: Расчет трансформатора
« Ответ #8 : Марта 01, 2012, 02:01:42 pm »
Даже если перевёртыш посчитаешь, из за просадки напряжения на первом трансе хоть на 1В на вторичке потеряешь десятки вольт. Брать надо трансы с запасом по мощности от расчитанного на 10%, тогда хоть по месту сможешь натроить. В реалии всё расходится с посчитаным, порой учебники ересью кажуться. Хочешь перевёртыш поищи на форуме про HOT BOX от Denn,а он там на перевёртышах делал.

Варяг

  • Сообщений: 65
  • GtLab.Net forever!
    • Просмотр профиля
    • E-mail
Re: Расчет трансформатора
« Ответ #9 : Марта 01, 2012, 02:44:37 pm »
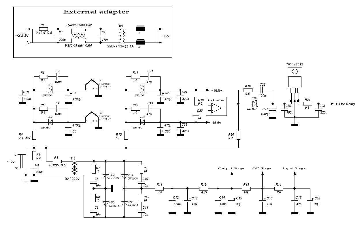
Дк в примочке у тебя будет один транс. У Dеnnа так Покупаем блок питания с трансом 220/12В 1А впихивает туда дроссель от помех и тд. Выбрасываем диоды и конденсатор, припаиваем микрофонного папу. В примочке стоит мама и второй транс. Таким образом экономим место и транс в случае сборки еще одной примочки. Да и розетка дальше. Если есть транс 220/12В 1А то осталось купить адаптер с трансом 220/9В и перекинуть их.
« Последнее редактирование: Марта 01, 2012, 03:06:49 pm от Varyag »