Автор Тема: Катодный повторитель - в чем соль?  (Прочитано 1972 раз)

0 Пользователей и 1 Гость просматривают эту тему.

Vilsi

  • Сообщений: 507
  • GTLab - forever!
    • Просмотр профиля
Re: Катодный повторитель - в чем соль?
« Ответ #20 : Июня 09, 2010, 12:31:19 pm »
ага, значит, я прав? физика другая. тока рекомбинация описывается другими законами.
а 1N4148, собстно, ничего и не угрожает. волнует вопрос, нельзя ли поставить туда 1 диод.

KMG

  • Сообщений: 3776
    • ICQ клиент - 412221711
    • AOL клиент - Mike
    • Просмотр профиля
    • E-mail
Re: Катодный повторитель - в чем соль?
« Ответ #21 : Июня 09, 2010, 01:07:50 pm »
Сам я с ультрафастами не пробовал, Денис (Denn) экпериментировал с ультрафастами, правда он ставил два последовательно.
http://forum.gtlab.net/cgi-bin/yabb2/YaBB.pl?num=1231921959/20#37

PS теорию изучал 25 лет назад, многое уже подзабылось.
А вообще очень радует, что некоторые думают своей головой, не принимая на веру чужие утверждения.
« Последнее редактирование: Июня 09, 2010, 01:33:13 pm от mike »

Дмитрий Ткаченко

  • Сообщений: 1067
  • Русские не сдаются!
    • ICQ клиент - 365172210
    • Просмотр профиля
    • E-mail
Re: Катодный повторитель - в чем соль?
« Ответ #22 : Июня 09, 2010, 06:05:25 pm »
всетаки повторитель это труЪ, собрал дистр, он как то криво звучал с усилком, я сделал эмитерный повторитель точно как в кранк дистр максимус и вуаля все запело как надо)) включил его в разрыв между усиилком и примочью.
Telecaster (Custom H+H)->TS-9 (DIY)->JCM800 (DIY) -> 1X12 Seventy 80 Cab (DIY) / Impulse

Vilsi

  • Сообщений: 507
  • GTLab - forever!
    • Просмотр профиля
Re: Катодный повторитель - в чем соль?
« Ответ #23 : Июня 10, 2010, 06:06:25 am »
вобще-то Sandman прав! в целом, я все время о том же. звук - штука не предсказуемая!  ;D
2 KMG. проблемы те же!   :) просто опыт позволяет сходу оценить схему, и, если есть какие-то фичи - слегка поприкалываться. а если есть с кем - вдвойне приятно! респект! кстати, сразу бы послал... все ж описано.

Andy

  • Сообщений: 444
    • ICQ клиент - 38713217
    • Просмотр профиля
    • E-mail
Re: Катодный повторитель - в чем соль?
« Ответ #24 : Июня 10, 2010, 08:32:39 am »
Почитай пост №5, там статья про КП
http://www.guitarplayer.ru/forum/index.php?topic=153545.msg3051661#msg3051661


« Последнее редактирование: Июня 10, 2010, 08:43:43 am от Andy »
Если друг тебя поймет, если изредка везет - это счастье.  (с) rR

KMG

  • Сообщений: 3776
    • ICQ клиент - 412221711
    • AOL клиент - Mike
    • Просмотр профиля
    • E-mail
Re: Катодный повторитель - в чем соль?
« Ответ #25 : Июня 10, 2010, 08:52:51 am »
Ссылка на эту статью http://www.freewebs.com/valvewizard1/dccf.htm уже проплывала здесь.
В статье очень полезная мысль о том что на непрогретых лампах а повторителе может быть полная анодка между катодом и сеткой и описан метод защиты.
Правда там не рассмотрена работа повторителя на нагрузку с большой емкостной составляющей, какой является ТБ.

DIMEbag

  • Сообщений: 996
  • GTLab
    • Просмотр профиля
    • E-mail
Re: Катодный повторитель - в чем соль?
« Ответ #26 : Июня 10, 2010, 04:02:38 pm »
На выходе сенда КП нужен чтоб прокачать паразитную ёмкость провода, иначе ВЧ будут терятся. причём разное количество при разных кабелях.
Перед ТБ - основная цель получить искажения, вторичная, плавную регулировку, т.к. сопротивление ТБ сильно меняется от положения ручек, то предыдущий каскад должен иметь малое выходное сопротивление, в противном случае громкость будет сильно зависеть от положения ручек. (естественно низкое выходное сопротивление можно получить не только с помощью КП)
Хорошего человека легко узнать по тому, как неуклюже он делает подлости

Jinx

  • Сообщений: 4123
    • Просмотр профиля
    • E-mail
Re: Катодный повторитель - в чем соль?
« Ответ #27 : Июня 10, 2010, 04:13:40 pm »
Цитировать
Ссылка на эту статью http://www.freewebs.com/valvewizard1/dccf.htm уже проплывала здесь.
В статье очень полезная мысль о том что на непрогретых лампах а повторителе может быть полная анодка между катодом и сеткой и описан метод защиты.
Правда там не рассмотрена работа повторителя на нагрузку с большой емкостной составляющей, какой является ТБ.

Крутая статья! Буду использовать моды. Кто-нибудь пробовал "в натуре" Особенно вторая схема интересует.
Если хочешь, чтобы что-то было сделано хорошо - сделай сам.
R2DNY

Ljeha

  • Сообщений: 630
  • GTLab - forever!
    • Просмотр профиля
    • E-mail
Re: Катодный повторитель - в чем соль?
« Ответ #28 : Июня 16, 2010, 05:15:38 pm »
Без КП у меня звук сильно зависит от регулировок темброблока, значит КП нужен :).
А можно ли ставить два КП последовательно?

Vilsi

  • Сообщений: 507
  • GTLab - forever!
    • Просмотр профиля
Re: Катодный повторитель - в чем соль?
« Ответ #29 : Июня 16, 2010, 05:18:11 pm »
можно. поставь, отпишись, что получилось.

THRASH

  • Сообщений: 5719
  • GTLab - forever!
    • Просмотр профиля
    • E-mail
Re: Катодный повторитель - в чем соль?
« Ответ #30 : Октября 11, 2013, 06:29:23 pm »
Решил не поднимать новую тему. Подскажите такой вопрос.
Допустим первого триода перед кп нет но анодный резистор для триода перед кп висит между анодом и сеткой кп. Что происходит с током покоя кп?
вот
« Последнее редактирование: Октября 11, 2013, 06:35:25 pm от thrash »
Jackson JS32RT Dinky->X2N, Gavrilenko custom shop baritone 27*-> AHB-2-->DIY 2х12( governor+v12)

Denn

  • Global Moderator
  • *****
  • Сообщений: 14277
  • είμαι ο μουσικός και ο ραδιομηχανίκός
    • ICQ клиент - 322153053
    • Просмотр профиля
    • E-mail
Re: Катодный повторитель - в чем соль?
« Ответ #31 : Октября 11, 2013, 06:35:58 pm »
КП повторяет на выходе входное напряжение в пределах источника питания. Если на входе КП будет просто резистор на анодку, то на выходе КП будет анодка.
Не говорите что мне делать, и я не скажу куда Вам идти.

Лучшее решение из возможных - самое простое. И наоборот.

Прежде чем судить

THRASH

  • Сообщений: 5719
  • GTLab - forever!
    • Просмотр профиля
    • E-mail
Re: Катодный повторитель - в чем соль?
« Ответ #32 : Октября 11, 2013, 06:57:44 pm »
Очень греются оба резистора. :(
Отчего б это?
Jackson JS32RT Dinky->X2N, Gavrilenko custom shop baritone 27*-> AHB-2-->DIY 2х12( governor+v12)

Bpjkznjh

  • Гость
Re: Катодный повторитель - в чем соль?
« Ответ #33 : Октября 11, 2013, 07:09:39 pm »
Цитировать
Очень греются оба резистора. :(
Отчего б это?
 

Посмотри ВАХи, посчитай. Лампа не может открыться до полного анодного напряжения, соотв. сетка в таком включении тоже становится "приёмником" электронов :), через неё течёт ток, а резистор греется...
« Последнее редактирование: Октября 11, 2013, 07:11:13 pm от Bpjkznjh »

THRASH

  • Сообщений: 5719
  • GTLab - forever!
    • Просмотр профиля
    • E-mail
Re: Катодный повторитель - в чем соль?
« Ответ #34 : Октября 12, 2013, 08:25:37 am »
так ток то вроде совсем небольшой, чего ему греться?
Jackson JS32RT Dinky->X2N, Gavrilenko custom shop baritone 27*-> AHB-2-->DIY 2х12( governor+v12)

Vilsi

  • Сообщений: 507
  • GTLab - forever!
    • Просмотр профиля
Re: Катодный повторитель - в чем соль?
« Ответ #35 : Октября 13, 2013, 03:15:20 pm »
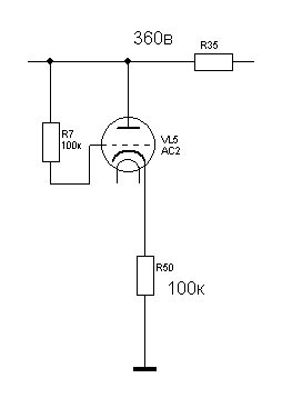
таки на пальцах можно прикинуть. допустим, ток течет прямиком через оба резистора. ну, типа, лампа полностью открыта, сеточный ток в прямом направлении через катод. тогда   
I= 360В / 200к = 1,8 мА.
Р = 360В * 1,8 мА = 648 мВт.
т.е., на резистор по 300 мВт. ну, будет греться. но без дыма.
что касается самой лампы, то для обеспечения тока через нее необходимо приложить между катодом и анодом некоторое напряжение. в данном случае сколь-нибудь заметное его влияние может не обеспечиться. в крайнем случае, это приведет к перераспределению напряжений и, соответственно, токов через резисторы. нижний будет греться сильнее, верхний меньше.

THRASH

  • Сообщений: 5719
  • GTLab - forever!
    • Просмотр профиля
    • E-mail
Re: Катодный повторитель - в чем соль?
« Ответ #36 : Октября 13, 2013, 03:31:34 pm »
резисторы 1ватные но палец держать сложно. Катодный поставил на 2вт он не греется, сеточный оставил одноватный он греется но палец держать можно.
Jackson JS32RT Dinky->X2N, Gavrilenko custom shop baritone 27*-> AHB-2-->DIY 2х12( governor+v12)

KMG

  • Сообщений: 3776
    • ICQ клиент - 412221711
    • AOL клиент - Mike
    • Просмотр профиля
    • E-mail
Re: Катодный повторитель - в чем соль?
« Ответ #37 : Октября 13, 2013, 03:38:23 pm »
THRASH, сколько у тебя сейчас на сетке и на катоде (реально измеренные)?
« Последнее редактирование: Октября 13, 2013, 03:38:35 pm от mike »

Leshachok

  • Сообщений: 105
  • GTLab - forever!
    • Просмотр профиля
    • E-mail
Re: Катодный повторитель - в чем соль?
« Ответ #38 : Ноября 22, 2014, 12:28:08 am »
А что будет если запараллелить две половинки баллона в повторителе? Каким будет выходное сопротивление?

Bpjkznjh

  • Гость
Re: Катодный повторитель - в чем соль?
« Ответ #39 : Ноября 22, 2014, 08:16:12 am »
Цитировать
А что будет если запараллелить две половинки баллона в повторителе? Каким будет выходное сопротивление?
Практически в 2 раза. Но надо помнить, что вых. сопротивление катодного и эмиттерного повторителя "правильно" работает лишь на малом сигнале. Подробнее - см. "Искусство схемотехники".