привет всем!
ребята кто разбирается в электронике подскажите!
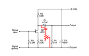
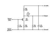
реши модернизировать свой предусилитель

хочу гасить переменником и конденсатором высокие частоты))).
я замкнул Output и Ground маленьким пленочным по пойму конденсатором на нем написано
0027G 50PE и переменным резистором 80K.
но изменений в звуке не заметил
даже когда конденсатор полностью замыкает контакты
я в электронике не разбираюсь, поэтому вопросы тупые)))
делаю из б.у элементов
есть конденсаторы:
зелененькие пленочные 224J,223J,104j,103j,
керамические маленькие 102,103,202,221,331,
1)итак какой номинал конденсаторов и сопротивления поставить, если их нет в выше перечиненных я куплю?
2)припаял поле после конденсатора С1 может перед надо,?
или я вообще что-то не правильно делаю?
подскажите кому не лень)))))