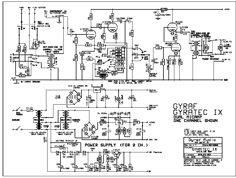
А что собираешься включать? Какой-нить топовый "Нойманн"

? Для начала попробуй добыть входной и выходной трансформаторы (указан "Лундалл"). Просто попробуй, я не говорю добудь

. На фоне этого остальное - незначительная ерунда

.
А так - схема как схема. Обеспечит студийное качество при студийного же качества микрофоне.