Автор Тема: Хочу сделать Wah Wah. Посоветуйте схему  (Прочитано 19881 раз)

0 Пользователей и 1 Гость просматривают эту тему.

Bananas

  • Сообщений: 479
  • Lord, I'd have to play the blues.
    • Просмотр профиля
    • E-mail
Re: Хочу сделать Wah Wah. Посоветуйте схему
« Ответ #340 : Мая 26, 2016, 08:31:51 pm »
Цитировать
Вы недопоняли основной принцип бесщелчковой коммутации
не-а:) Т.е. с двух сторон переключатель притянуть к земле?
Вот так? -

(V0.2)

S1.1 - удалил
R17 - удалил (номер перешел дублю RCR цепочки)
R18 - удалил (номер перешел дублю RCR цепочки)

C3 - блин, вот это и будет настоящий Bass-mod

P2 - просто на схеме JH-1 этот резистор 390 Ом. Я балуясь с настройками определил критичное значение ниже которого Вау уже нет - около 270 Ом. Просто если чуть-чуть понижать этот резистор от 470Ом, звук открытой квакухи приближается к чистому звуку. Ну и эта штука действительно не помешает вместе с JH-mod. Потому как сам JH-mod звук делает более плоским. А вместе с этой штукой получается немного приукрасить звук.
Может я слишком большую "вилку" номиналов выбрал, но 220 Ом, чуть-чуть квакает, на фоне какого-нибудь перегруза после может дать какой-нибудь окрас. Из таких соображений в общем.

И еще подскажите пожалуйста, как С4 и С5 правильно коммутировать?

П.с. про регулировку Йо-Йо - забыл ее когда рисовал.
« Последнее редактирование: Мая 26, 2016, 08:35:32 pm от Bananas »
ЗЫ GTLab 4ever!

OlegFX

  • Сообщений: 5097
    • Просмотр профиля
Re: Хочу сделать Wah Wah. Посоветуйте схему
« Ответ #341 : Мая 26, 2016, 11:30:15 pm »
Переключение байпас/вау теперь правильно.

Цитировать
И еще подскажите пожалуйста, как С4 и С5 правильно коммутировать?
Зачем С4 коммутировать с дух сторон? Достаточно S3.2
Чтобы не щёлкал S3, его контакты можно зашунтировать резисторами 3...5 МОм. На сигнал они не повлияют, зато обеспечат на конденсаторах тот потенциал, который будет на вторых контактах в момент их замыкания.

Тот же трюк можно применить и в галетниках - висящие в воздухе выводы конденсаторов подключить к подвижному контакту через резисторы 5...10 МОм.
На мой взгляд, 10 позиций - перебор.

Зачем такой большой ток (16-17 мА) через светодиод? Существуют же ультраяркие, обычно 2-3 мА достаточно.

Пока всё.
« Последнее редактирование: Мая 27, 2016, 01:23:48 am от olegfx »

TrueVAL

  • Сообщений: 653
  • GtLab.Net forever!
    • Просмотр профиля
    • E-mail
Re: Хочу сделать Wah Wah. Посоветуйте схему
« Ответ #342 : Мая 27, 2016, 02:30:18 pm »
У меня еще пара предложений.
Базу выходного буфера Q5  можно подключить прямо к коллектору транзистора Q3 без разделительного конденсатора С9 и цепи смещения - минус пять деталей!
Во входном буфере на нагрузку 68кОм нормально будет работать обычный истоковый повторитель с резистором 10кОм вместо источника тока в истоке - еще минус четыре детали и меньший собственный шум каскада. R5 в цепи смещения Q1 только может подобрать придется, чтобы на эмиттере было 4.6-4.7 вольта.
« Последнее редактирование: Мая 27, 2016, 02:41:52 pm от andvasiljev »

Bananas

  • Сообщений: 479
  • Lord, I'd have to play the blues.
    • Просмотр профиля
    • E-mail
Re: Хочу сделать Wah Wah. Посоветуйте схему
« Ответ #343 : Мая 27, 2016, 05:08:01 pm »
@ TrueVAL

Первый же ж буфер будет не только для этой схемы, там же горячий байпас задуман. На нем будет последующий перегруз и концертный шнур, когда на чистом звуке играю.

А про соединение Q3 и Q5,  признатся не понятно, а как же сама схема Вау, крторая между Q3 и Q4 находится?
ЗЫ GTLab 4ever!

new_man

  • Сообщений: 2053
  • GtLab.Net
    • Просмотр профиля
    • E-mail
Re: Хочу сделать Wah Wah. Посоветуйте схему
« Ответ #344 : Мая 27, 2016, 06:19:38 pm »
Цитировать
А про соединение Q3 и Q5,  признатся не понятно, а как же сама схема Вау, крторая между Q3 и Q4 находится?
На нее никто не покушается. Пусть будет. Речь о том, чтобы убрать отдельные цепи смещения Q5.
Сам сигнал "вау" формируется на коллекторе Q3, оттуда его и снять, подключив базу Q5 к коллектору Q3 непосредственно. Постоянки на коллекторе Q3 полпитания, так что с режимом Q5 будет все в порядке.

TrueVAL

  • Сообщений: 653
  • GtLab.Net forever!
    • Просмотр профиля
    • E-mail
Re: Хочу сделать Wah Wah. Посоветуйте схему
« Ответ #345 : Мая 27, 2016, 06:35:29 pm »
 Bananas, "последующий перегруз и концертный шнур", не повлияют на работу простого истокового повторителя.
 Резистор R26 на выходе можно не ставить.

Bananas

  • Сообщений: 479
  • Lord, I'd have to play the blues.
    • Просмотр профиля
    • E-mail
Re: Хочу сделать Wah Wah. Посоветуйте схему
« Ответ #346 : Мая 27, 2016, 06:51:57 pm »
@ new_man

так С9, C10, r19-21 в топку? А вывод прям с коллектора, короче это правильная тока Out на этой картинке, а не модуляционные навороты?
А R22 оставить 10К? 
ЗЫ GTLab 4ever!

OlegFX

  • Сообщений: 5097
    • Просмотр профиля
Re: Хочу сделать Wah Wah. Посоветуйте схему
« Ответ #347 : Мая 27, 2016, 07:52:47 pm »
Идея прицепить базу повторителя прямо к коллектору хорошая.

Цитировать
"последующий перегруз и концертный шнур", не повлияют на работу простого истокового повторителя.
Так, вроде же, сам Bananas и выбрал его по звуку, как самый чистый и нейтральный. Я уже не помню, где и в каком ключе это обсуждалось, дайте ссылку, что ли.
А по измерениям, даже на относительно простую нагрузку 500 кОм||1 нФ (5-7 м кабеля до комбика) искажения простого повторителя в 50 раз больше и доходят до долей процента.

Цитировать
обычный истоковый повторитель с резистором 10кОм вместо источника тока в истоке .... меньший собственный шум каскада.
Шум этого каскада определяется входным последовательным резистором (3,3 кОм). В идеальных условиях разница будет меньше одной десятой дБ - это вообще ни о чём. А практически, шум целиком и полностью определяется гитарой.

Моё мнение, если действительно слышна разница по звуку, то 4 дополнительные детали стоимостью менее 2 грн (несколько центов) - совсем небольшая цена такого улучшения.
« Последнее редактирование: Мая 27, 2016, 08:09:15 pm от olegfx »

Bananas

  • Сообщений: 479
  • Lord, I'd have to play the blues.
    • Просмотр профиля
    • E-mail
Re: Хочу сделать Wah Wah. Посоветуйте схему
« Ответ #348 : Мая 27, 2016, 08:26:05 pm »
Цитировать
сам Bananas и выбрал его по звуку
так и есть, отслушал три разных и выбрал четвертый, а потом послушал этот и остановился на нем. Он лучше остальных.

У меня Эпифон ЛесПол Студио (кит), с хамбакерами. Она весьма приемлема. Я раз держал американца Гибсона, настоящего, гитарка была лучше моей, чисто по шумам... хотя и вообще разборчивее звучала. А вот синглы давненько не держал, чтобы сравнить так.

@ OlegFX
На светодиоде было указано 20мА (точнее у китайского продавца). На 20мА я сжег два, ни и поставил чуть меньше - 16-17мА.
Ну диод я выбрал, как бы не осознанно. Т.е. я изначально заказал Ультрабрайт, которые (по здешнему обсуждению) оказались не ультрабрайт, а просто яркие. Но у них была чудная особенность - плоская верхушка, его практически можно упереть в фоторезистор - один диаметр.
Ну, а потом когда выяснилось, что я не тем цветом засвечиваю, просто выбрал такие же, но красные.
Просто тогда из обсуждения, я чего-то решил, что настоящие ультраяркие потребляют такой ток, которым может стукнуть, а обитают исключительно в радиаторах.
А какие бывают ультраяркие? Я сейчас покапаю местный магазин и спрошу на примере... вот это (по х-кам) сверхяркий?
« Последнее редактирование: Мая 27, 2016, 08:47:45 pm от Bananas »
ЗЫ GTLab 4ever!

TrueVAL

  • Сообщений: 653
  • GtLab.Net forever!
    • Просмотр профиля
    • E-mail
Re: Хочу сделать Wah Wah. Посоветуйте схему
« Ответ #349 : Мая 27, 2016, 09:12:18 pm »
 @ OlegFX

Гитаристы обычно называют "шумом" не собственно шум элементов схемы, а фон+наводки, например по цепи питания.
 "Фона нет. Реально самый тихий буфер по части шумов. Посмотрим как оно с квакушкой будет" - это сам ТS писал. А тут с фильтрацией во входном делителе все в порядке - вот схема и не "шумит", если сравнивать с буферами из ссылки Bananas `а: http://forum.gtlab.net/cgi-bin/yabb2/YaBB.pl?num=1231447695/108#108
В симуляторе у меня шум простого повторителя получается в 2.5 раза меньше. Измерял схему с моделью звукоснимателя, последовательным резистором 10кОм, резистором 2.2М в смещении базы источника тока, на нагрузке 68кОм: цифры были 18нВ и 44нВ. А то, что "искажения простого повторителя в 50 раз больше и доходят до долей процента" - так это странно звучит для гитарной электроники, вроде не хай-фай у нас, а "теплый ламповый звук" с КНИ под 3-5 %.

ФёдорЫч

  • Сообщений: 1065
  • Long live Rock-n-Roll!!!
    • Просмотр профиля
    • E-mail
Re: Хочу сделать Wah Wah. Посоветуйте схему
« Ответ #350 : Мая 27, 2016, 09:30:54 pm »
Коллеги , я чуть "мимо темы" ,но около весьма  :) Если намотать катушку индуктивности примерно 600мГн -800мГн в ферритовых чашках ,то сетевые наводки такая индуктивность (в педальке!) будет ловить без дополнительной экранировки пермаллоем ????

OlegFX

  • Сообщений: 5097
    • Просмотр профиля
Re: Хочу сделать Wah Wah. Посоветуйте схему
« Ответ #351 : Мая 27, 2016, 10:45:11 pm »
Цитировать
А то, что "искажения простого повторителя в 50 раз больше и доходят до долей процента" - так это странно звучит для гитарной электроники, вроде не хай-фай у нас, а "теплый ламповый звук" с КНИ под 3-5 %.
Странно или не странно, но я же не агитировал за эту схему, соблазняя малыми искажениями, я только написал о том, что именно, на мой взгляд, позволило ТС услышать эту разницу в звуке.

Цитировать
В симуляторе у меня шум простого повторителя получается в 2.5 раза меньше. Измерял схему с моделью звукоснимателя, последовательным резистором 10кОм, резистором 2.2М в смещении базы источника тока, на нагрузке 68кОм: цифры были 18нВ и 44нВ.
Я так понимаю, ток задаёте просто резистором (2.2М) "база-плюс" без диодов? Если так, то конечно, шуметь будет как паровоз. В этом смысле, это очень плохая схема. Но мы же обсуждаем "мою" схему?

А вообще-то, советую сравнить звук при прочих равных с/без источника тока. Эксперимент делается элементарно - тумблер и резистор 10 кОм. Может, и прав TrueVAL, упростить этот повторитель - и никакой разницы не будет. Версия фона из-за плохой фильтрации смещения в повторителях-конкурентах выглядит очень даже правдоподобно. Bananas, вы когда писали о "самом тихом буфере", что имели ввиду - шум (шипение) или фон (сетевые помехи)?

Цитировать
Коллеги , я чуть "мимо темы" ,но около весьма  :) Если намотать катушку индуктивности примерно 600мГн -800мГн в ферритовых чашках ,то сетевые наводки такая индуктивность (в педальке!) будет ловить без дополнительной экранировки пермаллоем ????
А в фирменных кваках применяют, как раз, чашки. И без экранов. Конечно, если рядом окажется нечто, что излучает значительные ЭМ помехи, то фонить будет.

Цитировать
@ OlegFX
А какие бывают ультраяркие? Я сейчас покапаю местный магазин и спрошу на примере... вот это (по х-кам) сверхяркий?
Да, полно их всяких. Я покупаю на КарДачах, павильон 9-В. По виду - обычные 5 мм, но светят (у них на витрине) очень ярко. Через такие задать ток 2-3 мА и R у нормального (точнее, у подходящего) ФР будет где-то 100-300 Ом. Может, дело именно в недостаточной чувствительности вашего ФР? Попробуйте померить световое R при таком токе через СД. Ещё имеет смысл подобрать СД по цвету. У меня с некоторыми ФР наименьшее R получилось с матовым (диффузным) тёплым белым СД -  такие относительно недавно появились у них в продаже. Кстати, хорошая замена лампочкам накаливания подсветки стрелочных индикаторов всяких приборов.
« Последнее редактирование: Июня 02, 2016, 09:28:05 am от olegfx »

Peratron

  • Сообщений: 13579
  • GTLab - forever!
    • Просмотр профиля
    • E-mail
Re: Хочу сделать Wah Wah. Посоветуйте схему
« Ответ #352 : Мая 28, 2016, 12:07:11 am »
Цитировать
вот это (по х-кам) сверхяркий?
...
Цитировать
Яркость (L), мКд/м2       120

120 микроканделл - конечно НЕ яркий!

Я использую 5 мм прозрачные (с линзой) с яркостью 4 и более канделл.

ХИНТ: рекомедую соорудить стендик - на одном и том же фотосопротивлении менять диоды. Причём жёстко фиксировать взаимное положение излучателя и приёмника.

ХИНТ: линза очень важна!
При этом, 5 мм / 4 Кд засвечивает у меня стенд ярче, чем 3 мм / 6 Кд...
« Последнее редактирование: Мая 28, 2016, 12:07:53 am от peratron »
Схемотехническая мантра: титцешенкохоровицехилл. Повторять до просветления...

Bananas

  • Сообщений: 479
  • Lord, I'd have to play the blues.
    • Просмотр профиля
    • E-mail
Re: Хочу сделать Wah Wah. Посоветуйте схему
« Ответ #353 : Мая 28, 2016, 02:26:44 pm »
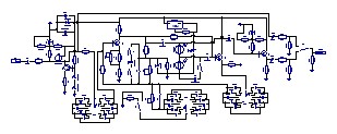
Версия 0.3.2
Переделал нумерацию, чтобы проще переделывать было, если что :)
Правильно транзистор выходного буфера подключен? Правильный у него обвес?
А как повлияют настройки Р3, Р4 на Qout если он там чего-то питается от Q1 (по новой нумерации)?



@ OlegFX
фон (сетевые помехи)... а вообще фиг его знает. Я через такую штуку слушаю, которая шумит. Вот выбранный буфер звучал тише остальных и по гудению и по шипению, и по радио. Можно натурные испытания провести, есть осциллограф.

@ Peratron
спасибо

@ TrueVAL
А наноБелл это много разве?

И на счет Р3, Р4 на схеме моей (точнее той что я нарисовал) большой вопрос есть.

Буду пользоваться для терминологии и вопрошаний схемами из Vox V847 Wah-Wah Analysis, Dunlop CryBaby GCB-95 Cicuit Analysis и The Technology of Wah Pedals. Нумерация совпадает (там где совпадает) с теми же эл-тами на мною нарисованной схеме. 

В общем, кроме наличия буфера, схемы Vox и CryBaby отличаются R4 и R8. У вокса R4=510 Ом; R8=100 кОм, а у данлопа 390 Ом и 82 кОм соответственно.
Схема вокса
Схема плачь детки

В общем, по R.G.Keen'у R4 влияет на смещение и усиление транзистора Q1, а R8 на смещение  опять же Q1 и в небольшой степени. И у него 470 и 82к на схеме.

Но явно что они вместе делают одно дело, которое влияет на работу первого транзистора, ну и я так понимаю, на моей схеме, на работу транзистора выходного буфера, который берет 4,5 или больше вольт с первого транзистора схемы.

Ну и собственно раз уж я стал делать такой трансформер, решил настраивать все. Соответственно и эти два резистора. Назову это дело - Вокс мод (или плачь детка мод по хронологии). Но вот вроде как по разным наблюдениям JH мод лучше использовать на 390/82к настройках.


В общем есть у меня такой переключатель потенциометр:


Скажем это Р3 на моей схеме, который "рулит" сопротивлением R4. Вот можно ли сделать так, что бы во время хода потенциометра, контакты были замкнуты, а в крайнем положении после щелчка - разомкнуты?
Суть в том, что JH-мод (Ответ #326, схема, спасибо@ TrueVAL) стоит включать именно в положении 390/82к. И потому хочется, чтобы в крайнем положении потенциометра, когда срабатывал переключатель, конденсаторы подключались к схеме.

Т.е. стоит ли мне его разобрать на молекулы, чтобы физически переделать, так, чтобы переключатель замыкал, а не размыкал контакты в крайнем положении или есть какой нибудь другой путь?

Есть вариант для Р4 найти такой же (у дедов на радиорынке). Я нашел в батиных закромах такие же но 4k7. Но это  наводит на мысль, что 47k  можно найти.

Т.е. теоретически есть две пары (т.е. 4) контактов для замыкания всего двух конденсаторов. Но нужно так, чтобы эти контакты срабатывали наоборот.

Я чего-то мозг сломал на этом.
« Последнее редактирование: Июля 09, 2016, 01:16:23 pm от Bananas »
ЗЫ GTLab 4ever!

TrueVAL

  • Сообщений: 653
  • GtLab.Net forever!
    • Просмотр профиля
    • E-mail
Re: Хочу сделать Wah Wah. Посоветуйте схему
« Ответ #354 : Мая 30, 2016, 06:19:07 pm »
@ OlegFX

Вдогонку по входному буферу с источником тока. Я его по памяти рисовал в симуляторе и пропустил резистор 1кОм в цепи эмиттера, а резистор смещения на базу потом уже подбирал и он получился 2.2M - потому и шум 44нВ намерил. В правильной схеме фоновый шум получился такой же как у простого истокового повторителя, 18нВ, а на резонансе датчика - порядка 63нВ у обоих схем, тоесть все вроде замечательно.
 Но ток потребления буфера всего 350мкА и на нагрузке 10кОм начинается ограничение нижней полуволны при амплитудах входного сигнала порядка 4-х вольт. Решил увеличить ток покоя до 550мкА и еще смещение на базу завел со средней точки делителя с электролитом, что, как выяснилось потом, дало уменьшение пролаза фона по цепи питания на 4дБ. В схеме просто поставил резистор 470Ом вместо 1кОм в цепи эмиттера и перекинул верхний по схеме конец резистора 100кОм.
В симуляторе получил такую картинку:
https://yadi.sk/i/VzyL_Ntjs8Gdh

new_man

  • Сообщений: 2053
  • GtLab.Net
    • Просмотр профиля
    • E-mail
Re: Хочу сделать Wah Wah. Посоветуйте схему
« Ответ #355 : Мая 30, 2016, 07:27:31 pm »
@ TrueVAL
Это все хорошо, нет предела совершенству, и проч...
Но смысл-то, применительно к схеме Bananas, - в чем?
Пропустить сигнал через буфер, который терпит 4 В и подать его на кваку, которая перегрузится при 100 мВ.
Все эти ненужные улучшения уже от лукавого, имхо.


TrueVAL

  • Сообщений: 653
  • GtLab.Net forever!
    • Просмотр профиля
    • E-mail
Re: Хочу сделать Wah Wah. Посоветуйте схему
« Ответ #356 : Мая 30, 2016, 07:39:26 pm »
Да, я понимаю, потому и предложил Bananas`у использовать простой истоковый повторитель. Его, кстати, можно же и без делителя с электролитом делать, и даже двумя способами. Но для каких-то других целей каскад повторителя с источником тока, как Rail-to-Rail по входу, может быть полезен, потому и пишу про него.
« Последнее редактирование: Мая 30, 2016, 07:41:02 pm от andvasiljev »

OlegFX

  • Сообщений: 5097
    • Просмотр профиля
Re: Хочу сделать Wah Wah. Посоветуйте схему
« Ответ #357 : Мая 30, 2016, 08:58:39 pm »
Цитировать
Пропустить сигнал через буфер, который терпит 4 В и подать его на кваку, которая перегрузится при 100 мВ.
Все эти ненужные улучшения уже от лукавого, имхо.
new_man, это схема полугорячего (или полухолодного) байпаса, т.е. этот повторитель используется именно для вау лишь эпизодически, как ни странно. А во всей цепи - он первый (главный). Я, кстати, только так и делаю. А тру-байпас (повторитель только для вау) - это, в данном случае, не тру.

TrueVAL, рассчитывать на нагрузку 10 кОм - это перебор, ИМХО. Напрямую в пульт включать, что ли?

Bananas, вроде, всё правильно. Моды я не проверял, так что сами перепроверьте.
« Последнее редактирование: Мая 31, 2016, 05:38:43 am от olegfx »

Bananas

  • Сообщений: 479
  • Lord, I'd have to play the blues.
    • Просмотр профиля
    • E-mail
Re: Хочу сделать Wah Wah. Посоветуйте схему
« Ответ #358 : Июля 09, 2016, 01:27:13 pm »
@ OlegFX
Возник вопрос. Немного уточню. Хочу таки сделать педаль с фуззом. Какой имено так и не решил и хочу на основной плате сделать выводы, чтобы подключать разные фуззы и пробовать-слушать, решать какой лучше. Выводы для питания, т.е. прям продублировать землю и плюс и выводы для входа и выхода фузза.  Подключать фузз хочу так, чтобы в режиме отключенной квакушки он шел поле первого буфера основной схемы, а в режиме включенной квакушки после всей схемы квакушки, соответственно, после второго буффера.
Ну и наконец вопрос - а как правильно подключать фузз в таком случае - до RCR цепочки или после?
Просто если "до", так наверное нужно ее делать общей, эту RCR цепочку, которая у меня в виде Сp1-Rp1-Rp2 и Cout2-Rout2-Rout3.
Схема
« Последнее редактирование: Июля 09, 2016, 01:39:11 pm от Bananas »
ЗЫ GTLab 4ever!

Bananas

  • Сообщений: 479
  • Lord, I'd have to play the blues.
    • Просмотр профиля
    • E-mail
Re: Хочу сделать Wah Wah. Посоветуйте схему
« Ответ #359 : Июля 09, 2016, 02:09:04 pm »
А еще задумал я неблагодарное дело, Полтавку перекрасить. Уж раз я тут выкладываю фотки про Полтавку, и меня даже иногда называют топикстартером, так пусть полежит тут:


Полтавка, после всех фрезерных работ и после предварительной очистки. Предстоит окончательная зачистка, сверление, шлифовка, травление, покраска...

А вот пружина переделанная, точнее ее части. Она оказалась жестковата, и я ее разделил, будет у меня составная еперь, з двух кусочков. Про пружину я тут где-то писал, из чего она и все такое, не было ее фоток. Вот фотка:


Ну и переточил вставочки. Были такие маленькие, но жесткие и саму педаль люфтило, я сделал из фторопласта, чтобы без люфтов было. Единственное фторопласт помягче этой фигни, которая была. Очень может быть, что разобьются со временем. ПОсмотрим, как говориться. Вставочки:
ЗЫ GTLab 4ever!