Автор Тема: Как правильно подключить Дроссель Д32?  (Прочитано 7832 раз)

0 Пользователей и 1 Гость просматривают эту тему.

KurtOchka

  • Сообщений: 585
  • GTLab - forever!
    • ICQ клиент - 383970879
    • Просмотр профиля
    • E-mail
Как правильно подключить Анодный Дроссель Д32? Усилитель на 50 ват, на двух 6л6, меса ректайфер.

http://www.mariklab.ru/reference/chokes/D32.html

http://img412.imageshack.us/img412/474/73039747.jpg
« Последнее редактирование: Октября 07, 2010, 02:53:18 pm от Borskh_Sergey »

Ser.Balashoff

  • Сообщений: 714
  • SRV & GtLab forever!
    • Просмотр профиля
    • E-mail
Re: Как правильно подключить Дроссель Д32?
« Ответ #1 : Октября 07, 2010, 03:29:25 pm »
Я бы включил по-простому выводами 1-2 и все. А компенсационную обмотку оставил бы просто не подключенной. Думаю, не надо заморачиваться.

GLEB

  • Гость
Re: Как правильно подключить Дроссель Д32?
« Ответ #2 : Октября 07, 2010, 04:32:15 pm »
Читать тут http://www.mariklab.ru/reference/chokes/D32.html

А вообще обычно в схемах с такими дросселями ставят фильтрующий конденсатор с точки соединения на землю (получается ещё одна LC-ячейка), или делают фильтр-пробку на 100Гц

KurtOchka

  • Сообщений: 585
  • GTLab - forever!
    • ICQ клиент - 383970879
    • Просмотр профиля
    • E-mail
Re: Как правильно подключить Дроссель Д32?
« Ответ #3 : Октября 07, 2010, 04:54:35 pm »
Цитировать
Читать тут http://www.mariklab.ru/reference/chokes/D32.html

А вообще обычно в схемах с такими дросселями ставят фильтрующий конденсатор с точки соединения на землю (получается ещё одна LC-ячейка), или делают фильтр-пробку на 100Гц

Ты дал ссылку которая у меня в первом посте. Но там не написано на сколько мкф ставить конденсатор, и какую из обмоток 3-6 компенсационную обмотку использовать?

Я бы включил по-простому выводами 1-2 и все. А компенсационную обмотку оставил бы просто не подключенной. Думаю, не надо заморачиваться.

Азнаур мне написал что если не использовать  компенсационную обмотку то дроссель будет входить в насыщение так как нету не магнитного зазора.

http://www.guitarplayer.ru/forum/index.php?topic=86475.msg3413312#msg3413312
« Последнее редактирование: Октября 07, 2010, 05:07:05 pm от Borskh_Sergey »

GLEB

  • Гость
Re: Как правильно подключить Дроссель Д32?
« Ответ #4 : Октября 07, 2010, 05:06:51 pm »
Про насыщение — дичайше…
Вот тут разъяснено примитивно, но с картинками: http://www.radiolamp.ru/shem/amplifier_m_vch/1.php?no=12

KurtOchka

  • Сообщений: 585
  • GTLab - forever!
    • ICQ клиент - 383970879
    • Просмотр профиля
    • E-mail
Re: Как правильно подключить Дроссель Д32?
« Ответ #5 : Октября 07, 2010, 05:10:16 pm »
так что этот дроссель вообще не годится или как?
Или не годится его использовать без компенсационной обмотки, будет входить в насыщение.
« Последнее редактирование: Октября 07, 2010, 05:17:01 pm от Borskh_Sergey »

GLEB

  • Гость
Re: Как правильно подключить Дроссель Д32?
« Ответ #6 : Октября 07, 2010, 05:25:42 pm »
Годится, просто его потенциал выше поставленной задачи

KurtOchka

  • Сообщений: 585
  • GTLab - forever!
    • ICQ клиент - 383970879
    • Просмотр профиля
    • E-mail
Re: Как правильно подключить Дроссель Д32?
« Ответ #7 : Октября 07, 2010, 05:39:48 pm »
То как же мне его правильно рассчитать? Емкость конденсатора?

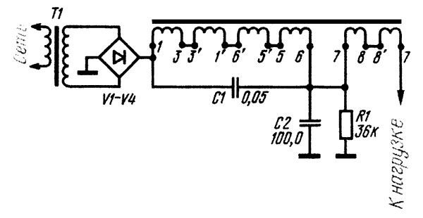
Вот нашел схему, написано С2 два конденсатора параллельно включить, 10мкф на 600вольт. Только какая обмотка компен. 3...6 на схеме указано вот так, то как луче, помогите разобраться.
« Последнее редактирование: Октября 07, 2010, 05:43:15 pm от Borskh_Sergey »

KurtOchka

  • Сообщений: 585
  • GTLab - forever!
    • ICQ клиент - 383970879
    • Просмотр профиля
    • E-mail
Re: Как правильно подключить Дроссель Д32?
« Ответ #8 : Октября 07, 2010, 06:25:20 pm »
Вычитал в книжке, что у Дросселя д42 есть не магнитный зазор, и просто можно брать обмотку и подключать в розрыв анодки, а компенсирующую обмотку не трогать. Про какое насыщение мы говорим ребята?  :)

GLEB

  • Гость
Re: Как правильно подключить Дроссель Д32?
« Ответ #9 : Октября 07, 2010, 06:55:36 pm »
Ну, так я и написал "Про насыщение — дичайше…", кто такое тебе заявил, пусть и объясняет
на 10мкФ в современных условиях можешь себе не ограничивать (но без фанатизма, по месту)
Если активное сопротивление дросселя тебя устраивает, включай к выводу 3

KurtOchka

  • Сообщений: 585
  • GTLab - forever!
    • ICQ клиент - 383970879
    • Просмотр профиля
    • E-mail
Re: Как правильно подключить Дроссель Д32?
« Ответ #10 : Октября 07, 2010, 07:27:47 pm »
Так я говорю что если просто подключить вход к 1 а выход 2 и все.
Вот смотри как подключил д40 мастер.
http://img822.imageshack.us/img822/7748/stud1.gif
« Последнее редактирование: Октября 07, 2010, 07:32:35 pm от Borskh_Sergey »

Tan

  • Сообщений: 1462
    • Просмотр профиля
    • E-mail
Re: Как правильно подключить Дроссель Д32?
« Ответ #11 : Октября 08, 2010, 07:48:26 pm »
Вот у меня тоже вопрос про LC или RC фильтр. Читал что их настраивают на частоту 50/100Гц, а друг радиолюбитель сказал что чем больше кондёр - тем лучше. Это так? Или всё таки надо при увеличении екости кондёра пропорционально уменьшать сопротивление/индуктивность?
Второй вопрос. В схемах часто стоят два кондёра, и который после резистора - вдвое меньше. Это чем то обусловено по расчёту?
« Последнее редактирование: Октября 08, 2010, 07:49:52 pm от Tan »
Сквозь собственный идиотизм к проверенным решениям.
Matamp+Diezel ch3, 6Н9С+KT90, OrangeDrops+SilverMica.

GLEB

  • Гость
Re: Как правильно подключить Дроссель Д32?
« Ответ #12 : Октября 08, 2010, 07:58:43 pm »
2 KurtOchka
Можешь согласно включить любое количество обмоток, чем больше — тем больше индуктивность, но фишка включения этого типа дросселя будет неиспользована

2 Tan:
Резонансный фильтр-пробку на 100Гц образует контур из С1 и обмотки 1-6
А фильтрующей ячейкой является эта обмотка + С2, при увеличении L и/или С пульсации уменьшаются.



Но! При бешеном увеличении С2 увеличивается его ток заряда, и пропадает специфическая "просадка" характерная для мощный оконечников в классе AB.
В увеличении L ничего страшного нет, если магнитное поле дросселя не мешает и его активное сопротивление не приводит к слишком большому падению напряжения.

PS — ответы на 99% вопросов форума gtlab находятся в учебнике для техникума. Может стоит прочитать?
« Последнее редактирование: Октября 08, 2010, 08:02:18 pm от GLEB »

Tan

  • Сообщений: 1462
    • Просмотр профиля
    • E-mail
Re: Как правильно подключить Дроссель Д32?
« Ответ #13 : Октября 08, 2010, 08:20:39 pm »
Глеб, я строительный инженер, я пытался Войшвилло читать, но понимаю процентов пять.
Подскажи какую какую книгу ты конкретно имеешь ввиду, а то они то слишком сложные, то для детских кружков.
Цитировать
"при увеличении L и/или С пульсации уменьшаются"
 
- отлично. То что надо.
Вот, вспомнил из Войшвилло что есть минимальное соотношение RC или LC, при котором гасится 100Гц. Верно?
Цитировать
"пропадает специфическая "просадка""
  - то бишь фактически компрессия пиков.
Цитировать
магнитное поле дросселя не мешает
  - кому мешает? Наводки?
Вот есть у меня ноунейм дроссель. Что я знаю о его магнитном поле?
А что по второму вопросу. В схемах часто стоят два кондёра, и который после резистора - вдвое меньше. Это чем то обусловено по расчёту? Или типизация и экономия?
« Последнее редактирование: Октября 08, 2010, 08:32:05 pm от Tan »
Сквозь собственный идиотизм к проверенным решениям.
Matamp+Diezel ch3, 6Н9С+KT90, OrangeDrops+SilverMica.

GLEB

  • Гость
Re: Как правильно подключить Дроссель Д32?
« Ответ #14 : Октября 08, 2010, 08:47:27 pm »
Цитировать
Вот, вспомнил из Войшвилло что есть минимальное соотношение RC или LC, при котором гасится 100Гц. Верно?
Ну, кабэ… арифметика… L умножить на С — "постоянная времени ячейки". Войшвилло излагает лучше всех, просто читай его последовательно. Матаппарат там школьный
Цитировать
то бишь фактически компрессия пиков.
да, а это слышно
Цитировать
Вот есть у меня ноунейм дроссель. Что я знаю о его магнитном поле?
А что я знаю о твоём ноунейм дросселе, который лежит в левом кармане?  ;D При неудачном расположении может наводить в схему, несмотря на то, что амплитуда пульсаций невелика, пилообразное напряжение — это неприятно.
Цитировать
В схемах часто стоят два кондёра, и который после резистора - вдвое меньше. Это чем то обусловено по расчёту?
Конечно! Ведь каждой следующей ступени "нужно побороть" ещё меньшую амплитуду пульсации и поэтому постоянная времени больше всего у первой ячейки и меньше всего у последней. А ещё есть соображения о распределении заряда в таких цепочках, и о подавлении генерации, и пр.