Автор Тема: Супер Чемп 20 Вт  (Прочитано 6049 раз)

0 Пользователей и 1 Гость просматривают эту тему.

Добрый Кот

  • Global Moderator
  • *****
  • Сообщений: 1030
  • GtLab.Net forever!
    • Просмотр профиля
    • E-mail
Супер Чемп 20 Вт
« : Февраля 25, 2017, 04:44:43 pm »
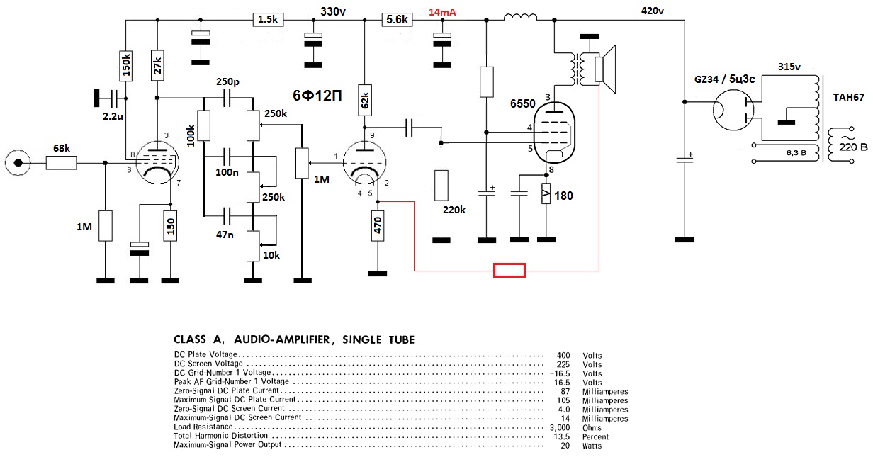
Благодарю комрада АК-47 за вброс инфы. Загорелся собрать суперчамп 20Вт так как есть для него трансы  ::)

Вот набросал схемку. Темброблок  Alembic F2B / Fender Showman / Acoustic 360 / Sadowsky

Правда вот с питанием второй сетки пока не определился.

Жду ваших рекомендаций и критики :)

« Последнее редактирование: Февраля 26, 2017, 06:23:00 am от kote »

ФёдорЫч

  • Сообщений: 1065
  • Long live Rock-n-Roll!!!
    • Просмотр профиля
    • E-mail
Re: Кто прояснит?
« Ответ #1 : Февраля 25, 2017, 05:22:28 pm »
Для GZ34  номинал ёмкости  60мкФ .  Ток потребления пусть 100мА . Не маловата ли ёмкость будет (не зафонит ли?)? Я бы на диодах сделал и ёмкость поболее .

Добрый Кот

  • Global Moderator
  • *****
  • Сообщений: 1030
  • GtLab.Net forever!
    • Просмотр профиля
    • E-mail
Re: Кто прояснит?
« Ответ #2 : Февраля 25, 2017, 06:02:26 pm »
Согласен, надо подумать. Это ведь эскиз. В принципе можно применить и вовсе электронный дроссель.

Я вообще думаю, а не применить ли для выходной лампы локальную ООС как в проекте "Покемон"?
На сколько я понял автора, это снижает внутреннее сопротивлени каскада и позволяет применить менее габаритный трансформатор. Я понимаю что хи-фи и гитарник это разные концепции, но ведь Чамп тоже охвачен ООС, которая снижает усиление, искажения и выходное сопротивление.

Cтатья тут: http://olc67.narod.ru/pockemon.doc



ФёдорЫч

  • Сообщений: 1065
  • Long live Rock-n-Roll!!!
    • Просмотр профиля
    • E-mail
Re: Кто прояснит?
« Ответ #3 : Февраля 25, 2017, 06:44:30 pm »
Не надо по "покемоновски"...делал я с ООС .  Звук ,нежно выражаясь , г""но .  Нет певучести ,резкий переход "клин-дисторшен" , маленькая фаза "кранч-овердрайв" .  У меня на студии однотакт на 2х6п3с  , ватт 15 ,без ООС . Хорошо работает много лет .   Хотя ,если нужен дисторшновый звук , то можно и с ООС . Это всё ИМХО .

Добрый Кот

  • Global Moderator
  • *****
  • Сообщений: 1030
  • GtLab.Net forever!
    • Просмотр профиля
    • E-mail
Re: Супер Чемп 20 Вт
« Ответ #4 : Февраля 25, 2017, 08:00:34 pm »
Резкий переход из клина в дист и маленькакая фаза кранч-овердрайв это интересно. Но с такой мощностью это будет жесть. А какое сечение сердечника выходника в твоем однотакте?

ФёдорЫч

  • Сообщений: 1065
  • Long live Rock-n-Roll!!!
    • Просмотр профиля
    • E-mail
Re: Супер Чемп 20 Вт
« Ответ #5 : Февраля 25, 2017, 08:18:48 pm »
Про сечение точно не помню ....вроде квадрат 7-8 .  Полосу по низу считал как у чампа ....150 Гц .  Приведёнка около 2-х ком .
« Последнее редактирование: Февраля 25, 2017, 08:22:18 pm от GREtchko »

Tubeman

  • Сообщений: 1056
  • GTLab - forever!
    • Просмотр профиля
Re: Супер Чемп 20 Вт
« Ответ #6 : Февраля 27, 2017, 02:08:52 am »
2:Добрый Кот...6Ф12П по виброшумам отбирать придется. Большинство, здорово "микрофонит".
С замечанием, Tubeman.

Bpjkznjh

  • Гость
Re: Супер Чемп 20 Вт
« Ответ #7 : Февраля 27, 2017, 01:04:42 pm »
@ Добрый Кот

На схеме резануло глаз: GZ34/5Ц3С типа, всё одно. А это очень разные кенотроны (по ВАХ, разумеется).

Цитировать
Я вообще думаю, а не применить ли для выходной лампы локальную ООС как в проекте "Покемон"?
На сколько я понял автора, это снижает внутреннее сопротивлени каскада и позволяет применить менее габаритный трансформатор. 
Менее габаритный тр-р - да, немного.
"Покемоновская" ОС снижает и входное сопротивление вых. лампы, драйвер должен соответствовать.
Снижать напряжение для 2-ой 6550 резистором не годится. Надо ставить отдельный источник, или стабилизатор.

Добрый Кот

  • Global Moderator
  • *****
  • Сообщений: 1030
  • GtLab.Net forever!
    • Просмотр профиля
    • E-mail
Re: Супер Чемп 20 Вт
« Ответ #8 : Февраля 27, 2017, 03:34:18 pm »
Цитировать
2:Добрый Кот...6Ф12П по виброшумам отбирать придется. Большинство, здорово "микрофонит".
С замечанием, Tubeman.

Спасибо. Я просимулировал схему. Не так уж и много на темроблоке проседает. С 6Ф12П я что-то сильно погорячился. Даже с ЕСС83 будет солидный кранч. Довольно чистый 20вт усилитель с Кгр выходной лампы 13% (как указано в режиме) при входной амплитуде 0.3в получился на 12AU7. Режим 350в, Ra=43к, Rc=1.5к||25мкф.

@ Наблюдатель

Ну из отечественных то выбор скудный если сильно хочется кенотрон. Я исключительно из этих соображений эго туда...
С максимальной ёмкостью конденсатора после кенотрона тоже засада. Прийдётся применять дроссель.

Добрый Кот

  • Global Moderator
  • *****
  • Сообщений: 1030
  • GtLab.Net forever!
    • Просмотр профиля
    • E-mail
Re: Супер Чемп 20 Вт
« Ответ #9 : Марта 21, 2017, 09:09:57 pm »
Всем привет.
Приехала ко мне JJ 6550. Решил повеселить публику парой фоток.
За монтаж сильно не ругайте. Всё таки макет, причём намерено из ЧПРП.
От идеи с 6Ф12П как я уже сказал - отказался. 
Пока собрал на козырной Sylvania 6SN7GT (6Н8С). Оба каскада 47кОм + 1.5кОм.
Cамое весёлое то, что все режимы по постоянке в норме, а в динамике тишина. Даже щелчка при подаче анодного нет.
Времени ковырять дальше небыло. Запасемся попкорном....





Vdm

  • Сообщений: 36
  • радиоломатель-конструктор
    • Просмотр профиля
    • E-mail
Re: Супер Чемп 20 Вт
« Ответ #10 : Марта 25, 2017, 02:31:32 pm »
Да уж. Жене показал - она ухохоталась.

Добрый Кот

  • Global Moderator
  • *****
  • Сообщений: 1030
  • GtLab.Net forever!
    • Просмотр профиля
    • E-mail
Re: Супер Чемп 20 Вт
« Ответ #11 : Марта 25, 2017, 06:26:46 pm »
Цитировать
Да уж. Жене показал - она ухохоталась.
 

Моя тоже каждый раз ужасается, поэтому стараюсь не показывать ;)

Peratron

  • Сообщений: 13579
  • GTLab - forever!
    • Просмотр профиля
    • E-mail
Re: Супер Чемп 20 Вт
« Ответ #12 : Марта 25, 2017, 10:58:20 pm »
А ещё можно сковородку использовать в качестве корпуса..
Схемотехническая мантра: титцешенкохоровицехилл. Повторять до просветления...

DDD

  • Сообщений: 10347
  • Имею личный текст
    • Просмотр профиля
    • E-mail
Re: Супер Чемп 20 Вт
« Ответ #13 : Марта 26, 2017, 02:44:08 am »
Мне очень импонирует подчеркнутая эргономичность органов управления: чем "главнее" регулятор, тем длиннее его ручка, полагаю?
Готов подписаться под каждым своим словом

Добрый Кот

  • Global Moderator
  • *****
  • Сообщений: 1030
  • GtLab.Net forever!
    • Просмотр профиля
    • E-mail
Re: Супер Чемп 20 Вт
« Ответ #14 : Марта 26, 2017, 05:27:31 am »
Цитировать
Мне очень импонирует подчеркнутая эргономичность органов управления: чем "главнее" регулятор, тем длиннее его ручка, полагаю?

Написал же, из ЧПРП....впрочем Стебайтесь на зоровье, святое дело  ;) :D

Кстати (кто всматривался) пальчиковая панелька слева и часть монтажа остатки от маршалла. На этом макете прекрасно работал плекси с 2х6П14П.

Кслову о сковородках. У меня как раз куплена маааленькая оранжевая (~15см) под ФузФэйс. Уж больно она мне напомнила его родной корпус  ::)
А ещё на днях нашёл в супермаркете такой экземплярчик. Для варианта "без будки" просто сказка, особенно в плане боковых ручек  ::)


« Последнее редактирование: Марта 26, 2017, 05:28:24 am от kote »

THRASH

  • Сообщений: 5719
  • GTLab - forever!
    • Просмотр профиля
    • E-mail
Re: Супер Чемп 20 Вт
« Ответ #15 : Марта 27, 2017, 02:40:36 pm »
По моему гон. Норм корпус из сталюки со всеми отверстиями, крашеный в порошок 10-12$ стоит сделать
« Последнее редактирование: Марта 27, 2017, 02:42:42 pm от thrash »
Jackson JS32RT Dinky->X2N, Gavrilenko custom shop baritone 27*-> AHB-2-->DIY 2х12( governor+v12)