Автор Тема: BBE Sonic Stomp  (Прочитано 6723 раз)

0 Пользователей и 1 Гость просматривают эту тему.

Tubeman

  • Сообщений: 1056
  • GTLab - forever!
    • Просмотр профиля
BBE Sonic Stomp
« : Октября 11, 2012, 11:46:02 am »
Исходник: http://i19.tinypic.com/62pa0jt.png
...ну, и какие мнения (по поводу звука и схемотехники) будут у сообщества?
С интересом, Tubeman.

DDD

  • Сообщений: 10347
  • Имею личный текст
    • Просмотр профиля
    • E-mail
Re: BBE Sonic Stomp
« Ответ #1 : Октября 11, 2012, 02:31:28 pm »
Штука бесспорно интересная и замысловатая. А вот что она и как - ХЕЗ. Даже не представляю...
Единственное, что могу сказать: автор (Baja) - очень грамотный и опытный мужик, один из ведущих на форуме freestompboxes. Смотрел много его схем и, должен сказать, все они дают ощущение немалого профессионализма.
Готов подписаться под каждым своим словом

Tubeman

  • Сообщений: 1056
  • GTLab - forever!
    • Просмотр профиля
Re: BBE Sonic Stomp
« Ответ #2 : Октября 11, 2012, 02:55:56 pm »
...к сожалению, темы о динамических обработках (исключая компрессоры), не слишком популярны на нашем форуме. Мне кажется надо бы восполнить этот недостаток.

П.С...чуть позже (когда перерисую) выложу схему APHEX Guitar Exciter(а), а пока ссылочки на видео: http://www.youtube.com/watch?v=hGVhw1KpZT0&feature=related http://www.youtube.com/watch?v=D17Cpo2-3sU&feature=related

new_man

  • Сообщений: 2053
  • GtLab.Net
    • Просмотр профиля
    • E-mail
Re: BBE Sonic Stomp
« Ответ #3 : Октября 11, 2012, 03:27:42 pm »
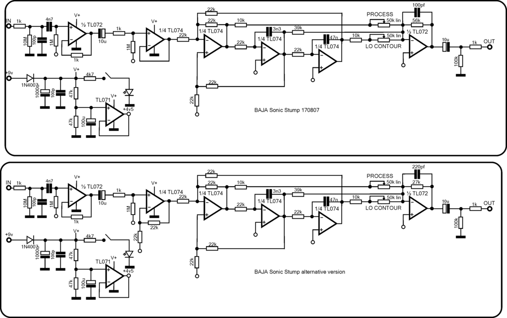
А что, собственно, необычного в этой схеме?
Это просто фильтр. Кажется, их называют биквадратными.
С выходов ОУ снимаются сигналы в функции ФНЧ, ПФ, и ФВЧ от входного и суммируются в той или иной пропорции.
Открытой Америкой тут и не пахнет.

OlegFX

  • Сообщений: 5097
    • Просмотр профиля
Re: BBE Sonic Stomp
« Ответ #4 : Октября 11, 2012, 03:55:00 pm »
Цитировать
Единственное, что могу сказать: автор (Baja) - очень грамотный и опытный мужик, один из ведущих на форуме freestompboxes. Смотрел много его схем и, должен сказать, все они дают ощущение немалого профессионализма.
И тем не менее, схема косячная.
1) Резистор со второго интегратора идёт на +вх. первого ОУ, что даёт ПОС (по постоянке!) с моментальным защёлкиванием выхода.
2) Нет ОС с первого интегратора, что приводит к такому же результату, только не моментально, а по мере заряда интегрирующего конденсатора - доли мсек. Это всё без учёта той "мелочи", что схема без правильных ОС не будет работать как фильтр.
Сомневающимся советую смотреть/читать про биквады и фильтры с переменными состояния. Например, соответствующая глава из ХХ: http://www.skilldiagram.com/gl5-8.html
Лечение: резистор 22к с первого интегратора завести в +вх первого ОУ, и такой же резюк со второго интегратора - на -вх того же первого ОУ.

Кроме того, на входе стоит последовательный R 1МОм, что даёт дикие шумы. Кто-то, копируя схему с оригинала, выкинул буфер - отсюда такое странное решение. Гугл дал ссылку на оригинал, но там нужна регистрация, поэтому на картинке не видны номиналы, но буфер виден, да, иначе и быть не могло, т.к. BBE действительно "грамотная" фирма и такой косяк никак бы не допустила.
https://www.google.com.ua/search?q=bbe+sonic+stomp+schematic&hl=ru&client=firefox-a&hs=07H&rls=org.mozilla:ru:official&biw=1162&bih=693&prmd=imvns&tbm=isch&tbo=u&source=univ&sa=X&ei=6Kt2UKLGLs-DhQf9koHYCQ&sqi=2&ved=0CCIQsAQ
Вторая картинка; у кого есть регистрация на FSB, выложите, плиз, сюда. И другие картинки, если они там есть.
« Последнее редактирование: Октября 11, 2012, 05:07:51 pm от olegfx »

new_man

  • Сообщений: 2053
  • GtLab.Net
    • Просмотр профиля
    • E-mail
Re: BBE Sonic Stomp
« Ответ #5 : Октября 11, 2012, 04:12:14 pm »
Цитировать
И тем не менее, схема косячная.
Ведь действительно работать не будет.   [smiley=shocked.gif]

DDD

  • Сообщений: 10347
  • Имею личный текст
    • Просмотр профиля
    • E-mail
Re: BBE Sonic Stomp
« Ответ #6 : Октября 11, 2012, 04:46:43 pm »

Вроде как по постоянке ООС действительно НЕправильная: три инвертора = неинвертирующий каскад.
В топиках пишут, что работает классно... цитирую одно из многочисленных восхвалений: "I built this on vero from the layout at sabrotone. Amazing! wanna give big thanks to Bajaman and HBO. You guys are my new hero's ! I used tl081 tl082 and tl084 chips , sounds great was thinking about popping in a opa2134 in place of the tl082 but im not sure it will make much if any of a difference and it already sounds amazing!"
Однако, нафига еще на входе два (практически) повторителя впослед с общим Ку=2 ???
« Последнее редактирование: Октября 11, 2012, 04:52:07 pm от DDD »
Готов подписаться под каждым своим словом

OlegFX

  • Сообщений: 5097
    • Просмотр профиля
Re: BBE Sonic Stomp
« Ответ #7 : Октября 11, 2012, 04:59:05 pm »
О, это другое дело, уже без тех косяков, о которых я писал. А как насчёт оригинальной схемы, есть там она?

access777

  • Сообщений: 691
  • GtLab.Net forever!
    • Просмотр профиля
    • E-mail
Re: BBE Sonic Stomp
« Ответ #8 : Октября 11, 2012, 05:38:29 pm »

Uncle_Cherry

  • Сообщений: 5237
  • GTLab - forever
    • Просмотр профиля
    • E-mail
Re: BBE Sonic Stomp
« Ответ #9 : Октября 11, 2012, 07:22:42 pm »
Цитировать
...ну, и какие мнения (по поводу звука и схемотехники) будут у сообщества?
С интересом, Tubeman.
@ Tubeman, прям бальзам на душу.
Уважаю тонкие, интеллигентные обработки.
Заинтересовался, буду вникать :-[



Время подобно змее, укусившей свой хвост

Lekxs

  • Сообщений: 669
    • Просмотр профиля
    • E-mail
Re: BBE Sonic Stomp
« Ответ #10 : Октября 11, 2012, 08:31:23 pm »
Собирал пару лет назад такую педаль - на чистом звуке очень приятно звучало, ещё тумблером сдвиг середины добавлял. Также преобразил этой приблудой ерасовский маус - клиент доволен )) К сожалению, в живом миксе не довелось послушать, зато для дивана вещь нужная )))
Lukey 868, Schecter Tempest Blackjack

Elick

  • Гость
Re: BBE Sonic Stomp
« Ответ #11 : Октября 12, 2012, 12:20:32 am »
По схеме Don-a первый опер (IC1A) со всей обвязкой вообще ниочём, а R4 - классика бесполезности  ;)
Я бы и полпитания резюками развёл, нафига корпус на ветер выбрасывать...
« Последнее редактирование: Октября 12, 2012, 12:21:47 am от Elick »

Vlds

  • Сообщений: 1259
    • Просмотр профиля
    • E-mail
Re: BBE Sonic Stomp
« Ответ #12 : Октября 12, 2012, 07:42:02 am »
Схема абсолютно рабочая, я собирал версию Баджи и после в живую сравнивал с оригинальной педалью. Как звукореж скажу следующее: новичёк постави эту педальку после  дисторшена и, нажав на кнопку, скажет - "ВАУ!!! И ярче стало и как то чище чтоли!".... а через час игры пожалуется на "замыленность" ушей и будет использовать её максимум  лишь для чистого звука и то если гитара не стеклит или мало низа. Осторожно надо с такими "улучшайзерами", они  при  ощутимой пользе (как например пескорез в перегрузе) убивают естественность звука.
Если все природные явления это дело рук Божьих, то пусть церковь и возмещает ущерб!

DDD

  • Сообщений: 10347
  • Имею личный текст
    • Просмотр профиля
    • E-mail
Re: BBE Sonic Stomp
« Ответ #13 : Октября 12, 2012, 01:55:36 pm »
Цитировать
Схема абсолютно рабочая, я собирал версию Баджи и после в живую сравнивал с оригинальной педалью. Как звукореж скажу следующее: новичёк постави эту педальку после  дисторшена и, нажав на кнопку, скажет - "ВАУ!!! И ярче стало и как то чище чтоли!".... а через час игры пожалуется на "замыленность" ушей и будет использовать её максимум  лишь для чистого звука и то если гитара не стеклит или мало низа. Осторожно надо с такими "улучшайзерами", они  при  ощутимой пользе (как например пескорез в перегрузе) убивают естественность звука.
Типа сказывается влияние длинной цепочки ОУ?
Готов подписаться под каждым своим словом

OlegFX

  • Сообщений: 5097
    • Просмотр профиля
Re: BBE Sonic Stomp
« Ответ #14 : Октября 12, 2012, 02:32:39 pm »
Цитировать
Типа сказывается влияние длинной цепочки ОУ?
Типа сказывается АЧХ "глубокая птичка". Похожая применяется в Металзон (только на гираторах) - бумкает, цикает, а нот не слышно (ну, почти).
У них (и у Aphex) есть более интересные динамические (т.е. зависящие от амплитуды) девайсы. Ждём схемку от Tubeman'a.

Кстати, вот схема - результат реверс-инжиниринга BBE482 http://www.radio-flier.com/PDF%20Files/BBE%20482i.pdf
Вот тут описание процесса http://www.radio-flier.com/bbe_data.htm
« Последнее редактирование: Октября 12, 2012, 02:45:54 pm от olegfx »

Efremoff

  • Сообщений: 38
  • GtLab.Net forever!
    • Просмотр профиля
    • E-mail
Re: BBE Sonic Stomp
« Ответ #15 : Ноября 26, 2012, 03:51:54 pm »
хм... я так и не понял - будет работать схема в первом посте или нет?

Efremoff

  • Сообщений: 38
  • GtLab.Net forever!
    • Просмотр профиля
    • E-mail
Re: BBE Sonic Stomp
« Ответ #16 : Ноября 27, 2012, 11:38:24 pm »
не? никто не пробовал? просто гуляет на просторах интернета платка по-первой схеме, думал собрать... а собирать нерабочий девайс как-то неохота..

neon_58

  • Сообщений: 817
  • Без комплексов
    • Просмотр профиля
    • E-mail
Re: BBE Sonic Stomp
« Ответ #17 : Ноября 28, 2012, 02:36:55 am »
Схема за работает, если 22к подключить к выходу второго ОУ а не третьего.
Всё относительно

roofless

  • Сообщений: 206
  • GTLab - forever!
    • ICQ клиент - 36964199
    • Просмотр профиля
    • E-mail
Re: BBE Sonic Stomp
« Ответ #18 : Ноября 28, 2012, 09:24:05 am »

Efremoff

  • Сообщений: 38
  • GtLab.Net forever!
    • Просмотр профиля
    • E-mail
Re: BBE Sonic Stomp
« Ответ #19 : Ноября 28, 2012, 10:12:41 am »
http://i782.photobucket.com/albums/yy105/tallpall7/B2_layout.png - эта плата корректна? кто-то может прокомментировать?