Автор Тема: Marshall JCM2000  (Прочитано 3432 раз)

0 Пользователей и 1 Гость просматривают эту тему.

Holy

  • Сообщений: 564
    • ICQ клиент - 414674908
    • Просмотр профиля
    • E-mail
Marshall JCM2000
« : Марта 01, 2011, 09:13:52 pm »
Здравствуйте.У кого нибудь есть разжеванная схема этого комба?
Ibanez RG320FM→SloRectoTwin→D.I.Y.
amp 6П3С.

Jinx

  • Сообщений: 4123
    • Просмотр профиля
    • E-mail
Re: Marshall JCM2000
« Ответ #1 : Марта 01, 2011, 09:26:50 pm »
Гадость редкая. А схемы сервисные вроде в Сети есть.
Если хочешь, чтобы что-то было сделано хорошо - сделай сам.
R2DNY

Holy

  • Сообщений: 564
    • ICQ клиент - 414674908
    • Просмотр профиля
    • E-mail
Re: Marshall JCM2000
« Ответ #2 : Марта 01, 2011, 09:37:23 pm »
Я собрал сегодня канал,клин не клин,а скорее овер.Вот интересуюсь, а чистый у него есть?
Ibanez RG320FM→SloRectoTwin→D.I.Y.
amp 6П3С.

exp

  • Сообщений: 299
  • GTLab - forever!
    • Просмотр профиля
    • E-mail
Re: Marshall JCM2000
« Ответ #3 : Марта 01, 2011, 09:42:56 pm »
Holy
Ты DSL или TSL собрал?
Самурай без меча подобен самураю с мечом, но только без меча.

Holy

  • Сообщений: 564
    • ICQ клиент - 414674908
    • Просмотр профиля
    • E-mail
Re: Marshall JCM2000
« Ответ #4 : Марта 01, 2011, 09:47:00 pm »
Вот такой я собрал :
Ibanez RG320FM→SloRectoTwin→D.I.Y.
amp 6П3С.

exp

  • Сообщений: 299
  • GTLab - forever!
    • Просмотр профиля
    • E-mail
Re: Marshall JCM2000
« Ответ #5 : Марта 01, 2011, 10:15:05 pm »
« Последнее редактирование: Марта 01, 2011, 10:33:43 pm от exp »
Самурай без меча подобен самураю с мечом, но только без меча.

GLEB

  • Гость
Re: Marshall JCM2000
« Ответ #6 : Марта 01, 2011, 11:14:47 pm »
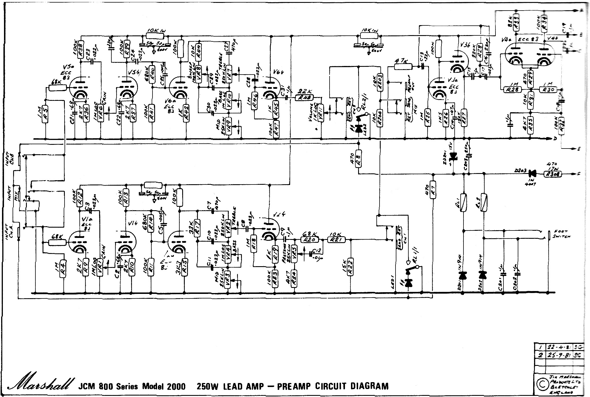
Внесу ясность:
то, что собрал Holy называется Marshall JCM 800 model 2000 (1981 год, не путать с JCM 2000, DSL и TSL конца 1990-х)

Вот оригинал его схемы


« Последнее редактирование: Марта 01, 2011, 11:16:23 pm от GLEB »