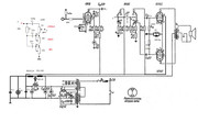
Таки остановлюсь на схеме фендер 5е3.
Кое-что накидал -

вот только потенциометр гейна после эквалайзера забыл воткнуть)
вход остался прежним. Темброблок воткну фендеровский, громкость будет служить гейном, между предом и фазиком - переменный на мегаом как мастер (до него конденсатор на 0.01, как в начальной схеме, нужен?).
1. Резисторы R41-46 оставить те же или поставить номиналы фендера? После c75(76) и сеткой резистор нужен (у фендера на 1.5К)?
2. Смещение, как я понимаю, получилось автоматическое. Ошибок нет?
3. Емкости С80-85, с90, с68 оставить такими же или можно увеличить? например, электролиты до 16мкФ как в фендере...
4. Родные резисторы ради экономии места менять, или они будут не хуже чем "современные"? Глупо, но все же...
http://www.postimage.org/image/fv3ig69w/