1
Гитарные усилители и примочки / Re: Ещё одна схема овердрайв + фленжер
« : Марта 08, 2016, 02:37:04 am »Цитировать
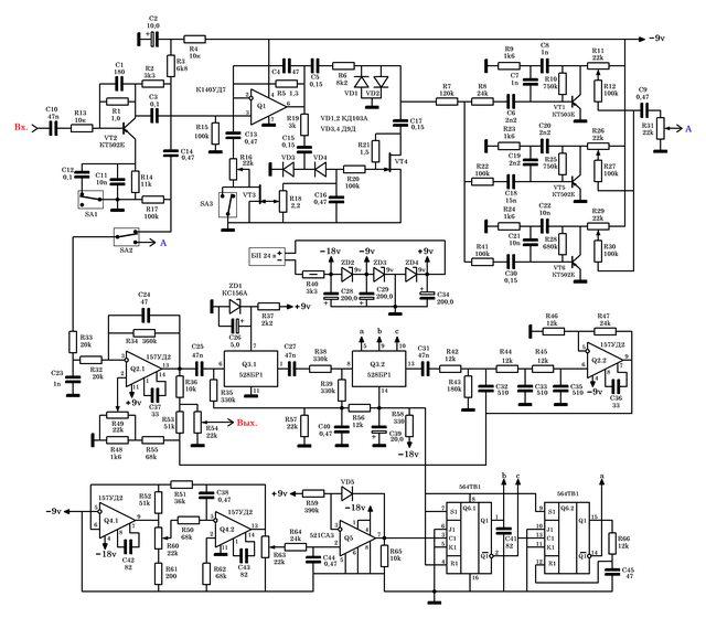
Значит питание 0 - (-9)Действительно в схеме ошибка. Седьмая нога должна быть на плюс 9 вольт однозначно.
Неинвертирующий вход - 0.
Что это за режим-та?


