Автор Тема: Ada MP-1 пукает  (Прочитано 4312 раз)

0 Пользователей и 1 Гость просматривают эту тему.

sadky

  • Сообщений: 463
  • GtLab.Net forever!
    • Просмотр профиля
    • E-mail
Ada MP-1 пукает
« : Октября 13, 2013, 06:27:00 pm »
 Точнее, заводится, только после 15-20 тырканий выключателем. Да, и жутко щёлкает в комбе, когда переключаю пресеты.
Хочется реанимировать, подскажите, кто сталкивался, - с чего начать? Ну, вообще-то и звука на выходе нет, но это дело наживное ;)
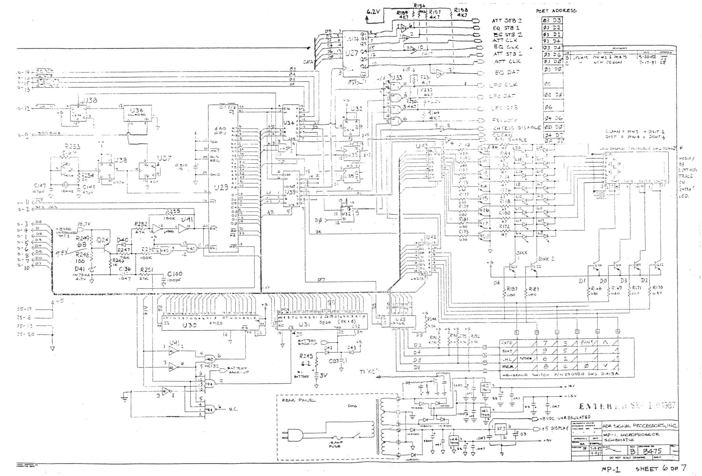
И от схемки бы в удобоваримом виде не отказался, а то нашёл, типа, от руки рисованная - чёрт ногу сломает...
« Последнее редактирование: Октября 20, 2013, 07:02:03 am от sadky »

OlegFX

  • Сообщений: 5097
    • Просмотр профиля
Re: Ada MP-1 не заводится:(
« Ответ #1 : Октября 13, 2013, 06:35:49 pm »
« Последнее редактирование: Октября 13, 2013, 06:36:44 pm от olegfx »

sadky

  • Сообщений: 463
  • GtLab.Net forever!
    • Просмотр профиля
    • E-mail
Re: Ada MP-1 не заводится:(
« Ответ #2 : Октября 13, 2013, 07:35:09 pm »
Спасибо! Начну курить раздел "startup problems", авось, к Новому году раскурю ;D
...Эх, недавно из гаража мусор выбрасывал, и среди него пролетал старый "Спектрум", а там же - Z80 ! :'(
« Последнее редактирование: Октября 13, 2013, 07:36:52 pm от sadky »

sadky

  • Сообщений: 463
  • GtLab.Net forever!
    • Просмотр профиля
    • E-mail
Re: Ada MP-1 не заводится:(
« Ответ #3 : Октября 15, 2013, 05:04:55 am »
Первые подвижки: звук-таки выбил - скачал мануал, вернул заводские настройки плюс входное гнездо убитое, надо на него наступать ногой ;D

...И вопрос  по качественной схеме остаётся открытым , а то на той, что нашлась, не видна нумерация ножек и т.д.:

 А ещё буду благодарен, если кто ткнёт носом в ссылку на описание работы даного процессора. Что-то же ему не хватает для запуска с первого раза :-?
« Последнее редактирование: Октября 17, 2013, 09:26:04 am от sadky »

sadky

  • Сообщений: 463
  • GtLab.Net forever!
    • Просмотр профиля
    • E-mail
Re: Ada MP-1 не заводится:(
« Ответ #4 : Октября 16, 2013, 05:18:32 am »
Новый вопрос: могут ли мешать запуску другие номиналы в базе Q24,( R248, R249), которые -по факту - оба по 200 Ом. Кто-то зачем-то же их поменял?!
Убивает то, что он-то запускается( с пятого-десятого включения, но всё же), значит, типа , всё исправно...
Подскажите,кто сталкивался, пожалуйста!
« Последнее редактирование: Октября 16, 2013, 05:19:41 am от sadky »

new_man

  • Сообщений: 2053
  • GtLab.Net
    • Просмотр профиля
    • E-mail
Re: Ada MP-1 не заводится:(
« Ответ #5 : Октября 16, 2013, 06:19:32 am »
Бывает кварцы теряют свойства. Попробовать заменить.

sadky

  • Сообщений: 463
  • GtLab.Net forever!
    • Просмотр профиля
    • E-mail
Re: Ada MP-1 не заводится:(
« Ответ #6 : Октября 16, 2013, 12:30:30 pm »
@ new_man

Спасибо, но кварц исправно заводится при каждом включении. Хуже другое - осциллограф древний, и при попытке посмотреть тактовую процессор, даже если запустился случайно, - виснет, видимо, из-за непомерной ёмкости щупов(хотя шнурок фирменный, куплен за почти 500р :o)
А вот работа схемы  сброса Z80 мне по-прежнему категорически непонятна... Я нашёл книжку с описанием работы Z80 и там написано:
RESET Reset - Сброс
Вход. Активный уровень – низкий. Сигнал /RESET имеет самый высокий приоритет
и приводит ЦП в начальное состояние:
[ch252] сброс счетчика команд PC=0000H;
[ch252] сброс триггера разрешения прерываний
[ch252] очистка регистров I и R;
[ch252] установка режима прерываний IM0.
Для корректного сброса сигнал /RESET должен быть активен не менее 3-х периодов
тактовой частоты. В это время адресная шина и шина данных находятся в высокоомном
состоянии, а все выходы сигналов управления неактивны.
конец цитаты.
Я фразу "активный уровень - низкий" своими остатками мозга понимаю как "во время запуска на этом(26-м) выводе должно быть рядом с 0 вольт, а я всегда, даже когда происходит удачный старт, вижу тупо питание :-?
Единственный вариант возникновения там низкого логического уровня для меня виден только за счёт зарядного тока ёмкости 47н, но этого не происходит( или я это не вижу?) Ёмкость пробовал увеличивать ступенчато до 150нф - та же глазунья... Но он, же, падло, иногда-таки запускается??!!
З.Ы.: резисторы в обвязке транзистора схемы сброса привёл в норму согласно схеме, транзистор открывается полностью, как проволока( падение - 0,02в). >:( >:( >:(
« Последнее редактирование: Октября 16, 2013, 05:50:14 pm от sadky »

sadky

  • Сообщений: 463
  • GtLab.Net forever!
    • Просмотр профиля
    • E-mail
Re: Ada MP-1 не заводится:(
« Ответ #7 : Октября 19, 2013, 03:39:36 pm »
Вопросы снимаются, т.к., походу, никто на форуме такой девайс не ремонтировал...
А если серьёзно - всё заработало, как надо, благодаря культпоходу на Митьку. :)

sadky

  • Сообщений: 463
  • GtLab.Net forever!
    • Просмотр профиля
    • E-mail
Re: Ada MP-1 не заводится:(
« Ответ #8 : Октября 20, 2013, 06:37:42 am »
...Выходит, соврал - не всё заработало :-/
В тех пресетах, где много НЧ, на басовых струнах при атаке наблюдается пердёж, напоминающий возбуд с частотой примерно 0,3-0,4 Гц. Во второй половине затухания струны он пропадает.
Буду признателен за совет по локализации поиска.

...И что-то мне подсказывает, что эта проблема и пуканье при переключении пресетов связаны между собой...
« Последнее редактирование: Октября 30, 2014, 11:30:43 am от sadky »

sadky

  • Сообщений: 463
  • GtLab.Net forever!
    • Просмотр профиля
    • E-mail
Re: Ada MP-1 пукает
« Ответ #9 : Октября 30, 2014, 11:31:15 am »
Вопрос актуален.

Denn

  • Global Moderator
  • *****
  • Сообщений: 14277
  • είμαι ο μουσικός και ο ραδιομηχανίκός
    • ICQ клиент - 322153053
    • Просмотр профиля
    • E-mail
Re: Ada MP-1 пукает
« Ответ #10 : Октября 30, 2014, 12:22:35 pm »
[movedhere] Вопросы от абсолютных новичков [move by] Denn.
Не говорите что мне делать, и я не скажу куда Вам идти.

Лучшее решение из возможных - самое простое. И наоборот.

Прежде чем судить