Автор Тема: схема оконечника Mesa boogie fifty\fifty  (Прочитано 12167 раз)

0 Пользователей и 1 Гость просматривают эту тему.

Inferno

  • Сообщений: 24
  • GtLab.Net forever!
    • Просмотр профиля
    • E-mail
схема оконечника Mesa boogie fifty\fifty
« : Января 08, 2013, 08:05:21 pm »
Существует ли в природе читаемая схема сего девайса? То что я нагуглил, качество схемы ставит под сомнение номиналы ЭРИ. Это будет мой первый ламповый усь, по этому пока я его боюс))) И на глаз подбирать номиналы нехочу, ибо лампы нынче не дешевые.
И где есть соедение в перекрестных проводниках, где нет - непонятно)) на интуицию полагатся?)

Tan

  • Сообщений: 1462
    • Просмотр профиля
    • E-mail
Re: схема оконечника Mesa boogie fifty\fifty
« Ответ #1 : Января 09, 2013, 12:53:40 am »
"И где есть соедение в перекрестных проводниках, где нет - непонятно)) на интуицию полагатся?)" - шутник. Пересечение с точкой означает контакт. На некоторых схемах отсутствие контакта обозначают петелькой такой.
Вот по такому запросу схем тебе воз и маленькая тележка

https://www.google.ru/search?q=mesa+power+amp+scheme&hl=en&newwindow=1&client=opera&hs=iDl&tbo=u&channel=suggest&tbm=isch&source=univ&sa=X&ei=vr7sUP2HA-GK4ASjlYD4DA&ved=0CDAQsAQ&biw=1280&bih=683

Бойся-бойся, только не за лампы, а за себя, высокое напряжение всё-таки. Схема простая, но нужно сделать все правильно.

Не забудь в организации смещения BIAS перевернуть электролиты, а то бахнет.
Сквозь собственный идиотизм к проверенным решениям.
Matamp+Diezel ch3, 6Н9С+KT90, OrangeDrops+SilverMica.

neon_58

  • Сообщений: 817
  • Без комплексов
    • Просмотр профиля
    • E-mail
Re: схема оконечника Mesa boogie fifty\fifty
« Ответ #2 : Января 09, 2013, 05:52:04 am »
Не надо так шутить. Бахнет, если перевернёт.
Всё относительно

texman

  • Сообщений: 4058
  • GTLab - forever!
    • Просмотр профиля
    • E-mail
Re: схема оконечника Mesa boogie fifty\fifty
« Ответ #3 : Января 09, 2013, 09:26:18 am »
@ neon_58

Цитировать
Не надо так шутить.

Это, на сколько я понял, не шутка. В сети полно месовским схем с неправильным расположением элетролитов на биасе. Тщательнее надо...
Ставь старуха самовар, будем слушать MANOWAR!

Tan

  • Сообщений: 1462
    • Просмотр профиля
    • E-mail
Re: схема оконечника Mesa boogie fifty\fifty
« Ответ #4 : Января 09, 2013, 11:25:29 am »
Ставим как надо диод - удостоверяемся вольтметром что там минусовое напряжение, прикручиваем плюс конденсатора к земле, минус к источнику питания, всё.
Сквозь собственный идиотизм к проверенным решениям.
Matamp+Diezel ch3, 6Н9С+KT90, OrangeDrops+SilverMica.

Inferno

  • Сообщений: 24
  • GtLab.Net forever!
    • Просмотр профиля
    • E-mail
Re: схема оконечника Mesa boogie fifty\fifty
« Ответ #5 : Января 09, 2013, 02:14:11 pm »
Tan, ну я конечно понимаю что по другим схемам можно догадатся какой номинал ставить в конкретный узел схемы, но хотелось бы все - таки схему именно этого усилителя))
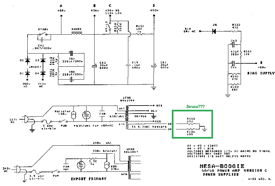
Да, пересечение с точкой контакт, но точки там нифига нет, что и настораживает. А пересечение есть, вот и думай) вот как сдесь например)
С кондерами фильтрующими я уже наошибался на заре паяльной деятельности, так что надеюсь не бахну))))))
Вот - с зеленым обозначил то, что ставит меня под сомнение)


texman

  • Сообщений: 4058
  • GTLab - forever!
    • Просмотр профиля
    • E-mail
Re: схема оконечника Mesa boogie fifty\fifty
« Ответ #6 : Января 09, 2013, 03:04:11 pm »
2,7K
15mF\35V
0.005 - вероятнее всего
82K
470 Ом\1Вт (хотя лучше от 3Вт)

Переменники 250К и где у тебя 6-ки, скорее всего 5-ки.
« Последнее редактирование: Января 09, 2013, 03:06:45 pm от texman »
Ставь старуха самовар, будем слушать MANOWAR!

Inferno

  • Сообщений: 24
  • GtLab.Net forever!
    • Просмотр профиля
    • E-mail
Re: схема оконечника Mesa boogie fifty\fifty
« Ответ #7 : Января 09, 2013, 03:51:47 pm »
texman аа, вот оно что, благодарствую))

и еще пожалуй вопрошу вот что. Блок питания один, а канала два. Напряги для питалова анодки сильно изменятся если я не запитаю один канал? (одну пару пару 6L6)

texman

  • Сообщений: 4058
  • GTLab - forever!
    • Просмотр профиля
    • E-mail
Re: схема оконечника Mesa boogie fifty\fifty
« Ответ #8 : Января 09, 2013, 03:57:48 pm »
@ Inferno

Ничего не изменится. Можно будет "заэкономить" на сетевом трансе, ведь потребляемый ток будет меньше в два раза ;)

Кстати, странно...вроде популярный мощник, а читабельной схемы его нет :-/

Рекомендую "постучать" к людям которые его собирали, темы есть тут и на гитарплеере.
« Последнее редактирование: Января 09, 2013, 03:59:56 pm от texman »
Ставь старуха самовар, будем слушать MANOWAR!

Inferno

  • Сообщений: 24
  • GtLab.Net forever!
    • Просмотр профиля
    • E-mail
Re: схема оконечника Mesa boogie fifty\fifty
« Ответ #9 : Января 09, 2013, 04:42:16 pm »
texman
я просто сначала один канал соберу, а потом второй))) по этому и спрашиваю) Однако, таки если потребляемый ток будет меньше, меньше и падение на резисторах, или это не критично?

А для питалова смещения, надо по переменке где то вольт 36? Отдельная обмотка я так полагаю..

Я искал тут темы, но на fifty fifty и 50 50 не откликается ничего))

sk

  • Гость
Re: схема оконечника Mesa boogie fifty\fifty
« Ответ #10 : Января 09, 2013, 05:01:00 pm »
К фидбеку пошел резистор 56к,кондер ему в параллель 0.005,а с нижнего анода фазоинвертора 91к
Между сеток фазика 150к,а на массу 1к5
« Последнее редактирование: Января 09, 2013, 05:06:09 pm от sk »

texman

  • Сообщений: 4058
  • GTLab - forever!
    • Просмотр профиля
    • E-mail
Re: схема оконечника Mesa boogie fifty\fifty
« Ответ #11 : Января 09, 2013, 05:01:57 pm »
@ Inferno

Я так понимаю там идентичные два усилка в одном?

Там резисторы в фильтрах только для триодов, отсутствие второго канала большой роли не сыграет. Ах да и на силовике тогда экономить не стоит :)
« Последнее редактирование: Января 09, 2013, 05:02:27 pm от texman »
Ставь старуха самовар, будем слушать MANOWAR!

Tan

  • Сообщений: 1462
    • Просмотр профиля
    • E-mail
Re: схема оконечника Mesa boogie fifty\fifty
« Ответ #12 : Января 09, 2013, 05:05:09 pm »
Потому что разницы в оконечниках не так много и в основном в фазоинверторном каскаде..
Для смещения лучше 50В переменки, если решишь иметь анодку под 500-600В, то смещение надо будет ставить аж до -55В ...
переменки 50*1,4=70В постоянки после выпрямления, вольт 15 можно потерять на фильтре, как-то так. Легче погасить чем удвоитель лепить, проверено  :'(

Резисторы в фильтре питания все равно придется подбирать по требуемому напряжению на сетку\фазик под свой силовой, будь готов. Так что и падение скомпенсируешь.
Но транс надо иметь по мощности на два канала ,ессно..
« Последнее редактирование: Января 09, 2013, 05:05:53 pm от Tan »
Сквозь собственный идиотизм к проверенным решениям.
Matamp+Diezel ch3, 6Н9С+KT90, OrangeDrops+SilverMica.

Inferno

  • Сообщений: 24
  • GtLab.Net forever!
    • Просмотр профиля
    • E-mail
Re: схема оконечника Mesa boogie fifty\fifty
« Ответ #13 : Января 09, 2013, 05:53:26 pm »
@ toiler

это который 33к, вместо него 56к или ты про переменный?)

Насчет фазоинвертора, получается 82к и 91к?
А это было эксперементально установлено что так работает лучше?)
@ texman

да, два одинаковых независимых канала. Только питалово общее. Ну да, резистор только для точки D, но ведь там есть и дроссель ::)
вот, для наглядности))) 
И питание накала.. сначала написал а пока набирал текст подумал подумал и решил что все - таки питание накала надо подтянуть на массу ибо будет с него наводится, так что вопос зачем отпадает)


« Последнее редактирование: Января 09, 2013, 05:54:26 pm от inferno »

Inferno

  • Сообщений: 24
  • GtLab.Net forever!
    • Просмотр профиля
    • E-mail
Re: схема оконечника Mesa boogie fifty\fifty
« Ответ #14 : Января 09, 2013, 06:00:50 pm »
@ Tan
так получается можно запустить сначала один канал, и если с ним отрегулирую все напряги можно приступать ко второму? Без нагрузки я считаю ловить напряги на блоке питания безсмысленно?..
для транса питания я приготовил принести в жертву ТС-180-2)) правда всеравно даже если последовательно подключать все имеющиеся на нем обмотки, получаем 206в. еще вольт 150 придется доматывать)))
« Последнее редактирование: Января 09, 2013, 06:06:28 pm от inferno »

Tan

  • Сообщений: 1462
    • Просмотр профиля
    • E-mail
Re: схема оконечника Mesa boogie fifty\fifty
« Ответ #15 : Января 09, 2013, 06:25:47 pm »
Да, только потом ещё разок проверить напряжения. Финт: перед измерением померяй напряжение в сети 220В, вообще полезно знать как скачет напряжение в доме по времени суток.

Накал я приподнимаю на +30В отщеплением от анодки (на среднюю точку, вместо земли, через 2х100Ом), вроде более крутая штука.

Если существующие обмотки тянут по току - можно попробовать сделать "удвоитель напряжения"
Я просто боюсь мотать трансы =)

UPD
вместо 66к- 56к резистор
фидбэк - это сокращение FB - идет на выходной транс
160к- это 150к
260к - 250к
по поводу 1к6 - не уверен точно, посмотри аналоги (но скорее всего тоже 1к5)
« Последнее редактирование: Января 09, 2013, 06:37:05 pm от Tan »
Сквозь собственный идиотизм к проверенным решениям.
Matamp+Diezel ch3, 6Н9С+KT90, OrangeDrops+SilverMica.

sk

  • Гость
Re: схема оконечника Mesa boogie fifty\fifty
« Ответ #16 : Января 09, 2013, 07:05:29 pm »
Да,1к5.

Inferno

  • Сообщений: 24
  • GtLab.Net forever!
    • Просмотр профиля
    • E-mail
Re: схема оконечника Mesa boogie fifty\fifty
« Ответ #17 : Января 09, 2013, 07:29:52 pm »
@ Tan

мм что - то пока не понял про +30В. 2Х100 Ом, и куда их?))) на отщепление от обмотки транса +30В?)

Существующие обмотки вряд ли сгодятся для удвоителя(( Самая слабая 0,38А. Если не доматывать, 100 Вт\205 В = 0,49... если без нее, то будет мало даже с удвоением.

*пришла сейчас мысля. А чтобы не парится с резисторами, что если во время наматывания я запитаю анодки фазника и мощника ответвлениями от вторички? Или тут фишка в том что получется RC фильтр?

Ну да, так то я собирал аналоговые схемки несложные, про ООС небольшое понятие имею)) Кстати я так понял это как раз регулирует presence)

А 150К - везде, все три резюка?

Блин, какой народ сдесь грамотный и отзывчивый)) редко такое бывает))

Tan

  • Сообщений: 1462
    • Просмотр профиля
    • E-mail
Re: схема оконечника Mesa boogie fifty\fifty
« Ответ #18 : Января 09, 2013, 07:39:05 pm »
Ну ты этим не злоупотребляй, вот тебе рабочий рецепт на 90% вопросов

https://www.google.ru/search?client=opera&q=%D0%BF%D1%80%D0%B8%D0%BF%D0%BE%D0%B4%D0%BD%D1%8F%D1%82%D1%8C+%D0%BD%D0%B0%D0%BA%D0%B0%D0%BB+site:gtlab.net&sourceid=opera&ie=utf-8&oe=utf-8&channel=suggest

* надо будет два выпрямителя лепить, зачем? а так - через доп RC, все верно. Я брал питание для преампа-фазика между банок первого фильтра - то есть половину..
Для тренировки: первая тема по такому запросу
"высокое анодное site:gtlab.net"

presence - да, только там переменник как-то странно нарисован, посмотри в других местах. Советую С25К - обратнологарифмический. Некоторые ставят С10К+резюк

три

Правило простое - мы объяснили тебе - ты ответишь потом на чужие "дурацкие вопросы".  ;)
« Последнее редактирование: Января 09, 2013, 07:42:02 pm от Tan »
Сквозь собственный идиотизм к проверенным решениям.
Matamp+Diezel ch3, 6Н9С+KT90, OrangeDrops+SilverMica.

sk

  • Гость
Re: схема оконечника Mesa boogie fifty\fifty
« Ответ #19 : Января 09, 2013, 07:44:47 pm »
Да,все три 150к.
А примерно +30 вольт берут:где нибудь от высокого напряжения ставим резистор на 1 мегом,и последовательно с ним другой на 100к и,что бы он пришел на массу.Параллельно тому,что на 100к ставим конденсатор,минимально на пол микрофарады-больше лучше.В точке соединения резисторов будет 30 вольт.Туда подкинь резисторы ,те что на 100 ом.
« Последнее редактирование: Января 09, 2013, 07:54:50 pm от sk »