Шасси сделано и покрашено в заводских условиях.
Передняя панель скошена. Шасси рассчитано на установку вверху усилителя, деталями вниз, типа того:

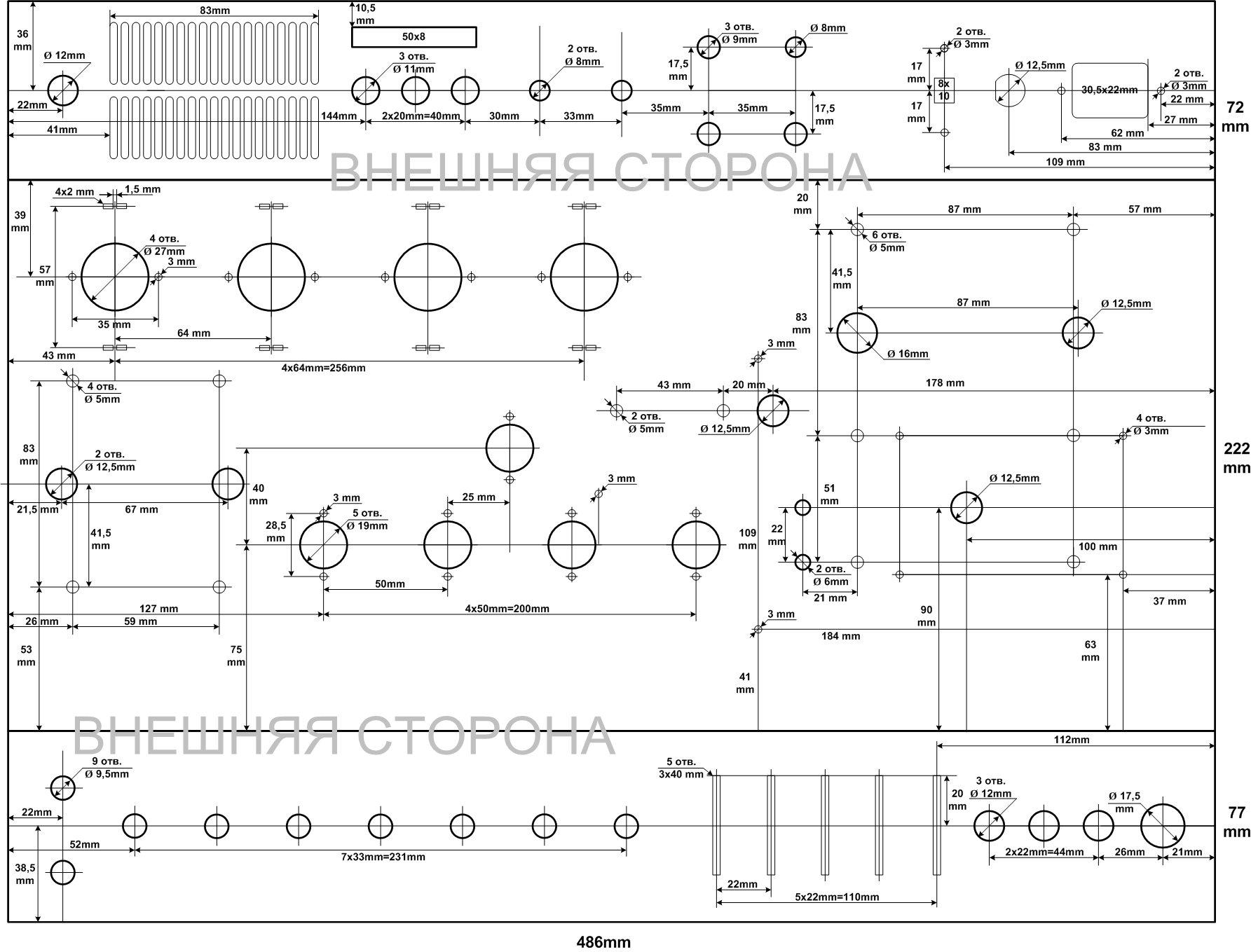
Ширина 48,5 см
Высота 7,2 см
Глубина 22,3 см
Глубина короткой части 19,7 см
Обратите внимание, шасси по сравнению с оригинальным шасси Boogie mark II отражено слева направо.Сталь 1 мм.
4 отверстия под октальные выходные лампы Ø 27мм.
5 отверстий для ламп предусилителя Ø 19мм.
1500 руб
Рассмотрю варианты обмена на новые(непаяные) компоненты: трансформаторы ТАН и выходные для гитарных PP усилителей, дроссели; керамические панели для обычных и октальных ламп, потенциометры Alpha; лампы NOS и новые, подобранные комплекты выходных ламп(EL84, EL34, 6V6.)
Объявление на Авито


