Всем привет.
Как то у меня замолчала звуковая на материнке, я тогда поставил самую дешевую PCI, потом подключал свою студийную карту, которая потом перекочевала в мастерскую.
Так вот решил я опять поднять вопрос о родной звуковухе ибо та что PCI совсем уж плоха.
Ставил дрова всякие, не оживает она, все показывает что все работает но звука нет.
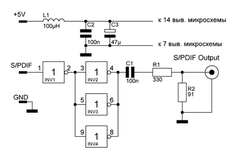
Тогда я вспомнил что на материнке есть штыри S/PDIF. И если сделать какое то там согласование то можно запускать прямо во внешний ЦАП или в моем случае ресивер.
Нашел пару схем.


Вопрос в чем, вторая схема просто буфер но я так понимаю если линия до 1 м можно обойтись и первой схемой.
Напаял, заработало (оказалось этот выход, в отличии от аналоговых, живой)
Вопрос в чем, нужен ли этот буфер? Или цифра, есть цифра, там ниче не потеряется. Короче влияет ли на качество звучания?