Автор Тема: Кто подредактирует fuzz face термостабильность и стабилизацию?  (Прочитано 10262 раз)

0 Пользователей и 1 Гость просматривают эту тему.

dip

  • Сообщений: 42
  • GtLab.Net forever!
    • Просмотр профиля
    • E-mail
Наличие рваных хвостов в перегрузе.
« Последнее редактирование: Июня 04, 2020, 11:40:33 am от dip »

VioletRays

  • Сообщений: 119
  • GtLab.Net forever!
    • Просмотр профиля
    • E-mail
Наличие рваных хвостов в перегрузе обусловлено термостабильностью?
То есть, Вы щипаете струну,  схема нагревается, а по уменьшению амплитуды остывает, и хвост рвётся?

И зачем такая черезжопная фотка?
Вот так нельзя?
« Последнее редактирование: Мая 30, 2020, 06:08:35 am от VioletRays »

dip

  • Сообщений: 42
  • GtLab.Net forever!
    • Просмотр профиля
    • E-mail
да,так лучше,спасибо) обшибся..не термостаб , а режим работы

new_man

  • Сообщений: 2053
  • GtLab.Net
    • Просмотр профиля
    • E-mail
Боже мой, неужели схема в пейнте мышкой рисовалась??
 :o
dip, вы кажется считаете, что отсутствующие на схеме номиналы могут быть любыми.
Это очень смелый подход.

VioletRays

  • Сообщений: 119
  • GtLab.Net forever!
    • Просмотр профиля
    • E-mail
Автор, надо не чураться труда по донесению своей мысли до тех, у кого Вы просите помощи.
Лень плохой помощник в деле.

Возьмусь предположить, что Вам надо, чтобы фузовый характер звука не пропадал, когда струна уже звучит тихо. Чтобы весь хвост был фузовый.
Предполагаю, что в фуз-фейс хвост обезфуживается если тупо по КУ не подобраны транзисторы. (допустим речь о классике на П-Н-П германии)
Пишут что первый должен быть 70-75, а второй (и это уже ЗАДАЧА!) 110-120.
Лично у меня при таких КУ хвост всё таки обезфуживается, но вроде бы приемлемо и не так кардинально, как с неподобранными транзисторами.
А вот подбор этих транзисторов ещё и с "текущим, неустойчивым, сифонящим" (не знаю как назвать точно), током эмиттер-коллектор, или коллектор-эмиттер, для меня лично , не понятен.
И хорошо бы послушать настоящий хороший  фирменный, старый, фуз-фейс на предмет фуза в хвостах.
Есть ли он там. (все видео демонстрации фуз-фейсов которые я видел лукавы по части представления всего хвоста, всей слышимой длинны. Брякнули кварту, и сразу давай жать кнопки)
Или его (мягкий фуз на тихом участке звучания струны) уже приделывает немного перегруженный  ламповый усил, куда идёт примочка. То есть, уже комбинация.
« Последнее редактирование: Мая 30, 2020, 12:48:23 pm от VioletRays »

KSG

  • Сообщений: 5766
  • GtLab.Net forever!
    • Просмотр профиля
    • E-mail
Fuzz Face не предназначен для бездарностей, играть на нём надо уметь:
"The trick is that Fuzz Face is an instrument.
It is the Telecaster of pedals, and you need to know how to use it.
Crappy playing, crappy guitar and a crappy amp that‘s not cranked? Forget about it!"

« Последнее редактирование: Июня 02, 2020, 10:09:23 am от KSG »
Практика - критерий истины

dip

  • Сообщений: 42
  • GtLab.Net forever!
    • Просмотр профиля
    • E-mail
new man  да в паинте рисовал) мышкой) выходной каскад мю на одинаковых резисторах от 200к-1м

dip

  • Сообщений: 42
  • GtLab.Net forever!
    • Просмотр профиля
    • E-mail
ksg спасибо..а были опыты повышения напряжения до 20 -40 с гт402-404  в фуз фейс
?

dip

  • Сообщений: 42
  • GtLab.Net forever!
    • Просмотр профиля
    • E-mail
Да,вижу..А смещение в джмания с помощью одного переменного коллекторного резистора или что-то другое?Шунтирование амперметром q2 тоже необычно..

dip

  • Сообщений: 42
  • GtLab.Net forever!
    • Просмотр профиля
    • E-mail
Rays спасибо..Вых каскад в таком включении усиливает даже слабенькие тр-ры..

dip

  • Сообщений: 42
  • GtLab.Net forever!
    • Просмотр профиля
    • E-mail
to ksg  попробовать диодное смещение 1го тр-ра имеет смысл?

new_man

  • Сообщений: 2053
  • GtLab.Net
    • Просмотр профиля
    • E-mail
Надо сказать, что в схеме #1 есть своя сермяга. Вернее - в идее электронной индуктивности именно в таком виде, как на схеме. И именно термостабильность выходного транзистора (dip таки не ошибся ))) ). Можно повысить в 4-5 раз.
Ну и сама индуктивность дает некие опции. Можно поиграть частотой среза по НЧ.
Одновременно в схеме есть косяк. Резистор между коллекторами первого и второго транзисторов организует ООС для второго и снижает общее усиление на 25-30 дБ.
Резистор должен идти по стандарту - с коллектора первого на питание.

KSG

  • Сообщений: 5766
  • GtLab.Net forever!
    • Просмотр профиля
    • E-mail
Термостабильный германиевый фузз? Он существует ;):

https://www.flickr.com/photos/cow4prez/3315726236

https://www.instagram.com/p/BXHZllEFTxG/
https://www.instagram.com/p/BXHbnPMFwR1/
Практика - критерий истины

dip

  • Сообщений: 42
  • GtLab.Net forever!
    • Просмотр профиля
    • E-mail
ок Стабильно 36,6 :)

dip

  • Сообщений: 42
  • GtLab.Net forever!
    • Просмотр профиля
    • E-mail
new man -прошу поиграться c индуктивностью,хотя бы в симуляторе..т к сам таким навыком не обладаю..насчет индуктивности ,также можно поставить индуктр заданной частоты на коллектор 1 тр-ра  и в эммитер ему же как ограничивающий  ..подобный пример уже был в инете

Добрый Кот

  • Global Moderator
  • *****
  • Сообщений: 1030
  • GtLab.Net forever!
    • Просмотр профиля
    • E-mail
Цитировать
И хорошо бы послушать настоящий хороший  фирменный, старый, фуз-фейс на предмет фуза в хвостах.

В бестолку.... их серийно клепали, вряд-ли транзисторы сортировали и видимо лишь по счастливому стечению обстоятельств фуз мог звучать вкусно. Читал что в те времена чуть ли не выбирали в магазине из всех имеющихся.

KSG

  • Сообщений: 5766
  • GtLab.Net forever!
    • Просмотр профиля
    • E-mail
@ Добрый Кот

Всё верно, про это написано здесь :):
http://www.geofex.com/article_folders/fuzzface/fftech.htm
Практика - критерий истины

dip

  • Сообщений: 42
  • GtLab.Net forever!
    • Просмотр профиля
    • E-mail
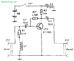
new man  вот схемы 70-80х с индуктором...соотв фильтр по нч и сч       и кажется,что- это пытались сделать в панцер фузе(мимо..,русские уже придумали)))...однако,дает ли в панцере что-нибудь полевой транзистор в питании?






« Последнее редактирование: Марта 22, 2026, 10:33:21 am от Thorn »

KSG

  • Сообщений: 5766
  • GtLab.Net forever!
    • Просмотр профиля
    • E-mail
Термостабильный фузз уже неактуален? Или напугал своей непосильной сложностью? ;D
Практика - критерий истины

dip

  • Сообщений: 42
  • GtLab.Net forever!
    • Просмотр профиля
    • E-mail
Цитировать
Термостабильный фузз уже неактуален? Или напугал своей непосильной сложностью? ;D
да,конешно сложно..как в анекдоте-один транзистор сломал,другой потерял)..   все-таки задача по стабилизации и режиму,отсюда вопрос про полевой транзистор в панцерфузе
« Последнее редактирование: Июня 02, 2020, 08:24:59 pm от dip »