Автор Тема: Фазировка обмоток на выходном трансформаторе  (Прочитано 7902 раз)

0 Пользователей и 1 Гость просматривают эту тему.

dks

  • Сообщений: 3284
  • GTLab - forever!
    • Просмотр профиля
    • E-mail
Есть трансформатор РР без опознавательных знаков. Как правильно сфазировать обмотки первички и вторички для режима PP?


Посмотреть на Яндекс.Фотках

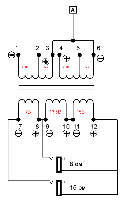
* Красным показаны напряжения на отводах при подаче на клеммы 7-8 переменного напряжения 7В.
* - напряжения на отводах первичной обмотки 1-6 указаны неверно (правильные значения в 2 раза больше) :-[.

« Последнее редактирование: Июля 11, 2009, 04:41:56 am от dks »
"Любое изолированное сообщество со временем отстаёт от общемировой цивилизации." К.Клименко

Hyde

  • Сообщений: 578
  • GTLab - forever!
    • Просмотр профиля
    • E-mail
"Низковольные" обмотки соединить минусами, также соединить "высоковольтные" плюсы, а остальные два "высоковольтных" отвода скорее всего для ультралинейного режима.

dks

  • Сообщений: 3284
  • GTLab - forever!
    • Просмотр профиля
    • E-mail
Цитировать
"Низковольные" обмотки соединить минусами, также соединить "высоковольтные" плюсы, а остальные два "высоковольтных" отвода скорее всего для ультралинейного режима.
Тогда получается, что ультралинейный режим запустить не получится, т.к. напряжения на плечах будут несимметричными?
"Любое изолированное сообщество со временем отстаёт от общемировой цивилизации." К.Клименко

KMG

  • Сообщений: 3776
    • ICQ клиент - 412221711
    • AOL клиент - Mike
    • Просмотр профиля
    • E-mail
В первичке нужно соединять плюсы с минусами, так как на полной обмотке должен быть двойной размах напряжения.

Hyde

  • Сообщений: 578
  • GTLab - forever!
    • Просмотр профиля
    • E-mail
Цитировать
В первичке нужно соединять плюсы с минусами, так как на полной обмотке должен быть двойной размах напряжения.

 :-[ Да, что-то я загнался) Тогда и ультралинейный можно будет запустить.

dks

  • Сообщений: 3284
  • GTLab - forever!
    • Просмотр профиля
    • E-mail
т.е. на вторичке нельзя будет соединить все три обмотки последовательно?
"Любое изолированное сообщество со временем отстаёт от общемировой цивилизации." К.Клименко

Hyde

  • Сообщений: 578
  • GTLab - forever!
    • Просмотр профиля
    • E-mail
Цитировать
т.е. на вторичке нельзя будет соединить все три обмотки последовательно?

А зачем?

dks

  • Сообщений: 3284
  • GTLab - forever!
    • Просмотр профиля
    • E-mail
Цитировать
Цитировать
т.е. на вторичке нельзя будет соединить все три обмотки последовательно?

А зачем?
только так по расчету выходит режим для 16 ом
"Любое изолированное сообщество со временем отстаёт от общемировой цивилизации." К.Клименко

Hyde

  • Сообщений: 578
  • GTLab - forever!
    • Просмотр профиля
    • E-mail
Почему нет? Если обмотки не связаны соединяй как хочешь, только не параллельно)

dks

  • Сообщений: 3284
  • GTLab - forever!
    • Просмотр профиля
    • E-mail
Цитировать
Почему нет? Если обмотки не связаны соединяй как хочешь, только не параллельно)
т.е. фазировка вторичек не важна? мне казалось, что надо соединять + одной обмотки с - другой...
"Любое изолированное сообщество со временем отстаёт от общемировой цивилизации." К.Клименко

Hyde

  • Сообщений: 578
  • GTLab - forever!
    • Просмотр профиля
    • E-mail
Цитировать
Цитировать
Почему нет? Если обмотки не связаны соединяй как хочешь, только не параллельно)
т.е. фазировка вторичек не важна? мне казалось, что надо соединять + одной обмотки с - другой...
Нет, важна конечно, но так как они у тебя выполнены каждая отдельно, то можешь их соединить так, как хочешь (но конец одной с началом другой, т.е. + к -), для почучения нужного тебе коэфициента трансформации.

dks

  • Сообщений: 3284
  • GTLab - forever!
    • Просмотр профиля
    • E-mail
KMG, Hide, спасибо за помощь!
Резюмируя все вышесказанное соединяем выводы следующим образом:
3 - анод первой лампы, 2- 2-я сетка первой лампы, 6 - анод второй лампы, 5- 2-я сетка второй лампы лампы.


Посмотреть на Яндекс.Фотках

« Последнее редактирование: Июля 11, 2009, 04:39:59 am от dks »
"Любое изолированное сообщество со временем отстаёт от общемировой цивилизации." К.Клименко

AZG

  • Сообщений: 7234
  • AZG Custom FOREVER!!!
    • Просмотр профиля
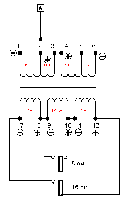
Первичку надо объединять через 3-6, ультралинейка будет правильная. Изучай теорию оного.
Cort MGM-1 (SD TB-4+SH-2), AZG Custom Guitar (P.G.Marx+SD SH-1), Dean Vendetta 1.7 (DM D-Sonic+AirNorton)

AZG Custom:http://www.aznaur.spb.ru/
Лампы Sovtek,EH,TungSol:http://www.tubes.spb.ru/

dks

  • Сообщений: 3284
  • GTLab - forever!
    • Просмотр профиля
    • E-mail
Цитировать
Первичку надо объединять через 3-6, ультралинейка будет правильная. Изучай теорию оного.
Значит окончательно такой вариант:

Посмотреть на Яндекс.Фотках

Для Pa=6600 получаем:
Ктр=24 (8 ом)
Ктр=19 (16 ом)
« Последнее редактирование: Июля 11, 2009, 09:15:46 am от dks »
"Любое изолированное сообщество со временем отстаёт от общемировой цивилизации." К.Клименко