Автор Тема: помогите собрать ламповый преамп на бас  (Прочитано 5908 раз)

0 Пользователей и 1 Гость просматривают эту тему.

андрей

  • Сообщений: 22
  • GtLab.Net forever!
    • Просмотр профиля
    • E-mail

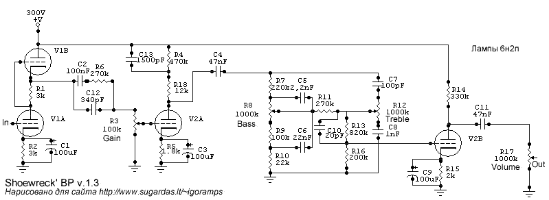
нужно подсказать к каким именно контактам лампы 6н2н нужно что припаевать и как сделать питание.

Брат Пилот

  • Сообщений: 157
  • GTLab - forever!
    • Просмотр профиля
Re: помогите собрать ламповый преамп на бас
« Ответ #1 : Июня 30, 2010, 12:54:01 pm »
http://tubes.org.ua/6p43p/6n2p.htm

в блоках питания не силен. глянь вот это
http://forum.gtlab.net/cgi-bin/yabb2/YaBB.pl?num=1277306828

а зачем используется триод V1B?
« Последнее редактирование: Июня 30, 2010, 12:56:58 pm от bratpilot »

Denn

  • Global Moderator
  • *****
  • Сообщений: 14277
  • είμαι ο μουσικός και ο ραδιομηχανίκός
    • ICQ клиент - 322153053
    • Просмотр профиля
    • E-mail
Re: помогите собрать ламповый преамп на бас
« Ответ #2 : Июня 30, 2010, 01:37:57 pm »
Цитировать
а зачем используется триод V1B?

Динамическая нагрузка. Про сабж можно спросить Гугль, введя в поиск слово: "SRPP".


По приведённой в первом посте схеме вход должен быть соединён с общим через резистор 1мом, иначе SRPP не "запустится".
« Последнее редактирование: Июня 30, 2010, 01:39:19 pm от Denn »
Не говорите что мне делать, и я не скажу куда Вам идти.

Лучшее решение из возможных - самое простое. И наоборот.

Прежде чем судить

texman

  • Сообщений: 4058
  • GTLab - forever!
    • Просмотр профиля
    • E-mail
Re: помогите собрать ламповый преамп на бас
« Ответ #3 : Июня 30, 2010, 06:56:53 pm »
Собирал пред версии 1.4, на 2-х лампах.


Есть печатка преампа. Блок питания и печатка под него у меня сложноваты для твоего случая, там доп питание под микруху выходную и наушниковый пред.

Ты блок питания можешь брать этот
http://imageshost.ru/photo/23563/id2260.html

или из алембика....или любой другой.
Ставь старуха самовар, будем слушать MANOWAR!

Брат Пилот

  • Сообщений: 157
  • GTLab - forever!
    • Просмотр профиля
Re: помогите собрать ламповый преамп на бас
« Ответ #4 : Июня 30, 2010, 11:41:20 pm »
погуглил, почитал...

"Нижняя по схеме половинка занимается усилением сигнала, а верхняя – играет роль динамической нагрузки. Положительные особенности такого включения – это высокий коэффициент усиления и низкое выходное сопротивление каскада.Усилитель справляется как с низкоомными наушниками сопротивлением 32 Ом так и со студийными мониторами сопротивлением постоянному току в 250 и более ом."

это понятно стало на примере вот такого проекта
http://datagor.ru/amplifiers/tubes/page,1,1,108-stroim-prostojj-lampovyjj-usilitel-dlja-naushnikov.html
тогда встает новый вопрос .
зачем это в выше приведенной схеме?
за этим каскадом вполне однозначная нагрузка.

Vilsi

  • Сообщений: 507
  • GTLab - forever!
    • Просмотр профиля
Re: помогите собрать ламповый преамп на бас
« Ответ #5 : Июля 01, 2010, 07:41:05 am »
вот совершенно резонный вопрос. в данном случае ну совершенно непонятное применение.
преимущества такого каскада:
1. возможность работы при больших анодных токах, что обеспечивает высокую крутизну и малый уровень шумов
2. малое выходное сопротивление для согласования каскадов,
3. возможность работы на большую емкость нагрузки
4. огромная широкополосность, на этой лампе может быть до десятка МГц. (ну не знаю точно, считать лень)
реализация:
1. анодный ток задавлен большим резистором в цепи катода. соответственно, крутизна снижена, а значит, шумы увеличены.
2. малое выходное сопротивление здесь совершенно не требуется, нечего согласовывать.
3. емкости нагрузки нет.
4. широкополосность здесь вообще вредна.
и зачем он тут стоит? при этом его к-т усиления по сравнению с обычным хотя и больше, но не так уж сильно различается. (вообще-то, в зависимости от нагрузки, может быть раз в 5, но такие различия обычно компенсируются другими каскадами)
с этой точки зрения схема от texman'a гораздо более логична.
хотя, сделать ее можно. а вдруг это шедевр по звуку?
« Последнее редактирование: Июля 01, 2010, 07:43:08 am от Vilsi »

Denn

  • Global Moderator
  • *****
  • Сообщений: 14277
  • είμαι ο μουσικός και ο ραδιομηχανίκός
    • ICQ клиент - 322153053
    • Просмотр профиля
    • E-mail
Re: помогите собрать ламповый преамп на бас
« Ответ #6 : Июля 01, 2010, 08:31:43 am »
Применение SRPP в данном случае действительно странно. Однако в ламповых делах много странностей встречается, особенно когда заходит речь о "специфическом окрасе". А влияние окрашивающих каскадов тем сильнее, чем они ближе ко входу усилителя. Возможно он тут по этой причине. Вообще пишут, что с таким входным каскадом более упругий отклик усилка получается, лучше динамика. Но я от такого решения отказался, поэтому делал басовый пред на обычных резистивных каскадах (по типу старых Ampeg'овских схем), а для согласования с ТБ (на выходе) делал обычный КП.

По данной схеме лучше спросить Сашу (ник - Shoewreck), думаю он прояснит, для чего он поставил SRPP.
Не говорите что мне делать, и я не скажу куда Вам идти.

Лучшее решение из возможных - самое простое. И наоборот.

Прежде чем судить

Jimmy_Page

  • Гость
Re: помогите собрать ламповый преамп на бас
« Ответ #7 : Июля 01, 2010, 08:35:33 am »
Ходят слухи что СРПП звучит с большей динамикой нежели триод с резистивной нагрузкой. Манаков например для рока рекомендует СРПП по входу и тоже по этим соображениям, для классики больше традиционный резистивный. (Речь о Хай-Фай)

Denn

  • Global Moderator
  • *****
  • Сообщений: 14277
  • είμαι ο μουσικός και ο ραδιομηχανίκός
    • ICQ клиент - 322153053
    • Просмотр профиля
    • E-mail
Re: помогите собрать ламповый преамп на бас
« Ответ #8 : Июля 01, 2010, 08:40:09 am »
Цитировать
Ходят слухи что СРПП звучит с большей динамикой нежели триод с резистивной нагрузкой. Манаков например для рока рекомендует СРПП по входу и тоже по этим соображениям, для классики больше традиционный резистивный. (Речь о Хай-Фай)

Таки да, в этом я убедился лично на примере 5W однотактов. Действительно, с SRPP драйвером получается более динамичный звук. Оно и понятно, каскад более широкополосный, больше SR тракта, детальнее "прорисовка" формы звуковой волны. Резистивный каскад даёт более "мягкий" звук, в некоторых случаях такой звук уютнее, но менее "честный". Но в драйвере мощника скорее сказывается низкое Rвых SRPP, ибо требуется "прокачка" паразитного Миллера выходных ламп.
« Последнее редактирование: Июля 01, 2010, 08:41:50 am от Denn »
Не говорите что мне делать, и я не скажу куда Вам идти.

Лучшее решение из возможных - самое простое. И наоборот.

Прежде чем судить

Vilsi

  • Сообщений: 507
  • GTLab - forever!
    • Просмотр профиля
Re: помогите собрать ламповый преамп на бас
« Ответ #9 : Июля 01, 2010, 08:54:47 am »
2 Denn, Пардон, чисто для самообразования. про драйвер мощника подробнее, плз.

Denn

  • Global Moderator
  • *****
  • Сообщений: 14277
  • είμαι ο μουσικός και ο ραδιομηχανίκός
    • ICQ клиент - 322153053
    • Просмотр профиля
    • E-mail
Re: помогите собрать ламповый преамп на бас
« Ответ #10 : Июля 01, 2010, 09:08:08 am »
Цитировать
2 Denn, Пардон, чисто для самообразования. про драйвер мощника подробнее, плз.

А что тут подробнее, в любой статье про ламповый SE можно почитать. Обычная схемотехника, два каскада: драйверный (резистивный или SRPP) каскад и выходной.

П.С. http://www.radiolamp.ru/shem/unch/30/
Не говорите что мне делать, и я не скажу куда Вам идти.

Лучшее решение из возможных - самое простое. И наоборот.

Прежде чем судить

Vilsi

  • Сообщений: 507
  • GTLab - forever!
    • Просмотр профиля
Re: помогите собрать ламповый преамп на бас
« Ответ #11 : Июля 01, 2010, 09:59:29 am »
ага, понял, сенк.

texman

  • Сообщений: 4058
  • GTLab - forever!
    • Просмотр профиля
    • E-mail
Re: помогите собрать ламповый преамп на бас
« Ответ #12 : Июля 01, 2010, 01:08:34 pm »
to Vilsi:

Схема не от "техмана", у этих схем один и тот же автор - Shoewreck.

СРПП лично мне понравился - звук "быстрее", "резче"...как-то так.
Ставь старуха самовар, будем слушать MANOWAR!

андрей

  • Сообщений: 22
  • GtLab.Net forever!
    • Просмотр профиля
    • E-mail
Re: помогите собрать ламповый преамп на бас
« Ответ #13 : Июля 04, 2010, 01:10:20 pm »
Цитировать
Цитировать

По приведённой в первом посте схеме вход должен быть соединён с общим через резистор 1мом, иначе SRPP не "запустится".
резистор 1мом подключать ко входу лампы или на землю, ато в схеме Техмана один резистор 68 к идет на лампу а второй 1м на землю!

андрей

  • Сообщений: 22
  • GtLab.Net forever!
    • Просмотр профиля
    • E-mail
Re: помогите собрать ламповый преамп на бас
« Ответ #14 : Июля 04, 2010, 01:11:42 pm »
и еще. у меня на комбе трансформатор. если просто напрямую к нему в 300В врубить?

Grey

  • Сообщений: 142
    • ICQ клиент - 492829452
    • Просмотр профиля
Re: помогите собрать ламповый преамп на бас
« Ответ #15 : Июля 05, 2010, 03:41:41 pm »
Делать так, как на схеме. Про 300В - непонял что ты имеешь ввиду. Да, ты лучьше редактируй свои посты вместо добавления новых.
« Последнее редактирование: Июля 05, 2010, 03:42:27 pm от Grey »

андрей

  • Сообщений: 22
  • GtLab.Net forever!
    • Просмотр профиля
    • E-mail
Re: помогите собрать ламповый преамп на бас
« Ответ #16 : Июля 05, 2010, 11:28:53 pm »
ну без схем просто сразу к трансформатору питание ии землю!

Denn

  • Global Moderator
  • *****
  • Сообщений: 14277
  • είμαι ο μουσικός και ο ραδιομηχανίκός
    • ICQ клиент - 322153053
    • Просмотр профиля
    • E-mail
Re: помогите собрать ламповый преамп на бас
« Ответ #17 : Июля 06, 2010, 05:05:41 am »
Цитировать
Цитировать
Цитировать

По приведённой в первом посте схеме вход должен быть соединён с общим через резистор 1мом, иначе SRPP не "запустится".
резистор 1мом подключать ко входу лампы или на землю, ато в схеме Техмана один резистор 68 к идет на лампу а второй 1м на землю!

Антизвонный 68к - по желанию, а вот "подтяжку" 1 мом - обязательно. Куда ставить я достаточно доходчиво написал выше, она стоит в любой схеме лампового преампа.
Не говорите что мне делать, и я не скажу куда Вам идти.

Лучшее решение из возможных - самое простое. И наоборот.

Прежде чем судить

abcetc

  • Сообщений: 809
  • GTLab - forever!
    • Просмотр профиля
    • E-mail
Re: помогите собрать ламповый преамп на бас
« Ответ #18 : Июля 06, 2010, 09:33:10 am »
2 Андрей:
Запитать переменкой???

андрей

  • Сообщений: 22
  • GtLab.Net forever!
    • Просмотр профиля
    • E-mail
Re: помогите собрать ламповый преамп на бас
« Ответ #19 : Июля 07, 2010, 02:14:58 pm »
если взять только верхнюю часть схемы от блока Ты блок питания можешь брать этот
http://imageshost.ru/photo/23563/id2260.html и подключить просто в резетку без трансформатора!