Автор Тема: Эквалайзер с предусилителем для акустики  (Прочитано 20414 раз)

0 Пользователей и 1 Гость просматривают эту тему.

gubr

  • Сообщений: 108
  • Курить мы будем, но пить не бросим.
    • Просмотр профиля
    • E-mail
Уважаемые,

в данной теме я буду излогать построение эквалайзера с предусилителем для акустики. В роли датчика выступит пьезовая пищалка от ... чего-нибудь. Еще не решил. Заказал мне это мой друг. Конечно - всегда можно купить и не парить себе мозги (и вам). Но так не интересно. Мы, прожженые мастера паяльного дела, не любим платить деньги за то, что можем сделать сами.

Схема на экалайзер есть, печатка тоже, нет там только предусилителя, но под него есть куча места. И мне нужна ваша поддержка, чтобы самому правильно захреначить этот предусилитель.
Предусилитель планируется на TL072. тл-ка уже есть, книжку читаю про двухкаскадные усилители. Двухкаскадные потому, что в TL072 два полевых транзистора внутри (правильно?), и в виду этого мы будем усиливать звук последовательно двумя каскадами.

Собственно информация по эквалайзеру:
Автор проекта - Promax
Технические характристики:
1. Напряжени питания - от 3.5 В до 14 В
2. Входное напряжение - до 500 мВ
3. Выходное напряжение - до 10 мВ
4. Рабочая полоса частот - от 10 Гц до 25 кГц
5. Диапазон регулировки тембра - от –12 дБ до +12 дБ
6. Коэффициент гармонич. искажений - 0.05%
7. Ток потребления - от 10 мА до 12 мА
8. Отношение сигнал/шум - 80 дБ
9. Коэффициент усиления - 1
10. Входное сопротивление - 100 кОм
11. Выходное сопротивление - 10 кОм
 
Описание схемы
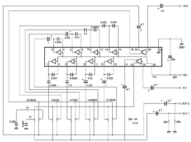
«Серцем» данного эквалайзера является специализированная микросхема BA3822, выпускаемая компанией ROHM. BA3822LS, BA3822FS, BA3823LS и BA3824LS представляют собой монолитные пяти полосные стерео графические эквалайзеры. Таким образом, имеется два независимых канала с 5-ю регулировочными узлами тембра на каждый канал. Стандартная схема включения микросхемы представлена на рис. 3. Данная микросхма характеризуется широким диаппазоном питающих напряжений (3.5 В – 14 В) и способностью не перегрузужаться при подъеме всех частотных регулировок.
Меня же заинтересовала следующая схема (рис. 1). Во-первых, добавлена дополнительная регулировка тембра на частоте 30 Гц. Во вторых, есть возможность изготовить два независимых эквалайзера на одной микросхеме, используюя «левый» и «правый» канал стереовхода. Для гитары (тем более – бас гитары), по-моему, это находка. Можно реализовать различные коммутации своих примочек с разными настройками тембра и получать неповторимое J звучание своего инструмента, например как http://www.guitar.ru/articles/effect-bass


Рис. 1. Схема 2-х канального 6-ти полосного эквалайзера.

На самом деле, можно еще более все упростить, убрав элементы второго канала. Получим схему, содержащую не так много элементов (рис. 2).


Рис. 2. Схема 1-канального 6-ти полосного эквалайзера.

Принцип действия не замысловат – микросхема имеет несколько операционных усилителей и совместно с внешними резисторами и конденсаторами осуществляет частотную (ЗЧ) регулируемую изберательность. Транзисторы VT1, VT2 выполняют роль входных буфферов. Сигнал на выходе схемы необходимо усиливать.

Конструкция:
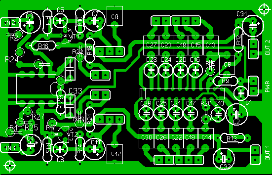
Далее преведена односторонняя печантая плата (рис. 4) размерами 45х70 мм, соответствующая схеме рис. 1. Печатка в формате *.lay также имеется. «Пустые» места в конструкции п/платы обусловлены расположением внутренних компонентов (разъемов) моего гитарного эффекта. Кстати, на этой площади вполне уместится микросхемка TL062 и парочка (парочка парочек, если быть точным) дополнительных резисторов, дабы предварительно усилить сигнал.
Я использовал переменные резисторы типа F09125G фирмы Polyshine Holdings, но никто не мешает Вам использовать и любые другие, например движковые – NSL102N (по каталогу магазина «Chip-Dip»). Микросхема BA3822 в тип-размере SZIP24 (рис. 3). Резисторы мощностью 0.25 Вт (R19, R20 устанавливать вертикально), конденсаторы номинальным напряжением 16В...50В. Никаких настроек и дополнительных требований – нет.



Рис. 3. Стандартная схема включения микросхемы BA3822 (сверху), корпус микросхемы BA3822 (снизу).


Рис. 4. Печатная плата эквалайзера.

Печатная плата сделанная в Sprint-Layout - http://www.4shared.com/file/y9jj1JP4/EQLASER_NEW.html

Схема подключений – на рис. 5 и то, что должно получиться - рис. 6. Обратите внимание, что на рис. 5 потенциометры 2-го канала расположены не по возрастанию регулируемой частоты (в отличии от 1-го канала). Переменные резисторы R1 и R2 я заменил постоянными 100 кОм и подсоединил к входным разъемам (на схеме соединений они не отмечены) навесным монтажем.


Рис. 5. Схема подключения платы эквалайзера.

Перечень элементов:


В настоящее время я занимаюсь закупкой запчастей для эквалайзера, чтением литературы по усилителям звуковых частот, полевым транзисторам, операционным усилителям и прочей лабуде. Результаты своих измышленний тут буду постить и прошу вас комментировать - правильной дорогой ли я иду, товарищи. Пока что это все.
Степень кривизны рук обратнопропорциональна степени кривизны извилин.

gubr

  • Сообщений: 108
  • Курить мы будем, но пить не бросим.
    • Просмотр профиля
    • E-mail
Re: Эквалайзер с предусилителем для акустики
« Ответ #1 : Июня 29, 2010, 01:08:45 pm »
Вопрос: переменные резисторы в списке деталей - это которые по номерам?

И еще вопрос порядка: сначала предусилитель ЗЧ, потом эквалайзер или наоборот?

Регулировка громкости еще планируется - ее же перед самым выходом ставить надо, не?
Степень кривизны рук обратнопропорциональна степени кривизны извилин.

gubr

  • Сообщений: 108
  • Курить мы будем, но пить не бросим.
    • Просмотр профиля
    • E-mail
Re: Эквалайзер с предусилителем для акустики
« Ответ #2 : Июня 30, 2010, 10:09:30 am »
Ну подскажите пожалуйста по вопросам. Я понимаю, что они нубские, но я ж тока учучсь.

И еще вопрос назрел по поводу предусилителя. Смотрю характеристики TL072 и способы подключения. Мне нужен вот этот:

Правильно?

UPDATE: Дорисовал печатную плату. Может кто-то посмотрит и оценит? Не с эстетической точки зрения, а в точки зрения работоспособности. Желтым обведено то, что я добавил - предусилитель. Спланировал его,принимая указанную выше схему из даташита TL072 как правильную.
« Последнее редактирование: Июня 30, 2010, 11:19:50 am от gubr »
Степень кривизны рук обратнопропорциональна степени кривизны извилин.

gubr

  • Сообщений: 108
  • Курить мы будем, но пить не бросим.
    • Просмотр профиля
    • E-mail
Re: Эквалайзер с предусилителем для акустики
« Ответ #3 : Июля 15, 2010, 02:03:00 pm »
Вот по этой буду делать.


 R24 R25 - это резисторы, которые в даташите указаны, но, поскольку есть мнение, что они регулируют ВЧ при подключении ТЛ, то я их пока впаивать не буду. Так попробую. А C33 C34  - это кондеры в обвязке ТЛ в даташите указаны. Схема теперь тоже поменяется.

« Последнее редактирование: Июля 15, 2010, 02:03:37 pm от gubr »
Степень кривизны рук обратнопропорциональна степени кривизны извилин.

abcetc

  • Сообщений: 809
  • GTLab - forever!
    • Просмотр профиля
    • E-mail
Re: Эквалайзер с предусилителем для акустики
« Ответ #4 : Июля 16, 2010, 01:31:26 pm »
BA3822 - для бытовых муз. центров. Притом не лучшего качества.
Такое включение ОУ - это повторитель, а не усилитель. Хотя, применительно к гитаре, это не так и плохо. Номиналы какие?
В данной схеме на выходе ОУ по п.т. - ноль. Работать не будет.

gubr

  • Сообщений: 108
  • Курить мы будем, но пить не бросим.
    • Просмотр профиля
    • E-mail
Re: Эквалайзер с предусилителем для акустики
« Ответ #5 : Июля 16, 2010, 09:41:27 pm »
Цитировать
BA3822 - для бытовых муз. центров. Притом не лучшего качества.
Такое включение ОУ - это повторитель, а не усилитель. Хотя, применительно к гитаре, это не так и плохо. Номиналы какие?
В данной схеме на выходе ОУ по п.т. - ноль. Работать не будет.

Думаю все же собрать на BA, очень уж интересно, что получится. С удовольствием рассмотрю другие рекомендации конечно же.

Если ты про номиналы компонентов в "предусилителе" (который, как оказалось, - повторитель), то они из даташита TL072: R24=R25=2kOhm, C33=C34=100pF.

Спасибо за пояснение. Посни пожалуйста, что такое "на выходе ОУ по п.т. - ноль"?

В даташите http://www.datasheetcatalog.org/datasheet/SGSThomsonMicroelectronics/mXrxvrt.pdf есть несколько стандартных схем подключения:
Figure 1 : Voltage Follower
Figure 2 : Gain-of-10 Inverting Amplifier
Figure N : 100KHz QUADRUPLE OSCILLATOR

Если не по первой собирать, то, видимо, по второй или третьей? Подскажи пожалуйста, по какой лучше. Просто понакупил уже запчастей - не пропадать же? А TL072 у меня 2 шт есть, так что печатную плату переделаю если что.

ЗЫ Почему повторитель - это хорошо? Расскажи пожалуйста или кинь ссылку, где почитать. Читал в книжке, что в зависимости от того, что общее исток, сток или затвор - усиливаются напряжение, сила тока или оба (не помню, как там кто именно что усиливает, но почитать могу завтра). В данном случае нам надо силу тока увеличить или напряжение? Извините за нубские вопросы.
« Последнее редактирование: Июля 16, 2010, 09:46:32 pm от gubr »
Степень кривизны рук обратнопропорциональна степени кривизны извилин.

gubr

  • Сообщений: 108
  • Курить мы будем, но пить не бросим.
    • Просмотр профиля
    • E-mail
Re: Эквалайзер с предусилителем для акустики
« Ответ #6 : Июля 17, 2010, 08:50:11 am »
А если по такой схеме

Вот на такую плату


Будет усилитель? А работать будет? )))
Степень кривизны рук обратнопропорциональна степени кривизны извилин.

abcetc

  • Сообщений: 809
  • GTLab - forever!
    • Просмотр профиля
    • E-mail
Re: Эквалайзер с предусилителем для акустики
« Ответ #7 : Июля 17, 2010, 11:20:42 am »
Ух... ну, почитать можно того же Хоровитца с Хиллом, или Шенке, или еще чего...
По п.т. (то бишь по постоянному току) на выходе ОУ будет 0. А нам надо, чтобы там было смещение для работы транзистора.
Попробуй BA. Экономия места, все же.
Voltage Follower - то бишь повторитель напряжения. Обладает высоким входным и низким выходным сопротивлением. Применительно к пьезодатчику - высокое вх. сопротивление просто необходимо.
Gain-of-10 Inverting - инервтирующий с усилением в 10 раз
Oscillator  :o  - это генератор

P.S. А поиск подобных схем в инете ни к чему не привел?

P.P.S. Это не твой?
http://guitar-gear.ru/index.php?p=proj&id=29
« Последнее редактирование: Июля 17, 2010, 11:23:25 am от abcetc »

gubr

  • Сообщений: 108
  • Курить мы будем, но пить не бросим.
    • Просмотр профиля
    • E-mail
Re: Эквалайзер с предусилителем для акустики
« Ответ #8 : Июля 17, 2010, 12:13:59 pm »
Цитировать
Ух... ну, почитать можно того же Хоровитца с Хиллом, или Шенке, или еще чего...
По п.т. (то бишь по постоянному току) на выходе ОУ будет 0. А нам надо, чтобы там было смещение для работы транзистора.
Попробуй BA. Экономия места, все же.
Voltage Follower - то бишь повторитель напряжения. Обладает высоким входным и низким выходным сопротивлением. Применительно к пьезодатчику - высокое вх. сопротивление просто необходимо.
Gain-of-10 Inverting - инервтирующий с усилением в 10 раз
Oscillator  :o  - это генератор

P.S. А поиск подобных схем в инете ни к чему не привел?

P.P.S. Это не твой?
http://guitar-gear.ru/index.php?p=proj&id=29

А почему п.т. будет 0? Там жеж TL072 запитана от батарейки постоянным током. Но на схеме это не отображено просто. Я взял схему в том виде, в каком она в даташите...

BA - ты имеешь в виду BA3822, который по схеме Promax'а? Так я и использую BA3822.

По поводу повторителя и 10 кратного усиления. А если сделать так, как указано на последней схеме, мной нарисованной? Вот я сделал последний вариант по схеме "10 кратного усиления" - так будет работать?

По ссылке твоей действительно тот эквалайзер, который я собираюсь собрать. Но там не было предусилителя, автор рекомендовал его установить - вот я и пытаюсь! )))

Ковыряюсь в разных схемах предусилителей и не могу точно разобрать - где какая часть и зачем посторитель! :(
Степень кривизны рук обратнопропорциональна степени кривизны извилин.

abcetc

  • Сообщений: 809
  • GTLab - forever!
    • Просмотр профиля
    • E-mail
Re: Эквалайзер с предусилителем для акустики
« Ответ #9 : Июля 17, 2010, 02:01:58 pm »
См. личку