Автор Тема: Диодный мост + умножитель?  (Прочитано 4726 раз)

0 Пользователей и 1 Гость просматривают эту тему.

Basist

  • Сообщений: 11
  • GtLab.Net forever!
    • Просмотр профиля
    • E-mail
Диодный мост + умножитель?
« : Декабря 06, 2012, 03:41:37 pm »
Собрал томату с умножителем, все прекрасно работает. Собрал мирревер тоже вроде не плохо. Решил объединить в один корпус с одним БП (переменка 12 V). Умножитель выдает положенные 120 V при попытке подключить к 12 вольтам переменки диодный мост на выходе получаю в 12 постоянки а между минусом умножителя и минусом моста 58 V. Как быть?
« Последнее редактирование: Декабря 06, 2012, 05:15:24 pm от basist »

Yokel

  • Сообщений: 324
  • Калуга
    • Просмотр профиля
    • E-mail
Re: Диодный мост + умножитель?
« Ответ #1 : Декабря 06, 2012, 05:45:18 pm »
Питать от разных обмоток 12В.
Поискать готовые трансы типа ТПП или анодно-накальный трансформатор.
ИМХО ТАН-ы с обмотками в районе 100 В (3-4 обмотки по 28 В) наименее дефицитны.
Паяю на доверии.

OlegFX

  • Сообщений: 5097
    • Просмотр профиля
Re: Диодный мост + умножитель?
« Ответ #2 : Декабря 06, 2012, 08:44:11 pm »
@ Basist
Нарисуй схему транса-выпрямителей-умножителя и подпиши напряжения, что намерил, может, что-нибудь придумаем. 12V для накала и ревера? Или накал от переменки?
« Последнее редактирование: Декабря 06, 2012, 08:45:07 pm от olegfx »

Skygge

  • Сообщений: 234
  • GtLab.Net forever!
    • Просмотр профиля
    • E-mail
Re: Диодный мост + умножитель?
« Ответ #3 : Декабря 06, 2012, 09:24:59 pm »
@ Basist

Можно попробовать использовать умножитель для питания преампа и дилея, но дилей питать через стабилитроны, ну а лучше конечно намотать еще одну обмотку, микросхема то много тока не требует, и она много места не займет.

Basist

  • Сообщений: 11
  • GtLab.Net forever!
    • Просмотр профиля
    • E-mail
Re: Диодный мост + умножитель?
« Ответ #4 : Декабря 07, 2012, 05:55:50 am »

Между GNG1 и GND2 56 V.
Накал от переменки 12V. Постоянка12 V для микрухи ревера через стабилизатор 5 V
« Последнее редактирование: Декабря 07, 2012, 06:06:12 am от basist »

sk

  • Гость
Re: Диодный мост + умножитель?
« Ответ #5 : Декабря 07, 2012, 07:48:24 am »
GND2 нельзя сажать на массу.
Я бы поставил вместо умножителя второй транс перевертышем.

Basist

  • Сообщений: 11
  • GtLab.Net forever!
    • Просмотр профиля
    • E-mail
Re: Диодный мост + умножитель?
« Ответ #6 : Декабря 07, 2012, 09:26:30 am »
Так весь цинус данной задачи объединить 2 примочки в одну с 1 БП в отдельном корпусе и двужильным проводом с 12 вольтами переменки между ними. А можно ли каким-то образом понизить постоянное напряжение с 120V до 5V.

Denn

  • Global Moderator
  • *****
  • Сообщений: 14277
  • είμαι ο μουσικός και ο ραδιομηχανίκός
    • ICQ клиент - 322153053
    • Просмотр профиля
    • E-mail
Re: Диодный мост + умножитель?
« Ответ #7 : Декабря 07, 2012, 09:27:19 am »
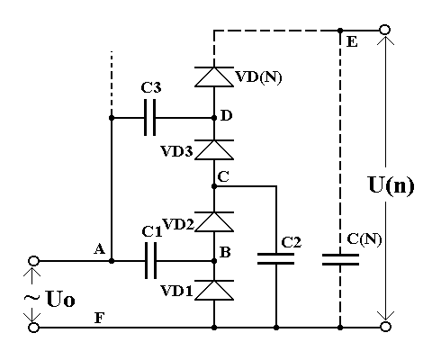
Есть схемы умножителей, которые строятся относительно общего провода, например:



Подробнее об умножителях можно почитать тут - http://www.cqham.ru/uu1.htm

В данном случае необходимо использовать именно такую схему умножения, а питание микросхем делать по схеме ОППВ - чтобы общий провод был единый для всех источников.
Не говорите что мне делать, и я не скажу куда Вам идти.

Лучшее решение из возможных - самое простое. И наоборот.

Прежде чем судить

OlegFX

  • Сообщений: 5097
    • Просмотр профиля
Re: Диодный мост + умножитель?
« Ответ #8 : Декабря 07, 2012, 09:57:25 am »
Да, так делать нельзя. Надо развязывать земли. Если бы была другая схема умножения, то можно было бы так сделать. Посмотри тему про фантом - я отвечал dks, что там у него не так работало - вот, там "правильный умножитель", т.е. такой, к которому можно прицепить ещё один выпрямитель. Ну и, естественно, нужно будет увеличить кол-во звеньев для получения 120В.
А иначе - второй транс или доп. обмотку для получения "примочечных" 12В. Думаю, так будет и проще, и надёжней. И, кстати, при таких коэф. умножения будет ещё и не больше по габаритам.

OlegFX

  • Сообщений: 5097
    • Просмотр профиля
Re: Диодный мост + умножитель?
« Ответ #9 : Декабря 07, 2012, 09:58:43 am »
А к схеме из поста#7 можно прицепить только однополупериодный выпрямитель для получения +12В, т.к. один вывод вторички уже заземлён.

Basist

  • Сообщений: 11
  • GtLab.Net forever!
    • Просмотр профиля
    • E-mail
Re: Диодный мост + умножитель?
« Ответ #10 : Декабря 07, 2012, 10:09:33 am »
Между + 12V и  GND1 78V лучше конечно чем 120 но не намного  :(


Пардон не посмотрел что про 7 пост
« Последнее редактирование: Декабря 07, 2012, 10:17:37 am от basist »

Basist

  • Сообщений: 11
  • GtLab.Net forever!
    • Просмотр профиля
    • E-mail
Re: Диодный мост + умножитель?
« Ответ #11 : Декабря 08, 2012, 05:44:09 pm »

Вот тут я намерил 35 V c GND1. при подключении нагрузки в 20 mA напруга падает до 130 до 100 V на выходе с умножителя. при увеличение емкости 2-ух конденсаторов поднимается до 120. Имеет такая схема право на жизнь?