Автор Тема: Задачка на логику  (Прочитано 5567 раз)

0 Пользователей и 1 Гость просматривают эту тему.

zEROID

  • Сообщений: 3021
  • Играю на гитаре и паяю с детства :-)
    • ICQ клиент - 24397417
    • Просмотр профиля
    • E-mail
Re: Задачка на логику
« Ответ #20 : Мая 27, 2013, 09:40:11 pm »
Во времена правильной "фирмы", трансформаторы делали с таким запасом, что сейчас и не снится. Плюс экранная обмотка, плюс конденсаторы были никакие не ESR а тупые медленные, и с ними вторичка транса не звенела так :-) Смешно, но в современных условиях очень часто резистор в десяток-другой ом перед мостом, решает проблему треска на корню :-)

И не надо забывать, что в 60-х не было ни энергосберегающих ламп, ни мобильников, ни компьютеров. Импульсных помех было меньше в разы.

sadky

  • Сообщений: 463
  • GtLab.Net forever!
    • Просмотр профиля
    • E-mail
Re: Задачка на логику
« Ответ #21 : Мая 28, 2013, 04:23:18 am »

@[/color] Beermonza

.[/quote]


Когда говоришь "фирма", показывай аппарат на схеме или марку называй. [/quote]
Так, это, я и называл - ответ№6, а схема не секретная, их валом :)

kwlw

  • Сообщений: 2408
  • Тёплый, ламповый
    • Просмотр профиля
Re: Задачка на логику
« Ответ #22 : Мая 28, 2013, 04:48:10 am »
Цитировать
@ kwlw

Ну, вы прям и схему в студию - я бы, например, и на слово поверил ;) А, кстати, чья это схема( модель и годы примерно)?[

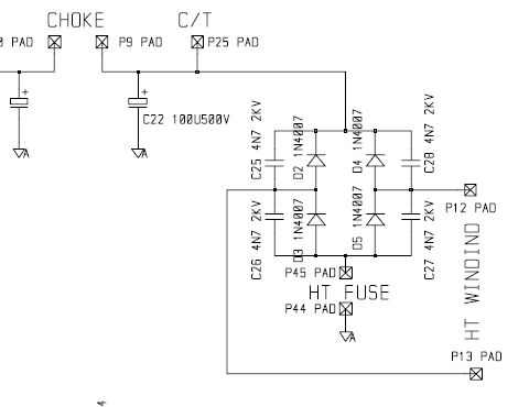
Просто это своими глазами видел во внутренностях Laney LC30 (это из него схемы), CUB10. Вот например вариант с трансформатором без средней точки (Laney TT50R):

Всё это конечно дешёвый новодел, но цель моего поста была - что теперь и фирма (конечно в брандофильной России, Laney может и не считается как фирма, но всё таки конторка с древними традициями усилостроения) тоже делает такие вещи. Видимо есть причины.

Sau
« Последнее редактирование: Мая 28, 2013, 04:49:38 am от kwlw »
У меня - свой путь.

Samat

  • Гость
Re: Задачка на логику
« Ответ #23 : Мая 28, 2013, 11:47:47 am »
@ sadky

У тебя мысль звучит однозначно:

И всё-таки : ну в фирмовых аппаратах же нет этого всего изврата в виде снабберов, параллальных диодов, сетевых фильтров и т.д., а они ведь не трещат!!! Скажу конкретно за Месу, ибо был у меня Калибер50, и был он тихий, как рыбка, не считая того, что гудел даже с выключенной анодкой :). Это специально для доказывающих с пеной у рта, что фирма - это круто, а самопал - отстой.

Первое предложение - расплывчатое, обобщающее без самого предмета :) ...это я откомментировал. Второе - факт/сарказм, отмечающий противоположность первому. Извини, как понял так и ответил :)

И ещё на счёт "фирм". Кенотронное выпрямление до сих пор в ходу и дроссели никто не отменял. Смотреть нужно комплексно, по возможности не оборачиваться назад и решать задачи в соответствии с новыми требованиям.

sadky

  • Сообщений: 463
  • GtLab.Net forever!
    • Просмотр профиля
    • E-mail
Re: Задачка на логику
« Ответ #24 : Мая 28, 2013, 12:38:12 pm »
@ Beermonza

Соглашусь, перечитал и понял - писАть надо трезвому ;)
Уточнение: факт/сарказм, как вы изволили, относится к гудению при выключенном стендбае. Сюда же добавлю, что сам выходник на 50 ватт, насколько помню, был всего примерно на треть больше родимого ТВЗ,смотреть жалко, но звучал же, собакевич!

Samat

  • Гость
Re: Задачка на логику
« Ответ #25 : Мая 28, 2013, 07:23:36 pm »
Цитировать
Сюда же добавлю, что сам выходник на 50 ватт, насколько помню, был всего примерно на треть больше родимого ТВЗ, смотреть жалко, но звучал же, собакевич!
Если он на пермаллое, то возможно, а если на трансформаторном железе, то маловероятно. На 50 Вт выходник сильно побольше будет.