Нда, поменял, матерясь, в камасутровских позах (в спальне, на табуретке), я эти банки питания, за одно и диоды на ультрафасты (просто под рукой подвернулись). Как и следовало ожидать - изменилось ровно ничего

. Ну хоть попробовал.
Раз уж комбик разобран по винтикам - начал наблюдать как у нас с помехами вс расположении в пространстве. Оказалось, что если силовик повернуть на бок, фон становится довольно тихим. Из-за крепления это довольно проблематично. Раз гора не идёт к Магомету, то Магомет пойдёт

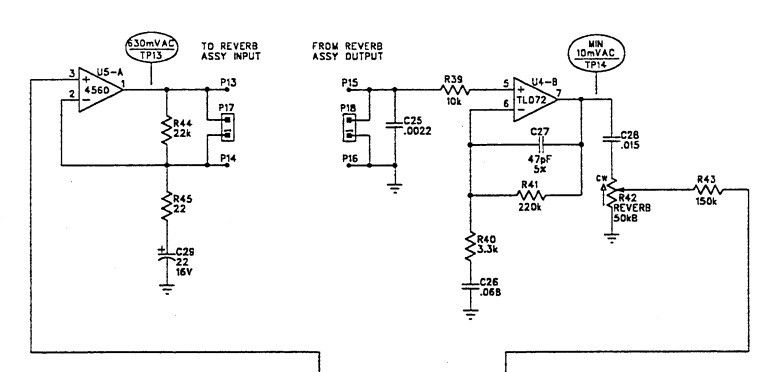
. Оказалось, что OUT реверба, который стандартно является заземлением жестянки реверба - самая чувствительная к наводкам часть всего реверба. И конечно этот выход располагается прямо под трансформатором. Попробовал повернуть реверб на 180 градусов. К разьёмам, конечно, доступ - так себе (они в сторону динамика), зато фон - вполне уже приемлемый для игры.
Как это получается? Что точка заземления на танке выбрана неудачно? Это можно попробовать изменить, ибо внутри есть плавкие перемычки, которых можно "поконфигурировать" паяльником. Но как бы на тех танках, которые были/есть у меня, всегда экран кабеля "OUT" имел контакт с корпусом. И ничего, другие комбики не шумели.
Или всё таки это какая то проблема схемотехники, и точка откуда берётся/приходит "земля" для экрана и сигнала выбрана не верно? Если кому интересно - могу выложить конкретный кусок схемы.
Sau