Автор Тема: Помогите локализовать источник фона  (Прочитано 7133 раз)

0 Пользователей и 1 Гость просматривают эту тему.

kwlw

  • Сообщений: 2408
  • Тёплый, ламповый
    • Просмотр профиля
Постепенно добрался до места, где образуется фон моём басовом усилителе. Перекопал оконечник. Там всё ОК. Свил провода - 0 реакции. Стал экспериментировать с патч-панелью и нашёл. Он образуется вот в этом участке схемы.


При заземлённом входе схемы (отметка "MAIN BUS", стоит потенциометр гайна с одним концом в "землю"), постоянный фон присутствует (в слышимом виде). Полагаю, что что-то высохло, не контачит или "поплыло" и в последствии имеем земляную петлю, которая ловит излучение от силового трансформатора. Если подключить источник сигнала к разъёму P.A. IN (вход УМ, синяя стрелка), фона нет. Вечером, надеюсь - доберусь до схемы с осциллографом, но по слуху смахивает на 50 а не на 100гц.

Но всё равно не понимаю, где тут может образоваться "ловушка" для фона. A сегодня почти последний день, когда я должен этот фон побороть (потом уже будет работа в полевых условиях в нехватке инструмента), если тупо всё подряд менять - похоже не успею. А надеяться на удачу - как-то стрёмно, больше верю в науку.

HELP.

Sau
« Последнее редактирование: Января 13, 2016, 12:18:23 pm от kwlw »
У меня - свой путь.

Bpjkznjh

  • Гость
Re: Помогите локализовать источник фона
« Ответ #1 : Января 13, 2016, 01:09:12 pm »
(отметка "MAIN BUS", стоит потенциометр гайна с одним концом в "землю")
Если это так - конкретный баг разработчика.
Поставь последовательно  с движком гейна несколько кОм.

kwlw

  • Сообщений: 2408
  • Тёплый, ламповый
    • Просмотр профиля
Re: Помогите локализовать источник фона
« Ответ #2 : Января 13, 2016, 01:36:49 pm »
Это мой баг  :-[ - не заметил последовательного резистора, с разработчиком - всё ОК. Вот как сделано:


Как понимаю, это просто заметка про схемотехнику. В исправно работающем усилителе фона не было (по отзывам). Он появился при старении. Ну ОУ исключаем. Конденсаторы в основном плёнка или разделительные. Не понимаю, как они могут на фон повлиять  :-/. Постоянка от питания прорывается? Но конденсатор пропустил бы её переменную составляющую всё равно.

Sau
« Последнее редактирование: Января 13, 2016, 01:38:30 pm от kwlw »
У меня - свой путь.

Bpjkznjh

  • Гость
Re: Помогите локализовать источник фона
« Ответ #3 : Января 13, 2016, 03:47:20 pm »
С33 проверь.

TylerDurden

  • Сообщений: 1447
  • Вы знакомы с м-ром Дерденом?
    • Просмотр профиля
Re: Помогите локализовать источник фона
« Ответ #4 : Января 13, 2016, 03:59:45 pm »
А попробуй закоротить C33 при заземлённом входе "MAIN BUS"?
Вообще, мне кажется, что С33 лучше поставить до R45.
« Последнее редактирование: Января 13, 2016, 04:03:29 pm от TylerDurden »
[size=9] Кто спер мою подпись? [/size]


ФёдорЫч

  • Сообщений: 1065
  • Long live Rock-n-Roll!!!
    • Просмотр профиля
    • E-mail
Re: Помогите локализовать источник фона
« Ответ #5 : Января 13, 2016, 04:02:15 pm »
Версия: началась "течка "у какого из защитных диодов (обратный ток имеется в виду) . Примерно 50 ком до общего , делитель -диод /50ком  . При включении в Р.А. IN  резистор меньше 50 ком ,падение меньше......  Я бы диоды выпаял и послушал "на фон". Авось.....

kwlw

  • Сообщений: 2408
  • Тёплый, ламповый
    • Просмотр профиля
Re: Помогите локализовать источник фона
« Ответ #6 : Января 13, 2016, 07:50:35 pm »
Не нашёл ничего. Питание чистое. Со злости поменял около 12 электролитов, смазал потенциометры. Ничего не поменялось, ибо ничиконы этого периода (не раз и не два сталкивался с этими синими аксиальными) - за 30 лет не практически не стареют и прилично работают. Как ловил преамп излучение транса, так и ловит. Петля где-то, или что-то чувствительное в области эквалайзера. Отодвигаешь от транса - стихает пропорционально расстоянию от него, ставишь на место - гул. Но как её найти, когда столько ПП вокруг - ума не приложу. Сам транс - тоже прилично лучит, но не так чтоб уже гитара в 3 метрах ловила бы.

Ну нет худа без добра. Теперь этот усилитель останется у меня на долго. Из принципа починю и оставлю гнить на мастерской.

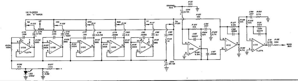
EDIT: посидел ещё вчера над усилителем. К своему удивлению нашёл, что графический эквалайзер постоянно подключён к точке MAIN-BUS,  а переключатели, которые его "выключают" - отрывают только вход. Все комбинации коммутации входа - на фон не влияют, но если поднимать НЧ (ползунками потенциометров) - фон усиливается. Всё это хозяйство находится почти рядом с силовым трансформатором.


Похоже, что я ещё что-то пропустил, ибо время такое, что уже, кажется, теряю  связь с реальностью. Если пропустить всё нытьё про физ. и псих. усталость, физ. боли - ещё добавилось и то, что ушёл дядько, что практически совпало с тем, что сегодня будет ровно два года, когда последний раз поговорил со своим отцом (на следующее утро он скончался). Как то умножили друг друга эти происшествия :(.

Кстати, пока ехал на работу - пришла мысль про экранировку от магнитного поля. Между схемой и трансформатором - есть пара см. Если взять например стальную пластину, намотать на её (ну покрыв скотчем) несколько слоёв провода и соединить конца резистором (ну чтоб нагрузка была). Оно как бы должно конвертировать переменное магнитное поле в электрическое, т.е. сжирать энергию МП. Б.У. намоточного провода навалом от "неудобных" вторичек силовых трансформаторов. Только под вопросом:
1. Эффективность такого мероприятия. Не факт, что искажение МП не будет просто "сосать" дополнительную энергию из трансформатора так уменьшая его эффективность, хотя, на такую мысль меня подтолкнуло то, что при экспериментах в своей теме, когда изучал наводки силового на выходной - заметил, что выходной транс хорошо закрывает другие части схемы от излучения.
2. Не нахватаю я других магнитных полей с такой "антенной". Может быть нужно как то на общий провод кинуть её через некоторую схему или что-то похожее.
3. Явления, про которые я даже не подозреваю.

Ещё что придумал - раз у моего осциллографа не хватает чувствительности, чтоб посмотреть что творится на "управляющих сетках" ОУ, есть возможность подключить высокоомный вход ЗК и посмотреть софтовым осциллографом. Только не совсем понимаю, как подействует на ОУ, когда на "управляющую сетку" подключю метр экранированного провода с компом на другом конце. Не получу хорошую антенну (не уверен как организованно сие мероприятие в фабричном осциллографе)? Волнуюсь по тому, что тыкать придётся там, где уже между оконечным каскадом и схемой - нет потенциометров регулирующих громкость и уровень сигнала. Можно ли "INPUT" оторвать от схемы и посадить на общий перед экспериментами? Всё равно бой идёт за "PREAMP OUT" и (или) "LINE OUT" выводы, которые должны были идти на пульт звукача.

Вот кусок схемы оконечника:


Если кому интересно - то здесь схема всего девайса

Sau
« Последнее редактирование: Января 14, 2016, 06:24:18 am от kwlw »
У меня - свой путь.

kwlw

  • Сообщений: 2408
  • Тёплый, ламповый
    • Просмотр профиля
Re: Помогите локализовать источник фона
« Ответ #7 : Января 14, 2016, 11:00:20 am »
Кстати, осциллограма помехи на выходе преампа - очень похожа на типичную осциллограму тока трансформатора вот фото из интернета (внизу):


Sau
У меня - свой путь.

razorgolf

  • Сообщений: 1115
  • GTLab - forever!
    • Просмотр профиля
Re: Помогите локализовать источник фона
« Ответ #8 : Января 14, 2016, 11:53:46 am »
Транс включен на 220 или на 240?(в схеме есть, как на самом деле) Есть ли разница по фону если переключать?
Не греется ли?(тут конечно померять бы ток х.х.)
Попадался транс, у которого был странный пробой, не на к.з., а на сопротивление. Соответственно он работал, но грелся больше, чем обычно, лучил и т д.

Насчёт магнитного экрана, только пробовать. Есть как положительный, так и отрицательный опыт с этим делом. Железо для него лучше потолще. А в остальном - надо представить, как идут магнитные линии и попытаться их замкнуть. Транс кстати с крышками?

kwlw

  • Сообщений: 2408
  • Тёплый, ламповый
    • Просмотр профиля
Re: Помогите локализовать источник фона
« Ответ #9 : Января 14, 2016, 12:21:08 pm »
Цитировать
Транс включен на 220 или на 240?(в схеме есть, как на самом деле) Есть ли разница по фону если переключать?
Не греется ли?(тут конечно померить бы ток х.х.)
Попадался транс, у которого был странный пробой, не на к.з., а на сопротивление. Соответственно он работал, но грелся больше, чем обычно, лучил и т д.
Есть отдельная тема про транс в разделе ремонта. Первым делом переключил на 240. Особой разницы не заметил. Возможно пара дб, но фон нужно угасить примерно на 20 :(

х.х. большой, но не греется. Первичка намотана довольно толстым проводом, а габариты скромные. Видимо такая задумка.

Цитировать
Насчёт магнитного экрана, только пробовать. Есть как положительный, так и отрицательный опыт с этим делом. Железо для него лучше потолще. А в остальном - надо представить, как идут магнитные линии и попытаться их замкнуть. Транс кстати с крышками?
 

Да, транс с крышками. Про магнитные линии почитал, про классический метод, когда линии замыкается как бы понял. Будет сложновато, ибо листов пермалойя покупать не буду, это уже дело принципа. Но что-нибудь придумаю. Ибо тема магнитного экранирования - актуальна в мире и разработки в этой области, как оказывается, коммерческая тайна. Но люди имеют положительные опыты от экспериментов с магнитным пластилином, до полуактивных систем компенсации.

Или тупо найду какой компонент/дорожка эту помеху ловит и устраню. Подозрение падает на операционники, придётся узнать которые из них подключены буфером, а которые с большим усилением. Придётся поучится, ибо час назад приятель уже поехал покупать другой усилитель, этот уже никому не нужен. Ну договорились что если починю этот, то сделаем сравнение, и если мой будет лучше, то он продаст тот что купил. Так что ещё есть шанс у этого пивика посверкать светодиодом на сцене :).

Sau
« Последнее редактирование: Января 14, 2016, 01:33:14 pm от kwlw »
У меня - свой путь.

Elick

  • Гость
Re: Помогите локализовать источник фона
« Ответ #10 : Января 14, 2016, 12:44:29 pm »
@ kwlw

А если транс разнести с устройством на некоторое расстояние, этот фон уменьшается? Мож где-то земля "кривая"? Тогда никакие экраны не спасут...

kwlw

  • Сообщений: 2408
  • Тёплый, ламповый
    • Просмотр профиля
Re: Помогите локализовать источник фона
« Ответ #11 : Января 14, 2016, 01:31:16 pm »
Цитировать
@ kwlw

А если транс разнести с устройством на некоторое расстояние, этот фон уменьшается? Мож где-то земля "кривая"? Тогда никакие экраны не спасут...

Так про именно это я и имел ввиду, когда писал вот это:
Цитировать
Как ловил преамп излучение транса, так и ловит. Петля где-то, или что-то чувствительное в области эквалайзера. Отодвигаешь от транса - стихает пропорционально расстоянию от него, ставишь на место - гул. Но как её найти, когда столько ПП вокруг - ума не приложу. Сам транс - тоже прилично лучит, но не так чтоб уже гитара в 3 метрах ловила бы.

Есть надежда, что петлю образовал не разработчик устройства, а некий деградировавший от старости компонент. Но вот найти его среди сотен деталек...

Поиск усложняет и то, что старались каждый кусочек платы использовать. В следствии чего некоторые компоненты - физически довольно отдалены от скопления их собратьев по каскаду. Это здорово усложняет поиск неисправности.

Ещё плата напичкана какими-то странными конденсаторами на 0.1мкф. Думал плёнка, но оказалось они маленькие и зелёные. Как диод размером. Никогда таких не встречал. Не знаю какой у них срок годности, но двое из них - похоже в прошлом меняли или выпаивали для проверки. Имея ввиду что их там десятками - не знаю, может пару выпаяю для проверки и я.

Sau
« Последнее редактирование: Января 14, 2016, 01:38:59 pm от kwlw »
У меня - свой путь.

razorgolf

  • Сообщений: 1115
  • GTLab - forever!
    • Просмотр профиля
Re: Помогите локализовать источник фона
« Ответ #12 : Января 14, 2016, 03:06:34 pm »
Ага, про транс увидел. И ведь помнил, что было, но где, забыл.
Собственно я привёл пример, когда деградировавшим элементом оказался сам транс.

А вот разглядев внимательно схему появился вопрос насчёт 6-й ноги U9b. Никогда в сумматорах не видел разделительных конденсаторов(С33). Как-то странно. И R45 для чего? С другой стороны почему бы и нет(хотя всё же ооочень странный узел). С33 проверялся(или менялся)?

kwlw

  • Сообщений: 2408
  • Тёплый, ламповый
    • Просмотр профиля
Re: Помогите локализовать источник фона
« Ответ #13 : Января 14, 2016, 06:10:00 pm »
Цитировать
С33 проверялся(или менялся)?

С33 проверялся, хороший, но профилактический был заменён самым первым.

Sau
У меня - свой путь.

razorgolf

  • Сообщений: 1115
  • GTLab - forever!
    • Просмотр профиля
Re: Помогите локализовать источник фона
« Ответ #14 : Января 14, 2016, 06:42:26 pm »
Если коротить не main bus, а непосредственно вход ОУ, фон останется? И что на U9b по постоянке?(по идее должно быть всё по нулям, но вдруг)
С35, R47 и R48 в порядке? Если закоротить на землю нижний конец R47, фон останется?

Bpjkznjh

  • Гость
Re: Помогите локализовать источник фона
« Ответ #15 : Января 14, 2016, 06:53:50 pm »
Цитировать
Если коротить не main bus, а непосредственно вход ОУ, фон останется? 
Коротить ни main bus, ни вход ОУ на общий в данном случае нельзя - вход U9B инвертирующий.

razorgolf

  • Сообщений: 1115
  • GTLab - forever!
    • Просмотр профиля
Re: Помогите локализовать источник фона
« Ответ #16 : Января 14, 2016, 08:17:25 pm »
Формально да, но по-моему в результате выход ОУ встанет на какое-то из питаний и всё. Тем более, что  kwlw это уже делал. Или  всего лишь укручивал в 0 регуляторы выхода каналов? Если второе, то есть смысл посмотреть, не лезет ли фон с постоянно подключенного эквалайзера. Посмотреть обвязку U11А, как наиболее близкого к трансформатору(если я правильно понял из картинок).

Ещё мне непонятен смысл резистора R70 в блоке питания, хотя вряд ли это имеет отношение к фону.

kwlw

  • Сообщений: 2408
  • Тёплый, ламповый
    • Просмотр профиля
Re: Помогите локализовать источник фона
« Ответ #17 : Января 15, 2016, 06:02:24 am »
Цитировать
Формально да, но по-моему в результате выход ОУ встанет на какое-то из питаний и всё. Тем более, что  kwlw это уже делал. Или  всего лишь укручивал в 0 регуляторы выхода каналов?
Только укручивал.

Цитировать
Ещё мне непонятен смысл резистора R70 в блоке питания, хотя вряд ли это имеет отношение к фону.

К питанию придираться не вижу смысла, ибо фон ясно зависит от расстояния до силового трансформатора. Да и при включении P.A. IN, когда фон исчезает - питание остаётся и питает тот самый U9, да и другие опампы на плате силовика. А слышимого фона - нет.

Я бы рад пройтись по каскадам, но всё-таки не понял, как правильно "заземлять сетку" этих проклятых треугольников :(. Как бы ясно по сигналу, где она, но вот наблюдатель правильно заметил - что с ними не всё так однозначно. Я пока не в силах даже по схеме установить - как эти ОУ подключены, буфером, сумматором и какой КУс у каждого получается. КУс по моему здесь имеет значение, если ловим помеху на "сеточный провод". Если что - я про использование ОУ учился наверное раза 4. Даже нас мучили всякие интегралы или что-то в этом роде с аналоговыми вычислительными машинами на них считать. Но из-за ненадобности, через пару лет - всегда эти небольшие познания стирались полностью, организм отвергает, ибо почти всегда столкновение с ОУ - это неприятные отношения, проблема :(. Видимо придётся открывать учебники и пятый раз изучать, а потом опять забыть на долго...

Пока не установлено помеха идёт по сигналу или по земле (петля) - сложновато, думаю, будет что-то кроме экранировки предпринять.  А с экранировкой сложно, ибо нужен или пермаллой, или что-то активное. Интересно, что-то более приземлённое, типа Выправить ленту ТС-180, и склеив мозаику-пластину из них попробовать плату прикрыть. Работы не мало, а вероятность неудачи - высокая, ибо не уверен что после такой процедуры будет толку от трансформаторной стали.

Sau
« Последнее редактирование: Января 15, 2016, 06:18:09 am от kwlw »
У меня - свой путь.

razorgolf

  • Сообщений: 1115
  • GTLab - forever!
    • Просмотр профиля
Re: Помогите локализовать источник фона
« Ответ #18 : Января 15, 2016, 01:07:12 pm »
Сначала я бы предположил, что помеха идёт по сигналу и проверил бы это. Для этого надо выпаять левый конец С33 и через 22к закоротить его на землю. Если фон пропадёт, то значит он лезет по сигналу. Если нет, тогда земля, либо что-то в той части схемы, которая в первом сообщении.

По поводу трансформаторной стали. Есть опыт использования для экранированиа постоянного магнитного поля, а точнее магнитов динамиков. Был намотан бутерброд из 4-х заглушек от компъютерных корпусов(одна заглушка на половину окружности), а сверху намотано три слоя железа от какого-то тора. Всё это затянуто хомутом и местами залито компаундом для фиксации. Элт-монитор на расстоянии полметра этих динамиков не чует(25гдн-1 что ли, не помню уже). До экранировки съезжали все цвета и размеры.

Если использовать трансформаторную сталь для экранировки транса, то самым сложным будет обеспечить её неподвижность. Иначе будет звон. Поэтому когда нужно было заэкранировать трансформатор, просто попросил знакомых сварить из Ст.3 3мм толщиной коробочку с крышкой и засунул транс внутрь. Вопрос с наводками тоже решился.

« Последнее редактирование: Января 15, 2016, 01:15:50 pm от razorgolf »

kwlw

  • Сообщений: 2408
  • Тёплый, ламповый
    • Просмотр профиля
Re: Помогите локализовать источник фона
« Ответ #19 : Января 15, 2016, 07:55:11 pm »
Собрал на макетке отдельный БП для преампа, что открывает новые возможности тестирования без риска спалить оконечник. Да и удобнее на столе расположить всё хозяйство без 15кг бандуры. Пока ими не воспользовался во все сто, но попробовал взять в руку маленький транс этого БП и пошевелить в пространстве им. Очертил зону наибольшей чувствительности.

Там находятся U9 и U10, что интересно - U11 в разы меньше чувствительнее. Нужно вплотную поднести транс, чтоб уже услышать гул. А вот обведённая зона - отлично "слышит" трансик и из 10 сантиметров.

Sau
« Последнее редактирование: Января 15, 2016, 07:55:36 pm от kwlw »
У меня - свой путь.