Автор Тема: дайте совет по светодиодному индикатору  (Прочитано 4112 раз)

0 Пользователей и 1 Гость просматривают эту тему.

Tinki-Vinki

  • Сообщений: 331
  • GTLab - forever!
    • Просмотр профиля
 Доброго всем времени суток!
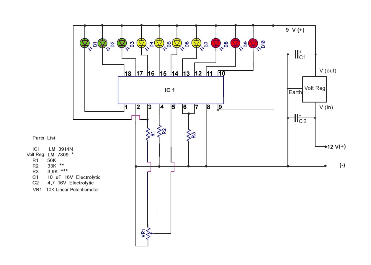
 Ломаю голову над такой задачей и с удовольствием выслушаю совет мудрых.  Есть потенциометр В100К, который можно включать как угодно, есть питание 9В стабилизированное и 9  3мм ( если есть меньшего диаметра - подскажите) светодиодов. Задача: сделать так, чтобы при вращении потенциометра   последовательно загорались диоды, или  только один диод соответствующий положению вала, хотя я думаю это труднее реализовать. В общем простая индикация в темноте положения вала потенциометра. Понятно, что можно  сделать на ключах, но это слишком громоздко. Возможно есть какое то более простое решение?  пока лучшее и простое вижу в схеме на LM3914 но, работает ли она от постоянного напряжения по входу?
Заранее благодарю за любой полезный ответ! Вы мне уже много раз помогали.
« Последнее редактирование: Сентября 16, 2016, 07:38:06 am от TV »

new_man

  • Сообщений: 2053
  • GtLab.Net
    • Просмотр профиля
    • E-mail
Re: дайте совет по светодиодному индикатору
« Ответ #1 : Сентября 16, 2016, 07:45:30 am »
Вах, пока читал - текст изменился. Отвечаю на первую редакцию.
UAA180 ни разу не логарифмический индикатор, а натурально линейный.

Tinki-Vinki

  • Сообщений: 331
  • GTLab - forever!
    • Просмотр профиля
Re: дайте совет по светодиодному индикатору
« Ответ #2 : Сентября 16, 2016, 11:23:19 am »
new_man, благодарю! В даташите на LM3914 написано что он линейный. В сети схемы на UAA180 называют логарифмическим индикатором.

Peratron

  • Сообщений: 13579
  • GTLab - forever!
    • Просмотр профиля
    • E-mail
Re: дайте совет по светодиодному индикатору
« Ответ #3 : Сентября 16, 2016, 02:03:01 pm »
Вообще-то задачка для МК - на один вечер.

ХИНТ: был недоделанный проектик - универсальный "потенциометр" на базе энкодера и световой шкалы на СД (24 шт).
Ставится на место обычного пота - в тех же размерах, за исключением дополнительной круглой поляны с СД.
Впрочем, тему не завершил - потому это так, ассоциативно...
Схемотехническая мантра: титцешенкохоровицехилл. Повторять до просветления...

Tinki-Vinki

  • Сообщений: 331
  • GTLab - forever!
    • Просмотр профиля
Re: дайте совет по светодиодному индикатору
« Ответ #4 : Сентября 16, 2016, 04:50:00 pm »
Peratron, ну вот научили бы с энкодером дружить.

Bpjkznjh

  • Гость
Re: дайте совет по светодиодному индикатору
« Ответ #5 : Сентября 16, 2016, 05:57:37 pm »
А я б поразмыслил насчёт перекрываемого подсвечиваемого сектора.

Peratron

  • Сообщений: 13579
  • GTLab - forever!
    • Просмотр профиля
    • E-mail
Re: дайте совет по светодиодному индикатору
« Ответ #6 : Сентября 16, 2016, 10:23:01 pm »
Цитировать
Peratron, ну вот научили бы с энкодером дружить.
Бери МК - что б не ломаться на начальном этапе, то готовую ардуень: вот эту нанку (http://www.arduino-ic.ru/products/arduino/276/277/)


или миньку: (http://www.arduino-ic.ru/products/arduino/276/25944/)


бери хлеборезку (беспаечную макетницу), втыкай в неё ардуень, светодиоды, качай бесплатный софт для программирования и рисуй программку.

Это реально несложно.

Если что - можешь задавать вопросы по ходу дела. Но в сети информационная поддержка по ардуени - огромная. всё разжёвано и море мест, где можно пообщаться на эту тему...

ХИНТ: я на основе МК проработал концепцию смарт-индикатора для единственного СД в классической гитарной примочке - ведь помимо традиционного вкл/выкл ФХ, на этот индикатор можно вывести разнообразную информацию (вплоть до счётчика наработки батарейки с предупреждением о необходимости замены) и другие фишки...
МК - восьминожка с минимальной обвязкой.
Вот картинко - примока Е20 с таким индикатором в мелкой гайнте:

Схемотехническая мантра: титцешенкохоровицехилл. Повторять до просветления...

kwlw

  • Сообщений: 2408
  • Тёплый, ламповый
    • Просмотр профиля
Re: дайте совет по светодиодному индикатору
« Ответ #7 : Сентября 17, 2016, 04:13:42 am »
Цитировать
МК - восьминожка с минимальной обвязкой.

Ардуень из первого фото в случае топикастера - заметно выгодней осминожки по простому поводу, что там куча выводов и больше памяти. Для новичков мультиплексирование выходов всякими там внешними буферами да регистрами - дело не то что самое простое. Лучше в таком случае уж напрямую цеплять диоды на ножки меги (в протеусе в том числе - для отладки первых шагов ;)). А уж только потом начинаешь задавать себе вопрос - "а нафига мне тут мегу ставить, если можно дешёвку тини".

А так, идея Наблюдателя с затемнением/засветкой сектора - очень даже неплохая. Световод из прозрачного пластика + кружок из непрозрачного и казалось бы всё. Но есть проблема с тем, что тогда лучше делать внешний круг индикации - цельным. А это уже проблема, если фальшпанель не прозрачная. Т.е. придётся фрезеровать. В принципе ничего сложного с дремелом и куском фанеры, но всё таки сложнее, чем насверлить скажем 10 дырок.

Sau
P.S. LAB3
http://www.arduinoclassroom.com/index.php/arduino-101/chapter-8
« Последнее редактирование: Сентября 17, 2016, 04:26:08 am от kwlw »
У меня - свой путь.

kwlw

  • Сообщений: 2408
  • Тёплый, ламповый
    • Просмотр профиля
Re: дайте совет по светодиодному индикатору
« Ответ #8 : Сентября 17, 2016, 04:23:32 am »
Цитировать
пока лучшее и простое вижу в схеме на LM3914 но, работает ли она от постоянного напряжения по входу?



Sau
У меня - свой путь.

Peratron

  • Сообщений: 13579
  • GTLab - forever!
    • Просмотр профиля
    • E-mail
Re: дайте совет по светодиодному индикатору
« Ответ #9 : Сентября 17, 2016, 12:36:31 pm »
Цитировать
Ардуень из первого фото в случае топикастера - заметно выгодней осминожки по простому поводу, что там куча выводов и больше памяти. Для новичков мультиплексирование выходов всякими там внешними буферами да регистрами - дело не то что самое простое.
Восьминожка - это только для смарт-индикатора на одном диоде.
Для многоточечного индикатора разумеется нужна как минимум МЕГА8.

ХИНТ: минимальная ардуень - это МЕГА8 с парой резисторов в обвязке  8-)
Стандартная ардуень нужна только на этапе отладки - после отладки программы всё прошивается в один чип, который и используется в боевом гаджете...
Схемотехническая мантра: титцешенкохоровицехилл. Повторять до просветления...

KMG

  • Сообщений: 3776
    • ICQ клиент - 412221711
    • AOL клиент - Mike
    • Просмотр профиля
    • E-mail
Re: дайте совет по светодиодному индикатору
« Ответ #10 : Сентября 17, 2016, 03:08:48 pm »
В случае такой тривиальной (по алгоритму) функции, я бы ставил тиньку а к ней I2C(PCF8584...) или SPI(74НС594/595...) I/O.
В этом случае количество светодиодов не зависит от количества выводов AVR-а.

Peratron

  • Сообщений: 13579
  • GTLab - forever!
    • Просмотр профиля
    • E-mail
Re: дайте совет по светодиодному индикатору
« Ответ #11 : Сентября 17, 2016, 05:06:50 pm »
На восьминожке можно соорудить до 10 пикселей - в простом варианте, и до 25 пикселей - если использовать матрицу 5х5...
« Последнее редактирование: Сентября 17, 2016, 05:10:46 pm от peratron »
Схемотехническая мантра: титцешенкохоровицехилл. Повторять до просветления...

KMG

  • Сообщений: 3776
    • ICQ клиент - 412221711
    • AOL клиент - Mike
    • Просмотр профиля
    • E-mail
Re: дайте совет по светодиодному индикатору
« Ответ #12 : Сентября 18, 2016, 01:26:47 pm »
Еще насчет тиньки, если использовать RST как порт (фьюз "RSTDISBL"), то перепрошить ее можно будет только HV-Programming.

Tinki-Vinki

  • Сообщений: 331
  • GTLab - forever!
    • Просмотр профиля
Re: дайте совет по светодиодному индикатору
« Ответ #13 : Сентября 20, 2016, 07:07:50 am »
огромное спасибо за науку! Скорее всего остановлюсь на механике - перекрытии ненужных всегда горящих  светодиодов. городить в простой грелке программирующиеся схемы не целесообразно.
« Последнее редактирование: Сентября 20, 2016, 07:08:11 am от TV »

kwlw

  • Сообщений: 2408
  • Тёплый, ламповый
    • Просмотр профиля
Re: дайте совет по светодиодному индикатору
« Ответ #14 : Сентября 20, 2016, 07:52:29 am »
Если будете пробовать вырезать отверстия в корпусе - вон пример секторарезки/кругорезки/дугорезки. Надеюсь принцип понятен (вставляем в отверстие для оси потенциометра ось кругореза и потом уж режем как можем):


Всякие там лазеры и прочие ЧПУ это конечно хорошо, но умелые руки, про просверленным дыркам и напильником умудряются красиво сделать :)

Sau
« Последнее редактирование: Сентября 20, 2016, 07:54:32 am от kwlw »
У меня - свой путь.

Peratron

  • Сообщений: 13579
  • GTLab - forever!
    • Просмотр профиля
    • E-mail
Re: дайте совет по светодиодному индикатору
« Ответ #15 : Сентября 20, 2016, 09:20:19 am »
Цитировать
городить в простой грелке программирующиеся схемы не целесообразно.
С точностью до наоборот.
Но это уже личный выбор разработчика (понимание им широты и глубины задачи).

ХИНТ: на один единственный светодиод можно вывести море полезной информации - что существенно облегчит эксплуатацию примочки.
К примеру - индикация заряда батарейки. Для концертирующего музыканта это чрезвычайно полезно - если примочка заранее предупредит о необходимости сменить батарейку.

Другой вариант - управление переключением при помощи длительности нажатия: на одну кнопку можно повесить два или более эффектов.

Ну, и т.д., и т.п.
Схемотехническая мантра: титцешенкохоровицехилл. Повторять до просветления...