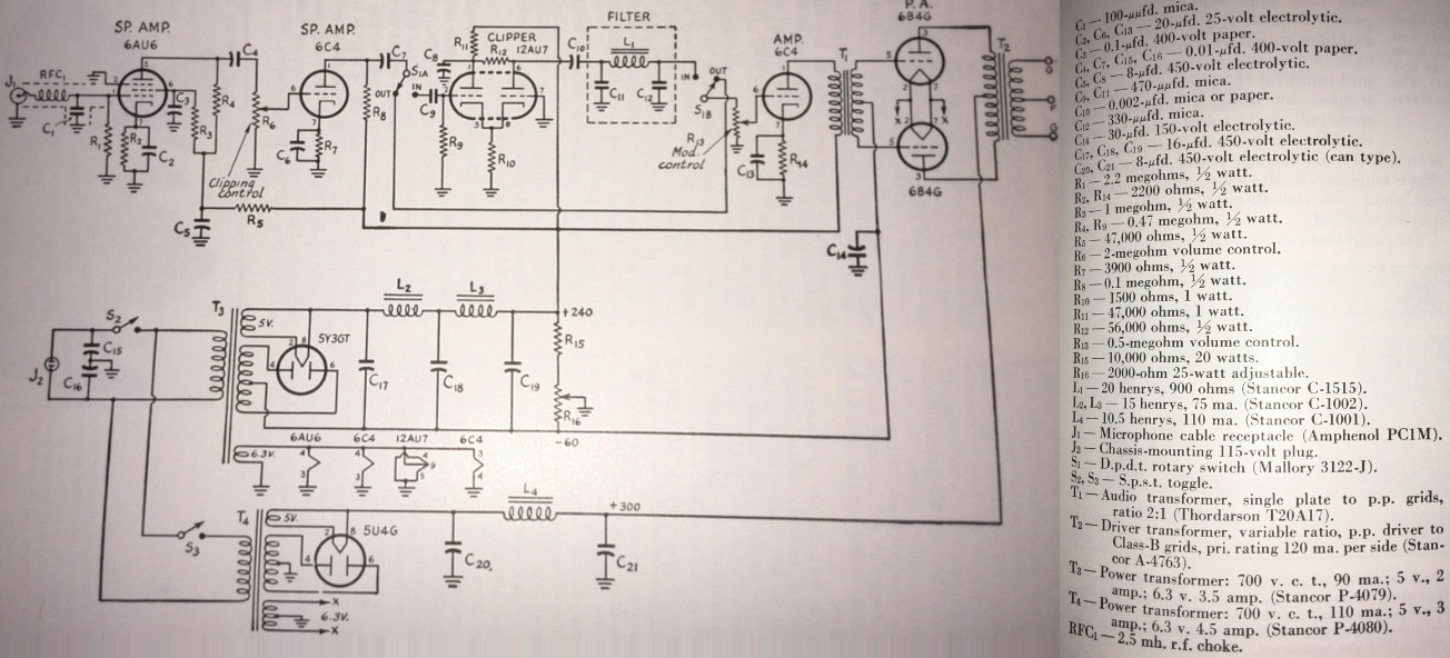
Была похожая схема искажалки, автор Rst7.
Была (да и есть) такая. У меня все было просто - сначала вся коррекция АЧХ (с усилением, но без особого фанатизма), а потом просто примерно такой дифф-каскад (но с заметно меньшим током покоя, я брал 100мкА на триод, в сумме - 200), потом ТБ. Так я делал перегруз. Ну работает. Мне нравится.
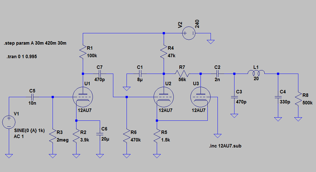
А вот чистый я делал очень похоже на схему этого сатуратора. В начале каскад усиления, потом в качестве отбеливающего фильтра ФВЧ (чуть ли не 100пФ/1МОм), потом опять каскад усиления, потом фендеровский ТБ, потом диффкаскад в качестве ограничителя, а потом комплементарный к характеристике отбеливателя ФНЧ. Очень интересная штука получилась. Начинаешь играть на малом гейне, хочется добавить, добавляешь, играешь, опять хочется, опять добавляешь. Останавливаешься когда понимаешь, что уже нифига даже не кранч

))
Кстати, очень прикольно работает с басом.