Автор Тема: Собираем Mesa Boogie Dual Rectifier  (Прочитано 119616 раз)

0 Пользователей и 1 Гость просматривают эту тему.

Skvorechnik

  • Сообщений: 8
  • Твой Друг
    • Просмотр профиля
    • E-mail
Re: Собираем Mesa Boogie Dual Rectifier
« Ответ #3360 : Июня 29, 2014, 10:34:52 pm »
Я еще даже не начинал, никуда не тороплюсь)
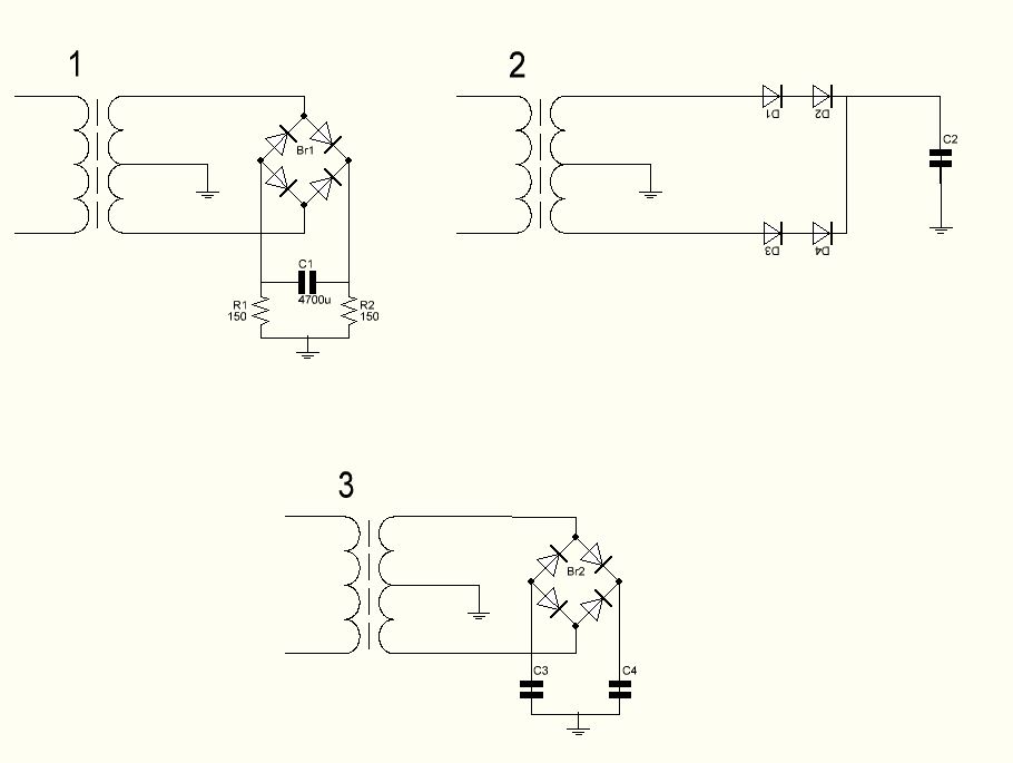
Такой вопрос: как правильно выпрямить накал, если обмотка со средней точкой? У меня сейчас первый вариант, второй нарисовал по аналогии с анодной, а третий нашел где-то в гугле. (рисовал на скорую руку, сильно не бейте)  :)

sk

  • Гость
Re: Собираем Mesa Boogie Dual Rectifier
« Ответ #3361 : Июня 30, 2014, 04:37:17 am »
А что,эту среднюю точку нельзя отсоединить?
Эти два резистора как раз и создают ее.
И еще,сколько ламп будут питаться от этого(сх.1)узла?
4700 мкФ для двух ламп хватит,а если больше,то емкость нужно увеличить.

Dmitry_Sugubeishiy

  • Сообщений: 9
  • Viva La Republica!
    • ICQ клиент - 3782164646
    • Просмотр профиля
    • E-mail
Re: Собираем Mesa Boogie Dual Rectifier
« Ответ #3362 : Июня 30, 2014, 07:34:52 am »
Правильный вариант номер 2. По 2 диода незачем ставить - на накал какраз лучше поставить сборку диодов шоттки (2 диода со средней точкой на катоде) на ток около 30А и прикрутить на радиатор - шоттки дадут меньшее падение напряжения накала и меньше греться будут чем обычные. Поставить парочку электролитов, как уже сказали емкость зависит от тока (кол-ва накалов и их мощности). Но надо-ж еще понимать какое напряжение будет после выпрямления.
« Последнее редактирование: Июня 30, 2014, 07:38:13 am от Sugubeishiy »

sk

  • Гость
Re: Собираем Mesa Boogie Dual Rectifier
« Ответ #3363 : Июня 30, 2014, 08:24:33 am »
По сх.2 будет 3 вольта(ну,чуть больше) на выходе.
Это если я правильно понял,что обмотка(вся)выдает 6.3 вольта.

smex03

  • Сообщений: 1337
  • GTLab - forever!
    • Просмотр профиля
    • E-mail
Re: Собираем Mesa Boogie Dual Rectifier
« Ответ #3364 : Июля 01, 2014, 02:34:13 pm »
Skvorechnik

Я бы делал по первому варианту, только два резистора по 150 Ом убрал бы, они не к чему когда у вторичке есть средный вывод с обмотки который можно кинуть на землю.

з.ы. При необходимости, как говорил камрад toiler, емкость увиличить.
« Последнее редактирование: Июля 01, 2014, 02:34:49 pm от smex03 »

Santjago

  • Сообщений: 377
  • Hard As A Rock
    • Просмотр профиля
    • E-mail
Re: Собираем Mesa Boogie Dual Rectifier
« Ответ #3365 : Июля 01, 2014, 10:48:08 pm »
@ Skvorechnik

Т.е. у тебя общая накальная для оконечника и для преда? Ты хочешь оконец запитать от переменки, а для преда выпрямить, верно? Смотри как реализовано в DSL1000.
« Последнее редактирование: Июля 01, 2014, 10:48:30 pm от Santjago »

Skvorechnik

  • Сообщений: 8
  • Твой Друг
    • Просмотр профиля
    • E-mail
Re: Собираем Mesa Boogie Dual Rectifier
« Ответ #3366 : Июля 21, 2014, 04:03:19 pm »
Всем привет, долго не появлялся, вот набросал в спринте печатки: http://rghost.ru/57018369
Прошу указать на ошибки  :)

Дмитрий Ткаченко

  • Сообщений: 1067
  • Русские не сдаются!
    • ICQ клиент - 365172210
    • Просмотр профиля
    • E-mail
Re: Собираем Mesa Boogie Dual Rectifier
« Ответ #3367 : Августа 15, 2014, 07:54:39 pm »
Вот полный архив из первого поста, прошу админа поменять ссылку, новичкам проще будет ориентироваться)
http://my-files.ru/DownloadSave/mm9zbl/MBDR.zip
« Последнее редактирование: Августа 15, 2014, 08:23:39 pm от ipf »
Telecaster (Custom H+H)->TS-9 (DIY)->JCM800 (DIY) -> 1X12 Seventy 80 Cab (DIY) / Impulse

texman

  • Сообщений: 4058
  • GTLab - forever!
    • Просмотр профиля
    • E-mail
Re: Собираем Mesa Boogie Dual Rectifier
« Ответ #3368 : Августа 15, 2014, 08:05:57 pm »
@ Sandman

Так вроде все самое интересное (pdf-ку) я "перевыложил" на лист (168) раньше, если нужен архив именно фоток, то могу и его:

https://www.sendspace.com/file/f41t2g
Ставь старуха самовар, будем слушать MANOWAR!

Дмитрий Ткаченко

  • Сообщений: 1067
  • Русские не сдаются!
    • ICQ клиент - 365172210
    • Просмотр профиля
    • E-mail
Re: Собираем Mesa Boogie Dual Rectifier
« Ответ #3369 : Августа 15, 2014, 08:53:36 pm »
спасибо))) как видишь тоже выложил)) случайно нашел у себя полный архив... 1000 летней давности....
Telecaster (Custom H+H)->TS-9 (DIY)->JCM800 (DIY) -> 1X12 Seventy 80 Cab (DIY) / Impulse

sector

  • Сообщений: 115
  • GtLab.Net forever!
    • Просмотр профиля
    • E-mail
Re: Собираем Mesa Boogie Dual Rectifier
« Ответ #3370 : Августа 21, 2014, 06:51:18 am »
вот нарисовал печатку к этому устройству. может кто проверить на работоспособность?http://rusfolder.net/files/41513708
engl e530 slorectotwin anvil preamp soldano slo 100 delay dm-5

Skvorechnik

  • Сообщений: 8
  • Твой Друг
    • Просмотр профиля
    • E-mail
Re: Собираем Mesa Boogie Dual Rectifier
« Ответ #3371 : Августа 24, 2014, 11:53:51 am »
Цитировать
вот нарисовал печатку к этому устройству. может кто проверить на работоспособность?
ты точно тот файл выложил? там в архиве печатка с реле, как у Naigenoir

Слава

  • Сообщений: 405
  • GTLab - forever!
    • ICQ клиент - 244222247
    • Просмотр профиля
    • E-mail
Re: Собираем Mesa Boogie Dual Rectifier
« Ответ #3372 : Августа 25, 2014, 07:19:52 am »
Добрый день всем! вопрос собственно такой:помнится мне кто-то из форумчан собирал преамп данного усилителя в корпусе гаинты.ни у кого случаем печатки не найдется?
странно...вроде нет арабских корней, а отверстия на плате сверлю справа налево...

sector

  • Сообщений: 115
  • GtLab.Net forever!
    • Просмотр профиля
    • E-mail
Re: Собираем Mesa Boogie Dual Rectifier
« Ответ #3373 : Августа 26, 2014, 01:44:55 pm »
Цитировать
Цитировать
вот нарисовал печатку к этому устройству. может кто проверить на работоспособность?
ты точно тот файл выложил? там в архиве печатка с реле, как у Naigenoir
файл точно тот.там шесть вкладок.это ты только первую увидел)))
engl e530 slorectotwin anvil preamp soldano slo 100 delay dm-5

Дмитрий Ткаченко

  • Сообщений: 1067
  • Русские не сдаются!
    • ICQ клиент - 365172210
    • Просмотр профиля
    • E-mail
Re: Собираем Mesa Boogie Dual Rectifier
« Ответ #3374 : Августа 29, 2014, 05:27:53 pm »
можете меня поздравить я собрал свою ректу))) все работает)))
Telecaster (Custom H+H)->TS-9 (DIY)->JCM800 (DIY) -> 1X12 Seventy 80 Cab (DIY) / Impulse

Santjago

  • Сообщений: 377
  • Hard As A Rock
    • Просмотр профиля
    • E-mail
Re: Собираем Mesa Boogie Dual Rectifier
« Ответ #3375 : Сентября 01, 2014, 10:07:48 am »
@ Sandman

Ну так поделился бы хоть одной фоткой  :)
« Последнее редактирование: Сентября 01, 2014, 10:07:57 am от Santjago »

Дмитрий Ткаченко

  • Сообщений: 1067
  • Русские не сдаются!
    • ICQ клиент - 365172210
    • Просмотр профиля
    • E-mail
Re: Собираем Mesa Boogie Dual Rectifier
« Ответ #3376 : Сентября 01, 2014, 02:33:21 pm »
Пока что вот так:





Telecaster (Custom H+H)->TS-9 (DIY)->JCM800 (DIY) -> 1X12 Seventy 80 Cab (DIY) / Impulse

Santjago

  • Сообщений: 377
  • Hard As A Rock
    • Просмотр профиля
    • E-mail
Re: Собираем Mesa Boogie Dual Rectifier
« Ответ #3377 : Сентября 01, 2014, 03:35:09 pm »
@ Дмитрий Ткаченко

Молоток!

Дмитрий Ткаченко

  • Сообщений: 1067
  • Русские не сдаются!
    • ICQ клиент - 365172210
    • Просмотр профиля
    • E-mail
Re: Собираем Mesa Boogie Dual Rectifier
« Ответ #3378 : Сентября 01, 2014, 03:51:06 pm »
теперь бы еще студио преамп осилить и все четко!
Telecaster (Custom H+H)->TS-9 (DIY)->JCM800 (DIY) -> 1X12 Seventy 80 Cab (DIY) / Impulse

Слава

  • Сообщений: 405
  • GTLab - forever!
    • ICQ клиент - 244222247
    • Просмотр профиля
    • E-mail
Re: Собираем Mesa Boogie Dual Rectifier
« Ответ #3379 : Сентября 21, 2014, 03:31:03 am »
Цитировать
вот нарисовал печатку к этому устройству. может кто проверить на работоспособность?http://rusfolder.net/files/41513708
Ваша версия печатной платы удачно стыкуется с шасси усилителя Beag aex 250. Придётся внести небольшие коррективы, но это не проблема.  ;) спасибо. Буду проверять ;)
странно...вроде нет арабских корней, а отверстия на плате сверлю справа налево...