Автор Тема: Собираем Mesa Boogie Dual Rectifier  (Прочитано 119566 раз)

0 Пользователей и 1 Гость просматривают эту тему.

Дмитрий Ткаченко

  • Сообщений: 1067
  • Русские не сдаются!
    • ICQ клиент - 365172210
    • Просмотр профиля
    • E-mail
Re: Собираем Mesa Boogie Dual Rectifier
« Ответ #1800 : Декабря 24, 2009, 05:42:28 am »
тогда получается там 510к + 2,2нана. хм интересно зачем это делается 2мя частями, почему не влепить сразу 510?
Telecaster (Custom H+H)->TS-9 (DIY)->JCM800 (DIY) -> 1X12 Seventy 80 Cab (DIY) / Impulse

BJIAD

  • Сообщений: 32
  • GTLab - forever!
    • Просмотр профиля
    • E-mail
Re: Собираем Mesa Boogie Dual Rectifier
« Ответ #1801 : Января 04, 2010, 09:31:07 am »
А какой ток нужен для 6L6 и 12AX7 в оконечнике? Пытался сам посчитать, но столкнулся с проблемами. Первый раз посчитал получил 45 мА на лампу для 6L6, потом увидел, что график ВАХ ультролинейный, а в оконечнике там, вроде, не такой, а пентодный, поправте, если ошибаюсь. Так вот, нашёл пентодный, но там нет смещения в 50 В и, насколько я понял, 460 В это питание, часть которого упадёт на анодной нагрузке, величину которой я не знаю, так что рассчитать тут тоже не получится. Взялся за 12АХ7, питание известно, напряжение покоя тоже 280, взял график ВАХ, отметил 280 и понял, что напряжение смещения не знаю, оно там автоматическое. Стал его считать. Для того, чтобы его узнать нужно узнать ток покоя. Стал его вычислять. Сделал так, из питания вычел напряжение покоя и результат разделил на анодный резистор, получил 1.73 мА. Отметил на графике, получил смещение в - 2.1 В. Стал проверять катодный резистор (он же обеспечивает смещение при автомате?). Там написано 470R, я так понял это Ом. Что бы узнать его нужно напряжение  смещения разделить на ток покоя, получилось 3 кОм. В общем, насчитал я всё не правильно, зря мучился пару дней. Если можно, расскажите как это делается? И токи для этих ламп скажите, пожалуйста.
ЗЫ. За совсем тупые рассуждения звеняйте :)

siwang

  • Сообщений: 50
  • GTLab - forever!
    • Просмотр профиля
    • E-mail
Re: Собираем Mesa Boogie Dual Rectifier
« Ответ #1802 : Января 05, 2010, 03:36:59 pm »
Цитировать
тогда получается там 510к + 2,2нана. хм интересно зачем это делается 2мя частями, почему не влепить сразу 510?
Потому что там !!!!ДВА!!! канала, и полюбому что-то нужно коммутировать. проще коммутировать параллельное соединение, поэтому сделали 2М2+680к, а не например 510к+1М5 последовательно.
LTD SC-600 (SD SH-8b/ SD designed SH-2n). DIY: marshall BB-2, krank Dm, JCM800 pre, Bogner Sharp pre, Mesa Mark iv pre, Cab 1x12(Celestion G12k).

KurtOchka

  • Сообщений: 585
  • GTLab - forever!
    • ICQ клиент - 383970879
    • Просмотр профиля
    • E-mail
Re: Собираем Mesa Boogie Dual Rectifier
« Ответ #1803 : Января 08, 2010, 07:09:06 pm »
Кто пробивал ЕЛ34 в оконечнике? Какие впечатления в сравнении с 6л6?

Nerguss

  • Сообщений: 185
  • MetallicA - forever!
    • ICQ клиент - 266919226
    • Просмотр профиля
    • E-mail
Re: Собираем Mesa Boogie Dual Rectifier
« Ответ #1804 : Января 08, 2010, 08:31:19 pm »
помягче звук должен быть.

Cronos

  • Сообщений: 132
  • GTLab - forever!
    • ICQ клиент - 354220158
    • Просмотр профиля
    • E-mail
Re: Собираем Mesa Boogie Dual Rectifier
« Ответ #1805 : Января 10, 2010, 02:08:34 pm »
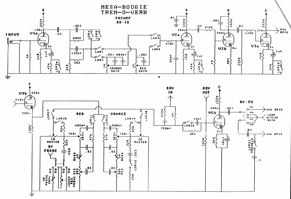
вопрос по поводу dual rectifier и trem-o-verb.если глянуть на ТБ каналов в этих усилках, то в dual rectifier между ТБ red и orange есть резистор 1М, а в trem-o-verb'е его нет.в чем цимус этого резистора?
Krank Distortus Maximus, Slo-recto-twin, JCM800 Medved mod -долгострой, 6п6с PP, Alembic-в процессе, TS-808 Keely mod, DIY Mesa Boogie Dual rectifier г.Краснодар

KurtOchka

  • Сообщений: 585
  • GTLab - forever!
    • ICQ клиент - 383970879
    • Просмотр профиля
    • E-mail
Re: Собираем Mesa Boogie Dual Rectifier
« Ответ #1806 : Января 10, 2010, 04:03:05 pm »
Дуале две эквалайзера и потому что бы не щелкало, резистор стоит. В тремовербе один эквалайзер на перегрузе потому и нет этого резистора. У меня ректоверб, очень зачетный комбо! Чистый кристальный в сторону фендера.

Cronos

  • Сообщений: 132
  • GTLab - forever!
    • ICQ клиент - 354220158
    • Просмотр профиля
    • E-mail
Re: Собираем Mesa Boogie Dual Rectifier
« Ответ #1807 : Января 10, 2010, 06:20:45 pm »
в тремовербе два эквалайзера и два канала, оранж и ред.глянь схему. канал ред меня радует, а вот оранж не рыбо, ни мясо.
Krank Distortus Maximus, Slo-recto-twin, JCM800 Medved mod -долгострой, 6п6с PP, Alembic-в процессе, TS-808 Keely mod, DIY Mesa Boogie Dual rectifier г.Краснодар

KurtOchka

  • Сообщений: 585
  • GTLab - forever!
    • ICQ клиент - 383970879
    • Просмотр профиля
    • E-mail
Re: Собираем Mesa Boogie Dual Rectifier
« Ответ #1808 : Января 11, 2010, 11:00:32 am »
Ставили 1 мег что меньше щелкало. Не заморачивайся.

Anton125

  • Сообщений: 94
    • Просмотр профиля
    • E-mail
Re: Собираем Mesa Boogie Dual Rectifier
« Ответ #1809 : Января 13, 2010, 07:30:09 am »
Помогите разобраться с петлей эффектов. Send level я как понял уровень выходного сигнала на схеме его я нашел, а вот пот. который отвечает за mix это loop activ master по схеме вроде так? Не могу найти solo.
« Последнее редактирование: Января 13, 2010, 07:30:59 am от anton125 »

KurtOchka

  • Сообщений: 585
  • GTLab - forever!
    • ICQ клиент - 383970879
    • Просмотр профиля
    • E-mail
Re: Собираем Mesa Boogie Dual Rectifier
« Ответ #1810 : Января 13, 2010, 09:05:42 am »
Цитировать
Помогите разобраться с петлей эффектов. Send level я как понял уровень выходного сигнала на схеме его я нашел, а вот пот. который отвечает за mix это loop activ master по схеме вроде так? Не могу найти solo.

Пот мик это микс. Луп актив это по сути мастер, а соло, его на старых схем нету, только на 3х каналке, ректо верб, тремоверб...

Anton125

  • Сообщений: 94
    • Просмотр профиля
    • E-mail
Re: Собираем Mesa Boogie Dual Rectifier
« Ответ #1811 : Января 13, 2010, 06:56:44 pm »
Вот теперь все понятно в другую схему смотрел. А какую петлю лучше собрать от 2х или от 3х канального. В двух канальном получается и регулировки микса нет.
« Последнее редактирование: Января 13, 2010, 07:00:48 pm от anton125 »

Tornvald

  • Сообщений: 106
  • GtLab.Net forever!
    • Просмотр профиля
    • E-mail
Re: Собираем Mesa Boogie Dual Rectifier
« Ответ #1812 : Января 14, 2010, 06:52:38 pm »
Извините за совсем дурацкий вопрос... Я в этом деле ноль полный... А какой мощности получается голова? Неужели 100 ватт? Можно ли ее сделать ватт этак 10?

Anton125

  • Сообщений: 94
    • Просмотр профиля
    • E-mail
Re: Собираем Mesa Boogie Dual Rectifier
« Ответ #1813 : Января 15, 2010, 08:46:52 am »
Сделать можно все) Но советую собрать преамп отдельно от усилка так более универсально да и косяки вылавливать легче.

Tornvald

  • Сообщений: 106
  • GtLab.Net forever!
    • Просмотр профиля
    • E-mail
Re: Собираем Mesa Boogie Dual Rectifier
« Ответ #1814 : Января 15, 2010, 01:58:43 pm »
уже подумал насчет этого, даже текстолит для плат нашел на работе.
Какие изменения в схеме делать нужно?

Hateks (S.T.A Custom)

  • Сообщений: 972
  • GTLab - forever!
    • ICQ клиент - 5790949
    • Просмотр профиля
    • E-mail
Re: Собираем Mesa Boogie Dual Rectifier
« Ответ #1815 : Января 15, 2010, 10:56:22 pm »
2BJIAD  на счет отстройки оконечника на те или иные типы ламп то вот ссылка http://www.webervst.com/tubes1/calcbias.htm
Выдает параметры.И считать особо надо...НО перепроверять всегда стоит!Сами знаете,в нашем деле никак без этого
« Последнее редактирование: Января 15, 2010, 10:56:49 pm от hateks »
S.T.A Custom preamps

Anton125

  • Сообщений: 94
    • Просмотр профиля
    • E-mail
Re: Собираем Mesa Boogie Dual Rectifier
« Ответ #1816 : Января 16, 2010, 05:34:01 am »
Цитировать
уже подумал насчет этого, даже текстолит для плат нашел на работе.
Какие изменения в схеме делать нужно?

Ну в общем то никаких собирай один преамп и все, блок питания будит много слабже. 
« Последнее редактирование: Января 16, 2010, 05:34:48 am от anton125 »

KurtOchka

  • Сообщений: 585
  • GTLab - forever!
    • ICQ клиент - 383970879
    • Просмотр профиля
    • E-mail
Re: Собираем Mesa Boogie Dual Rectifier
« Ответ #1817 : Января 16, 2010, 01:12:23 pm »
Может, кому будет интересно, снял крышку с блока тр-ра питания в рект-о-вербе, было интересно как качественно его перемотали с 117 на 220 вольт, вот фото.




А вот фото выходника, но не моего, просто нашел фотку с инета.

а вот и сам комбо

Tornvald

  • Сообщений: 106
  • GtLab.Net forever!
    • Просмотр профиля
    • E-mail
Re: Собираем Mesa Boogie Dual Rectifier
« Ответ #1818 : Января 16, 2010, 01:35:16 pm »
кто какие блоки питания/трансформаторы ставил? Интересует только для преампа. Где лучше запчасти покупать?

Dr.Fox

  • Сообщений: 2656
  • %USERNAME%
    • Просмотр профиля
    • E-mail
Re: Собираем Mesa Boogie Dual Rectifier
« Ответ #1819 : Января 16, 2010, 03:20:35 pm »
выходник сильно мелкий!и +напомнил мне мой транс от УПСа ) помоему даже железо такоеже :o
Freedom is slavery.
War is peace.
Ignorance is Strength.
Existence is suffering.