Автор Тема: Оконечник на полевиках с трансформаторным выходом  (Прочитано 33929 раз)

0 Пользователей и 1 Гость просматривают эту тему.

RemiX

  • Сообщений: 32
  • GTLab - forever!
    • Просмотр профиля
привет, сообщество. Взял на себя смелость "выдернуть" идею эмулятора кабинета. Спаял, подключил. И удивился от результата. Уже второй день играю в наушники - не в силах отложить гитару. По моему скромному мнению, слишком не хватает верхов. Приходится подключать в микшерный пульт и ручку высоких ставить в максимум - тогда результат очень хороший.
Всем удачи! Эта идея с микрооконечником - просто находка. :D

Lion

  • Гость
RemiX, а на вход сима откуда сигнал идёт?

RemiX

  • Сообщений: 32
  • GTLab - forever!
    • Просмотр профиля
@ Lion

Вобщем-то у меня нет трансорматоров таких как в схеме оконечника, я просто использую обычный каскад с резистивной нагрузкой. Дешево и сердито. :-/  а до этого каскада - хайген Bogner по самой известной статье Виктора Кемпфа.

На самом деле. Все эти симы кабинета с двумя горбами ничего общего не имеют с этой реализаций. Не думал что меня когдато впечатлят вообще идея симуляторов.
« Последнее редактирование: Января 11, 2012, 09:41:13 am от RemiX »

KMG

  • Сообщений: 3776
    • ICQ клиент - 412221711
    • AOL клиент - Mike
    • Просмотр профиля
    • E-mail
Возможно как раз не хватает "добавки" за счет ачх импеданса дина

Lion

  • Гость
Цитировать
- хайген Bogner по самой известной статье Виктора Кемпфа
Т.е. ПРЕАМП? С гитарным трёхполосным эквалайзером?

RemiX

  • Сообщений: 32
  • GTLab - forever!
    • Просмотр профиля
@ Lion На самом деле, я не дошел до установки выходного темброблока. Без него тестировалось. Пока только эксперементы. Как я это называю - первая редакция.
Да, верно. Преамп -> каскад, какбы выходной -> эмулятор кабинета -> пульт с наушинками.  ::)

KMG

  • Сообщений: 3776
    • ICQ клиент - 412221711
    • AOL клиент - Mike
    • Просмотр профиля
    • E-mail
2 RemiX
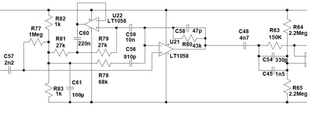
Попробуй добавить каскад на U21,U22 для эмуляции ачх импеданса кабинета.
Начиная с С48 и правее - это начало схемы сима в микрооконечнике, а вот то что левее нужно добавить.

Lion

  • Гость
Цитировать
...На самом деле, я не дошел до установки выходного темброблока. Без него тестировалось.
Во-о-о-т!  :D
Трёхполосник!
Только при ёго наличии можно говорить о ПРЕДе.
Даже в положении ручки середины на макс. он создаёт провал на с/ч. А обычно эту ручку ставят в среднее положение и ниже. Вот тогда и высоких будет хватать и низкие станут правильными.  ;)
Немедленно включай паяльник!  ::)
И результат в студию!  ;D
« Последнее редактирование: Января 11, 2012, 11:03:49 am от Lion »

DIM

  • Сообщений: 49
  • GtLab.Net forever!
    • Просмотр профиля
    • E-mail
2 KMG: Доброго времени суток! Подскажите какие размеры SMD резисторов (особенно те, что в параллели - R14,16) вы использовали в оконечнике на 40 Вт?

KMG

  • Сообщений: 3776
    • ICQ клиент - 412221711
    • AOL клиент - Mike
    • Просмотр профиля
    • E-mail
Все смд резисторы 1206. Танталовый электролит тип "В".
По аналогии с 15 ваттником навесом добавил диоды 1N4007 с затворов на сток.
Схему и печать пока не правил.

DIM

  • Сообщений: 49
  • GtLab.Net forever!
    • Просмотр профиля
    • E-mail
Спасибо вам большое за отличные проекты и поддержку начинающих примочкогубителей! :D

dks

  • Сообщений: 3284
  • GTLab - forever!
    • Просмотр профиля
    • E-mail
Микрооконечник KMG, снято микрофоном e906, пока что без сравнений, просто микс http://www.box.com/s/2fd1cku8jo5d7bcjdukr

(на соло дилей, в остальном без обработок, только приплющил микс слегка компрессором), кривовато :), но я тут отмечаю кое-какое событие   ;)


http://fotki.yandex.ru/users/kdolotov/view/463321/
« Последнее редактирование: Января 25, 2012, 01:16:34 pm от dks »
"Любое изолированное сообщество со временем отстаёт от общемировой цивилизации." К.Клименко

Mikola Ptashnikoff

  • Сообщений: 243
  • TESAURUS
    • ICQ клиент - 264272760
    • Просмотр профиля
    • E-mail
надеюсь я тоже скоро стану обладателем 2 микрооконечников со спикерсимами:)

Marton

  • Гость
Цитировать
Микрооконечник KMG, снято микрофоном e906, пока что без сравнений, просто микс http://www.box.com/s/qa7sglvcd4jfl8ta8hul

(на соло дилей, в остальном без обработок, только приплющил микс слегка компрессором), кривовато :), но я тут отмечаю кое-какое событие   ;)
Ваааааххх....
Хорошо ж ведь!!!

И событие тоже хорошее, если не лучшее!  ;)

dks

  • Сообщений: 3284
  • GTLab - forever!
    • Просмотр профиля
    • E-mail
Цитировать
Цитировать
Микрооконечник KMG, снято микрофоном e906, пока что без сравнений, просто микс http://www.box.com/s/qa7sglvcd4jfl8ta8hul

(на соло дилей, в остальном без обработок, только приплющил микс слегка компрессором), кривовато :), но я тут отмечаю кое-какое событие   ;)
Ваааааххх....
Хорошо ж ведь!!!

И событие тоже хорошее, если не лучшее!  ;)
Да, событие знатное :D, забыл упомянуть - гитара типа LP, пред - УЭНГО-1, каб 1х12" по мотивам Bogner Cube с CELESTION G12M Greenback.
« Последнее редактирование: Января 24, 2012, 07:33:32 pm от dks »
"Любое изолированное сообщество со временем отстаёт от общемировой цивилизации." К.Клименко

DIM

  • Сообщений: 49
  • GtLab.Net forever!
    • Просмотр профиля
    • E-mail
Душевно сыграно! Очень вкусный, сочный звук! И очень вспомнились G'n'R :)

dks

  • Сообщений: 3284
  • GTLab - forever!
    • Просмотр профиля
    • E-mail
Цитировать
Душевно сыграно! Очень вкусный, сочный звук! И очень вспомнились G'n'R :)
Я так предполагаю - это по мотивам последнего сольника Slash получилось нечаянно  ;D
"Любое изолированное сообщество со временем отстаёт от общемировой цивилизации." К.Клименко

Mikola Ptashnikoff

  • Сообщений: 243
  • TESAURUS
    • ICQ клиент - 264272760
    • Просмотр профиля
    • E-mail
может кто-нить едет из Питера в Минск? надо такой мокрооконечник привезти?

Mikola Ptashnikoff

  • Сообщений: 243
  • TESAURUS
    • ICQ клиент - 264272760
    • Просмотр профиля
    • E-mail
приехали сегодня мне 2 платы микрооконечника, дал для теста 10 вольт на питание (12 пока нету, надо сделать), вместо ручек пока перемычки, звук - просто супер!
для сравнения включил беринжер Ultra-G спикерсим, раньше он меня даже устраивал, но он и рядом не валялся с разработкой Михаила.
громадное Спасибо Михаил!!!

Mikola Ptashnikoff

  • Сообщений: 243
  • TESAURUS
    • ICQ клиент - 264272760
    • Просмотр профиля
    • E-mail
добавил презенс и депс и подал 12 вольт - просто сказка какая-то, а ещё реверка и делея подкинул - вообще улёт, пока в качестве дисторшена японский босс дс-1 моденный робертом кили.