Автор Тема: Тема о констр. экзотических звуковых устройств  (Прочитано 22408 раз)

0 Пользователей и 1 Гость просматривают эту тему.

zEROID

  • Сообщений: 3021
  • Играю на гитаре и паяю с детства :-)
    • ICQ клиент - 24397417
    • Просмотр профиля
    • E-mail
Re: Тема о констр. экзотических звуковых устройств
« Ответ #420 : Апреля 17, 2014, 05:51:05 pm »
Но я то говорю о касании контактов. И о диапазоне от легкого касания до плотного.

Если хочется избежать зависимости от влажности пальцев, гальваники и др, то есть датчики из токопроводящей резины, закрытые пластиком, которые от нажатия меняют внутреннее сопротивление. гальваническая развязка полная.

Как вариант - ёмкостный датчик, по типу терменвоксовского, но работающий на близком расстоянии.

Peratron

  • Сообщений: 13579
  • GTLab - forever!
    • Просмотр профиля
    • E-mail
Re: Тема о констр. экзотических звуковых устройств
« Ответ #421 : Апреля 17, 2014, 08:04:34 pm »
Цитировать
то есть датчики из токопроводящей резины
Делаются на счёт раз - пропитка резиновым клеем (консистенцию подобрать практически) с  графитовым порошком любой эластичной пористой структуры.
На практике опробованы микропористая резины, разнообразные губки, а так же - внимание! - фланель и сукно (!).

С поролонами аккуратней - работать будет, но поролоны стареют и рассыпаются.

ХИНТ: напомню, что резиновый клей - это раствор в бензине "Калоша" натурального каучука.
Потому консистенцию можно подбирать от густой сметаны до жидкой-жидкой суспензии...

ХИНТ: при правильных материалах - срок службы вечный.
Схемотехническая мантра: титцешенкохоровицехилл. Повторять до просветления...

KSG

  • Сообщений: 5766
  • GtLab.Net forever!
    • Просмотр профиля
    • E-mail
Re: Тема о констр. экзотических звуковых устройств
« Ответ #422 : Апреля 17, 2014, 09:48:41 pm »
Ёмкостной датчик, работающий на близком расстоянии, сила и плотность нажатия влажными пальцами, эластичная пористая структура...
Мир стоит на пороге изобретения электрически стонущей резиновой женщины?
:o
Практика - критерий истины

Martel

  • Сообщений: 1568
  • GtLab.Net forever!
    • Просмотр профиля
    • E-mail
Re: Тема о констр. экзотических звуковых устройств
« Ответ #423 : Апреля 18, 2014, 01:56:50 am »
Я дал ссылку на аудио, где это звучит. И думал, что кто-то выскажется, как это?
А потом я бы выложил видео, этого же самого.
Мне кажется, это было бы интереснее.
Но никто не послушал аудио, никто не поглядел видео Сигур роз... :)
Если на зло отвечать злом, то зла становится больше.

KSG

  • Сообщений: 5766
  • GtLab.Net forever!
    • Просмотр профиля
    • E-mail
Re: Тема о констр. экзотических звуковых устройств
« Ответ #424 : Апреля 18, 2014, 03:27:18 am »
@ Martel Не обижайтесь, здесь обитают скорее физики, чем лирики.

Практика - критерий истины

Martel

  • Сообщений: 1568
  • GtLab.Net forever!
    • Просмотр профиля
    • E-mail
Re: Тема о констр. экзотических звуковых устройств
« Ответ #425 : Апреля 18, 2014, 03:50:50 pm »
Вопрос к физикам.
Прошу подсказать схему звукового генератора, меняющего тональность в диапазоне 2-3 октав касанием пальцами 2-3 контактов.

Например 2 металлических пятака.
Легкое касание пальцев кромки пятака - плотное нажатие всего пятака и между этим 2-3 октавы.
Если на зло отвечать злом, то зла становится больше.

KSG

  • Сообщений: 5766
  • GtLab.Net forever!
    • Просмотр профиля
    • E-mail
Практика - критерий истины

Martel

  • Сообщений: 1568
  • GtLab.Net forever!
    • Просмотр профиля
    • E-mail
Re: Тема о констр. экзотических звуковых устройств
« Ответ #427 : Апреля 19, 2014, 05:01:20 am »
Цитировать
http://radiostorage.net/?area=news/1163
рис 27.7
Знакомая страница, знакомые схемы.
Вы там видимо видите сенсорную клавиатуру? :)
А если приглядеться?
Если на зло отвечать злом, то зла становится больше.

KSG

  • Сообщений: 5766
  • GtLab.Net forever!
    • Просмотр профиля
    • E-mail
Re: Тема о констр. экзотических звуковых устройств
« Ответ #428 : Апреля 19, 2014, 07:19:46 am »
Цитировать
Знакомая страница, знакомые схемы.
Так что же ещё надо? Надеетесь найти MOOG на "двух диодах, двух триодах"? Потолок возможностей примитивных схем очевиден и чудес ждать неоткуда.
Практика - критерий истины

Martel

  • Сообщений: 1568
  • GtLab.Net forever!
    • Просмотр профиля
    • E-mail
Re: Тема о констр. экзотических звуковых устройств
« Ответ #429 : Апреля 19, 2014, 03:43:28 pm »
Цитировать
Так что же ещё надо? 

По Вашей логике, если человек просит стиральную машину, то ему надо дать бензопилу.
  Но поверьте, могут быть и другие логики  :)
Если на зло отвечать злом, то зла становится больше.

KSG

  • Сообщений: 5766
  • GtLab.Net forever!
    • Просмотр профиля
    • E-mail
Re: Тема о констр. экзотических звуковых устройств
« Ответ #430 : Апреля 19, 2014, 04:51:21 pm »
Цитировать
Прошу подсказать схему звукового генератора, меняющего тональность в диапазоне 2-3 октав касанием пальцами 2-3 контактов.
- это формулировка техзадания.

Цитировать
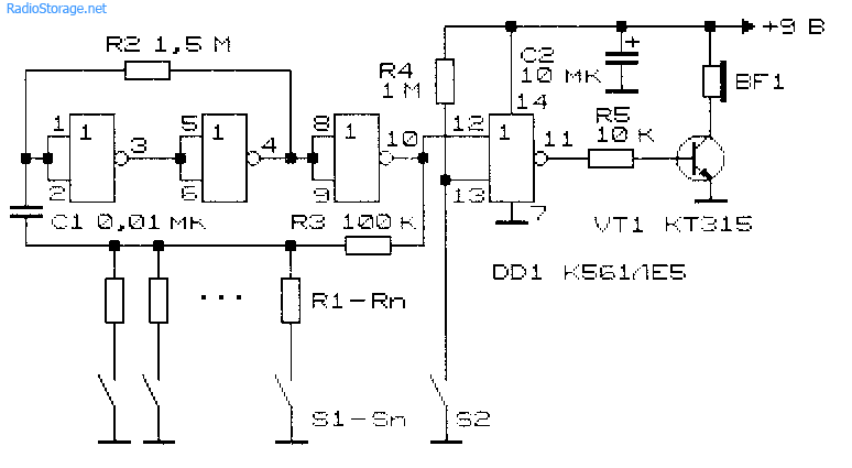
На микросхеме DD1 К561ЛЕ5 (рис. 27.7) может быть собран электромузыкальный инструмент [Рл 9/97-28]. Генератор импульсов на трех инверторах микросхемы DD1 управляется ключами S1 — Sn. Генератор прямоугольных импульсов будет работать на частоте, определяемой подключаемыми к общей шине резисторами R1 — Rn (десятки, сотни кОм).
- это предложенное решение. Бензопилы здесь нет, только стиральная машина.
Практика - критерий истины

Martel

  • Сообщений: 1568
  • GtLab.Net forever!
    • Просмотр профиля
    • E-mail
Re: Тема о констр. экзотических звуковых устройств
« Ответ #431 : Апреля 20, 2014, 05:57:27 am »
Цитировать
Цитировать
Прошу подсказать схему звукового генератора, меняющего тональность в диапазоне 2-3 октав касанием пальцами 2-3 контактов.
- это формулировка техзадания.

 
Да, это именно формулировка.
А Вы что предложили?



Где тут сенсорное управление?

Здесь обычное контактное управление .
Неужели Вы не видите?  :)



« Последнее редактирование: Апреля 20, 2014, 05:58:54 am от Martel »
Если на зло отвечать злом, то зла становится больше.

KSG

  • Сообщений: 5766
  • GtLab.Net forever!
    • Просмотр профиля
    • E-mail
Re: Тема о констр. экзотических звуковых устройств
« Ответ #432 : Апреля 20, 2014, 05:19:51 pm »
Смотрите шире, решение перед Вами: выбрасываем все R1 - Rn и в качестве сенсора используем шину, соединяющую нижнюю обкладку С1 и левый вывод R3. Роль резисторов клавиатуры будет исполнять проводимость Ваших пальцев между этой шиной и массой. Удобно оформить контактуру на манер таковой в пульте телевизора - в виде гребенчатых структур, размещённых одна в другой. Чем сильнее жмёте, тем меньше сопротивление. Если жмёте несколькими пальцами по нескольким контактурам, то их проводимости запараллеливаются и уход частоты становится ещё более существенным. Идея ясна?
« Последнее редактирование: Апреля 20, 2014, 05:24:15 pm от KSG »
Практика - критерий истины

Martel

  • Сообщений: 1568
  • GtLab.Net forever!
    • Просмотр профиля
    • E-mail
Re: Тема о констр. экзотических звуковых устройств
« Ответ #433 : Апреля 21, 2014, 02:11:45 pm »
Идея-то конечно ясна. И я более того, я уже её пробовал. В какой-то схеме.
Но пальцевого эквивалента переменного резистора не получилось.
Примитивная пикалка...с малюсеньким диапазоном.
Но...надо пробовать ещё. Чтобы найти схему (или адаптировать под сопротивление тела) подходящую.
Спасибо за участие.

[media]http://www.youtube.com/watch?v=nZcijC7GVwI[/media]

[media]http://www.youtube.com/watch?v=DCc3sFkKXEQ[/media]

[media]http://www.youtube.com/watch?v=cYlafCXm61E[/media]
« Последнее редактирование: Апреля 24, 2014, 03:32:32 pm от Martel »
Если на зло отвечать злом, то зла становится больше.

KSG

  • Сообщений: 5766
  • GtLab.Net forever!
    • Просмотр профиля
    • E-mail
Re: Тема о констр. экзотических звуковых устройств
« Ответ #434 : Апреля 21, 2014, 03:47:57 pm »
Гребенчатую контактную структуру под пальцы сделайте, не ленитесь. Возьмите кусок фольгированного стеклотекстолита, скажем, 30Х100мм, сделайте из куска ножовочного полотна клювообразный в профиле резак и прорежьте по всей длине посередине полоски изолирующий её на две части меандр максимальной (условно говоря) частоты. Один вечер потратите на это и всё у Вас получится.
Практика - критерий истины

zEROID

  • Сообщений: 3021
  • Играю на гитаре и паяю с детства :-)
    • ICQ клиент - 24397417
    • Просмотр профиля
    • E-mail
Re: Тема о констр. экзотических звуковых устройств
« Ответ #435 : Апреля 21, 2014, 04:17:02 pm »
сделайте из куска ножовочного полотна клювообразный в профиле резак и прорежьте по всей длине посередине полоски изолирующий её на две части меандр максимальной (условно говоря) частоты.

Зачем резак? Вытравить не проще?

Martel

  • Сообщений: 1568
  • GtLab.Net forever!
    • Просмотр профиля
    • E-mail
Re: Тема о констр. экзотических звуковых устройств
« Ответ #436 : Апреля 22, 2014, 04:19:00 pm »
Цитировать

Зачем резак? Вытравить не проще?
Мне резаком проще  :)
Травить неохота. В молодости натравился. Щас лень.   :)
Если на зло отвечать злом, то зла становится больше.

Martel

  • Сообщений: 1568
  • GtLab.Net forever!
    • Просмотр профиля
    • E-mail
Мы тут где-то говорили о сильном полосовом фильтре. Трёхполосном, вот этом -

http://i59.fastpic.ru/big/2014/0121/58/6c15f3311d28cdb7927b34f2c9f06158.jpg

Я такой собрал на TL062, на 9 вольт с искусственной земляной точкой.
работает, но изменение тембров происходит у резисторов (3шт по 10 ком на каждый канал и общий 3,3 ком) в диапазоне 500 ом - 1 ком. Что неудобно.
Ибо это только в движении ручки резюка миллиметров 5-7 и естественно не ровно. А надо же чтобы изменение было по всему диаметру кручения.

Что может быть? Из за чего?
Может напруги мало?
Типа...4,5 вольта максимум на плечо, и всё как-то смещается ?.....

-----------------
За всё это время я неслабо для себя продвинулся, но открытия наступают раньше, чем я что-то соберу в корпус до готовности :-)  Откладываю, чтобы ещё улучшить.
Да и...и времени не хватает.

Если на зло отвечать злом, то зла становится больше.

KSG

  • Сообщений: 5766
  • GtLab.Net forever!
    • Просмотр профиля
    • E-mail
Напряжение питания ОУ при неизменном усилении, определяемом его внешней обвязкой, влияет только на максимальный размах неискажённого сигнала на его выходе.
Если используется только небольшая зона в начале регулировки, то надо применить резистор меньшего номинала (скажем, не 10к, а 3к3 - канальные и не 3к3, а 1к0 - общий) и непременно с характеристикой А - она растянутая в самом начале.
Практика - критерий истины

Martel

  • Сообщений: 1568
  • GtLab.Net forever!
    • Просмотр профиля
    • E-mail
Наверное так и придётся.

Непонятно, почему тогда автор схемы употреблял такие номиналы.

Вот на этой, подобной схеме, номинал всё таки ближе к трехполосной, нежели к тому, к чему моя, собранная просится.
http://www.jiggawoo.eclipse.co.uk/guitarhq/Circuitsnippets/gargletron.gif

Поэтому...надо ещё подумать....может что-то всё таки по номиналам других деталей надо корректировать....
Если на зло отвечать злом, то зла становится больше.