Автор Тема: E-MU 0204 USB схемотехника входов.  (Прочитано 13310 раз)

0 Пользователей и 1 Гость просматривают эту тему.

rational gaze

  • Сообщений: 139
  • GTLab - forever!
    • Просмотр профиля
Re: E-MU 0204 USB схемотехника входов.
« Ответ #20 : Августа 26, 2012, 10:46:48 am »
Цитировать
2. Чисто логически, если человеку нужен семпл для реампа, то нелинейных искажения в нём должен быть минимум. Компрессировать сигнал с гитары, конечно, приятно, но что если человеку надо, чтобы усилитель среагировал на атаку, а не на какое-то обструганное диодами её подобие?
Вот и я о том же. Карта всё же 24-х битная, при хорошем соотношении С/Ш. Реампинг, конечно, компромиссное решение, но хотелось бы из него выжать максимум.
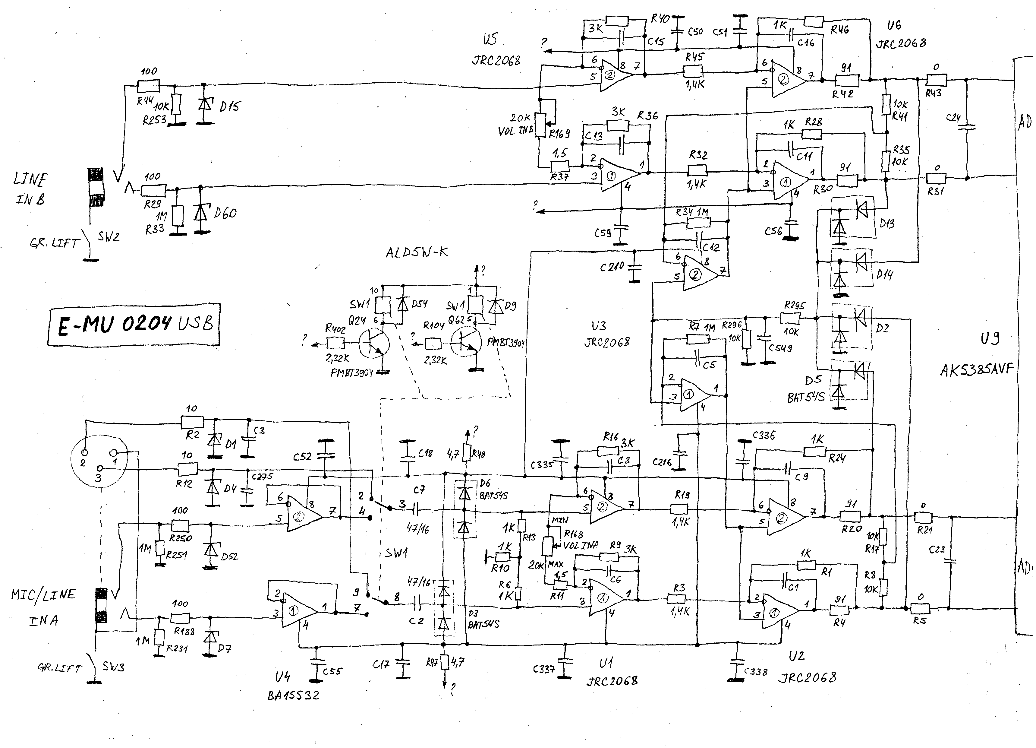
И всё-таки, что делает узел на ОУ U3? Некий лимитер, или это что-то для шумоподавления?

OlegFX

  • Сообщений: 5097
    • Просмотр профиля
Re: E-MU 0204 USB схемотехника входов.
« Ответ #21 : Августа 26, 2012, 12:20:38 pm »
Я бы тебе вот что посоветовал: запиши шум карточки пр к.з. входа и шум твоей гитары при полностью введённом поте левел (на гитаре, то есть). Ну, естественно, выбери такое положение гитары, чтобы фон был наименьший. Выложи сканы обеих картинок спектра, тогда разговор получится конкретней. И, если есть осциллограф, вдарь по струнам фортиссимо (но не сильнее, чем при реальной игре) и посмотри макс. двойное амплитудное значение (пик-ту-пик). Кстати, заодно посмотришь, может, у тебя ещё и сам актив клиппирует.
Цитировать
И всё-таки, что делает узел на ОУ U3? Некий лимитер, или это что-то для шумоподавления?
Интегратор для поддержания нуля на выходах, точнее, равенства постоянки на диф. выходах. Диоды нарисовал криво, они должны быть включены последовательно, а не встречно-последовательно.
« Последнее редактирование: Августа 26, 2012, 01:35:01 pm от olegfx »

rational gaze

  • Сообщений: 139
  • GTLab - forever!
    • Просмотр профиля
Re: E-MU 0204 USB схемотехника входов.
« Ответ #22 : Августа 26, 2012, 01:29:35 pm »
Цитировать
Я бы тебе вот что посоветовал: запиши шум карточки пр к.з. входа и шум твоей гитары при полностью введённом поте левел (на гитаре, то есть). Ну, естественно, выбери такое положение гитары, чтобы фон был наименьший. Выложи сканы обеих картинок спектра, тогда разговор получится конкретней.
Думаю, особого смысла нет, ясно, что фон любой гитары будет выше на несколько десятков Дб  :).
Цитировать
Интегратор для поддержания нуля на выходах, точнее, равенства постоянки на диф. выходах. Диоды нарисовал криво, они должны быть включены последовательно, а не встречно-последовательно.
Да, диоды я неправильно нарисовал. Значит, назначение этого узла - поддержание стабильного нуля на входе АЦП.
В общем, наиболее правильным решением мне кажется увеличение номинала R45 и R32.

research

  • Гость
Re: E-MU 0204 USB схемотехника входов.
« Ответ #23 : Августа 27, 2012, 08:10:51 am »
Почитал вашу портянку. Хорошо, что у меня Focusrite :) Диоды-повторители.
Может не мучиться и взять звуковуху нормальную сразу, чем одевать трусы через голову (менять опера, керамику на пленку и прочее)

Denn

  • Global Moderator
  • *****
  • Сообщений: 14277
  • είμαι ο μουσικός και ο ραδιομηχανίκός
    • ICQ клиент - 322153053
    • Просмотр профиля
    • E-mail
Re: E-MU 0204 USB схемотехника входов.
« Ответ #24 : Августа 27, 2012, 08:36:01 am »
Цитировать
Почитал вашу портянку. Хорошо, что у меня Focusrite :) Диоды-повторители.
Может не мучиться и взять звуковуху нормальную сразу, чем одевать трусы через голову (менять опера, керамику на пленку и прочее)

Денис, на самом деле у тебя те же "проблемы", ибо упирается всё не в опера и их обвязку, а в величину их напряжения питания и ДД АЦП.
Но на самом деле проблемы нет, она - надуманная.
Не говорите что мне делать, и я не скажу куда Вам идти.

Лучшее решение из возможных - самое простое. И наоборот.

Прежде чем судить

research

  • Гость
Re: E-MU 0204 USB схемотехника входов.
« Ответ #25 : Августа 27, 2012, 12:04:38 pm »
угу, 2 страницы обсуждения.

saatana

  • Сообщений: 4
  • GtLab.Net forever!
    • Просмотр профиля
    • E-mail
Re: E-MU 0204 USB схемотехника входов.
« Ответ #26 : Ноября 27, 2013, 07:54:13 am »
привет
может кто выложить ещё раз схему?
ссылка на файлообменник умерла

rational gaze

  • Сообщений: 139
  • GTLab - forever!
    • Просмотр профиля
Re: E-MU 0204 USB схемотехника входов.
« Ответ #27 : Ноября 27, 2013, 10:24:17 am »
Там перепутана полярность диодов в сборках D13, D14, D2, D5. Может и другие косяки есть, 100% гарантии не дам.


saatana

  • Сообщений: 4
  • GtLab.Net forever!
    • Просмотр профиля
    • E-mail
Re: E-MU 0204 USB схемотехника входов.
« Ответ #28 : Ноября 27, 2013, 10:31:46 am »
Аааааа!
ЛЮТО!
Вечного тебе счастья, добрый человек!

saatana

  • Сообщений: 4
  • GtLab.Net forever!
    • Просмотр профиля
    • E-mail
Re: E-MU 0204 USB схемотехника входов.
« Ответ #29 : Ноября 27, 2013, 12:41:34 pm »
Добавлю, что релюха на схеме, которая с вопросиками - переключается от концевого выключателя XLR разъёма, распознавая, что туда воткнули джек или XLR. Там в дырке разъёма прям расположен.

saatana

  • Сообщений: 4
  • GtLab.Net forever!
    • Просмотр профиля
    • E-mail
Re: E-MU 0204 USB схемотехника входов.
« Ответ #30 : Ноября 28, 2013, 09:02:45 am »
Подкинули аналогичную тему, кому интересно
http://www.diyaudio.com/forums/equipment-tools/231426-emu0204-mods-fft-measurements-3.html

Santjago

  • Сообщений: 377
  • Hard As A Rock
    • Просмотр профиля
    • E-mail
Re: E-MU 0204 USB схемотехника входов.
« Ответ #31 : Декабря 18, 2013, 06:58:04 am »
Цитировать
В общем, наиболее правильным решением мне кажется увеличение номинала R45 и R32.

это не спасёт от клиппинга входных ОУ по питанию. Наиболее рациональный выход из положения (если хочется "подправить" именно карту), - малошумящий DCDC преобразователь для повышения питания входных ОУ, и делитель после них. Проще собрать внешний повторитель на одном ОУ с достаточным питанием и регулятором выходного уровня.

Цитировать
На самом деле передавать весь громадный ДД гитары не нужно: все средства записи/сведения/мастеринга направлены на сужение ДД музыкальных инструментов и фонограммы в целом. И основная проблема звукозаписи в "вытаскивании" тихих нюансов, а не в трушной передаче стреляющих атак, жертвуя этими самыми нюансами. Тот же самый реампинг помимо окраса несёт собой задачу уменьшения ДД (компрессии). Так какой смысл пытаться зафиксировать то, что впоследствии будет убито?
После горсти "камней" и схем с ООС, тем более АЦП-ЦАП преобразований, усилок не "увидит" гитарную атаку

В корне неверные рассуждения и подход к предмету.
Во-первых, нам не интересен динамический диапазон конечного микса, нам критичен (именно для реампинга )дд записанного DI, т.к. он диктуется соотношением с/ш, которое нам очень важно.
Во-вторых, атака инструмента отлично передаётся качественным цифровым трактом. Заметно лучше чем всяким клиппующим и шумящим активом. Пора бы уже отойти от стереотипов "встроенных звуковух". Прогресс не стоит на месте, и даже такая скромная карточка как у топикстартера имеет очень высокие показатели (топовые ЦАП, и предтоповые АЦП). Я недавно сменил в своей 1616 предтоповые CS4394 на топовые CS4398, и получил прибавку в дд +6дБ, что наслух при реапинге даёт очень ощутимый прирост и открывает детали, которые до этого маскировались шумом. А сжатие дд DI трека даст только увеличение шума и отдалит нас от цели, - качественного реампинга.

Цитировать
Почитал вашу портянку. Хорошо, что у меня Focusrite :) Диоды-повторители.
Может не мучиться и взять звуковуху нормальную сразу, чем одевать трусы через голову (менять опера, керамику на пленку и прочее)

у большинства "фокусов" те же проблемы, только там ещё в придачу шум заметно выше чем у E-MU.
« Последнее редактирование: Декабря 18, 2013, 07:15:41 am от Santjago »

research

  • Гость
Re: E-MU 0204 USB схемотехника входов.
« Ответ #32 : Декабря 18, 2013, 09:20:46 am »
есть фокусы с питашкой по юсби, есть с автономным. На альтернативном форуме отметили, что автономные не клипят и не страдают еще какими-то детскими болезнями.

Мне тоже предраться не к чему. За эти деньги - прекрасный интерфейс.