Автор Тема: VGA - SCART реально ?  (Прочитано 13196 раз)

0 Пользователей и 1 Гость просматривают эту тему.

bekar1961

  • Сообщений: 268
  • GTLab - forever!
    • Просмотр профиля
    • E-mail
VGA - SCART реально ?
« : Декабря 12, 2010, 11:48:04 am »
Господа знатоки, кто нибудь содинял таким образом?Имею нетбук с выходом VGA, имею телевизор ЭЛТ со входом SCART, реальна ли передача видеосигнала, перелопатил кучу сайтов, переговорил с многими продавцами, мнения противоположные, от " все получится" до "ничего не получится" и " спалишь нетбук" или  "посадишь кинескоп".Продолжать ли мне поиски шнура (дефицит!) или забить?Спасибо

Denn

  • Global Moderator
  • *****
  • Сообщений: 14277
  • είμαι ο μουσικός και ο ραδιομηχανίκός
    • ICQ клиент - 322153053
    • Просмотр профиля
    • E-mail
Re: VGA - SCART реально ?
« Ответ #1 : Декабря 12, 2010, 12:42:24 pm »
Выход VGA имеет совершенно другой формат вывода в отличии от телика. Просто шнурком тут не отделаться, нужно устройство-конвертор, а вот существуют ли такие в природе - надо выяснять (скорее всего да, но не факт). Некоторые современные телевизоры имеют VGA-вход.
Не говорите что мне делать, и я не скажу куда Вам идти.

Лучшее решение из возможных - самое простое. И наоборот.

Прежде чем судить

bekar1961

  • Сообщений: 268
  • GTLab - forever!
    • Просмотр профиля
    • E-mail
Re: VGA - SCART реально ?
« Ответ #2 : Декабря 12, 2010, 01:01:21 pm »
Увы и ах...Спасибо

Marton

  • Гость
Re: VGA - SCART реально ?
« Ответ #3 : Декабря 12, 2010, 01:35:04 pm »
А у меня противоположная информация (только я хочу подключить монитор к скарт выходу двд плеера).
уже затарился скартом и д-сабом, собираюсь паять переходник, в продаже вообще бывают, но у себя не нашёл...

KMG

  • Сообщений: 3776
    • ICQ клиент - 412221711
    • AOL клиент - Mike
    • Просмотр профиля
    • E-mail
Re: VGA - SCART реально ?
« Ответ #4 : Декабря 12, 2010, 02:30:41 pm »
Максим, не получится, у монитора минимальная частота развертки 31 кГц, вдвое выше телевизионной.
Проще всего купить такой девайс (или аналогичный)
http://shop.key.ru/shop/goods/38887/
Заодно получишь еще и телевизор впридачу.

2 bekar1961
А для твоей цели
http://shop.key.ru/shop/goods/56350/
« Последнее редактирование: Декабря 12, 2010, 02:33:57 pm от mike »

Denn

  • Global Moderator
  • *****
  • Сообщений: 14277
  • είμαι ο μουσικός και ο ραδιομηχανίκός
    • ICQ клиент - 322153053
    • Просмотр профиля
    • E-mail
Re: VGA - SCART реально ?
« Ответ #5 : Декабря 12, 2010, 03:59:28 pm »
Цитировать
А у меня противоположная информация (только я хочу подключить монитор к скарт выходу двд плеера).
уже затарился скартом и д-сабом, собираюсь паять переходник, в продаже вообще бывают, но у себя не нашёл...

В телевидении черезстрочная развёртка (эффект "расчёски" помнишь? ;)) и частота кадров 50 Гц, кадрый выводятся полукадрами. В VGA развёртка "прогрессивная", кадры выводятся покадрово, частота кадров 60..100 Гц. Т.е. совершенно другой принцип, для конвертации нужно запоминать весь кадр и выводить его в другом формате, для этого нужно "умное" устройство с памятью, простой переходник тут никак не прокатит.
Не говорите что мне делать, и я не скажу куда Вам идти.

Лучшее решение из возможных - самое простое. И наоборот.

Прежде чем судить

Marton

  • Гость
Re: VGA - SCART реально ?
« Ответ #6 : Декабря 12, 2010, 04:51:28 pm »
@ KMG, @ Denn
понятно...
но я попробую ради эксперимента, чтоб на собственной шкуре  :)

говорят, уже двд есть с выходом на монитор.

на внеш тв-тюнер тратиться не охота. Внутренний есть, без дела валяется...

« Последнее редактирование: Декабря 12, 2010, 04:52:53 pm от Marton »

bekar1961

  • Сообщений: 268
  • GTLab - forever!
    • Просмотр профиля
    • E-mail
Re: VGA - SCART реально ?
« Ответ #7 : Декабря 12, 2010, 06:13:41 pm »
MARcus, ну ты отпишись о результатах, ага?Думаю, многим интересно будет

Marton

  • Гость
Re: VGA - SCART реально ?
« Ответ #8 : Декабря 12, 2010, 08:10:07 pm »
ага, только по возможности, время нынче дорого...

santa

  • Сообщений: 1404
  • с помойки банки рулят, турреты нервно курят
    • Просмотр профиля
Re: VGA - SCART реально ?
« Ответ #9 : Декабря 13, 2010, 03:29:45 am »
Цитировать
В телевидении черезстрочная развёртка (эффект "расчёски" помнишь? ) и частота кадров 50 Гц, кадрый выводятся полукадрами. В VGA развёртка "прогрессивная", кадры выводятся покадрово, частота кадров 60..100 Гц. Т.е. совершенно другой принцип, для 

 а  вроде на  дивидюках  должна быть кнопка
  которая переключает режим, строчная черестрочная.
  Я в инструкции поискал   но  конкретно что скарт поддержывает не нашёл ,  нашёл  только что 100%
 неподдержывает прогрессивную  S-VIDEO ,
а так на сколько помню вроде скарт должен поддержывать  нажимал эту кнопку  (был подключён через скарт)   тел показвал в обоих режимах
теория убийца практики

slo100>slo100pt  >>  topsecret

Marton

  • Гость
Re: VGA - SCART реально ?
« Ответ #10 : Декабря 13, 2010, 10:00:14 am »
Цитировать
а  вроде на  дивидюках  должна быть кнопка которая переключает режим, строчная черестрочная.
точно, что-то было такое в паспорте, спасибо за подсказку.

kwlw

  • Сообщений: 2408
  • Тёплый, ламповый
    • Просмотр профиля
Re: VGA - SCART реально ?
« Ответ #11 : Декабря 13, 2010, 03:37:03 pm »
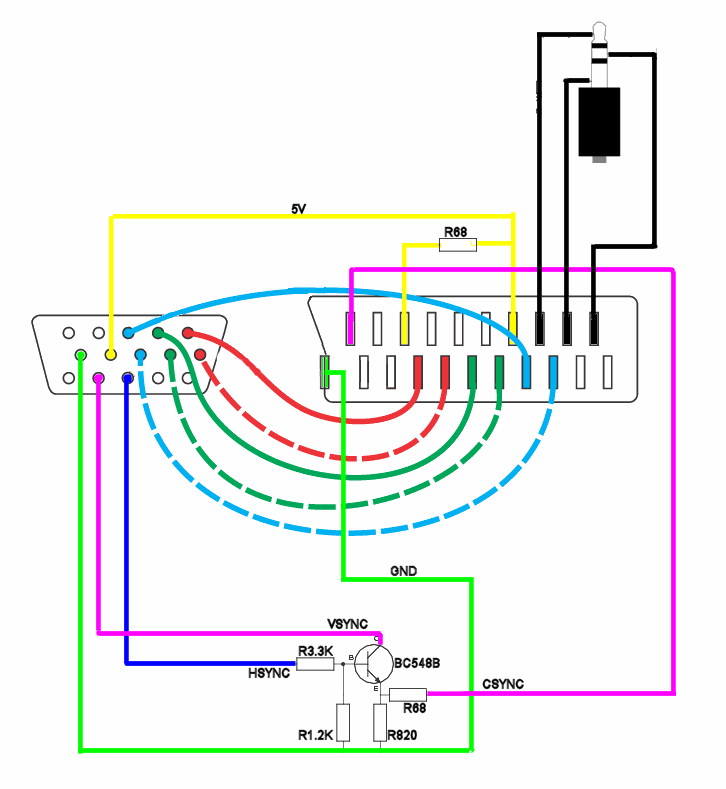
Случайно нашёл такую вот схемку. Может рабочая?



Sau
У меня - свой путь.

Denn

  • Global Moderator
  • *****
  • Сообщений: 14277
  • είμαι ο μουσικός και ο ραδιομηχανίκός
    • ICQ клиент - 322153053
    • Просмотр профиля
    • E-mail
Re: VGA - SCART реально ?
« Ответ #12 : Декабря 13, 2010, 05:35:54 pm »
Был такой стандарт EGA, вот там аналогично ТВшному, сам лично подключал советский 8-битный комп к моньке от ibm286.
Не говорите что мне делать, и я не скажу куда Вам идти.

Лучшее решение из возможных - самое простое. И наоборот.

Прежде чем судить

Marton

  • Гость
Re: VGA - SCART реально ?
« Ответ #13 : Декабря 14, 2010, 07:41:13 am »
Цитировать
Случайно нашёл такую вот схемку. Может рабочая?
Оу, спасибо! Может и пригодится!

А описание к рисунку есть?
« Последнее редактирование: Декабря 14, 2010, 07:42:04 am от Marton »

research

  • Гость
Re: VGA - SCART реально ?
« Ответ #14 : Декабря 14, 2010, 07:41:49 am »
от бедности цепляли писюки к "горизонтам" с помощью схемки на ЛП5, но там и дрова специальные ставили.

по уму, надо VGA-TV примочку.
Денег тратить и разрешение терять некисло.

Может лучше телек проапгрейдить? тел с HD разрешением, VGA, HDMI, USB, SCART и т.п. барахлом , метр по диагонали, сейчас стоит меньше 500 у.е.
« Последнее редактирование: Декабря 14, 2010, 08:07:25 am от research »

research

  • Гость
Re: VGA - SCART реально ?
« Ответ #15 : Декабря 14, 2010, 07:42:34 am »
Цитировать
Случайно нашёл такую вот схемку. Может рабочая?



Sau

будет работать без дров? сомневаюсь, та же замена ЛП5

Marton

  • Гость
Re: VGA - SCART реально ?
« Ответ #16 : Декабря 14, 2010, 07:43:43 am »
@ research

уже больше спортивный интерес. а получится - и хорошо!

а мне вот эта тема случайно попалась
http://www.guitarplayer.ru/forum/index.php?topic=175850.0
« Последнее редактирование: Декабря 14, 2010, 08:04:20 am от Marton »

Marton

  • Гость
Re: VGA - SCART реально ?
« Ответ #17 : Декабря 26, 2010, 01:34:25 pm »
Попробовал. Напрямую в лоб запаял RGB и их земли SCART-VGA.
Монитор пишет типа "ошибка частоты".
KMG, Denn правы.

Порылся в сети и нашёл следующее (типа того, что говорил Денн - конвертор):
http://www.intersil.com/data/an/an1195.pdf
http://www.seminews.ru/multimedia/406.html
http://www.intersil.com/data/fn/fn7010.pdf
http://www.intersil.com/products/deviceinfo.asp?pn=EL1883

Извлекает синхросигналы из композитного видеосигнала.

Короче, теперь надо глянуть, есть ли такое у нас в продаже и по чём...

Вот распиновка разъёмов, если кто будет искать
http://www.hardwarebook.info/VGA_(15)
http://www.hardwarebook.info/SCART

Вот исходник, от чего оттолкнулся
http://www.avforums.com/forums/interconnects-speaker-cables-switches/199751-diy-scart-vga.html

KMG

  • Сообщений: 3776
    • ICQ клиент - 412221711
    • AOL клиент - Mike
    • Просмотр профиля
    • E-mail
Re: VGA - SCART реально ?
« Ответ #18 : Декабря 26, 2010, 05:37:26 pm »
Максим, ну сколько раз повторять, что VGA монитор не может воспринимать строчные частоты ниже 31 кГц, строчная частота же телевизионной развертки 15625 Гц.
Единстванный способ это оцифровывать сигнал в двухпортовку и выводить ее дважды на удвоенной тактовой частоте (double scan).
Но какой смысл делать это DIY не понятно, выйдет дороже чем бокс от AverMedia или подобный девайс.

Marton

  • Гость
Re: VGA - SCART реально ?
« Ответ #19 : Декабря 26, 2010, 07:04:06 pm »
блин, да штож такое  >:( :-[
плохо быть чайником...
оно ж хочется, а низзя  :(

всё, отставил затею...