Автор Тема: Фонокорректор  (Прочитано 13667 раз)

0 Пользователей и 1 Гость просматривают эту тему.

dks

  • Сообщений: 3284
  • GTLab - forever!
    • Просмотр профиля
    • E-mail
Re: Фонокорректор
« Ответ #20 : Декабря 22, 2010, 04:19:04 pm »
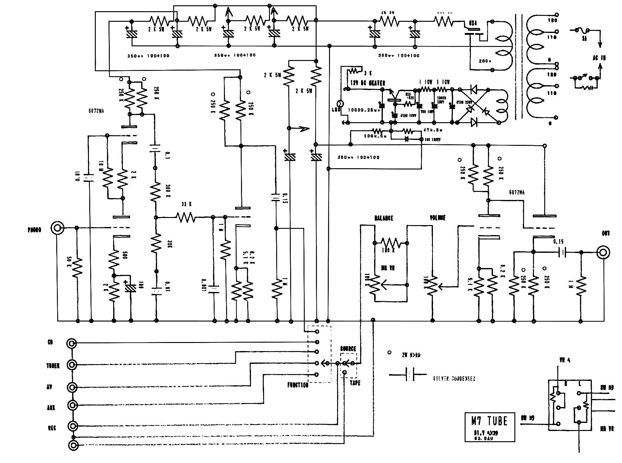
Я кстати на просторах встречал фундаментальный труд: "Усилители RIAA – коррекции на вакуумных триодах для «скоростных» (электродинамических) звукоснимателей. Некоторые принципы построения схем без обратных связей.
Расчёт и настройка корректирующих цепей."

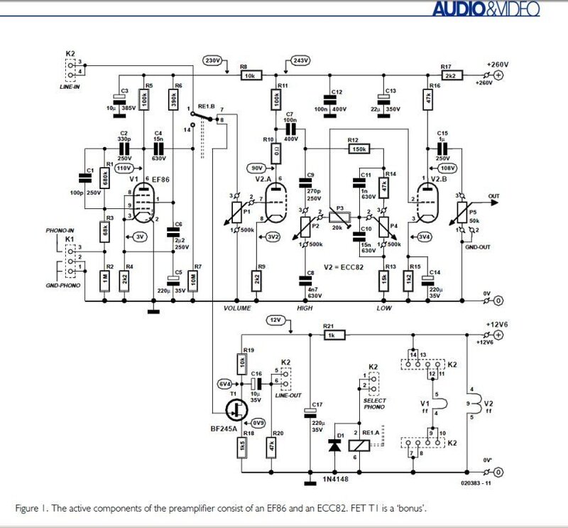
А также такую вот схемку:
Valve Preamplifier (1)
Classic technology revisited
Design by B. Stuurman

http://fotki.yandex.ru/users/kdolotov/view/369230/

The phono preamplifier is built
according to a modified Philips
design, using an EF86 or its equivalents
the 6267 or CV2901 (V1). This
is an outstanding valve for this purpose, due to its low noise and minimal microphonics.
The necessary RIAA compensation
is obtained by using frequency-dependent
feedback. At the average output level of an
MD cartridge, the output voltage of the phono
stage is approximately 54 mV, which is also
the input sensitivity of the following control
amplifier.
« Последнее редактирование: Декабря 22, 2010, 07:55:46 pm от dks »
"Любое изолированное сообщество со временем отстаёт от общемировой цивилизации." К.Клименко

KMG

  • Сообщений: 3776
    • ICQ клиент - 412221711
    • AOL клиент - Mike
    • Просмотр профиля
    • E-mail
Re: Фонокорректор
« Ответ #21 : Декабря 22, 2010, 04:21:03 pm »
Женя, для того чтобы реализовать то что ты предлагаешь нужно иметь как минимум измерительный винил и неплохой парк приборов, чтобы вылизать характеристики под конкретную головку.
« Последнее редактирование: Декабря 22, 2010, 04:21:27 pm от mike »

Denn

  • Global Moderator
  • *****
  • Сообщений: 14277
  • είμαι ο μουσικός και ο ραδιομηχανίκός
    • ICQ клиент - 322153053
    • Просмотр профиля
    • E-mail
Re: Фонокорректор
« Ответ #22 : Декабря 22, 2010, 07:40:16 pm »
@ dks

Напоминает гитарный тракт, особенно 1мом и 68к на входе :) Кстати, зачем для «скоростных» (электродинамических) звукоснимателей такое огромное Rвх?
Не говорите что мне делать, и я не скажу куда Вам идти.

Лучшее решение из возможных - самое простое. И наоборот.

Прежде чем судить

dks

  • Сообщений: 3284
  • GTLab - forever!
    • Просмотр профиля
    • E-mail
Re: Фонокорректор
« Ответ #23 : Декабря 22, 2010, 07:49:57 pm »
Цитировать
@ dks

Напоминает гитарный тракт, особенно 1мом и 68к на входе :) Кстати, зачем для «скоростных» (электродинамических) звукоснимателей такое огромное Rвх?
Это из другой статьи, просто схема отличная от предыдущих, раз уж пошел такой разбор полетов. А ссылку на скоростные сейчас поищу.
"Любое изолированное сообщество со временем отстаёт от общемировой цивилизации." К.Клименко

dks

  • Сообщений: 3284
  • GTLab - forever!
    • Просмотр профиля
    • E-mail
Re: Фонокорректор
« Ответ #24 : Декабря 22, 2010, 07:51:36 pm »
"Любое изолированное сообщество со временем отстаёт от общемировой цивилизации." К.Клименко

Denn

  • Global Moderator
  • *****
  • Сообщений: 14277
  • είμαι ο μουσικός και ο ραδιομηχανίκός
    • ICQ клиент - 322153053
    • Просмотр профиля
    • E-mail
Re: Фонокорректор
« Ответ #25 : Декабря 22, 2010, 09:42:13 pm »
Цитировать
Вот http://gregory.pp.ru/trash/riaa/Riaa_011.pdf

хочется продолжения!
Не говорите что мне делать, и я не скажу куда Вам идти.

Лучшее решение из возможных - самое простое. И наоборот.

Прежде чем судить

dks

  • Сообщений: 3284
  • GTLab - forever!
    • Просмотр профиля
    • E-mail
Re: Фонокорректор
« Ответ #26 : Декабря 23, 2010, 04:54:17 am »
Цитировать
Цитировать
Вот http://gregory.pp.ru/trash/riaa/Riaa_011.pdf

хочется продолжения!
RIAA.rar
"Любое изолированное сообщество со временем отстаёт от общемировой цивилизации." К.Клименко

Jimmy_Page

  • Гость
Re: Фонокорректор
« Ответ #27 : Декабря 23, 2010, 05:49:49 am »
dks схема которую ты выложил кривая. Она имеет три каскада с ОК и тем самым переварачивает фазу.

Peratron

  • Сообщений: 13579
  • GTLab - forever!
    • Просмотр профиля
    • E-mail
Re: Фонокорректор
« Ответ #28 : Декабря 23, 2010, 06:09:43 am »
@ Jimmy Page
А что нам до фазы?!
Схемотехническая мантра: титцешенкохоровицехилл. Повторять до просветления...

Jimmy_Page

  • Гость
Re: Фонокорректор
« Ответ #29 : Декабря 23, 2010, 06:14:35 am »
Как это что нам до фазы? А зачем + и - на динамиках? Для красоты?
Да, и зачем нам + и - на выходе ММ и МС(да и в остальных тоже) головок? Там ведь 4 вывода, на корпусе ничего не висит...
« Последнее редактирование: Декабря 23, 2010, 06:37:00 am от Jimmy_Page »

Denn

  • Global Moderator
  • *****
  • Сообщений: 14277
  • είμαι ο μουσικός και ο ραδιομηχανίκός
    • ICQ клиент - 322153053
    • Просмотр профиля
    • E-mail
Re: Фонокорректор
« Ответ #30 : Декабря 23, 2010, 07:08:27 am »
@ Jimmy Page

Полярность актуальна для "синхронизации" стереоканалов, и если в обоих каналах полярность одинаково "перепутана", то ничего страшного не будет. К тому же после корректора идёт УМ, у которого неизвестно как обстоят дела с фазой.
Не говорите что мне делать, и я не скажу куда Вам идти.

Лучшее решение из возможных - самое простое. И наоборот.

Прежде чем судить

dks

  • Сообщений: 3284
  • GTLab - forever!
    • Просмотр профиля
    • E-mail
Re: Фонокорректор
« Ответ #31 : Декабря 23, 2010, 07:42:15 am »
Цитировать
dks схема которую ты выложил кривая. Она имеет три каскада с ОК и тем самым переварачивает фазу.
если смущает - добавь 4-й  каскад ;D
"Любое изолированное сообщество со временем отстаёт от общемировой цивилизации." К.Клименко

Peratron

  • Сообщений: 13579
  • GTLab - forever!
    • Просмотр профиля
    • E-mail
Re: Фонокорректор
« Ответ #32 : Декабря 23, 2010, 07:48:14 am »
Цитировать
Как это что нам до фазы? А зачем + и - на динамиках? Для красоты?
Только для того, что б подключить их одинаково - и ни для чего более. Никаких таких "плюсов" и "минусов" там нет - достаточно было б маркировать краской, но традиция появилась в те времена, когда цветной пластик ещё не применялся и клеммы были только чёрно-бакелитовые. Вот тогда их и стали условно маркировать плюсиком и минусиком.
Схемотехническая мантра: титцешенкохоровицехилл. Повторять до просветления...

Jimmy_Page

  • Гость
Re: Фонокорректор
« Ответ #33 : Декабря 23, 2010, 07:54:35 am »
Цитировать
@ Jimmy Page
К тому же после корректора идёт УМ, у которого неизвестно как обстоят дела с фазой.
Нормально обстоят. даю голову на отрез что в конвеерных у. её не переворачивают.
Насчёт фазы....если записаный источник звука не симметричен по верхней и нижней полуволне? Уверен что при записи фаза сохранена, почему же в воспроизводящей аппаратуре можно её перевернуть?...

OlegFX

  • Сообщений: 5097
    • Просмотр профиля
Re: Фонокорректор
« Ответ #34 : Декабря 23, 2010, 07:56:52 am »
Jimmy Page, обрати внимание на то, что производится много RRIAA-корректоров как с тремя, так и с двумя каскадами по схеме с ОА. То же самое и с полупроводниковыми девайсами.
« Последнее редактирование: Декабря 23, 2010, 07:58:28 am от olegfx »

Jimmy_Page

  • Гость
Re: Фонокорректор
« Ответ #35 : Декабря 23, 2010, 08:38:05 am »
Кем производятся? Компаниями с достойным именем? Или конторы иван-иваныча, как я уже гворил слышащего влияния предохранителя и покрытия сетевой вилки?

dks

  • Сообщений: 3284
  • GTLab - forever!
    • Просмотр профиля
    • E-mail
Re: Фонокорректор
« Ответ #36 : Декабря 23, 2010, 08:52:18 am »
Цитировать
Кем производятся? Компаниями с достойным именем? Или конторы иван-иваныча, как я уже гворил слышащего влияния предохранителя и покрытия сетевой вилки?
Audio Note достойна?
"Любое изолированное сообщество со временем отстаёт от общемировой цивилизации." К.Клименко

Jimmy_Page

  • Гость
Re: Фонокорректор
« Ответ #37 : Декабря 23, 2010, 08:57:50 am »
Всё может быть. Схему в студию.

dks

  • Сообщений: 3284
  • GTLab - forever!
    • Просмотр профиля
    • E-mail
Re: Фонокорректор
« Ответ #38 : Декабря 23, 2010, 09:10:39 am »
Цитировать
Всё может быть. Схему в студию.
"Любое изолированное сообщество со временем отстаёт от общемировой цивилизации." К.Клименко

Jimmy_Page

  • Гость
Re: Фонокорректор
« Ответ #39 : Декабря 23, 2010, 09:36:55 am »
Что-то здесь нечистое :D ;D Потому что сам корректор не переворачивает, там даже выход REC на запись виднеется. А вот каскад селектора да...
Сказать чесно? Я не считаю себя умнее инженеров аудио-ноут, но мне кажется этот каскад-усилитель ничто иное как маркетинговая фича в ущерб некоторым правилам. И потом напрашивается вопрос, на кой хрен ламповый каскад между линейными выходами тюнеров/цд и линейным входом УМ?  ;)

Сегдня посмотрю схему моего лампового ресивера Pioneer середины семидесятых, там ламповый корректор...заодно и по всему тракту пройдусь. Там и будет истина  ;) :D ;D 
« Последнее редактирование: Декабря 23, 2010, 09:44:24 am от Jimmy_Page »