Автор Тема: "Электронный трансформатор" и постоянка  (Прочитано 4181 раз)

0 Пользователей и 1 Гость просматривают эту тему.

kwlw

  • Сообщений: 2408
  • Тёплый, ламповый
    • Просмотр профиля
Значит запилил тут такую хитрую коробку/матрицу из вентиляторов. Проект предполагал, что питаться всё хозяйство будет от импульсного БП в прошлой жизни бывшего "электронным трансформатором" для галогенных лампочек. Размеры коробки подразумевали место для блока. Всё собрал, подключил, после этого блока поставил мост, конденсатор (не нашёл в мастерской на 25в, поставил на 16в в начале):

Запустил, вентиляторы весело порулили воздух в комнате, но вот незадача, стали замедлять обороты, и я увидел как на глазах вспучиваются кондер и диодный мост. Нуууу прикинул, что кондер попался виды видавший и закоротил. Бывает. Взял другой мост, кондер, перепаял. Вентиляторы опять загудели, но я уже начал смотреть чё и как - через секунд 15, мост нагревается до примерно 60 градусов и продолжает нагреваться дальше. Что интересно - кондер нагревается вместе с ним!
Ну думаю, с вольтажом прогадал, хотя тестер показывает около 10в постоянки. Поставил здоровую банку на 200в (ничего лучшего не нашёл). Эта уже не нагревается, но мост - нагревается. Посадил на радиатор без термопасты (тоже не нашёл, как всегда мастерской (типа домового) утянул куда то). Нагревается медленней но всё равно палец не удержать через пол минуты. Мост вот такой, на 8А:

Ток не мерил, но по надписям на вентиляторах, потребление не должно превышать 5А. Вот и думаю, что здесь может быть. Вот мои мысли, если не трудно - кто нибудь прокомментируйте, укажите правильный вариант.

1. Импулсник даёт не синус, а какую то белиберду, которая плохо переваривается мостом. Нужна другая схема выпрямления (если можно подскажите какая) или надо добавить в ней что-то.
2. Китаец маркирует максимальный ток моста при котором тот уже сгорает. Без теплоотвода и половина тока много. Надо ставить что то вроде такого (на 15-20А) и сделать хороший теплоотвод:

Но тогда возникает вопрос - почему нагревается кондер?
3. Что-то другое. Hапример нужно кондера по больше поставить. Но тогда немножко непонятно, как ток при включении ограничивать - резистором, термистором из ИБП?

Поставить БЖТ нет возможности, так как габарит не позволяет. С удовольствием поставил бы ТН какой нибудь еслиб знал с начала что так всё с этим электронным обернётся. Тор покупать - жаба давит, да и тоже габарит не очень то хорошо влезает, так как место для БП сделано узкое и длинное.

Sau
« Последнее редактирование: Июня 01, 2013, 04:02:10 pm от kwlw »
У меня - свой путь.

new_man

  • Сообщений: 2053
  • GtLab.Net
    • Просмотр профиля
    • E-mail
Re: "Электронный трансформатор" и постоянка
« Ответ #1 : Июня 01, 2013, 04:04:00 pm »
 Диоды Шоттки и шунтирование электролитов керамикой должны спасти отца русской демократии.

Peratron

  • Сообщений: 13579
  • GTLab - forever!
    • Просмотр профиля
    • E-mail
Re: "Электронный трансформатор" и постоянка
« Ответ #2 : Июня 01, 2013, 04:08:51 pm »
@ kwlw

Ты всё ж смотри на рабочие частоты применяемых компонентов!
Схемотехническая мантра: титцешенкохоровицехилл. Повторять до просветления...

ФёдорЫч

  • Сообщений: 1065
  • Long live Rock-n-Roll!!!
    • Просмотр профиля
    • E-mail
Re: "Электронный трансформатор" и постоянка
« Ответ #3 : Июня 01, 2013, 04:10:36 pm »
На фото низкочастотные мостики ,не "прокатят". С "электронного транса" ТАКОЕ (!) "лезет",что только активную нагрузку (свет, тепло...) питать. Попробуйте ОППВ с использованием ультрафаста и электролит "шунтануть" пленкой. Диод можно с компового питателя взять. Вентиляторы какой ток "кушают"??

kwlw

  • Сообщений: 2408
  • Тёплый, ламповый
    • Просмотр профиля
Re: "Электронный трансформатор" и постоянка
« Ответ #4 : Июня 01, 2013, 04:17:40 pm »
Цитировать
Вентиляторы какой ток "кушают"??

5A

Sau
У меня - свой путь.

ФёдорЫч

  • Сообщений: 1065
  • Long live Rock-n-Roll!!!
    • Просмотр профиля
    • E-mail
Re: "Электронный трансформатор" и постоянка
« Ответ #5 : Июня 01, 2013, 04:32:38 pm »
Да. При 5А с ОППВ не очень-то "разбежишься" :-[ Тогда мост на ультрафастах , Шоттки ,кенотронах ;D А если  вентиляторы последовательно (я так понЯл,что их "вагон" ) и от сети запитать?? Не пойдет??
« Последнее редактирование: Июня 01, 2013, 04:37:12 pm от GREtchko »

kwlw

  • Сообщений: 2408
  • Тёплый, ламповый
    • Просмотр профиля
Re: "Электронный трансформатор" и постоянка
« Ответ #6 : Июня 01, 2013, 04:47:18 pm »
Цитировать
@ Peratron
Ты всё ж смотри на рабочие частоты применяемых компонентов!
Чтоб обращать внимание, нужно об этом задуматься  ::). И вообще я заигрался с этой коробкой, в жару, хотелось как можно быстрей всё закончить - получилось как всегда  :-/...

Цитировать
Да. При 5А с ОППВ не очень-то "разбежишься" :-[ Тогда мост на ультрафастах , Шоттки ,кенотронах ;D
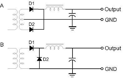
Ну шотки на такие напряжения, как понял, не проблема. Благо трупов импульсных блоков от 10 до 500-700вт в мастерской в наличии :). Как понял нужны эти, сдвоенные, которые транзисторы напоминают выковырять, и подключить по такой схеме (это из БП компа):

Вопрос - обвязка с резистором и плёнкой, это что? И нужен ли дроссель для питания вентиляторов, или он просто нужен для питания более чувствительных компонентов чем моторчики?

Sau
« Последнее редактирование: Июня 01, 2013, 04:48:35 pm от kwlw »
У меня - свой путь.

ФёдорЫч

  • Сообщений: 1065
  • Long live Rock-n-Roll!!!
    • Просмотр профиля
    • E-mail
Re: "Электронный трансформатор" и постоянка
« Ответ #7 : Июня 01, 2013, 05:00:26 pm »
Для вентиляторов дроссель не нужен. В комповых БП по-моему ДППВ с ср. точкой, а вам мост нужно "скостролить". Взять с +5 В 4 корпуса и в каждом использовать 1 диод. RC-цепочка для подавления ВЧ помехи. Лишней не бывает.

kwlw

  • Сообщений: 2408
  • Тёплый, ламповый
    • Просмотр профиля
Re: "Электронный трансформатор" и постоянка
« Ответ #8 : Июня 01, 2013, 06:06:22 pm »
Цитировать
Для вентиляторов дроссель не нужен. В комповых БП по-моему ДППВ с ср. точкой, а вам мост нужно "скостролить".
Ну как бы делают и так и сяк:

Цитировать
RC-цепочка для подавления ВЧ помехи. Лишней не бывает.

Спасибо, понял.

Sau
У меня - свой путь.

kwlw

  • Сообщений: 2408
  • Тёплый, ламповый
    • Просмотр профиля
Re: "Электронный трансформатор" и постоянка
« Ответ #9 : Июня 02, 2013, 09:41:56 am »
Тема закрыта :(. Поставил два спаренных диода из комповых БП в параллель, на радиаторах, всё заработало, диоды холодные, но напряжение только в районе 5в. После минуты гудения - вентиляторы начали замедлять обороты, выключил, стал смотреть. Нагрелся и перегорел транзистор на самом импулснике. Трупик блока присоединился к товарищам в коробке. Рановато видимо мне ещё трогать импульсную технику, рановато...  Поставлю ТН46 в корпусе от комповского БП, надоело, а время тратить - дорого  >:(.

Sau
У меня - свой путь.

THRASH

  • Сообщений: 5719
  • GTLab - forever!
    • Просмотр профиля
    • E-mail
Re: "Электронный трансформатор" и постоянка
« Ответ #10 : Июня 03, 2013, 07:30:22 am »
Я тоже в свое время экспериментировал с такими блоками. У них генерация завязана на тепловой нагрузке, то есть лампочке, применение мостов и прочего делало из ее генератора черти что. так что кроме лампочек и нагревателей его никуда и не применишь.
Jackson JS32RT Dinky->X2N, Gavrilenko custom shop baritone 27*-> AHB-2-->DIY 2х12( governor+v12)

kwlw

  • Сообщений: 2408
  • Тёплый, ламповый
    • Просмотр профиля
Re: "Электронный трансформатор" и постоянка
« Ответ #11 : Июня 03, 2013, 09:21:46 am »
Ну некоторые люди проводили эксперименты более успешно:
http://tehnoobzor.com/schemes/pitanie/80-zaschita-ot-korotkogo-zamykaniya-v-kitayskiy.html

Может когда настроение будет - попробую оживить тот блок, чисто для познавательных целей, но всё таки для "продукции" уже выбрал ТН.

Sau
У меня - свой путь.