Автор Тема: "Бегущая единичка" - схема?  (Прочитано 5460 раз)

0 Пользователей и 1 Гость просматривают эту тему.

DDD

  • Сообщений: 10347
  • Имею личный текст
    • Просмотр профиля
    • E-mail
"Бегущая единичка" - схема?
« : Сентября 15, 2014, 08:20:44 am »
Мужики, есть задача (типа одно-кнопочного селектора входов):
Вводные:
1. Есть ОДНА управляющая кнопка
2. Эта кнопка при каждом нажатии подключает один из четырех входов последовательно, т.е. при  первом нажатии подключается первый вход, при втором нажатии - второй, при третьем - третий, при четвертом - четвертый, при пятом - опять первый... и так далее по кругу.
3. В распоряжении есть логические четырех-входовые И, ИЛИ, элементы НЕ и RS-триггеры.

Подскажите плиз схемку.
*** Просьба не предлагать микроконтроллеры, а только то, что содержит перечисленные в п.3 элементы.
« Последнее редактирование: Сентября 15, 2014, 08:35:43 am от DDD »
Готов подписаться под каждым своим словом

Denn

  • Global Moderator
  • *****
  • Сообщений: 14277
  • είμαι ο μουσικός και ο ραδιομηχανίκός
    • ICQ клиент - 322153053
    • Просмотр профиля
    • E-mail
Re: "Бегущая единичка" - схема?
« Ответ #1 : Сентября 15, 2014, 08:47:29 am »
Проще купить готовый счётчик. Но можно и заморочиться на триггерах, но это будет весьма громоздкая конструкция. Схему можно взять в справочнике по рассыпушной логике, там есть внутрянка микросхем счётчиков - они как раз на триггерах и ЛЭ собраны ;)
Не говорите что мне делать, и я не скажу куда Вам идти.

Лучшее решение из возможных - самое простое. И наоборот.

Прежде чем судить

Ligeti

  • Сообщений: 891
  • GTLab - forever!
    • Просмотр профиля
Re: "Бегущая единичка" - схема?
« Ответ #2 : Сентября 15, 2014, 10:13:19 am »
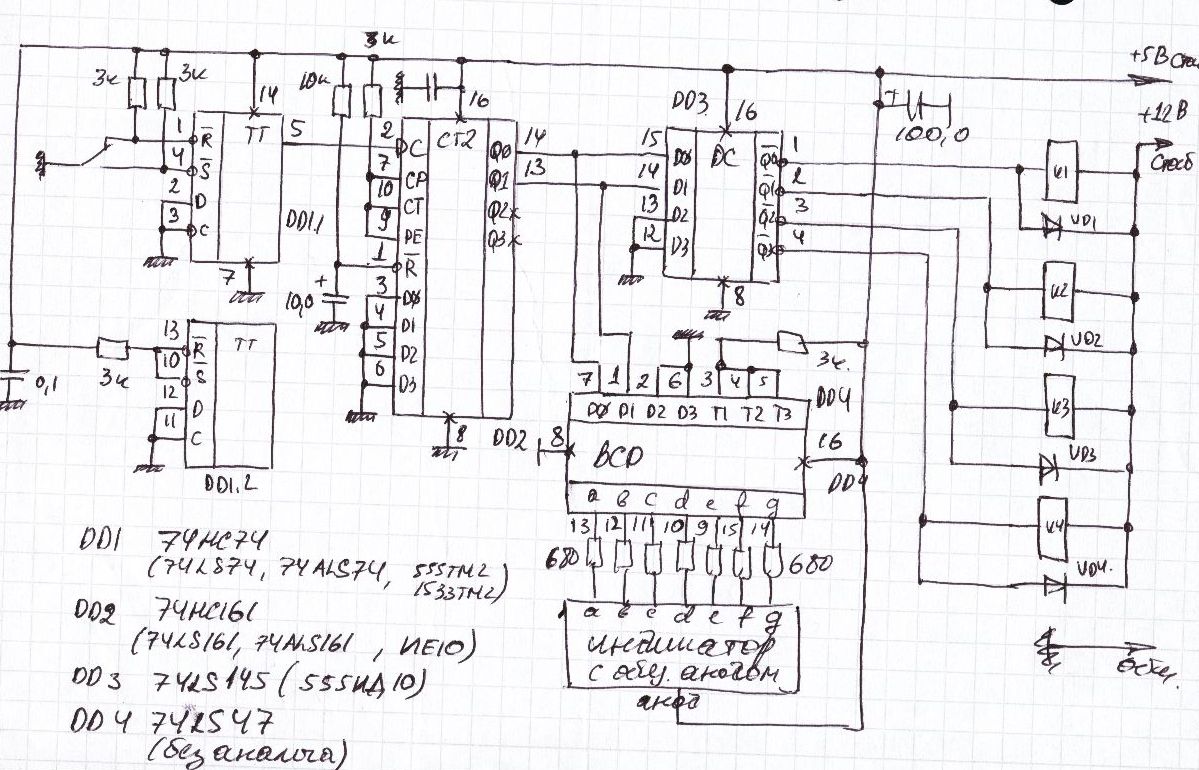
@ DDD

Есть вот такая схема, сам правда не делал, но говорят проверенная.

KSG

  • Сообщений: 5766
  • GtLab.Net forever!
    • Просмотр профиля
    • E-mail
Re: "Бегущая единичка" - схема?
« Ответ #3 : Сентября 15, 2014, 10:14:27 am »
Напрашивается счётчик, толкаемый вручную и автоматически обнуляющийся при достижении нужного числа, а его выхода управляют коммутатором. Но с указанной рассыпухой получится громоздко...
Практика - критерий истины

Denn

  • Global Moderator
  • *****
  • Сообщений: 14277
  • είμαι ο μουσικός και ο ραδιομηχανίκός
    • ICQ клиент - 322153053
    • Просмотр профиля
    • E-mail
Re: "Бегущая единичка" - схема?
« Ответ #4 : Сентября 15, 2014, 10:48:01 am »
Цитировать
Напрашивается счётчик, толкаемый вручную...

Обязательно нужен узел защиты от дребезга. На схеме от Ligeti он как раз есть (на триггере).
Не говорите что мне делать, и я не скажу куда Вам идти.

Лучшее решение из возможных - самое простое. И наоборот.

Прежде чем судить

KMG

  • Сообщений: 3776
    • ICQ клиент - 412221711
    • AOL клиент - Mike
    • Просмотр профиля
    • E-mail
Re: "Бегущая единичка" - схема?
« Ответ #5 : Сентября 15, 2014, 11:22:10 am »
Все делается на одном кристалле (исключая антидребезговую цепь)
http://www.nxp.com/documents/data_sheet/HEF4017B.pdf (для 12В питания)
http://www.nxp.com/documents/data_sheet/74HC_HCT4017.pdf (для 5В питания)
Ограничение счета делается заведением первого неиспользуемого выхода на ресет счетчика.

Kevin

  • Сообщений: 90
  • GtLab.Net forever!
    • Просмотр профиля
    • E-mail
Re: "Бегущая единичка" - схема?
« Ответ #6 : Сентября 15, 2014, 11:55:03 am »
CD4017 же. Стыдно не знать.

Либо два триггера последовательно, делаем 2 бит счетчик, а на выходе дешифратор на рассыпухе, ибо 4017 в списке не значится. Дешифратор есть в любом конспекте студента техникума или ВУЗа

DDD

  • Сообщений: 10347
  • Имею личный текст
    • Просмотр профиля
    • E-mail
Re: "Бегущая единичка" - схема?
« Ответ #7 : Сентября 15, 2014, 12:30:55 pm »
Цитировать
CD4017 же. Стыдно не знать.

Либо два триггера последовательно, делаем 2 бит счетчик, а на выходе дешифратор на рассыпухе, ибо 4017 в списке не значится. Дешифратор есть в любом конспекте студента техникума или ВУЗа
Краснею и рыдаю от жгучего стыда.
Вообще-то, сабж виртуален, т.к. это часть программы ПЛК, а там внутри дофига чего. Сделал несколько вариантов; самый универсальный и простой на пяти счетчиках. Ну, ессно, антидребезг и прочие непременные аксессуары.
*** На простейших ЛЭ тоже делал, но получается весьма громоздко, и больше жрет ресурсов ПЛК.
Вообще, при работе с ПЛК приоритеты несколько отличаются от тех, которые существую при работе с "железячными" элементами. Поэтому и был в нерешительности: делать на простейших ЛЭ или на более сложных функциональных узлах. По сравнении того и другого воочию убедился, что на готовых сложных функциональных блоках в результате получается куда как проще и менее ресурсо-ёмко. 
Готов подписаться под каждым своим словом

KSG

  • Сообщений: 5766
  • GtLab.Net forever!
    • Просмотр профиля
    • E-mail
Re: "Бегущая единичка" - схема?
« Ответ #8 : Сентября 15, 2014, 02:02:09 pm »
Цитировать
CD4017 же. Стыдно не знать.
- огласите весь постыдный список, будьте любезны.
Практика - критерий истины

zEROID

  • Сообщений: 3021
  • Играю на гитаре и паяю с детства :-)
    • ICQ клиент - 24397417
    • Просмотр профиля
    • E-mail
« Последнее редактирование: Сентября 15, 2014, 06:43:44 pm от zeroid »

DDD

  • Сообщений: 10347
  • Имею личный текст
    • Просмотр профиля
    • E-mail
Re: "Бегущая единичка" - схема?
« Ответ #10 : Сентября 16, 2014, 12:43:16 pm »
Никакая не издевка: я программировал контроллер (ПЛК), и мне понадобилось сделать селектор входов ОДНОЙ КНОПКОЙ, чтобы под управление занимать минимум входов ПЛК. Потому и спросил простейшее решение... потом сам раскинул мозгами и сделал так, что самому любо-дорого.
Издевки тут нет.
Кстати, весьма непросто переходить с принципов "железячно-микросхемного мышления" на разработку алгоритмов FBD (Functional Block Diagram). Некоторые решения в языке FBD по привычке представляются заведомо громоздкими, а потом оказываются минималистски простыми.
Для иллюстрации:
http://www.xlogic-plc.com/
« Последнее редактирование: Сентября 17, 2014, 03:58:18 am от DDD »
Готов подписаться под каждым своим словом

zEROID

  • Сообщений: 3021
  • Играю на гитаре и паяю с детства :-)
    • ICQ клиент - 24397417
    • Просмотр профиля
    • E-mail
Re: "Бегущая единичка" - схема?
« Ответ #11 : Сентября 16, 2014, 04:44:59 pm »
весьма непросто переходить с принципов "железячно-микросхемного мышления" на разработку алгоритмов FBD (Finctional Block Diagram)

+100500

Kevin

  • Сообщений: 90
  • GtLab.Net forever!
    • Просмотр профиля
    • E-mail
Re: "Бегущая единичка" - схема?
« Ответ #12 : Сентября 19, 2014, 06:25:31 am »
про ПЛК и устранение гонок речи в посте не было, были заданы рамки, вот в них все и действовали.

KSG - начните с книги "Юный радиолюбитель", прочтете, может чего дальше подскажу.

KSG

  • Сообщений: 5766
  • GtLab.Net forever!
    • Просмотр профиля
    • E-mail
Re: "Бегущая единичка" - схема?
« Ответ #13 : Сентября 19, 2014, 07:33:57 am »
Спасибо за совет, добрый человек, но ту книжку я уже прочёл в далёком 1969 году.
Собираетесь предложить конспекты своих лабораторных работ?
Практика - критерий истины

Kevin

  • Сообщений: 90
  • GtLab.Net forever!
    • Просмотр профиля
    • E-mail
Re: "Бегущая единичка" - схема?
« Ответ #14 : Сентября 19, 2014, 05:53:49 pm »
CD4017 известна с семидесятых. За 20 лет после падения железного занавеса можно было бы немного изучить зарубежную элементную базу, с которой содрана советская "классика", о возмущенный.
« Последнее редактирование: Сентября 19, 2014, 05:57:37 pm от Kevin_Shitnik »

KSG

  • Сообщений: 5766
  • GtLab.Net forever!
    • Просмотр профиля
    • E-mail
Re: "Бегущая единичка" - схема?
« Ответ #15 : Сентября 19, 2014, 05:57:33 pm »
Простите великодушно, если невольно задел: на самом деле эта тема мне безразлична.
Практика - критерий истины

DDD

  • Сообщений: 10347
  • Имею личный текст
    • Просмотр профиля
    • E-mail
Re: "Бегущая единичка" - схема?
« Ответ #16 : Сентября 19, 2014, 06:28:43 pm »
Ребята, всем спасибо за отклики.
Тема исчерпана, прошу прекратить бессмысленные дискуссии.
Готов подписаться под каждым своим словом