Автор Тема: Delay Processor  (Прочитано 8447 раз)

0 Пользователей и 1 Гость просматривают эту тему.

Uncle_Cherry

  • Сообщений: 5237
  • GTLab - forever
    • Просмотр профиля
    • E-mail
Re: Delay Processor
« Ответ #100 : Октября 05, 2015, 06:49:13 pm »
Ребята, а ну-ка попробуйте зайти на SoundCloud:

https://soundcloud.com/ncleherry/old-version-short-delay-time
Время подобно змее, укусившей свой хвост

оleginсhat

  • Сообщений: 1129
  • GtLab.Net forever!
    • ICQ клиент - 5844880
    • Просмотр профиля
    • E-mail
Re: Delay Processor
« Ответ #101 : Октября 05, 2015, 07:41:46 pm »
ага заходится и послушал
Mesa DR 2 ch,Soldano Decatone, then-Fender Champ,Soldano Slo-100,Slo-50,Marshall JCM-800.

Peratron

  • Сообщений: 13579
  • GTLab - forever!
    • Просмотр профиля
    • E-mail
Re: Delay Processor
« Ответ #102 : Октября 06, 2015, 06:21:16 pm »
Цитировать
Женя, заманчиво конечно, но...
Кроме качества дилея, я не собираюсь отказываться и от концепции "всё в одном" - два типа дилея + хор./флэнж.

Возможно ли с МК, четырьмя аналоговыми регуляторами наруливать все возмржные режимы?
 
Без проблем.
Если, конечно, не считать проблемой необходимость шевелить извилинами.
Схемотехническая мантра: титцешенкохоровицехилл. Повторять до просветления...

Uncle_Cherry

  • Сообщений: 5237
  • GTLab - forever
    • Просмотр профиля
    • E-mail
Re: Delay Processor
« Ответ #103 : Октября 07, 2015, 06:54:40 am »
@ Peratron, заинтриговал!
Но заняться смогу только через некоторое время - еще долго нужно разгребать текущие дела.

Встречный вопрос - количество чипов в твоем варианте (включая программатор) будет меньше моего или нет?

Вообще-то есть предложение - спаяй параллельно прототип, и оживи - вот тогда и посоревнуемся.


Время подобно змее, укусившей свой хвост

Uncle_Cherry

  • Сообщений: 5237
  • GTLab - forever
    • Просмотр профиля
    • E-mail
Re: Delay Processor
« Ответ #104 : Октября 08, 2015, 02:01:23 am »
Перезалил уже выложенный файл в SoundCloud:

https://soundcloud.com/ncleherry/iav-old-delay-98
Время подобно змее, укусившей свой хвост

Peratron

  • Сообщений: 13579
  • GTLab - forever!
    • Просмотр профиля
    • E-mail
Re: Delay Processor
« Ответ #105 : Октября 09, 2015, 07:32:54 am »
Цитировать
Встречный вопрос - количество чипов в твоем варианте (включая программатор) будет меньше моего или нет?
Что значит "включая программатор"??

Структура навскидку такая: кодер(интегратор на ОУ) + память + МК.

Цитировать
Вообще-то есть предложение - спаяй параллельно прототип, и оживи - вот тогда и посоревнуемся.
А мне оно надо?!
Схемотехническая мантра: титцешенкохоровицехилл. Повторять до просветления...

Uncle_Cherry

  • Сообщений: 5237
  • GTLab - forever
    • Просмотр профиля
    • E-mail
Re: Delay Processor
« Ответ #106 : Октября 09, 2015, 11:34:53 am »
Цитировать
Структура навскидку такая: кодер(интегратор на ОУ) + память + МК.
В таком случае, каким боком твое предложение относится к сабжу?
Это будет просто другой дилей ::)

Цитировать
Цитировать
Вообще-то есть предложение - спаяй параллельно прототип, и оживи - вот тогда и посоревнуемся.
А мне оно надо?!
Как раз хороший повод не остаться голословным, а доказать состоятельность своих утверждений.
Время подобно змее, укусившей свой хвост

Peratron

  • Сообщений: 13579
  • GTLab - forever!
    • Просмотр профиля
    • E-mail
Re: Delay Processor
« Ответ #107 : Октября 09, 2015, 08:54:06 pm »
Цитировать
В таком случае, каким боком твое предложение относится к сабжу?
Это будет просто другой диле
Я говорю об универсальной структуре задержки, выполняющей все функции, включая любые модуляции.

- многотвотводность/много ЛЗ
- любые модуляции
- одна частота (без свистов).

Цитировать
Как раз хороший повод не остаться голословным, а доказать состоятельность своих утверждений.
А мне оно надо?! (с)...
Схемотехническая мантра: титцешенкохоровицехилл. Повторять до просветления...

Uncle_Cherry

  • Сообщений: 5237
  • GTLab - forever
    • Просмотр профиля
    • E-mail
Re: Delay Processor
« Ответ #108 : Октября 09, 2015, 09:21:10 pm »
Цитировать
Я говорю об универсальной структуре задержки, выполняющей все функции, включая любые модуляции.
Делай универсальную структуру, а мне она неинтересна.
Время подобно змее, укусившей свой хвост

Uncle_Cherry

  • Сообщений: 5237
  • GTLab - forever
    • Просмотр профиля
    • E-mail
Re: Delay Processor
« Ответ #109 : Октября 15, 2015, 03:35:49 pm »
В Хабаровск уже весело поехал первым классом конструктор из двух устройств - модуль дилея для комбика и плата джифеттера без корпуса.

На следующей неделе, когда приедут корпуса G0473. запишу неоднозначный семпл на джифеттере.
Время подобно змее, укусившей свой хвост

Shift Line

  • Сообщений: 100
  • st.Peterbsubrg
    • Просмотр профиля
    • E-mail
Re: Delay Processor
« Ответ #110 : Октября 29, 2015, 03:04:50 pm »
ревер выглядит занятным, но как-то я проглядел размытие хвстов, или модуляцию (танки немного "хорусят" же).
Есть ли демо?  Сравнивали ли с корейцами?
Spin FV-1 декомпилятор: http://s.shift-line.com/decompiler | Поиск радиодеталей: http://s.shift-line.com

Uncle_Cherry

  • Сообщений: 5237
  • GTLab - forever
    • Просмотр профиля
    • E-mail
Re: Delay Processor
« Ответ #111 : Октября 29, 2015, 04:10:53 pm »
Цитировать
ревер выглядит занятным, но как-то я проглядел размытие хвстов, или модуляцию (танки немного "хорусят" же).
Есть ли демо?  Сравнивали ли с корейцами?
Танки не "хорусят", а "кастрюлят". Этот тоже "кастрюлит", но меньше чем танки.

И довольно широкие регулировки - от дилея, до разного вида пространства.

Демо нету, но может выберу время - запишу.

В данный момент для меня актуальна финальная версия дилей процессора, которая на подходе.
Тоже надо писать семплы.
Время подобно змее, укусившей свой хвост

Uncle_Cherry

  • Сообщений: 5237
  • GTLab - forever
    • Просмотр профиля
    • E-mail
Re: Delay Processor
« Ответ #112 : Октября 30, 2015, 09:49:26 pm »
Реверберационный модуль реально существовал в живой примочке.
Но это было давно.
Чтобы помочь желающим повторить сабж, и записать демо-семплы, мне надо собрать по новой, и в более современном корпусе.
Время подобно змее, укусившей свой хвост

Aleksei

  • Сообщений: 197
  • GtLab.Net forever!
    • Просмотр профиля
    • E-mail
Re: Delay Processor
« Ответ #113 : Января 20, 2016, 03:06:35 am »
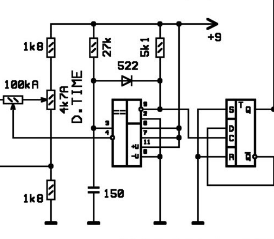
Подскажите правильно ли я название схем поставил, ничего не перепутал? Если еще цоколевку РУ5 посмотрите то вообще замечательно)
Квадратики с цифрой 1 К561ЛН2.

« Последнее редактирование: Января 20, 2016, 03:10:08 am от Aleksei »

Добрый Кот

  • Global Moderator
  • *****
  • Сообщений: 1030
  • GtLab.Net forever!
    • Просмотр профиля
    • E-mail
Re: Delay Processor
« Ответ #114 : Октября 22, 2016, 09:37:19 pm »
Цитировать
2:Uncle_Cherry...отличное дело! Наконец хоть что-то, относительно свежее. Я (кстати) макетил вашу схему, но с чуть более сложными фильтрами. Ну очень она порадовала, чистотой звука (после задержки), так что - очень гуд!
С откликом, Tubeman.

Уважаемый Tubeman, не могли бы Вы пожалуйста поделится схемой упомянутых фильтров?

Добрый Кот

  • Global Moderator
  • *****
  • Сообщений: 1030
  • GtLab.Net forever!
    • Просмотр профиля
    • E-mail
Re: Delay Processor
« Ответ #115 : Октября 23, 2016, 01:00:45 pm »
Всем привет.
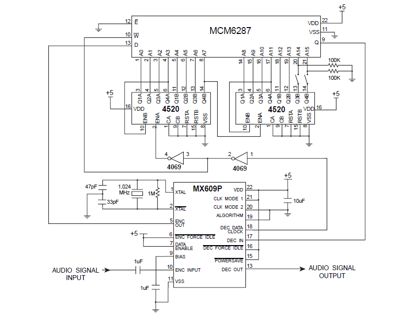
Вот нашел у себя в закромах микросхемы. То же самое что РУ5 только нет надобности в мультиплексорах.
Надеюсь в ближайшем будущем дойдут руки опробовать.
Есть полные аналоги этой памяти из серии CY7C187





Добрый Кот

  • Global Moderator
  • *****
  • Сообщений: 1030
  • GtLab.Net forever!
    • Просмотр профиля
    • E-mail
Re: Delay Processor
« Ответ #116 : Ноября 02, 2016, 10:43:32 pm »
Достался мне дилей Uncle Cherry, версия с 64к. Довольно шумный девайс. Вооружившись осциллографом, я просто ужаснулся от того, что творится в цепях.

Итак, пойдем по порядку:

1) Собственно схема Clock-а на компараторе.

2) Выход компаратора при максимальном времени задержки.

3) Выход компаратора при минимальном времени задержки.

4) Колебания одной и той же частоты с периодом 54нсек неизменны при любом времени задержки и отчётливо просматриваются при соответствующей развертке осциллографа. Амплитуда колебаний просто конская.

5) Форма напряжения на ножке питания памяти. Частота треугольных колебаний соответствует частоте генератора записи/считывания (64к/t.delay). высокочастотные колебания всё с тем же злосчастным периодом 54нсек. Амплитуда по прежнему дикая.

6) Развёртка ВЧ колебаний на ножке питания памяти.

7) Первое что пришло в голову, рязряжать конденсатор через сопротивление. Заодно должна была улучшиться скважность. До паяльника руки не дошли и не известно когда дойдут хоть и дел там на 2 мин, но было время на симуляцию на работе :) Тут есть ещё два нюанса:

- Ножки входа компаратора на авторской схеме ИМХО перепутаны, это вроде бы и логично, да и в симе не запускалось.
- Без сопротивления для разряда - генератор в симе вообще не запускается, а с 1к запустился, проблема с колебаниями вроде как лечится и даже скважность полезного сигнала почти идеальная. Возможно понадобится подгонка диапазона частот, но это надеюсь будут мелочи жизни...


1)




2)




3)




4)




5)




6)




7)


« Последнее редактирование: Ноября 02, 2016, 10:48:39 pm от kote »

Peratron

  • Сообщений: 13579
  • GTLab - forever!
    • Просмотр профиля
    • E-mail
Re: Delay Processor
« Ответ #117 : Ноября 03, 2016, 01:58:28 pm »
Цитировать
4) Колебания одной и той же частоты с периодом 54нсек неизменны при любом времени задержки и отчётливо просматриваются при соответствующей развертке осциллографа. Амплитуда колебаний просто конская.
Это о чём?!

Схемотехническая мантра: титцешенкохоровицехилл. Повторять до просветления...

Добрый Кот

  • Global Moderator
  • *****
  • Сообщений: 1030
  • GtLab.Net forever!
    • Просмотр профиля
    • E-mail
Re: Delay Processor
« Ответ #118 : Ноября 03, 2016, 08:24:04 pm »
Товарищ Peratron, простите за резкость, ну не все могут относится к каждому посту, как к докторской диссертации. Я о колебаниях переходного процесса, которые видно в (3). Просто сделал замеры с уменьшеным time/div и выложил фото в (4)
Там даже курсоры и дельта по времени в 52.8ns
И volt/div на экране. Я был абсолютно уверен, что все предельно  просто и ясно.
« Последнее редактирование: Ноября 03, 2016, 08:25:57 pm от kote »

Peratron

  • Сообщений: 13579
  • GTLab - forever!
    • Просмотр профиля
    • E-mail
Re: Delay Processor
« Ответ #119 : Ноября 03, 2016, 08:33:59 pm »
К сожалению мне моего интеллекта не хватило даже после пояснений - в чём суть проблемы так и не понял...
Схемотехническая мантра: титцешенкохоровицехилл. Повторять до просветления...