Автор Тема: Отличный дист с высоковольтным питанием от Боба  (Прочитано 17510 раз)

0 Пользователей и 1 Гость просматривают эту тему.

Elick

  • Гость
Наконец таки дождался я от Боба схемы. Правда, исходники он не нашёл, давно это было, но нарисовал по памяти. С его слов:
"Вроде так, ежели чего не вспомнил, ребята тут есть толковые, помогут по любому."
Примочь дербанить, на предмет "срисовать", не дал  :'( Сказал, это его любимая, и забрал. Жаль не смог записать сэмплы. Звукач в отпуске.
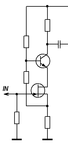
Дык, вот его рукопись:



Сказал, при наличии компа с симулятором, можно отстроить и без осциллографа. Делать надо так:
Берём любую схему на лампах без КП типа энглов, пивиев и пр.. Паяем эту схему заменяя лампочки вышеозначенным каскадом. Рисуем в симуляторе эту схему в оригинале с лампами. Не подавая на вход сигнала в симуляторе меряем постоянки на аноде у каждого звена. У распаянного диста резисторами Ru выставляем близкое напряжение на коллекторе в каждом звене. Затем в симе подаём на ламповую схему на вход переменку 500Гц, такую, что бы на её выходе сигнал был ещё не искажённый. На распаянную схему подаём такой же сигнал с генератора, и с помощью высокоомного вольтметра, подбираем Rg в каждом каскаде, ессна, начиная со входного и по порядку, меряя на коллекторах переменку через ёмкость. При наличии осциллографа, как вы понимаете, процедура несколько упрощается. Да, забыл, и в симе и в распайке все регуляторы тембра выставляем посередине.
Я тут успел посимить это чудо LTspice-ом. Нашёл на винте схему Какого-то пивика, кажись VX, и сделал модельку. Она тут: http://www.onlinedisk.ru/file/909266/
Правда ужо поздно, мож немного где накосячил, но по работе всё очень здорово. Погоняйте её ещё сами, мож у вас это получше получится, а то на сонную голову...
« Последнее редактирование: Июля 12, 2012, 01:00:49 am от Elick »

Vlds

  • Сообщений: 1259
    • Просмотр профиля
    • E-mail
Пока нет семплов и полной схемы девайса - нет предмета разговора. Подобные "чудо-каскады" появляются каждую неделю на форумах как грибы. При том если используется полноценное ламповое анодное напряжение, то выигрыш лишь в замене лампы на транзистор  весьма спорный при доступности нужных ламп, габариты то примочки  изменятся незначительно. Ждём семплы и всю схему. :)
Если все природные явления это дело рук Божьих, то пусть церковь и возмещает ущерб!

Elick

  • Гость
@ Vlds

Вся схема как пример, ессна, во вложенном файле в формате Ltspice.
Мож перенести стабик с диодом для обрезки отрицательной полуволны прямо в затвор? Ну, между ним и истоком. Хотя, на самом деле без разницы. Работу свою он и так выполняет.
А по поводу целесообразности замены ламп... Ну, тут уж как хотите. Во первых звук, всё таки, немного другой. По мне, так даже ничуть не хуже. Та же махровость ламп, хотя и чуть другая, более раскатистая, чтоль, та же динамика, показавшаяся мне, даже, чуть глубже, но это может быть связано со схемными решениями, отличными от тех, что в моём клоне Энгла. Да и по цене и жизненному циклу... Ну, тут сами понимаете.
« Последнее редактирование: Июля 12, 2012, 07:28:35 am от Elick »

new_man

  • Сообщений: 2053
  • GtLab.Net
    • Просмотр профиля
    • E-mail
Конечно стоит довести дело до конструкции.

Denn

  • Global Moderator
  • *****
  • Сообщений: 14277
  • είμαι ο μουσικός και ο ραδιομηχανίκός
    • ICQ клиент - 322153053
    • Просмотр профиля
    • E-mail
"с высоковольтным питанием от Боба"

 ;D


По сабжу: даже если и будет найдена полная замена малосигнальному триоду, то всё-равно это не весь гитарный тракт - остаются как минимум лампы ВК и ТВЗ.
Не говорите что мне делать, и я не скажу куда Вам идти.

Лучшее решение из возможных - самое простое. И наоборот.

Прежде чем судить

Vlds

  • Сообщений: 1259
    • Просмотр профиля
    • E-mail
Elick, а схему всего аппарата можно в виде картинке? Все юзают разные симы.
Если все природные явления это дело рук Божьих, то пусть церковь и возмещает ущерб!

Elick

  • Гость
@ Vlds

OK. Щас на работе, как приеду домой, отрисую её в Splan7 и выложу в виде картинки.

To  ALL
Мне тут подумалось, а если использовать не КП303 а что нить более высоковольтное, можно же будет и размах сигнала на затворе увеличить. Нужно попробовать посимить такой вариант.
Да, забыл, примочка питалась переменкой 15В. Судя по всему с этой переменки формировались и 20В в каскад ОБ, и перевёртышем высокое. Боб говорил, что питание на схему 320В. Так я и симил.

Цитировать
"с высоковольтным питанием от Боба"

 ;D

Да, спросонья все знаки препинания забыл. Пробовал поставить запятую в название, не правится, может что не так делаю???
« Последнее редактирование: Июля 12, 2012, 09:11:20 am от Elick »

KMG

  • Сообщений: 3776
    • ICQ клиент - 412221711
    • AOL клиент - Mike
    • Просмотр профиля
    • E-mail
Этот вариант давно известен (С) Кемпф.

Rst7

  • Сообщений: 1619
  • Мимо проходил...
    • Просмотр профиля
    • E-mail
Так, чтобы несколько раз не вставать ;)

1. Работа предлагаемого каскада по сеточным токам неверна.
2. Выходное сопротивление слишком велико.

Это я топикстартеру, если что.
« Последнее редактирование: Июля 12, 2012, 10:49:10 am от Rst7 »
"Практика выше (теоретического) познания, ибо она имеет не только достоинство всеобщности, но и непосредствен

Elick

  • Гость
@ KMG

Ну, это, всё же, немного не то. Да, и каскод ОИ-ОБ известен намного ранее самого Кэмпфа.

@ Rst7

Никто и не утверждает, что это точная копия триода. Это каскад для построения хорошего диста. А по поводу выходного сопротивления, оно действительно немного больше, но рулится в некоторых пределах резюком Rg.

To ALL

По мне, так, чем хорош этот каскад. Тут можно использовать JFET-ы без подбора, подгоняя Ru&Rg, что для начинающих несколько проще.
« Последнее редактирование: Июля 12, 2012, 11:02:39 am от Elick »

Vlds

  • Сообщений: 1259
    • Просмотр профиля
    • E-mail
Цитировать
а если использовать не КП303 а что нить более высоковольтное, можно же будет и размах сигнала на затворе увеличить

так народ распробовал давно LND150, а до него 2SK216, но и это не "путь к лампе".
Если все природные явления это дело рук Божьих, то пусть церковь и возмещает ущерб!

Rst7

  • Сообщений: 1619
  • Мимо проходил...
    • Просмотр профиля
    • E-mail
Цитировать
Никто и не утверждает, что это точная копия триода. Это каскад для построения хорошего диста.

Да ну?

А как понимать это:
Цитировать
Берём любую схему на лампах без КП типа энглов, пивиев и пр.. Паяем эту схему заменяя лампочки вышеозначенным каскадом. Рисуем в симуляторе эту схему в оригинале с лампами.
....

Так нормального результата никогда не будет. Точнее, какой-то будет, но зачем ссылаться на ламповый прототип, ибо именно с ним ничего общего у предлагаемой топологии не будет. Кстати, по АЧХ в том числе.

Цитировать
А по поводу выходного сопротивления, оно действительно немного больше, но рулится в некоторых пределах резюком Rg.

Немного? Мегаомы у предлагаемой схемы вместо 50кОм у типичной 12AX7?
"Практика выше (теоретического) познания, ибо она имеет не только достоинство всеобщности, но и непосредствен

Elick

  • Гость
@ Rst7

И сколько мегаом? 10? 20? Нагрузите этот каскад через большую ёмкость резистором 50к и посмотрите размах напряжения на нём. Мне ли Вас учить? Если выходное напряжение не превысит 1/20 от напряжения питания, то выходное выше 1М. Я приеду домой посимлю, пока не задавался целью.

KMG

  • Сообщений: 3776
    • ICQ клиент - 412221711
    • AOL клиент - Mike
    • Просмотр профиля
    • E-mail
Попробуй нагрузить на хорошую емкостную нагрузку (напрмер фендеровский ТБ) этот каскад и ламповый.

Elick

  • Гость
@ KMG

ОК, попробую.

@ Vlds

Да, в общем то цель эмулировать лампу была у меня, по причине наивности, Боб, как я понял, просто делал хорошую примочь для себя. Как приспособить этот каскад поближе к лампе, это его ответ, на мой глупый вопрос. Его примочь звучит очень хорошо. Я уже неоднократно писал, что звук, всё таки, другой. ТБ можно нарулить нечто похожее, но не 1в1. Для меня в Бобов дист играть было приятнее. но это совсем не значит, что всем так и нужно поступать! Это, моё ИМХО! Спаяйте макетку, и поиграйтесь сами. Может быть и Ваам это понравится больше. Я не создаю кумира из ламп, если вы считаете, что лучше ламп ничего быть не может, то это не для вас...
« Последнее редактирование: Июля 12, 2012, 01:50:45 pm от Elick »

Антон Калина

  • Сообщений: 1101
  • TUBE SATISFACTION!
    • Просмотр профиля
    • E-mail
Что вы набросились на человека?
Действительно, кому интересно, тот сам спаяет и сделает какие-нибудь выводы.
Здесь не было блатных. Были только нормальные хорошие люди: шпионы, диверсанты, террористы.

sammm

  • Сообщений: 138
  • GtLab.Net forever!
    • Просмотр профиля
    • E-mail
@ Elick

Вообще как-то странно - "Берём любую схему на лампах без КП типа энглов, пивиев и пр.." симулятор..., что должно получиться то??? А межкаскадные цепи, прегейновые фильтры? На что ориентироваться нужно и каким должен быть результат? Характер, собсно, девайса какой - энгл, пиви... или еще какой? Они ведь разные совсем, да и семплов нет. Или каждый для себя что-то свое должен открыть? Причем здесь тогда название темы - "Отличный дист с высоковольтным питанием от Боба"? с ссылкой на один каскад даже без обвязки? Не понятно...

Антон Калина, вот и чего паять то и какие выводы из етого делать нужно???? Например засимил я этот каскад, получил какой-то результат(возможно даже очень близкий к лампе) - как из него сделать "Отличный дист с высоковольтным питанием от Боба"? Не понятно...
« Последнее редактирование: Июля 12, 2012, 08:30:53 pm от sammm »

Elick

  • Гость
@ sammm

Я пока не паял, не было времени. Каскад можно вставлять в ЛЮБУЮ ламповую схему, в которой нет каскада с катодным повторителем. Вся межкаскадка как в прототипе. Я пока только посимил вариант со схемой Peavey VX. Какая схема была у Боба в примочке, он уже не помнит, но, по моему это было что то энглоподобное, потому, что мой клон 530-го энгла звучал достаточно похоже, хоть и зерно было у Боба чуть крупнее. Фидбэк был, выше всяких похвал. Полное ощущение рук и ушей как при игре в лампу. Характер перегруза правда не совпадал с моим 1в1, но это же ведь и не клоны, всё таки. Гейна у Боба было поболя. Хайгейн получался в положении 1-2 часа, но у меня в гитаре датчики от Боба-же, модель Variable в бридже и Heavy Christal в нэке. Они очень мощные. Я привёл схему этого каскада именно для того, чтобы обсудить саму идею. Ту схему что я симил, в формате рисунка, попробую выложить завтра, а то вторую ночь не спать трудновато ))) А та схема, что у мя в симе, она без номиналов. Но, если интересно: http://img859.imageshack.us/img859/8458/20120713005520.jpg
« Последнее редактирование: Июля 14, 2012, 08:24:19 pm от Elick »

sammm

  • Сообщений: 138
  • GtLab.Net forever!
    • Просмотр профиля
    • E-mail
@ Elick

Ну вот, теперь хоть понятно куда флюгер повернуть. Я пару-тройку девайсов собирал на полевиках и зерно, почему-то, во всех случаях получалось чуть крупнее, чем в ламповых прототипах(может это особенность фетов...?). Может казалось так - в лоб не сравнивал. В общем попробуем ;)

Кстати, где Вы берете КП303? Их по-моему уже нереально найти.
« Последнее редактирование: Июля 12, 2012, 09:05:58 pm от sammm »

Rus

  • Сообщений: 1017
    • ICQ клиент - 305702633
    • Просмотр профиля
    • E-mail
Если делать межкаскадку "как в прототипе", то получится фигня, ибо выходное сопротивление... Пересчитывать ее надо полюбому.