Автор Тема: Очередной оконечник на полевиках  (Прочитано 1022 раз)

0 Пользователей и 1 Гость просматривают эту тему.

KMG

  • Сообщений: 3776
    • ICQ клиент - 412221711
    • AOL клиент - Mike
    • Просмотр профиля
    • E-mail
Очередной оконечник на полевиках
« : Ноября 25, 2008, 05:10:06 pm »
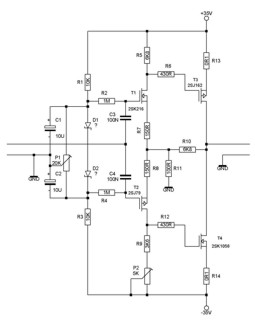
Решил собрать бестрансформаторный вариант на комплементарных полевиках:

Процесс ограничения сигнала (на нагрузке 4 Ом, 10в/дел)







Coveenantor

  • Сообщений: 1678
  • GTLab - наш рулевой
    • Просмотр профиля
    • E-mail
Re: Очередной оконечник на полевиках
« Ответ #1 : Ноября 25, 2008, 06:32:10 pm »
2 KMG: немного смущает ступенька, которая проявляется при заметном ограничении, а так вполне вменяемый результат. Особенно порадовало плавное ограничение в начале. Отлично! Так держать.

ps. Хорошо, что есть люди которые несмотря на все споры вокруг извечной темы "лампа vs транзистор", упорно двигают свои идеи в реальные конструкции.
http://cvsch.narod.ru Ibanez RG20072->Fulltone Fat boost->ZVex Fuzz Factory->JFET WAH->[Bogner Sharp+KittiHawk Quatrro][BSIAB-X]->Boss PH-3->Boss DD7->Classic45

Lion

  • Гость
Re: Очередной оконечник на полевиках
« Ответ #2 : Ноября 26, 2008, 06:18:58 am »
Цитировать
Особенно порадовало плавное ограничение в начале.
А что, очень прилично! Помню кто то выкладывал аналогичные осциллограммы лампового РР (если не ошибаюсь, это был г-н Ерасов). Выглядело ничуть не красивее. Даже наоборот.

OldMike

  • Сообщений: 1963
  • Сложно сделать - просто, наоборот - сложнее...
    • ICQ клиент - 366028254
    • Просмотр профиля
    • E-mail
Re: Очередной оконечник на полевиках
« Ответ #3 : Ноября 26, 2008, 01:31:10 pm »
Цитировать
2 KMG: немного смущает ступенька, которая проявляется при заметном ограничении, а так вполне вменяемый результат.
По моим наблюдениям, в ламповых аппаратах при серьезном ограничении возникает ощутимая ступенька. Видел неоднократно, и причина ее возникновения - сеточные токи выходных ламп при большой амплитуде сигнала с ФИ, из-за чего меняются напряжения смещения на первых сетках.
Единственно, (трудно сказать точно - это надо сравнивать два аппарата) мне показалось, что в ламповом конце более плавные изломы осциллограмм...При жестком ограничении ступенька у ламп заметно больше, по-моему. Буду что-нибудь подходящее чинить - сфоткаю осциллограммы.
Осциллограмма №3 сверху - нехорошо. У лампы (конец на 6П3С-Е, EL-34) сначала идет ограничение процетов этак на 30-50 амплитуды, только потом появляется ступенька, а у тебя (2 KMG) ступенька практически на неограниченном сигнале.
« Последнее редактирование: Ноября 26, 2008, 01:38:17 pm от OldMike »
производится и предлагается к продаже линия примочек/преампов RedCat BM-4/5/6/7 и SL100/FSL100

Алексей

  • Сообщений: 4726
  • MAKE LOVE NOT WAR!
    • ICQ клиент - 314638754
    • Просмотр профиля
    • E-mail
Re: Очередной оконечник на полевиках
« Ответ #4 : Ноября 26, 2008, 03:32:57 pm »
Цитировать
Цитировать
2 KMG: немного смущает ступенька, которая проявляется при заметном ограничении, а так вполне вменяемый результат.
По моим наблюдениям, в ламповых аппаратах при серьезном ограничении возникает ощутимая ступенька. Видел неоднократно, и причина ее возникновения - сеточные токи выходных ламп при большой амплитуде сигнала с ФИ, из-за чего меняются напряжения смещения на первых сетках.
Единственно, (трудно сказать точно - это надо сравнивать два аппарата) мне показалось, что в ламповом конце более плавные изломы осциллограмм...При жестком ограничении ступенька у ламп заметно больше, по-моему. Буду что-нибудь подходящее чинить - сфоткаю осциллограммы.
Осциллограмма №3 сверху - нехорошо. У лампы (конец на 6П3С-Е, EL-34) сначала идет ограничение процетов этак на 30-50 амплитуды, только потом появляется ступенька, а у тебя (2 KMG) ступенька практически на неограниченном сигнале.

Днем назад гонял свой новый оконечник с ФИ-трансом на приборах, с прудом-охладителем, все как положено. Так вот ступеньки выжать так и не смог. Ограничение у ЕЛок жестче, чем на причеденных выше осциллограмммах.
Как я всегда говорил, ступенька из-за разницы выходных сопротивлений плеч ФИ. Мне не верили и чмырили, так вот теперь я сам себе доказал, что еще давным-давно говорил умные вещи. Нет пророка в своем отечестве.

KMG толковый инженер и наверняка согласится со мной насчет причины ступеньки. К тому же АИ ему доступен, судя по предыдущему проекту, поэтому провести эксперимент с ФИ-трансом - вопрос денег и времени. К сожалению, транзисторые ФИ-трансы у меня уже купили.

Lexman

  • Сообщений: 67
  • GTLab - forever!
    • ICQ клиент - 177972676
    • Просмотр профиля
Re: Очередной оконечник на полевиках
« Ответ #5 : Ноября 26, 2008, 04:02:28 pm »
Ступенька из нот гуд, чётко видна уже на второй осциллограмме. Плюс позволю себе побрюзжать на тему организации смещения (тока покоя) выходного каскада. Не бывает идеальных источников и стандартных транзисторов, в любом случае и подстройка нужна, и напряжение питания при нагрузке садится - надо стабилизацию. Плюс ко всему, у SK-шек напряжение открытия растёт с нагревом (с ростом нагрузки), и ступенька появляется раньше, чем ожидается. Так что и термокомпенсацию напряжения покоя на затворах я бы сделал.
Вот... это так, бегло.
Всё что не нужно - выгорит.

KMG

  • Сообщений: 3776
    • ICQ клиент - 412221711
    • AOL клиент - Mike
    • Просмотр профиля
    • E-mail
Re: Очередной оконечник на полевиках
« Ответ #6 : Ноября 26, 2008, 05:14:27 pm »
Lexman прав - осциллограммы в первом посте снимались на прогретых (~70C) транзисторах.
Вот осциллограммы на холодных транзисторах.






Ток покоя от температуры меняется не сильно (в этом районе кривые как раз пересекаются)
Причина по моему кроется в разном изменении характеристик P и N полевиков от температуры.
Вообше, сейчас думаю о переработке схемы в вариант с непосредственной связью. Без развязки оконечного каскада по переменному току.

PS Разброс тока покоя транзисторов одной полярности 1-2 мА, а между полярностями ~ 70 мА при одном смещении.

Bpjkznjh

  • Гость
Re: Очередной оконечник на полевиках
« Ответ #7 : Ноября 26, 2008, 07:09:48 pm »
 [/quote]

Днем назад гонял свой новый оконечник с ФИ-трансом на приборах, с прудом-охладителем, все как положено. Так вот ступеньки выжать так и не смог. Ограничение у ЕЛок жестче, чем на причеденных выше осциллограмммах.
Как я всегда говорил, ступенька из-за разницы выходных сопротивлений плеч ФИ. Мне не верили и чмырили, так вот теперь я сам себе доказал, что еще давным-давно говорил умные вещи. Нет пророка в своем отечестве.
[/quote]
Так у вас в режиме АВ2 усь работает? Или пардон, я ошибся?

Lion

  • Гость
Re: Очередной оконечник на полевиках
« Ответ #8 : Ноября 27, 2008, 06:10:19 am »
Цитировать
Ограничение у ЕЛок жестче, чем на причеденных выше осциллограмммах.
Ага, значит память меня не подвела!  :)
« Последнее редактирование: Ноября 27, 2008, 06:10:56 am от Lion »

Алексей

  • Сообщений: 4726
  • MAKE LOVE NOT WAR!
    • ICQ клиент - 314638754
    • Просмотр профиля
    • E-mail
Re: Очередной оконечник на полевиках
« Ответ #9 : Ноября 27, 2008, 06:50:35 pm »
Цитировать

Так у вас в режиме АВ2 усь работает? Или пардон, я ошибся?

Ошибся. Чистый АВ.

Bpjkznjh

  • Гость
Re: Очередной оконечник на полевиках
« Ответ #10 : Ноября 28, 2008, 06:00:09 pm »
[/quote]Ошибся. Чистый АВ. [/quote]
Без сеточных токов? Тогда ступенька при ограничении должна появляться.

KMG

  • Сообщений: 3776
    • ICQ клиент - 412221711
    • AOL клиент - Mike
    • Просмотр профиля
    • E-mail
Re: Очередной оконечник на полевиках
« Ответ #11 : Ноября 28, 2008, 07:53:25 pm »
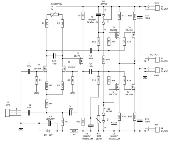
Вот другой вариант раскачки выходных транзисторов.


P1 - для выставления 0 на выходе, P2 - для симметрирования







« Последнее редактирование: Ноября 28, 2008, 08:08:06 pm от mike »

Bpjkznjh

  • Гость
Re: Очередной оконечник на полевиках
« Ответ #12 : Ноября 28, 2008, 08:05:06 pm »
эти осциллограммы гораздо больше похожи на осциллограммы гитарного оконечника. А побольше перегрузить?
« Последнее редактирование: Ноября 28, 2008, 08:05:40 pm от Bpjkznjh »

Lion

  • Гость
Re: Очередной оконечник на полевиках
« Ответ #13 : Ноября 28, 2008, 08:46:00 pm »
Цитировать
эти осциллограммы гораздо больше похожи на осциллограммы гитарного оконечника. А побольше перегрузить?
Куда уж больше? На последнем фото и так уже практически меандр!

KMG

  • Сообщений: 3776
    • ICQ клиент - 412221711
    • AOL клиент - Mike
    • Просмотр профиля
    • E-mail
Re: Очередной оконечник на полевиках
« Ответ #14 : Ноября 28, 2008, 09:15:17 pm »
2 Lion
« Последняя редакция: Вчера :: 23:08:06 от KMG »
Я сперва забыл положить последнюю фотку.

VasiliuS

  • Сообщений: 454
  • GTLab - forever!
    • ICQ клиент - 122816791
    • Просмотр профиля
    • E-mail
Re: Очередной оконечник на полевиках
« Ответ #15 : Ноября 28, 2008, 10:47:41 pm »
да, сейчас лепота - гораздо-гораздее -))

а есть возможность сравнить\послушать?
эксперимента ради можно бы еще сделать регулировку выходного сопротивления, путем ввода источника тока (как делают "фирмачи" кстати) и заслушать ....

эх, интригует автор, интригует.....

респект за проделанную работу!

KMG

  • Сообщений: 3776
    • ICQ клиент - 412221711
    • AOL клиент - Mike
    • Просмотр профиля
    • E-mail
Re: Очередной оконечник на полевиках
« Ответ #16 : Ноября 29, 2008, 11:01:55 pm »
Послушать пока не на чем. Сейчас планирую заказать кабинет у Ерасова.
Преды пока отслушиваю на этом двухполосном 400 Вт монстрике через спикосим.



Пробовал подключать оконечник на нижнюю половину - звук ватный, с обеими (вч через кондер) - песочит.
Так что насчет сэмплов оконечника придется подождать.

Lexman

  • Сообщений: 67
  • GTLab - forever!
    • ICQ клиент - 177972676
    • Просмотр профиля
Re: Очередной оконечник на полевиках
« Ответ #17 : Ноября 30, 2008, 08:15:23 pm »
нашел одну свою старую схемку, подобной задачей маялся. Она даже умудрилась работать на IRFах, у которых ток покоя с температурой растёт. Вцелом похожа на последний вариант, но смещение организуется от цепи с источником тока (развязка от болтанки напряжения питания) вместо R1 и R3, ну и + защита по току каждого плеча мосфетом. Ну и усиления там нет, просто повторитель напряжения (сигнал от лампового преда). Если интересно, выложу... кстати, тоже думал уйти от развязки по постоянке, потом подумал - а зачем? Нижний срез можно сделать любым (помню, прикола ради рукой телепал 6-ю струну с частотой герца 3, а диффузор эти движения повторял )) ).
Всё что не нужно - выгорит.