Автор Тема: Богнер Экстази Ред Педаль  (Прочитано 16777 раз)

0 Пользователей и 1 Гость просматривают эту тему.

Kostyan

  • Сообщений: 1442
  • GTLab - forever!
    • Просмотр профиля
    • E-mail
Re: Богнер Экстази Ред Педаль
« Ответ #20 : Марта 12, 2013, 12:50:52 pm »
Цитировать
DDD, никто не говорит что они плохие, просто есть подозрение что просто в оконечник не будет такого эффекта.
 


Возможно задумывалось как раз для работы в чистый канал. Народ надо сказать тыкает педальки по привычке просто в IN, а не в оконечники и петли.
guitargear27/reborn amp https://vk.com/club46514558

OldMike

  • Сообщений: 1963
  • Сложно сделать - просто, наоборот - сложнее...
    • ICQ клиент - 366028254
    • Просмотр профиля
    • E-mail
Re: Богнер Экстази Ред Педаль
« Ответ #21 : Марта 12, 2013, 03:19:24 pm »
Не. Дело даж не просто в чистом канале - в ламповом чистом, который догружается примочкой. На демках именно так (на одной из них - 100%, кажется синей педальки). У меня сложилось именно такое впечатление.
Ну рано или поздно кто-нибудь пощупает и отпишется, мож мы все и ошибаемся, и педаль очень даже достойная...:)
производится и предлагается к продаже линия примочек/преампов RedCat BM-4/5/6/7 и SL100/FSL100

neon_58

  • Сообщений: 817
  • Без комплексов
    • Просмотр профиля
    • E-mail
Re: Богнер Экстази Ред Педаль
« Ответ #22 : Марта 12, 2013, 03:47:24 pm »
Педаль достойная.
Всё относительно

Жак-Ив-Custom

  • Сообщений: 834
    • Просмотр профиля
    • E-mail
Re: Богнер Экстази Ред Педаль
« Ответ #23 : Марта 12, 2013, 03:51:35 pm »
Я смотрел видео на ютубе, ничего особенного не услышал..
Too Old To Rock And Roll, Too Young To Die..

neon_58

  • Сообщений: 817
  • Без комплексов
    • Просмотр профиля
    • E-mail
Re: Богнер Экстази Ред Педаль
« Ответ #24 : Марта 12, 2013, 04:28:30 pm »
Ну это смотря какой оконечник. Ни для ково секрет, что туда звучат посредственности.
Всё относительно

multitone

  • Сообщений: 665
  • GtLab.Net forever!
    • Просмотр профиля
    • E-mail
Re: Богнер Экстази Ред Педаль
« Ответ #25 : Марта 12, 2013, 08:04:59 pm »
Я всегда  считал, что все  искажалки  включаются  между инструментом  и чистым каналом  хорошего лампового  усилителя  с ручками тембров примерно на середине. Правда, Гилмор  включался в разрыв, но это, по моему, исключение. Если педаль предназначена для работы в CLEAN, разве это недостаток?

OldMike

  • Сообщений: 1963
  • Сложно сделать - просто, наоборот - сложнее...
    • ICQ клиент - 366028254
    • Просмотр профиля
    • E-mail
Re: Богнер Экстази Ред Педаль
« Ответ #26 : Марта 12, 2013, 10:44:58 pm »
Речь не о том, куда воткнули, речь о том, что звучит усил, подогретый педалью...
Смысл фразы в том, что с Богнером эта педаль звучит, как на видео, но нет никаких гарантий, что точно так она прозвучит с Маршаллом MG100...
производится и предлагается к продаже линия примочек/преампов RedCat BM-4/5/6/7 и SL100/FSL100

DDD

  • Сообщений: 10347
  • Имею личный текст
    • Просмотр профиля
    • E-mail
Re: Богнер Экстази Ред Педаль
« Ответ #27 : Марта 13, 2013, 05:59:11 am »
Цитировать
Речь не о том, куда воткнули, речь о том, что звучит усил, подогретый педалью...
Смысл фразы в том, что с Богнером эта педаль звучит, как на видео, но нет никаких гарантий, что точно так она прозвучит с Маршаллом MG100...
В основном, звучание разных комбиков настолько разное изначально, что подбирать примочку "под комбик" приходится в натуре индивидуально.
Готов подписаться под каждым своим словом

multitone

  • Сообщений: 665
  • GtLab.Net forever!
    • Просмотр профиля
    • E-mail
Re: Богнер Экстази Ред Педаль
« Ответ #28 : Марта 13, 2013, 09:38:32 am »
А лучше купить хороший  комбик. Винтажный, который и без грелки  хорошо звучит. И проблемы совместимости с искажалкой  не будет.

Spiteful

  • Сообщений: 1168
  • мэн крутой
    • ICQ клиент - 286974545
    • Просмотр профиля
Re: Богнер Экстази Ред Педаль
« Ответ #29 : Марта 13, 2013, 10:47:20 am »
Цитировать
А лучше купить хороший  комбик. Винтажный, который и без грелки  хорошо звучит. И проблемы совместимости с искажалкой  не будет.
Лучше в пульт, через директбокс.
[size=9] - Комбики ламповые. Примочки транзисторные.
- Я за старые технологии. Я за аналоговую схемотехнику.[/size]

Kostyan

  • Сообщений: 1442
  • GTLab - forever!
    • Просмотр профиля
    • E-mail
Re: Богнер Экстази Ред Педаль
« Ответ #30 : Марта 13, 2013, 11:09:27 am »
http://www.youtube.com/watch?v=37m5SCKvDh0  Вот видосик посмотрел. Понятно что опять таки в лампу, но в разные усилители. И вот http://files.effectsdatabase.com/gear/pics/goosonique_seventheaven_003.jpg фотка второй педали внутри ;)
guitargear27/reborn amp https://vk.com/club46514558

santa

  • Сообщений: 1404
  • с помойки банки рулят, турреты нервно курят
    • Просмотр профиля
Re: Богнер Экстази Ред Педаль
« Ответ #31 : Марта 13, 2013, 02:08:52 pm »
теория убийца практики

slo100>slo100pt  >>  topsecret

DDD

  • Сообщений: 10347
  • Имею личный текст
    • Просмотр профиля
    • E-mail
Re: Богнер Экстази Ред Педаль
« Ответ #32 : Марта 13, 2013, 02:40:32 pm »
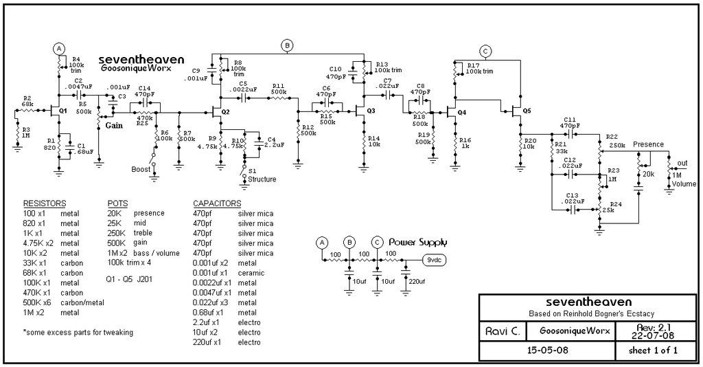
Меня всегда удивляют схемы (см. выше схему Seventheaven), где в одном и том же каскаде сначала поднимают ВЧ (кондерами в цепи затвора), и тут же их валят (кондерами в цепи стока).
Можно, конечно, затянуть привычную песню "так звучит лучше", но я склонен считать это сырой скороспелой разработкой.
И еще меня потряс нафикненужный (в таком виде) ступенчатый фильтр в цепи питания с совершенно неуместными номиналами.
Кстати, этот же самый простой как сопли Seventheaven звучит куда лучше расфуфыренного Red Extasy.
« Последнее редактирование: Марта 13, 2013, 02:42:57 pm от DDD »
Готов подписаться под каждым своим словом

HerSH

  • Гость
Re: Богнер Экстази Ред Педаль
« Ответ #33 : Марта 13, 2013, 02:44:03 pm »
@ santa

Вот эта вот схема реализована для "послушать" или все решилось заменой лампы полевиком в теории? Если последнее, то звук врядли удовлетворит. По-краней мере при сборке по такой схеме я, мягко говоря, был разочарован конечным результатом.

Kostyan

  • Сообщений: 1442
  • GTLab - forever!
    • Просмотр профиля
    • E-mail
Re: Богнер Экстази Ред Педаль
« Ответ #34 : Марта 13, 2013, 02:58:47 pm »
Цитировать

За схему спасибо!
guitargear27/reborn amp https://vk.com/club46514558

santa

  • Сообщений: 1404
  • с помойки банки рулят, турреты нервно курят
    • Просмотр профиля
Re: Богнер Экстази Ред Педаль
« Ответ #35 : Марта 13, 2013, 03:07:21 pm »
пожалуйста!


Цитировать
Вот эта вот схема реализована для "послушать"

я эту схему просто нашёл  гуглом  :D

Цитировать
или все решилось заменой лампы полевиком в теории? Если последнее, то звук врядли удовлетворит. По-краней мере при сборке по такой схеме я, мягко говоря, был разочарован конечным результатом.

 чем разочарован конкретнее можно ?

 здесь   http://zalil.ru/34343938
три мп3  симуляция   :)  схемы полученной  путём  простой замены
 лампы на полевик Uпит в 10 раз снижено (до 10вольт) , схема конечно не эта  из  темы а Uberschall mod
 но некоторое представление может создать ....
« Последнее редактирование: Марта 13, 2013, 03:41:39 pm от klaus »
теория убийца практики

slo100>slo100pt  >>  topsecret

HerSH

  • Гость
Re: Богнер Экстази Ред Педаль
« Ответ #36 : Марта 13, 2013, 03:31:18 pm »
@ santa

http://forum.gtlab.net/cgi-bin/yabb2/YaBB.pl?num=1356806916
Пост №14
Имхо, если повторять, то только с подгонкой межкаскадки и прочим фен-шуем.
« Последнее редактирование: Марта 13, 2013, 03:35:21 pm от HerSH »

OldMike

  • Сообщений: 1963
  • Сложно сделать - просто, наоборот - сложнее...
    • ICQ клиент - 366028254
    • Просмотр профиля
    • E-mail
Re: Богнер Экстази Ред Педаль
« Ответ #37 : Марта 13, 2013, 04:08:29 pm »
ИМХО типичная замена ламп полевиками.
При всем том - может очень прилично звучать, есть опыт... ;)
производится и предлагается к продаже линия примочек/преампов RedCat BM-4/5/6/7 и SL100/FSL100

HerSH

  • Гость
Re: Богнер Экстази Ред Педаль
« Ответ #38 : Марта 13, 2013, 04:16:14 pm »
@ santa

Я предпочитаю сделать макет (реальные условия-реальные компоненты) вместо симуляции. По схеме Экстази у меня получился неудовлетворительный результат о чем я и написал, может у других получится лучше.

@ OldMike

В поддержку схем с заменой лампы полевиком почти без изменений межкаскадки, собирал jcm 800 на полевиках (питание 9 вольт). Ней я более-менее доволен. Семпл в поддержку вышесказанного. (Гитара - преамп - лин.вх - эмуляция маршалловских кабов)
http://zalil.ru/34344031 (пароль gtlab.net)
На этом заканчиваю флудить.


multitone

  • Сообщений: 665
  • GtLab.Net forever!
    • Просмотр профиля
    • E-mail
Re: Богнер Экстази Ред Педаль
« Ответ #39 : Марта 13, 2013, 06:12:16 pm »
DDD писал:Меня всегда удивляют схемы (см. выше схему Seventheaven), где в одном и том же каскаде сначала поднимают ВЧ (кондерами в цепи затвора), и тут же их валят (кондерами в цепи стока).
А меня не  удивляют. Таким примитивным способом  обеспечивается  ненавязчивое выделение  средних  частот. Например, у Клэптона, частота 500-600 Гц почти всегда задрана не меньше, чем на 15 дБ.

DDD писал:
И еще меня потряс нафикненужный (в таком виде) ступенчатый фильтр в цепи питания с совершенно неуместными номиналами.

А меня  не потряс. Таким  образом  уменьшается  взаимная связь каскадов  через источник питания  и, соответственно, повышается устойчивость к самовозбуждению.

А что касается  прямой  замены  ламп на полевики, она  только тогда  даст  ощутимый  эффект, когда  напряжение  питания  будет не 9 Вольт, а хотя бы 27 Вольт, как в Богнер Ред Екстази. А ещё лучше - 100 Вольт.