Всем привет, планирую собрать транзисторную голову скрестив схему Randall RG100ES и УМ на чипе LM1875.
Усилитель будет использоваться для практических занятий. Из оригинальной схемы преампа я убрал:


-Green channel(чистый буду наруливать как Van Halen: ручкой громкости на гитаре)
-Блок реверберации
-Стабилитроны для ограничения сигнала
Просимулировал схему преампа и нашел в оригинальной схеме несколько ошибок:
-неправильно подключен регулятор Bass
-неправильно подключен регулятор Presence


Вопросы по преампу:
-Регулятор Master Volume, характеристика Log?
-Можно ли заменить резистор после Мастер Громкости перемычкой, а то слабый выход у преампа.
Если с преампом все в понятно в принципе, то с УМ вообще ничего не понятно. Усилитель будет запитан от трансформатора на 15 ватт, учитывая что КПД УМ в режиме ИТУН около 50%, то УМ будет мощностью 7 ватт максимум. Почитав статьи и форумы любителей радиотехники, сделал вывод, что из семейства маломощных чипов TDA2030/30A/40/50 и LM1875, последняя звучит лучше всех. Поиск схем на LM1875 ИТУН выдал только 1 схему с зарубежного сайта. Авторы статей утверждают, что в их схемы на TDA2030 подходят для всего этого семейства. Пробовал симулировать в LTspice но ничего внятного не получил. Вообщем подскажите схему на LM1875 в режиме ИТУН на 5-7 ватт с выходным сопротивлением 8 ом , или подскажите как подсчитать.
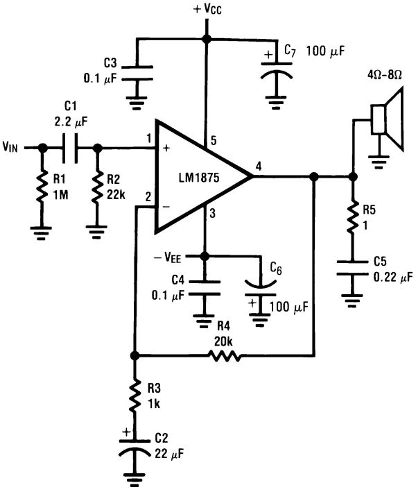
1) Схема из датащита:

2)Схема с зарубежного сайта:

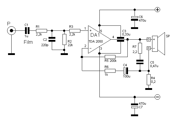
3)Схема для TDA2050
