Автор Тема: Carvin DC400a - нужна схема  (Прочитано 6011 раз)

0 Пользователей и 1 Гость просматривают эту тему.

sadky

  • Сообщений: 463
  • GtLab.Net forever!
    • Просмотр профиля
    • E-mail
Carvin DC400a - нужна схема
« : Августа 16, 2015, 07:37:08 am »
Други, может , у кого завалялась схема начинки сабжа?
Видел, даже имел, но потерялась, видимо, когда менял харды на компе... Хочется попробовать поэкспериментировать со звуком - он,как по мне, ну очень специфичен, только пока не пойму - это из-за дерева онли или можно подогнать электроникой хотя бы на активке под свой вкус. Или, может, есть готовый рецепт у того, кто уже что-то делал с сабжем? Как-то неохота расставаться с красивым, удобным и шикарным инструментом из-за, возможно, какой-то исправимой мелочи ::)

Travka

  • Сообщений: 659
  • GtLab.Net forever!
    • Просмотр профиля
    • E-mail
Re: Carvin DC400a - нужна схема
« Ответ #1 : Августа 16, 2015, 08:30:21 am »
Нужен хороший гитарный комбик и будет звук.
Может ли быть одноногая микросхема?

sadky

  • Сообщений: 463
  • GtLab.Net forever!
    • Просмотр профиля
    • E-mail
Re: Carvin DC400a - нужна схема
« Ответ #2 : Августа 17, 2015, 06:25:39 am »
@ Travka

Нужно не писать ерунду ;)
Она сейчас воткнута в 6505+
До этого пробовались Hughes&Kettner Tube50, Engl Squeeze, SLO, JTM-60...
На чистом инструмент звучит просто убийственно и перекрывает все хотелки - от страта до почти рояля 8-)
А вот перегруз мне не нравится, особенно на нэке :(

Denn

  • Global Moderator
  • *****
  • Сообщений: 14277
  • είμαι ο μουσικός και ο ραδιομηχανίκός
    • ICQ клиент - 322153053
    • Просмотр профиля
    • E-mail
Re: Carvin DC400a - нужна схема
« Ответ #3 : Августа 17, 2015, 08:40:50 am »
Цитировать
На чистом инструмент звучит просто убийственно и перекрывает все хотелки - от страта до почти рояля 8-)
А вот перегруз мне не нравится, особенно на нэке :(
 

Так всё логично! Для хорошего чистого нужен один сигнал, а для хорошего перегруза - другой. "Универсального", одинаково хорошего сигнала не бывает.

Компромиссный выход - использование "грелки" для перегруза. Грелкой нужно акцентировать середину и "замыливать" атаку.

Перегруз на нэке - это вообще сложная тема. В этой позиции идёт очень большой выхлоп по НЧ, поэтому крайне сложно подобрать тракт перегруза, чтобы была чёткость в звуке. С перегрузом всё же чаще играют на бриджевом датчике, с нэком разве что кранч..

И да, чем лучше гитара в плане чистого (богаче низ, сильнее атака, более открытый верх), тем хуже это всё для перегруза (из-за обилия НЧ рыхлый звук, из-за обилия ВЧ - "тонкий" и зудящий).
« Последнее редактирование: Августа 17, 2015, 08:44:33 am от Denn »
Не говорите что мне делать, и я не скажу куда Вам идти.

Лучшее решение из возможных - самое простое. И наоборот.

Прежде чем судить

sadky

  • Сообщений: 463
  • GtLab.Net forever!
    • Просмотр профиля
    • E-mail
Re: Carvin DC400a - нужна схема
« Ответ #4 : Августа 17, 2015, 02:39:26 pm »
@ Denn

Извините, но я не согласен ::)
К примеру, на этом демо - https://www.youtube.com/watch?v=_TMfRFDAtjg  хорошо видно, когда тумблер торчит в сторону бриджа - это и есть нэковый датчик ( до 25-й секунды, в районе 1:00, дальше просто не досмотрел), и для моего неискушённого слуха этот звук и является желаемым. Скажу больше, у меня есть нечто наподобие (Hamer XT индонезийский), и он звучит так же, как на этом демо, и звук мне нравится как чистый, так и перегруженный. Да, он не такой хрустальный на чистом, как у Карвина, но, может быть, в этом и проблема - в обилии ВЧ у Карвина, вот перегруз грязноватым и получается. Конечно, ручка тона пытается спасти ситуацию, но её до нормального результата надо скрутить на 3/4, а это слегка замыливает звук.
Вот поэтому и хочется попробовать немножко поиздеваться над его начинкой с целью немножко усмирить,смягчить звук.
Сколько читал комментов, что, мол, сквозной гриф - убийца атаки, делает звук ваттным и т.д... Фигня, как по мне, это - просто танковый пулемёт, и человек, в отличие от меня умеющий играть, сможет его звуком забивать гвозди.
А ещё любому лентяю понравится, что этот инструмент можно по полгода не подстраивать, и я в их числе (хотя и флойд, правда, может потому, что он оригинальный... ::))
В общем, схема пока всё ещё ищется, а там как пойдёт...

Denn

  • Global Moderator
  • *****
  • Сообщений: 14277
  • είμαι ο μουσικός και ο ραδιομηχανίκός
    • ICQ клиент - 322153053
    • Просмотр профиля
    • E-mail
Re: Carvin DC400a - нужна схема
« Ответ #5 : Августа 17, 2015, 02:54:54 pm »
Цитировать
@ Denn

Извините, но я не согласен ::)

Ради бога. Я лишь поделился своим опытом. Если гитара хорошая (и правильная для данного стиля музыки или данных приёмов звукоизвлечения), то к ней достаточно хорошего усилителя, и совершенно без разницы какая на гитаре электроника и какие звукосниматели.
Не говорите что мне делать, и я не скажу куда Вам идти.

Лучшее решение из возможных - самое простое. И наоборот.

Прежде чем судить

sadky

  • Сообщений: 463
  • GtLab.Net forever!
    • Просмотр профиля
    • E-mail
Re: Carvin DC400a - нужна схема
« Ответ #6 : Августа 17, 2015, 07:09:38 pm »
@ Denn

Я не согласен не категорически, и не со всем :)
Согласен с тем, что универсального инструмента нет. И я конкретно эту гитару покупал, не зная даже, как она звучит и для чего её можно применить - просто запала и всё :-[
Думал, наивный, что вот это - раз и на всю жизнь и на все её случаи, ибо инструмент - реально очень разноплановый, и со всеми отсечками/фигечками/противофазами перекрывает большую палитру звуков...
Но, в то же время, не согласен с тем,что для чистого и перегруза нужны разные инструменты. У меня есть ещё два, кроме Карвина( Хамер и Пиви Т-60) и оба полностью устраивают мои уши во всех ипостасях. Хамер - со стоковыми звучками вообще, а Пиви - с сетом SD (SH-1 и SH-4).
И с тем, что пофиг, чем начинена гитара, я тоже не соглашусь - именно в отношение Карвина, т.к. в нём стоит две платы со своими темброблоками( одна - на актив, другая - на пассив, и в последней - далеко не один кондёр и всё), и влияние на звук  они не оказывать не могут. Активкой давно не пользовался, т.к. задолбался выкидывать батарейки (дома бываю раз в три месяца, а она садится из-за того, что крышкой кейса нажимается пушпульник и включается активка. А достать батарейку вечно забываю...) Но, насколько помню, звук на активе и пассиве ну вообще очень разный, кардинально.
 Просто не хочется выковыривать их и потом думать, что дальше - я люблю наоборот: посмотреть на схему, подумать, решить, что я буду с ней делать, а уж потом по-быстренькому выковырять, изнасиловать и запихнуть обратно :D
Но вот с тем, что очень много зависит от прямоты рук - согласен на 300 пудов. Когда-то в юности услышал Полёт шмеля на Диаманте под минус из кассетника, но от профессионального гитариста из группы И.Понаровской  - воспоминание на всю жизнь ;)

Denn

  • Global Moderator
  • *****
  • Сообщений: 14277
  • είμαι ο μουσικός και ο ραδιομηχανίκός
    • ICQ клиент - 322153053
    • Просмотр профиля
    • E-mail
Re: Carvin DC400a - нужна схема
« Ответ #7 : Августа 18, 2015, 09:32:25 am »
Цитировать
я конкретно эту гитару покупал, не зная даже, как она звучит и для чего её можно применить - просто запала и всё

Неверный подход. Впрочем, если на первом месте имидж и эстетика, то - да, вариант ))


Цитировать
ибо инструмент - реально очень разноплановый, и со всеми отсечками/фигечками/противофазами перекрывает большую палитру звуков...

Комбинации датчиков к разноплановости не имеют отношения. Это всё обман и "маркетинг".
Звучит "деревяха" (конструкция, геометрия, сопромат), а не гитарная электроника.
Кастрированный звук комбинационного включения датчиков - это разновидность для галочки, в реальном миксе таковой практически неприменим.


Цитировать
Но, в то же время, не согласен с тем,что для чистого и перегруза нужны разные инструменты.

Для идеального чистого и для идеального перегруза! А так, при умении и понимании можно любым звуком играть на любой гитаре.


Цитировать
И с тем, что пофиг, чем начинена гитара, я тоже не соглашусь - именно в отношение Карвина, т.к. в нём стоит две платы со своими темброблоками( одна - на актив, другая - на пассив, и в последней - далеко не один кондёр и всё), и влияние на звук  они не оказывать не могут...
...Но, насколько помню, звук на активе и пассиве ну вообще очень разный, кардинально.

Эта самая "кардинальная разница" видна по неопытности. Это как с эквалайзером: вроде как тоже позволяет "кардинально" изменить звук, но по факту как был Сквайер за 5 тыр, так им и остался (для любой другой гитары утверждение в силе).

П.С. Скажем так, в плане гитар издавна существуют готовые проверенные решения "констркуция+материал+типы датчиков+тип электроники". Вариации возможны, но большого смысла в них нет, ибо лучшие варианты давно найдены.
« Последнее редактирование: Августа 18, 2015, 09:34:25 am от Denn »
Не говорите что мне делать, и я не скажу куда Вам идти.

Лучшее решение из возможных - самое простое. И наоборот.

Прежде чем судить

santa

  • Сообщений: 1404
  • с помойки банки рулят, турреты нервно курят
    • Просмотр профиля
Re: Carvin DC400a - нужна схема
« Ответ #8 : Августа 19, 2015, 11:07:58 am »
Цитировать
@ Denn
 Конечно, ручка тона пытается спасти ситуацию, но её до нормального результата надо скрутить на 3/4, а это слегка замыливает звук.
Вот поэтому и хочется попробовать немножко поиздеваться над его начинкой с целью немножко усмирить,смягчить звук.
 

если схема пассивная ,  сделай  переходник джек-гнездо  через проводки  , и к ним припайвай  кондеры   по очереди ...........   туда же  сразу  и фвч можно
 приделать....
теория убийца практики

slo100>slo100pt  >>  topsecret

sadky

  • Сообщений: 463
  • GtLab.Net forever!
    • Просмотр профиля
    • E-mail
Re: Carvin DC400a - нужна схема
« Ответ #9 : Августа 19, 2015, 03:27:23 pm »
Спасибо за идею!
Но я пойду немного другим путём, но в ту же сторону - выпаяю из платы родной Конде р, впаяю проводки и к ним буду подпаивать разные номиналы.
Кстати, окольными путями я таки нашёл схему, в принципе - ничего военного...
И наконец купил крону,поставил и понял,что память подвела - звук пассива и актива почти не отличается,на активен разве что  регулировка тембра глубже и гибче.
Спасибо всем за советы!

Travka

  • Сообщений: 659
  • GtLab.Net forever!
    • Просмотр профиля
    • E-mail
Re: Carvin DC400a - нужна схема
« Ответ #10 : Августа 20, 2015, 02:19:26 am »
Куда крону поставил?
Может ли быть одноногая микросхема?

sadky

  • Сообщений: 463
  • GtLab.Net forever!
    • Просмотр профиля
    • E-mail
Re: Carvin DC400a - нужна схема
« Ответ #11 : Августа 20, 2015, 08:57:47 am »
@ Travka

В рацию(ту,что на бронепоезде ;D)

Travka

  • Сообщений: 659
  • GtLab.Net forever!
    • Просмотр профиля
    • E-mail
Re: Carvin DC400a - нужна схема
« Ответ #12 : Августа 20, 2015, 03:09:06 pm »
А схема на чём?
Может ли быть одноногая микросхема?

sadky

  • Сообщений: 463
  • GtLab.Net forever!
    • Просмотр профиля
    • E-mail
Re: Carvin DC400a - нужна схема
« Ответ #13 : Августа 20, 2015, 03:57:53 pm »
@ Travka

На бронепоезде :)

Travka

  • Сообщений: 659
  • GtLab.Net forever!
    • Просмотр профиля
    • E-mail
Re: Carvin DC400a - нужна схема
« Ответ #14 : Августа 20, 2015, 04:39:51 pm »
Кроме шуток, на транзисторах или микросхемах? :)
Может ли быть одноногая микросхема?

sadky

  • Сообщений: 463
  • GtLab.Net forever!
    • Просмотр профиля
    • E-mail
Re: Carvin DC400a - нужна схема
« Ответ #15 : Августа 20, 2015, 07:57:32 pm »
@ Travka

Ну вот как можно без шуток, если вы спрашиваете, куда я поставил Крону?
Схема на сдвоеном опере.
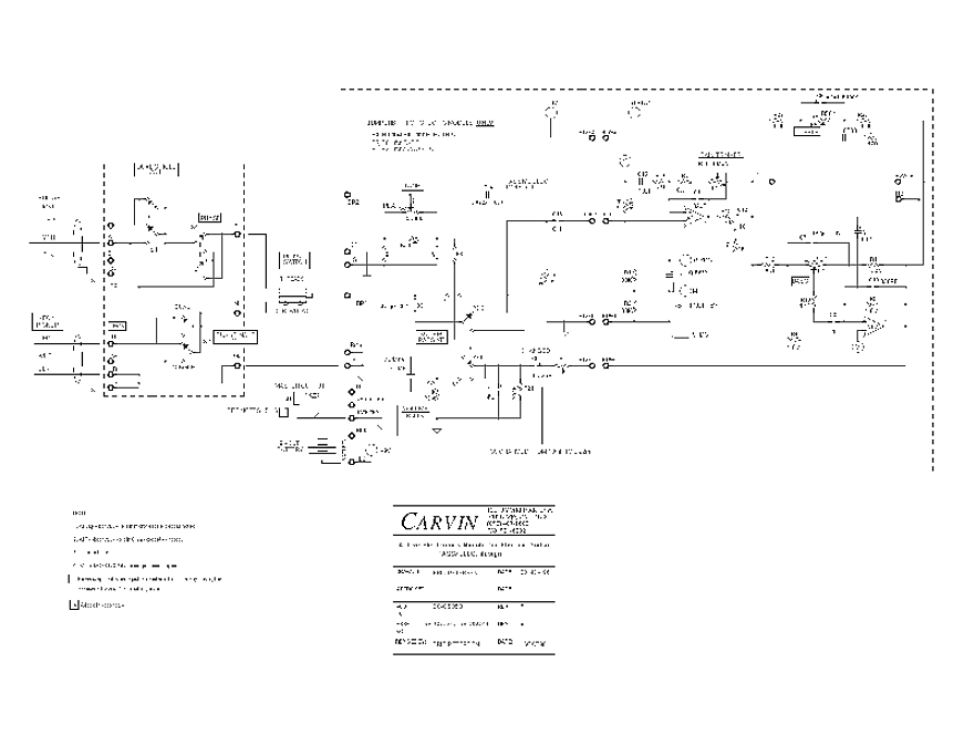
Она на сайте Карвина,называется,кажется,
Module 502g, в разделе гитар.
Во, добрался до компа:


...Странно, но картинка в нормальном виде что-то не открывается,хотя на компе в ПДФ и всё видно :-?
Если кто-то научит, как правильно её сюда залить - сделаю (если,конечно, оно кому-то надо...)
Адрес, по которому лежит схема -  http://www.carvinservice.com/crg/schematics/502g.pdf
« Последнее редактирование: Августа 21, 2015, 05:39:47 am от sadky »

Travka

  • Сообщений: 659
  • GtLab.Net forever!
    • Просмотр профиля
    • E-mail
Re: Carvin DC400a - нужна схема
« Ответ #16 : Августа 22, 2015, 04:29:44 am »
Надо преобразовать в  bmp  формат и потом как обычно.
Вот через наше хранилище.
Достаточно развитая схема.

« Последнее редактирование: Августа 22, 2015, 04:39:08 am от Travka »
Может ли быть одноногая микросхема?