Автор Тема: Терменвоксы. Схем много, а в чём разница?  (Прочитано 9797 раз)

0 Пользователей и 1 Гость просматривают эту тему.

Peratron

  • Сообщений: 13579
  • GTLab - forever!
    • Просмотр профиля
    • E-mail
Re: Терменвоксы. Схем много, а в чём разница?
« Ответ #160 : Ноября 13, 2014, 12:23:34 pm »
Цитировать
Остальное неясно.
Игра на склоне АЧХ второй (фильтрующей) катушки: изменение частоты генератора приводит к изменению амплитуды сигнала, прошедшего через фильтр - дальше просто детектор, фиксирующий это изменение амплитуды.

ХИНТ: играя настройками, можно получить разные типы управляющей функции - как нарастающей, так и спадающей.
Что приводит к тому, что настроить этот узел методом тыка не получится - надо чётко представлять принцип его функционирования.

ХИНТ: в очередной раз указываю на то, что предварительное моделирование в симе позволит улучшить понимание и облегчит настройку в реале...

Цитировать
Придётся экспериментировать
Аналоговая радиочастотная электроника - она такая...
Схемотехническая мантра: титцешенкохоровицехилл. Повторять до просветления...

Martel

  • Сообщений: 1568
  • GtLab.Net forever!
    • Просмотр профиля
    • E-mail
Re: Терменвоксы. Схем много, а в чём разница?
« Ответ #161 : Ноября 13, 2014, 02:17:17 pm »
Фигово....(если управление громкостью сложнее в настройке, чем два генератора, дающие основной диапазон). (вчера собрал ещё один вариант генераторов. Работают)
А для облюбованных схем управления громкостью нет транзисторов. Надо за ними ехать в Екатеринбург. и там искать. Пока путей нет.

---------------------------------------
Оказывается, создатель вроде бы как лучшего терменвокса по тембру и линейности - Георгий Павлов, муж Кавиной, главной терменвоксистки России.
Он по образованию физик.
   Его модель Т-вокс тур, был выпущен ограниченным тиражом (вроде 500 штук)  . И ,видимо,  дальше он не стал этим заниматься. (мне сказали, что заводы этим могут заинтересоваться , если им закажут не менее 1000 штук. А спрос-то маленький. Вот видимо и заглохло)
« Последнее редактирование: Ноября 13, 2014, 02:18:01 pm от Martel »
Если на зло отвечать злом, то зла становится больше.

KSG

  • Сообщений: 5766
  • GtLab.Net forever!
    • Просмотр профиля
    • E-mail
Re: Терменвоксы. Схем много, а в чём разница?
« Ответ #162 : Ноября 13, 2014, 02:35:28 pm »
Ничего не фигово, наоборот схема внятна и логична: C-L-C резонатор с мизерными ёмкостями по 4,7 пФ расширяет комфортность управления через выбранную нелинейность кривой регулирования - левее или правее частоты резонанса. Соль и перец - по вкусу.
Практика - критерий истины

Martel

  • Сообщений: 1568
  • GtLab.Net forever!
    • Просмотр профиля
    • E-mail
Re: Терменвоксы. Схем много, а в чём разница?
« Ответ #163 : Ноября 13, 2014, 06:52:10 pm »
Который собрал вчера, пока без катушки связи с антенной.
Так я попробовал присоединить антенну к коллектору управляемого генератора, чтобы послушать диапазон изменений.
   Антенна конечно работает, меняет тон, но в малом диапазоне. А у меня есть катушка , секционная, где , видимо высокоомным проводом , в шёлковой изоляции намотаны разные секции, с разными сопротивлениями. Какими-то супер точными.
Ну, думаю..подключу её, раз она под рукой, между антенной и генератором.
Нифига ничего не изменилось.
    Можно ради эксперимента подключать готовые индуктивности (светлозелёные с полосками) забыл их тип...Но...проще намотать катушку.
С фторопластом возиться неохота (надо ж токаря искать и сам фторопласт) , а из обычных матероиалов делать не хочу. Раз это такая важная составляющая линейности грифа.
И я решил каркас сделать из миканита.
Это ж супер изолятор.
Вырежу ножницами, склею цапон лаком и намотаю.
Надеюсь цапон лак имеет хорошие диэлектрические свойства.
Кто нибудь в курсе?

И вот ещё вопрос. Важный.
Вот , почти классический тип генератора

И какие в нем частотообразуемые  элементы ?
1 - индуктивность
2 - кондёр между коллектором и эмиттером
А между эмиттером и землёй?

Мне это важно, потому что я хочу на этом транзисторе получить примерно 100 килогерц.

И вот гляжу на разные схемы генераторов (все одного типа) и по номиналам частотозадающих конденсаторов не могу уловить логики.
Порою....в генераторе мЕньшей частоты стоят конденсаторы бОльшей ёмкости. Хмм....
По логике ж...должно быть наоборот.

И вот...эту схему мне надо ,по номиналам , вести в оптимальный для 95-110 килогерц.
При катушке , примерно ЛЭШО 0,07, на каркасе от трехпрограммника, 4 секции по 55 витков. С регулируемым сердечником.

Конденсаторы впаял пока примерно, на свой грубый прикид. Схема работает. Но вряд ли оптимально...
Если на зло отвечать злом, то зла становится больше.

KSG

  • Сообщений: 5766
  • GtLab.Net forever!
    • Просмотр профиля
    • E-mail
Re: Терменвоксы. Схем много, а в чём разница?
« Ответ #164 : Ноября 13, 2014, 07:14:48 pm »
Конденсаторы 0,033 и 0,1 - шунтирующие, на ВЧ их реактивное сопротивление практически равно нулю. На частоту они не влияют.
Практика - критерий истины

Martel

  • Сообщений: 1568
  • GtLab.Net forever!
    • Просмотр профиля
    • E-mail
Re: Терменвоксы. Схем много, а в чём разница?
« Ответ #165 : Ноября 13, 2014, 07:35:24 pm »
Вот!! на них-то я и глядел в надежде, что они  не частотные. Спасибо огромное!

И для меня загадка ....вроде как , если витки у катушки примерно одинаковые, то и конденсаторы в разных схемах должны быть плюс-минус 50-100....ан нет!! Порою на 300-500 пф!
И я сильно дезориентирован этим... :)

А у Королёва, в старой схеме, например....стоит, допустим (не помню уже) 250 пф, а через 3-4 года он пишет, что лучше увеличить на 20-30 пф.
То есть...попахивает необходимостью точности. Вроде как....

Эхх....может соберу в один пост фоты этих генераторов, может кто-то прояснит...
Если на зло отвечать злом, то зла становится больше.

Peratron

  • Сообщений: 13579
  • GTLab - forever!
    • Просмотр профиля
    • E-mail
Re: Терменвоксы. Схем много, а в чём разница?
« Ответ #166 : Ноября 13, 2014, 07:56:32 pm »
Цитировать
Конденсаторы 0,033 и 0,1
Там два по 33н - и один из них очень даже влияющий. Правда, не на частоту, а на режим генерации...
Схемотехническая мантра: титцешенкохоровицехилл. Повторять до просветления...

new_man

  • Сообщений: 2053
  • GtLab.Net
    • Просмотр профиля
    • E-mail
Re: Терменвоксы. Схем много, а в чём разница?
« Ответ #167 : Ноября 13, 2014, 08:12:44 pm »
Цитировать
Эхх....может соберу в один пост фоты этих генераторов, может кто-то прояснит...
Учебник по радиоприемникам все прояснит.

Peratron

  • Сообщений: 13579
  • GTLab - forever!
    • Просмотр профиля
    • E-mail
Re: Терменвоксы. Схем много, а в чём разница?
« Ответ #168 : Ноября 13, 2014, 09:21:51 pm »
Цитировать
Учебник по радиоприемникам все прояснит.
Это же не спортивно!
 ::)
Схемотехническая мантра: титцешенкохоровицехилл. Повторять до просветления...

KSG

  • Сообщений: 5766
  • GtLab.Net forever!
    • Просмотр профиля
    • E-mail
Re: Терменвоксы. Схем много, а в чём разница?
« Ответ #169 : Ноября 14, 2014, 06:39:29 am »
Цитировать
А у Королёва, в старой схеме, например....стоит, допустим (не помню уже) 250 пф, а через 3-4 года он пишет, что лучше увеличить на 20-30 пф.
- в радиотехнике это нормально. Более того, нередко встречаются такие примечания: "номиналы разделительных и блокировочных конденсаторов могут отличаться от указанных в схеме на -50/+100%".
Вот так, легко. И всё работает безо всякого буквоедства.
Практика - критерий истины

KSG

  • Сообщений: 5766
  • GtLab.Net forever!
    • Просмотр профиля
    • E-mail
Re: Терменвоксы. Схем много, а в чём разница?
« Ответ #170 : Ноября 14, 2014, 06:54:13 am »
Небольшой радиотехнический оффтоп. В приёмной аппаратуре обычно конкурировали две школы: одна исповедует двухзатворные MOSFET-тетроды (типа наших КП350), другая - исключительно СВЧ-биполяры. У каждого подхода есть свои плюсы и минусы. Однако решающего преимущества не добилась ни одна из них: суммарное число каскадов и их обвязка, а также конечные параметры радиотракта получались "ноздря-в-ноздрю".
А конечному потребителю глубоко наплевать на все эти изыски...
Практика - критерий истины

Martel

  • Сообщений: 1568
  • GtLab.Net forever!
    • Просмотр профиля
    • E-mail
Re: Терменвоксы. Схем много, а в чём разница?
« Ответ #171 : Ноября 14, 2014, 01:22:46 pm »
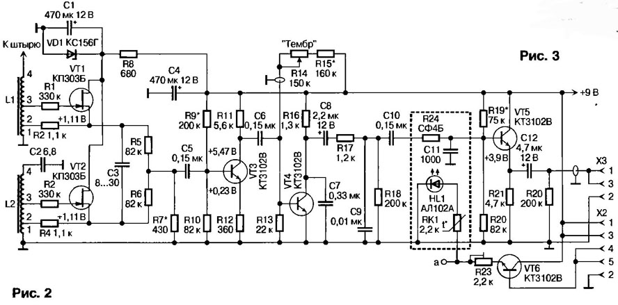
Вот одна из схем Королёва:
    Как думаете, номинал R7 верен? Сигнал при такой засаженности на массу останется, для дальнейшего прохождения по схеме?

И надо выставлять режим транзистора прямо вот так, до сотых? 0,23 вольта, 5,47 вольта....


« Последнее редактирование: Ноября 14, 2014, 01:26:18 pm от Martel »
Если на зло отвечать злом, то зла становится больше.

Martel

  • Сообщений: 1568
  • GtLab.Net forever!
    • Просмотр профиля
    • E-mail
Re: Терменвоксы. Схем много, а в чём разница?
« Ответ #172 : Ноября 14, 2014, 03:04:31 pm »
И вот ещё о чем думаю  :)
О предпочтительности какого монтажа платы генераторов.
Наверное нужны минимально тонкие дорожки и вообще минимум фольгированных участков?
Чтобы паразитные связи минимизировать.
Я бы предпочёл просто текстолит, нефольгированный, и с пистонами-заклёпками. Был раньше такой монтаж. Сверлишь отверстие м2, вставляешь туда минивтулку, залужённую, расклёпываешь изнутри и всё, к ней можно припаиваться.
Но...они у меня уже давно закончились.

А с другой....если сделать максимум фольгированных участков, то может будет бОльшая устойчивость тона?
   Если масса монтажа большая, то посторонние мелочи не будут влиять.
Если на зло отвечать злом, то зла становится больше.

KSG

  • Сообщений: 5766
  • GtLab.Net forever!
    • Просмотр профиля
    • E-mail
Re: Терменвоксы. Схем много, а в чём разница?
« Ответ #173 : Ноября 14, 2014, 04:51:15 pm »
Нужно прочитать, какие критерии подбора R7 предлагает автор, и следовать его рекомендациям. Скорее всего, сигнал с выхода сложения слишком велик.
Сотые доли вольта отражают не насущную необходимость, но честно замеренные автором результаты.
Безусловно верным решением будет использование куска фольгированного материала с максимальной площадью массы и предельно короткими прочими схемными проводниками.
Надёжная, обширная масса - это залог хорошей работы: она отсасывает на себя и зануляет все паразитные связи. Это даже не обсуждается.
Практика - критерий истины

Martel

  • Сообщений: 1568
  • GtLab.Net forever!
    • Просмотр профиля
    • E-mail
Re: Терменвоксы. Схем много, а в чём разница?
« Ответ #174 : Ноября 14, 2014, 05:24:02 pm »
Автор не оговаривал назначение каждого номинала.
Сигнал с полевика слишком велик?..Хмм...(даже учитывая сложение)

Цитировать
Надёжная, обширная масса - это залог хорошей работы: она отсасывает на себя и зануляет все паразитные связи.
Постараюсь не обсуждать. Но последний вопрос по этому аспекту :)
Разве обширная масса (я не про землю, а про массу монтажного металла, и соответственно про бОльшую площадь близкого расположения дорожек друг к другу) не является источником паразитных связей?

А чем монтаж легче, чем тоньше дорожки, и чем эСэМДэшнее детали, то и поля вокруг них меньше?

Эти мысли у меня подпитываются наблюдением монтажа модели Т-Вокс тур, так высоко оцениваемой специалистами.

Там монтаж не такой, как на ВЧ передатчиках, где и пайка толстая и масса-земля по максимуму.
Там наоборот, простор.

Но...при этом , видимо точно расчитанный экран.
« Последнее редактирование: Ноября 14, 2014, 05:45:53 pm от Martel »
Если на зло отвечать злом, то зла становится больше.

KSG

  • Сообщений: 5766
  • GtLab.Net forever!
    • Просмотр профиля
    • E-mail
Re: Терменвоксы. Схем много, а в чём разница?
« Ответ #175 : Ноября 14, 2014, 05:47:53 pm »
Масса является поглотителем паразитных связей. Конструктивная ёмкость между массой и компонентами схемы на самом деле несущественна и ущерба либо расстройки не наносит. Это проверено мной на практике в диапазоне 144 МГц, так что можете поверить на слово. Требования к ВЧ-узлам не являются обязательными для узлов НЧ. Там другие критерии: являются ли они источником или наоборот, сенсором помех в работе устройства в целом. Исходя из разумной целесообразности выбирается и степень их экранирования.
Практика - критерий истины

KSG

  • Сообщений: 5766
  • GtLab.Net forever!
    • Просмотр профиля
    • E-mail
Re: Терменвоксы. Схем много, а в чём разница?
« Ответ #176 : Ноября 14, 2014, 06:05:28 pm »
Цитировать
А чем монтаж легче, чем тоньше дорожки, и чем эСэМДэшнее детали, то и поля вокруг них меньше?
- чем толще/шире и короче дорожки, тем меньше их индуктивность. Поэтому в критических местах (большая мощность или большая частота) этому уделяется повышенное внимание. Тонкая длинная дорожка представляет собой совершенно конкретную индуктивность и очень часто в ДМВ диапазоне и выше многие индуктивности выполняются из фольги на плате в виде разного рода змеевиков и лабиринтов, тщательно рассчитанных и оптимизированных.
В терменвоксе же, работающем даже ниже диапазона ДВ, все эти требования не требуют столь тщательного выполнения и схема, собранная из заведомо исправных деталей, будет работать независимо от типа исполнения: на печати ли, на пистонах ли, пятачках и т.п.
Практика - критерий истины

Martel

  • Сообщений: 1568
  • GtLab.Net forever!
    • Просмотр профиля
    • E-mail
Re: Терменвоксы. Схем много, а в чём разница?
« Ответ #177 : Ноября 15, 2014, 04:33:10 am »
Цитировать
схема, собранная из заведомо исправных деталей, будет работать независимо от типа исполнения: на печати ли, на пистонах ли, пятачках и т.п.
Разумеется, будет.
Вопрос в том - как?

Это как с гитарой. Можно всю сделать из хороших деталей, но...если окараться в миллиметрах при пропиле пазов под лады, то ...то гитара будет играть, звучать. Ведь на неё супер датчики! :) И лады посеребрёны. И струны золочёны....
Но что-то будет не то.... :P

То есть....коль идёт долгая, непрекращающаяся до сего дня, мировая борьба за линейность грифа терменвокса, и до сих пор это сложная задача,  я предпочитаю думать не только о том "заработает, или не заработает?" но ещё и о том как.
Уж извините  :)
« Последнее редактирование: Ноября 15, 2014, 04:52:23 am от Martel »
Если на зло отвечать злом, то зла становится больше.

Peratron

  • Сообщений: 13579
  • GTLab - forever!
    • Просмотр профиля
    • E-mail
Re: Терменвоксы. Схем много, а в чём разница?
« Ответ #178 : Ноября 15, 2014, 04:49:26 am »
Цитировать
То есть....коль идёт долгая, непрекращающаяся до сего дня, мировая борьба за линейность грифа терменвокса, и до сих пор это сложная задача...
Это Неуловимый Джо!
Задачи тут нет...
Схемотехническая мантра: титцешенкохоровицехилл. Повторять до просветления...

Martel

  • Сообщений: 1568
  • GtLab.Net forever!
    • Просмотр профиля
    • E-mail
Re: Терменвоксы. Схем много, а в чём разница?
« Ответ #179 : Ноября 15, 2014, 05:15:58 am »
Задача тут есть и она вот какая (всё таки Королёв в этом деле фигура знАчимая)   
Минимизация паразитных связей там, где это важно для получения конкретных и необходимых для удобства игры результатов. И не только она.
И  чем больше вы учтёте составляющих успеха, тем он будет выше.

И этот успех, видимо, складывается из комплекса мелочей.
Как то: диэлектрические свойства изоляторов материала катушек, плат, проводов (не ради пустяков он обматывал фоторпластом выводы катушек). Переход от провода в антенну крепится в корпусе. Это тоже момент серъёзный.
   Хороший диэлектрический лак, если корпус деревянный.
И тд и тп.

Чтобы Вы (своей рукой) изменяли диапазон инструмента (в его максимальной величине) , а не какие-то косяки-шунты монтажа , нивелирующие Вашу руку.
 :)
Если на зло отвечать злом, то зла становится больше.