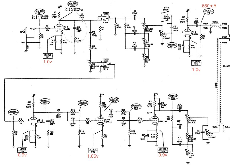
Разобрался с BIAS, поменял электролиты в цепи смещения - все стало ок!
Осталась нерешенной проблема перегруза преда.
В катодах предусилительных ламп почему-то не хватает напряжения, где-то 0,2 вольта, где-то 0,8, при том, что анодное в порядке.
Гляньте пожалуйста, что может быть такое? Всю голову сломал, электролиты в питании поменяны все!

P.S. Заметил такую вещь. Если одним щупом встать на шасси, а другим измерять общий провод на коаксиальных проводах, то чем дальше от входного джека, тем больше возрастают показания на мультиметре (милливольты, DC). К примеру на коаксиальном, в районе ревера минус 0,8 милливольта. Если вставить выходные лампы, то показания приближаются к минус 5 милливольтам. Это нормально?