Автор Тема: Вопрос про входной буфер и регулятор громкости  (Прочитано 2058 раз)

0 Пользователей и 1 Гость просматривают эту тему.

kwlw

  • Сообщений: 2408
  • Тёплый, ламповый
    • Просмотр профиля
Есть УМ без нормального входного буфера и регулировки громкости. Использоваться будет в качестве усилителя для бас гитары. На описании криво написано про "линейный" вход и что перегрузка входа - спалит всё это чудо китайской мысли.

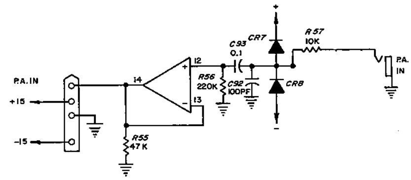
Наковырял из схемы "знаменитого" пивика вот это:


опер - TL072, питание +-15в, диоды 1N4148. Про них собственно первый вопрос - как поминаю они именно для защиты входа от слишком высоких уровней напряжения. Это универсальное решение ставить эти 1N4148, или нужен какой то расчёт по напряжению питания, операционнику и т.п.?

Другой вопрос, если я вместо левого P.A. IN поставлю регулятор громкости и ещё один такой буфер - будет ли это нормально, или для этого нужно другое решение? Пошерстил немножко сеть - ничего толком не нашёл. Понимаю, что большинство устройств уже имеет на выходе соответствующий буфер и это излишество, но хочется взять "на вооружение" универсальное решение.

Sau
« Последнее редактирование: Февраля 03, 2016, 07:17:20 pm от kwlw »
У меня - свой путь.

KSG

  • Сообщений: 5766
  • GtLab.Net forever!
    • Просмотр профиля
    • E-mail
Re: Вопрос про входной буфер и регулятор громкости
« Ответ #1 : Февраля 03, 2016, 07:45:08 pm »
Эти диоды защищают вход ОУ от напряжений, бОльших напряжения его питания и не препятствуют ему забабахать на выходе сигнал 30 вольт rail-to-rail и успешно спалить чудо китайской мысли.
Тут мыслится какой-то ограничитель, не портящий сигнал вне зоны опасных амплитуд...
Практика - критерий истины

kwlw

  • Сообщений: 2408
  • Тёплый, ламповый
    • Просмотр профиля
Re: Вопрос про входной буфер и регулятор громкости
« Ответ #2 : Февраля 03, 2016, 07:53:24 pm »
Цитировать
Эти диоды защищают вход ОУ от напряжений, бОльших напряжения его питания и не препятствуют ему забабахать на выходе сигнал 30 вольт rail-to-rail и успешно спалить чудо китайской мысли.
Тут мыслится какой-то ограничитель, не портящий сигнал вне зоны опасных амплитуд...

Вот те на :(. А я уже размечтался.

Перетаскивать компрессор - из схемы того самого пивея, сложновато получится. Проще уж на лампе тогда :(.

Может что-то на J201 можно сварганить, он ведь быстро на ограничение уходит, что-то типа:


Sau
« Последнее редактирование: Февраля 03, 2016, 07:54:41 pm от kwlw »
У меня - свой путь.

KSG

  • Сообщений: 5766
  • GtLab.Net forever!
    • Просмотр профиля
    • E-mail
Re: Вопрос про входной буфер и регулятор громкости
« Ответ #3 : Февраля 03, 2016, 08:09:50 pm »
Можно запитать ОУ от источников пониженного  напряжения, скажем, +5 и -5.
Либо (это не вполне кошерный вариант) повесить на выходе ОУ обыкновенный диодный ограничитель, как в примочках.
Практика - критерий истины

Bpjkznjh

  • Гость
Re: Вопрос про входной буфер и регулятор громкости
« Ответ #4 : Февраля 03, 2016, 08:39:17 pm »
Цитировать
Тут мыслится какой-то ограничитель, не портящий сигнал вне зоны опасных амплитуд...
А обратно смещённые диоды сильно портят?

KSG

  • Сообщений: 5766
  • GtLab.Net forever!
    • Просмотр профиля
    • E-mail
Re: Вопрос про входной буфер и регулятор громкости
« Ответ #5 : Февраля 03, 2016, 08:43:39 pm »
Я не студент, а вы - не профессор, чтобы меня экзаменовать. Учтите на будущее, пожалуйста.
Лучше дайте совет нуждающемуся в нём.
Практика - критерий истины

Bpjkznjh

  • Гость
Re: Вопрос про входной буфер и регулятор громкости
« Ответ #6 : Февраля 03, 2016, 08:49:57 pm »
Цитировать
Я не студент, а вы - не профессор, чтобы меня экзаменовать. Учтите на будущее, пожалуйста.
Лучше дайте совет нуждающемуся в нём.

Блин, сегодня на всех форумах реально морды готовы бить за просто так. :-?
Я всего лишь спросил.

Denn

  • Global Moderator
  • *****
  • Сообщений: 14277
  • είμαι ο μουσικός και ο ραδιομηχανίκός
    • ICQ клиент - 322153053
    • Просмотр профиля
    • E-mail
Re: Вопрос про входной буфер и регулятор громкости
« Ответ #7 : Февраля 03, 2016, 10:39:24 pm »
Ограничитель на диодах спасёт от сабжевых проблем. И не нужен никакой буфер на ОУ.
Остаётся определить опасное пороговое напряжение и подобрать под него либо паровозик диодов, либо стабилитроны.
Т.е. вся защита будет состоять из токоограничительного резистора и встречно-параллельных диодов/стабов. Всё.
Не говорите что мне делать, и я не скажу куда Вам идти.

Лучшее решение из возможных - самое простое. И наоборот.

Прежде чем судить

KSG

  • Сообщений: 5766
  • GtLab.Net forever!
    • Просмотр профиля
    • E-mail
Практика - критерий истины

kwlw

  • Сообщений: 2408
  • Тёплый, ламповый
    • Просмотр профиля
Re: Вопрос про входной буфер и регулятор громкости
« Ответ #9 : Февраля 04, 2016, 07:42:51 am »
Цитировать
Ограничитель на диодах спасёт от сабжевых проблем.
Т.е. что-то такое:


Цитировать
И не нужен никакой буфер на ОУ.

Почему? Ведь вопрос и об регулировке громкости. Зачем потенциометром нагружать источник? Я конечно забыл, что большинство людей склонны всегда отвечать только на первый вопрос из заданных, но всё таки технари здесь тусуются :).

Цитировать
Остаётся определить опасное пороговое напряжение и подобрать под него либо паровозик диодов, либо стабилитроны.
Т.е. вся защита будет состоять из токоограничительного резистора и встречно-параллельных диодов/стабов. Всё.

А почему нужен паровозик? Опасное напряжение знаем - больше +-0.5в в отношении земли.

Sau
У меня - свой путь.

kwlw

  • Сообщений: 2408
  • Тёплый, ламповый
    • Просмотр профиля
Re: Вопрос про входной буфер и регулятор громкости
« Ответ #10 : Февраля 04, 2016, 07:43:18 am »
@ KSG

Спасибо, покурю тот линк вечером.

Sau
У меня - свой путь.

Denn

  • Global Moderator
  • *****
  • Сообщений: 14277
  • είμαι ο μουσικός και ο ραδιομηχανίκός
    • ICQ клиент - 322153053
    • Просмотр профиля
    • E-mail
Re: Вопрос про входной буфер и регулятор громкости
« Ответ #11 : Февраля 04, 2016, 09:37:30 am »
@ kwlw

Схема верная.

Для регулировки громкости действительно достаточно потенциометра. Можно на входе, можно после первого каскада устройства - это уже по желанию и по религии :)

Ставить каскад на ОУ, да ещё и на TL072 там, где без этого можно обойтись, лично я бы врагу не пожелал. Если требуется также согласование сопротивлений, то это уже третяя задача, о которой ничего не было в ТЗ - тут да, повторитель на ПТ или на ОУ будут уместны.
Не говорите что мне делать, и я не скажу куда Вам идти.

Лучшее решение из возможных - самое простое. И наоборот.

Прежде чем судить

Denn

  • Global Moderator
  • *****
  • Сообщений: 14277
  • είμαι ο μουσικός και ο ραδιομηχανίκός
    • ICQ клиент - 322153053
    • Просмотр профиля
    • E-mail
Re: Вопрос про входной буфер и регулятор громкости
« Ответ #12 : Февраля 04, 2016, 09:46:20 am »
Цитировать
Зачем потенциометром нагружать источник? Я конечно забыл, что большинство людей склонны всегда отвечать только на первый вопрос из заданных, но всё таки технари здесь тусуются :)

Оскорбление не принимается. Я ответил лишь на тот вопрос, который показался действительно интересным и важным.


Цитировать
А почему нужен паровозик? Опасное напряжение знаем - больше +-0.5в в отношении земли.

Я не знаю конкретных условий, и во вводной они не описаны. Фантазировать не имею желания, поэтому расписал в общем случае, далее уже нужно самостоятельно включать голову применительно к локальной задаче.
Если Umax не более 0,7..0,8 Вольт, то достаточно обойтись диодами. Если Umax в пределах до 3-х Вольт, то имеет смысл набирать паровозиками диодов. Если выше 3 Вольт, то проще использовать стабилитроны, т.к. их будет меньше по кол-ву. Как-то так.
Не говорите что мне делать, и я не скажу куда Вам идти.

Лучшее решение из возможных - самое простое. И наоборот.

Прежде чем судить

kwlw

  • Сообщений: 2408
  • Тёплый, ламповый
    • Просмотр профиля
Re: Вопрос про входной буфер и регулятор громкости
« Ответ #13 : Февраля 04, 2016, 07:17:32 pm »
Цитировать
Оскорбление не принимается.

Оскорбление?! Я сижу, фигею  :-?...

Цитировать
Я не знаю конкретных условий, и во вводной они не описаны. Фантазировать не имею желания, поэтому расписал в общем случае, далее уже нужно самостоятельно включать голову применительно к локальной задаче.
Если Umax не более 0,7..0,8 Вольт, то достаточно обойтись диодами. Если Umax в пределах до 3-х Вольт, то имеет смысл набирать паровозиками диодов. Если выше 3 Вольт, то проще использовать стабилитроны, т.к. их будет меньше по кол-ву. Как-то так.

Спасибо, понял. Мне и нужен был рецепт чтоб сам понимал как применять/рассчитать в конкретном случае.

Кстати, почитал тему, которую любезно подкинул KSG - оттуда вышел на неплохую страничку с ликбезом по теме ограничения, кому интересно - нажимаем сюда.

Sau
У меня - свой путь.

KSG

  • Сообщений: 5766
  • GtLab.Net forever!
    • Просмотр профиля
    • E-mail
Re: Вопрос про входной буфер и регулятор громкости
« Ответ #14 : Февраля 04, 2016, 07:40:56 pm »
Хотя это не совсем по теме, но всё равно выглядит заманчиво (а тем более для баса):
http://www.diystompboxes.com/smfforum/index.php?topic=25077.0
Практика - критерий истины

kwlw

  • Сообщений: 2408
  • Тёплый, ламповый
    • Просмотр профиля
Re: Вопрос про входной буфер и регулятор громкости
« Ответ #15 : Апреля 03, 2016, 05:35:59 pm »
Сделал я значит регулировку этой громкости, всё работало ок, но так уж получилось что источник не раскачивает усилитель, понадобилось усилить сигнал в два раза. Ну, посмотрел ликбез, попробовал в протеусе, как бы работает. Впаял резисторы - опамп впадает в какую то нирвану, а на его ножках где должно быть питание - получается меандр сногсшибательной амплитуды в десятки вольт. Что за чёрт?. Ошибок пайки - не нашёл. Что я не так делаю? Номиналы резисторов подобрал не хорошие, разводка, или всё таки ошибка где-то в пайке?


Sau
У меня - свой путь.

Bpjkznjh

  • Гость
Re: Вопрос про входной буфер и регулятор громкости
« Ответ #16 : Апреля 03, 2016, 06:24:39 pm »
Номиналы (150К) лучше раз в 10 уменьшить. Но если ошибок нет, не должно быть "бешеного" меандра. Может, резюк 150К не тот/бракован, и т.д.?

new_man

  • Сообщений: 2053
  • GtLab.Net
    • Просмотр профиля
    • E-mail
Re: Вопрос про входной буфер и регулятор громкости
« Ответ #17 : Апреля 03, 2016, 06:25:14 pm »
На 4 и 8 ногах меандр??

Holy

  • Сообщений: 564
    • ICQ клиент - 414674908
    • Просмотр профиля
    • E-mail
Re: Вопрос про входной буфер и регулятор громкости
« Ответ #18 : Апреля 03, 2016, 10:30:23 pm »
Не должно быть бешеного меандра. Может стоит уменьшить R1, а то может из за него ограничение сигнала.
Ibanez RG320FM→SloRectoTwin→D.I.Y.
amp 6П3С.

kwlw

  • Сообщений: 2408
  • Тёплый, ламповый
    • Просмотр профиля
Re: Вопрос про входной буфер и регулятор громкости
« Ответ #19 : Апреля 04, 2016, 04:44:52 am »
Цитировать
На 4 и 8 ногах меандр??

Именно

Sau
У меня - свой путь.