Автор Тема: Вопрос по селектору  (Прочитано 1487 раз)

0 Пользователей и 1 Гость просматривают эту тему.

Ligeti

  • Сообщений: 891
  • GTLab - forever!
    • Просмотр профиля
Вопрос по селектору
« : Мая 11, 2014, 05:51:45 am »
Друзья, всем привет!
Есть не большой вопросик по поводу кнопочного селектора аудио входов.
Техническое задание такое: необходим 4-х канальный коммутатор на реле, управляемых сигналами триггеров. Все управление должно происходить с лицевой панели с 4 кнопками. Однократное нажатие на кнопку включает канал (допустим канал №1), нажатие на следующую выключает канал №1 и включает канал №2 ну и так далее. То есть принцип простой: одна кнопка - один канал.
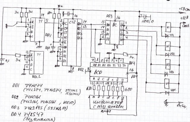
Есть достаточно хорошая схема с управлением от одной кнопки да еще и с индикацией. Но не нравится то, что отображаться будет только до цифры "3" а далее сбрасываться в ноль. Если включить выход Q2 DD2 то отображаться будет уже от 0 до 7, что ввобще говоря много  :(
В общем друзья, очень надеюсь на вашу помощь в поисках схемы или решений.

ert

  • Гость

Ligeti

  • Сообщений: 891
  • GTLab - forever!
    • Просмотр профиля
Re: Вопрос по селектору
« Ответ #2 : Мая 11, 2014, 07:59:37 am »
@ ert

Спасибо за ссылку. Но схема все равно работает от одной кнопки а не от четырех как мне хотелось бы. Максимум - можно применить немного другой счетчик и сделать 2 кнопки "влево" и "вправо". Но все равно мне хочется 4 кнопки для 4 каналов...

ert

  • Гость
Re: Вопрос по селектору
« Ответ #3 : Мая 11, 2014, 08:14:42 am »
forum.gtlab.net/cgi-bin/yabb2/YaBB.pl?num=1380631655

new_man

  • Сообщений: 2053
  • GtLab.Net
    • Просмотр профиля
    • E-mail
Re: Вопрос по селектору
« Ответ #4 : Мая 11, 2014, 08:36:59 am »
В общем - бъемся над повторением логики работы линейки переключателей П2К с зависимой фиксацией. Повторение уже раз пройденного советским радиопромом.
Забавно.

Селекторы каналов телевизионный приемников. Информации сохранилось немеряно.
Поначалу использовались многостабильные триггеры на рассыпухе.
Последним выдохом г-на пэжэ была микросхема К174КП3.

Довольно оригинальный способ управления - "Радио" 1987 №3 стр. 45-46.

zEROID

  • Сообщений: 3021
  • Играю на гитаре и паяю с детства :-)
    • ICQ клиент - 24397417
    • Просмотр профиля
    • E-mail
Re: Вопрос по селектору
« Ответ #5 : Мая 11, 2014, 09:29:52 am »
А может это....атмель? Получим гибкость и все возможные мыслимые и немыслимые сочетания вкл-выкл, да ещё можно с задержкой от глитчей.
« Последнее редактирование: Мая 11, 2014, 09:38:09 am от zeroid »

Ligeti

  • Сообщений: 891
  • GTLab - forever!
    • Просмотр профиля
Re: Вопрос по селектору
« Ответ #6 : Мая 11, 2014, 09:38:10 am »
@ ert
По приведенным ссылкам схемы не работают как надо. Час в протеусе крутил/рисовал - не переключает. Или я тупо не врубаюсь в принцип их работы.

@ new_man
Вроде того :) Мне он кажется наиболее информативным.

@ zEROID
Самая правильная идея :) Но я полный ноль в микроконтроллерах!




Denn

  • Global Moderator
  • *****
  • Сообщений: 14277
  • είμαι ο μουσικός και ο ραδιομηχανίκός
    • ICQ клиент - 322153053
    • Просмотр профиля
    • E-mail
Re: Вопрос по селектору
« Ответ #7 : Мая 11, 2014, 10:53:52 am »
"Аналог П2К" с зависимой фиксацией элементарно делается вот так:



Ещё проще к этой схеме "прикручивается" 7-сегментная индикация в каком угодно виде.
Не говорите что мне делать, и я не скажу куда Вам идти.

Лучшее решение из возможных - самое простое. И наоборот.

Прежде чем судить

research

  • Гость
Re: Вопрос по селектору
« Ответ #8 : Мая 12, 2014, 07:13:51 am »
По мойму, тут тини 2313 самое место, или атмеге8 за 30 рублей.

jager

  • Сообщений: 543
  • GTLab - forever!
    • ICQ клиент - 147601708
    • Просмотр профиля
    • E-mail
Re: Вопрос по селектору
« Ответ #9 : Мая 12, 2014, 09:37:34 am »
Я делал 3 канала на Тиньке. Потому что не нашёл нормальных кнопок без фиксации, да и с логикой получалось очень замудрясто. Могу раскопать проект и прошивку, если нужно.
[size=9]-Хвендер Чамп 5с1, Хвендер Чамп 5е1, Engl mod2, tomato etc-
-Гитарные девайсы-[/size]

Ligeti

  • Сообщений: 891
  • GTLab - forever!
    • Просмотр профиля
Re: Вопрос по селектору
« Ответ #10 : Мая 12, 2014, 01:28:23 pm »
Эх, ну попробуйте найти проект и сбросить его сюда, если не сложно. Но я еще раз подчеркиваю что полный ноль в МК и программировании  :-/

Peratron

  • Сообщений: 13579
  • GTLab - forever!
    • Просмотр профиля
    • E-mail
Re: Вопрос по селектору
« Ответ #11 : Мая 12, 2014, 01:45:31 pm »
Цитировать
Но я еще раз подчеркиваю что полный ноль в МК и программировании
Для того, что б решить задачу практически - достаточно пары вечеров, если серое вещество в порядке.
Ну, и некоторые финансовые затраты - в виде программатора, вариантов схем которого в сети немеряно.
И, главное, покупабельно в готовом виде - если по быстрому, то несколько дороже, а если у братьев заклятых, то вовсе за никакую копейку.

ХИНТ: сама задача - ровно то, с чего имеет смысл входить в тему.
Ну, нет там ничего сложного.

ХИНТ: Для совсем начинающих есть среды программирования с визуальным интерфейсом - квадратики двигать да стрелочки рисовать...
Схемотехническая мантра: титцешенкохоровицехилл. Повторять до просветления...

Peratron

  • Сообщений: 13579
  • GTLab - forever!
    • Просмотр профиля
    • E-mail
Re: Вопрос по селектору
« Ответ #12 : Мая 12, 2014, 01:49:54 pm »
Цитировать
По мойму, тут тини 2313 самое место, или атмеге8 за 30 рублей.
Лечше сразу мегу-8 брать - на первый раз. У неё памяти больше - что для программирования на Си может оказаться критичным.

Четвертак разницы по цене тут не критичен - а вот свобода интеллектуального маневра важней...
Схемотехническая мантра: титцешенкохоровицехилл. Повторять до просветления...

Peratron

  • Сообщений: 13579
  • GTLab - forever!
    • Просмотр профиля
    • E-mail
Re: Вопрос по селектору
« Ответ #13 : Мая 12, 2014, 02:09:54 pm »
@ Ligeti

Чуток оффтопика - но мне представляется, что всё ж фтему:

[media]http://www.youtube.com/watch?v=ja57cWaCYmo[/media]

ХИНТ: тут, конечно, куча готовых модулей по недетской цене - а твоя задача стоит реально копейку.
Просто если уж ребёнок справляется - то точно, что нет в этом ничего сверхсложного.
Классическая схемотехника посложней программирования будет - умеешь с живой схемой справиться, так с программой тем паче.

Надо просто однажды в это всё окунуться и протолкнуть тему через стартовый бугор.
Дальше ехать гораздо проще, чем паяльником орудовать...
Схемотехническая мантра: титцешенкохоровицехилл. Повторять до просветления...

Ligeti

  • Сообщений: 891
  • GTLab - forever!
    • Просмотр профиля
Re: Вопрос по селектору
« Ответ #14 : Мая 13, 2014, 09:31:43 am »
Да уж, действительно воодушевляет. Что ж, буду осваивать. Тема и правда актуальная. Сразу захотелось прикрутить LCD дисплей с индикацией включенных каналов и т.д. и т.п.
Кстати вопрос. Микроконтроллер будет управлять переключением. То есть подавать 0 или +5 вольт на реле. При этом всегда рекомендуется катушки реле соединять с сигнальной землей. Но опять же всегда рекомендуется сигнальные и цифровые земли разделять. Вопрос - как быть? Городить изолятор или что-то проще бывает?

jager

  • Сообщений: 543
  • GTLab - forever!
    • ICQ клиент - 147601708
    • Просмотр профиля
    • E-mail
Re: Вопрос по селектору
« Ответ #15 : Мая 13, 2014, 09:45:09 am »
К сожалению, проект не нашёл. Но схема там простая как грабли: на три порта МК идут кнопки с подтяжкой, и с других трёх портов идёт управление реле через транзисторы.
Прошивка для тиньки и текст программы тут: https://dl.dropboxusercontent.com/u/62071043/My_projects/%21%21Line_selector.rar
[size=9]-Хвендер Чамп 5с1, Хвендер Чамп 5е1, Engl mod2, tomato etc-
-Гитарные девайсы-[/size]

Peratron

  • Сообщений: 13579
  • GTLab - forever!
    • Просмотр профиля
    • E-mail
Re: Вопрос по селектору
« Ответ #16 : Мая 13, 2014, 09:58:41 am »
Цитировать
Сразу захотелось прикрутить LCD дисплей с индикацией включенных каналов и т.д. и т.п.
Вот "сразу" - не надо!
Это задача следующих этапов.
А для начала - поморгать светодиодиками.
Схемотехническая мантра: титцешенкохоровицехилл. Повторять до просветления...

Peratron

  • Сообщений: 13579
  • GTLab - forever!
    • Просмотр профиля
    • E-mail
Re: Вопрос по селектору
« Ответ #17 : Мая 13, 2014, 09:59:41 am »
Цитировать
При этом всегда рекомендуется катушки реле соединять с сигнальной землей
Это, мягко говоря, большая новость...
Схемотехническая мантра: титцешенкохоровицехилл. Повторять до просветления...

zEROID

  • Сообщений: 3021
  • Играю на гитаре и паяю с детства :-)
    • ICQ клиент - 24397417
    • Просмотр профиля
    • E-mail
Re: Вопрос по селектору
« Ответ #18 : Мая 13, 2014, 01:27:31 pm »
всегда рекомендуется катушки реле соединять с сигнальной землей

Специально чтобы щёлкало?

Ligeti

  • Сообщений: 891
  • GTLab - forever!
    • Просмотр профиля
Re: Вопрос по селектору
« Ответ #19 : Мая 13, 2014, 02:55:59 pm »
@ zEROID

Слышимое щелканье реле это скорее признак наличия постоянных потенциалов на выходе источника сигнала. Если конечно реле не полное г..но.

@ Peratron

А что в этом нового? Вот смотрите: питание на катушки реле будет подаваться от МК (5 вольт при токе до 40 мА вполне достаточно). Тот факт, что цифровые части устройств "шумят" и что аналоговые и цифровые земли надо делить ни у кого, надеюсь, сомнений не вызывает. Так вот, любая катушка реле это по сути трансформатор, поэтому возникновение на ней помехи вызовет появление ЭМП помехи, которая тут же попадает на сигнальный проводник внутри реле. Что дальше - понятно.
Конечно, в конечном счете общий провод цифровой части будет соединен с общим проводом аналоговй части через резистор не большого сопротивления.