Автор Тема: выходной усилитель на 2 лампах 6п3се. нужна помощь  (Прочитано 128183 раз)

0 Пользователей и 1 Гость просматривают эту тему.

оleginсhat

  • Сообщений: 1129
  • GtLab.Net forever!
    • ICQ клиент - 5844880
    • Просмотр профиля
    • E-mail
Re: выходной усилитель на 2 лампах 6п3се. нужна помощь
« Ответ #200 : Сентября 14, 2016, 09:16:27 am »
Хотя смотря что за гитара..При хорошем современном звукоснимателе и струнах гитара может отдать до единиц вольт RMS. Т.е. для чего тут балансное подключение? Если планируется электрогитара Урал, да ещё с развитым пассивным темброблоком прямо на гитаре, уровень сигнала скатывается к единицам микровольт. Может и стоит тогда.... И все равно проще тогда усилить сигнал прямо в гитаре....чтобы уменьшить шум. К тому же лично я не видел ни одного лампового гитарного усилителя, имеющего балансный вход. Так что думаю имеет смысл сделать в вашем усилителе балансный вход-это будет прорыв!
« Последнее редактирование: Сентября 14, 2016, 09:26:38 am от Oleginchat »
Mesa DR 2 ch,Soldano Decatone, then-Fender Champ,Soldano Slo-100,Slo-50,Marshall JCM-800.

Добрый Кот

  • Global Moderator
  • *****
  • Сообщений: 1030
  • GtLab.Net forever!
    • Просмотр профиля
    • E-mail
Re: выходной усилитель на 2 лампах 6п3се. нужна помощь
« Ответ #201 : Сентября 14, 2016, 01:53:25 pm »
Цитировать
Так что думаю имеет смысл сделать в вашем усилителе балансный вход-это будет прорыв!

Угу....хамбакеры распаять под баланс и.... :D

оleginсhat

  • Сообщений: 1129
  • GtLab.Net forever!
    • ICQ клиент - 5844880
    • Просмотр профиля
    • E-mail
Re: выходной усилитель на 2 лампах 6п3се. нужна помощь
« Ответ #202 : Сентября 14, 2016, 06:38:14 pm »
почему нет то?
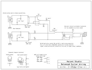
http://naiant.com/guitar-wiring/
если заняться нечем и делать "студийную" гитару

останется сгородить балансный вход в ламповом усилителе...
делов то...главное качество хоть и на 6н2п..... ;D
вот кстати отд тема-может Ператрону будет интересно
http://naiant.com/x-v-tube-kit-microphone/
« Последнее редактирование: Сентября 14, 2016, 06:51:40 pm от Oleginchat »
Mesa DR 2 ch,Soldano Decatone, then-Fender Champ,Soldano Slo-100,Slo-50,Marshall JCM-800.

Peratron

  • Сообщений: 13579
  • GTLab - forever!
    • Просмотр профиля
    • E-mail
Re: выходной усилитель на 2 лампах 6п3се. нужна помощь
« Ответ #203 : Сентября 14, 2016, 07:27:56 pm »
Цитировать
вот кстати отд тема-может Ператрону будет интересно
http://naiant.com/x-v-tube-kit-microphone/
Ламповый электретник с ультранизким питанием?
Пока эта тема не для меня...

ХИНТ: но за ссыль - спасибо. В коллекцию пока отложу...
Схемотехническая мантра: титцешенкохоровицехилл. Повторять до просветления...

depeschzeu

  • Сообщений: 274
    • Просмотр профиля
    • E-mail
Re: выходной усилитель на 2 лампах 6п3се. нужна помощь
« Ответ #204 : Октября 05, 2016, 08:37:00 pm »
было интересно как это делается.
естественно гитары подключаются обычным проводом с одной жилой и экраном и ничего балансного в гитарной электронике не бывает. может и бывает но я не слыхал.
на музыкальных усилителях вероятно бывает и балансный вход. на гитарных врядли.

меня сейчас интересует другая дичь.
для установки точки покоя ламп при фиксированном смещении нужно регулировать само напряжение смещения  путем замера тока в катодах ламп. читал что это делают замером падения напряжения мультиметром впаяв "эквивалентный" резистор 5 ватт с сопротивлением 1 ом. в этом случае падение напряжения будет практически соответствовать по числовым значениям току, который протекает.

возник дикий вопрос и я конечно понимаю что сейчас начнут кто-то тору цитировать, а кто-то коран, но есть такие современные цифровые токовые клещи с датчиком холла который измеряет постоянный ток. вроде как миллиамперы может измерять.

никто никогда такое не пробовал?
это первый вопрос.

второй вопрос - как выяснить какой ток является током покоя?

еще касаемо автосмещения я наткнулся на такой патент.
https://www.google.com/patents/US3129388
и русскую статью об организации смещения с использованием диодов в цепи катода.
есть ли плюс относительно смещения с отдельного источника питания?
« Последнее редактирование: Октября 05, 2016, 08:53:16 pm от depeschzeu »

Peratron

  • Сообщений: 13579
  • GTLab - forever!
    • Просмотр профиля
    • E-mail
Re: выходной усилитель на 2 лампах 6п3се. нужна помощь
« Ответ #205 : Октября 06, 2016, 08:31:40 am »
Цитировать
об организации смещения с использованием диодов в цепи катода.
есть ли плюс относительно смещения с отдельного источника питания?
Диоды весьма нелинейны - если уж использовать автосмещение, то лучше взять "стабилитрон" на TL431 (с умощнением по току).

А преимущество - в упрощении блока питания.
А недостаток - в ступенчатом регулировании подбором числа диодов.
Впрочем, вариант на ТЛ431 позволяет регулировать плавно...
Схемотехническая мантра: титцешенкохоровицехилл. Повторять до просветления...

Ligeti

  • Сообщений: 891
  • GTLab - forever!
    • Просмотр профиля
Re: выходной усилитель на 2 лампах 6п3се. нужна помощь
« Ответ #206 : Октября 06, 2016, 12:16:00 pm »
Помимо нелинейности имеет место и температурная нестабильность, которая может привести к плаванию рабочей точки.
Насчет щупа и датчика Холла - не очень понятен вопрос. Можно купить и мерить, только резистор-то чем не угодил?:)
Ток покоя, если совсем просто, то это ток через лампу при отсутствии входного напряжения сигнала.
Насчет смещения - тут вкусовщина чистая. Фикс смещение дает несколько больший выигрыш по мощности, а что касается звука - мне слышится он более артикулированным и четким чтоль... Но при этом дело усложняется отдельным блоком питания, отдельной обмоткой трансформатора (желательно) и тд. Автосмещение - самый простой способ, не считая утюга в катоде.

depeschzeu

  • Сообщений: 274
    • Просмотр профиля
    • E-mail
Re: выходной усилитель на 2 лампах 6п3се. нужна помощь
« Ответ #207 : Октября 07, 2016, 06:20:30 am »
про токовые клещи с датчиком холла я вспомнил потому что я совсем только недавно узнал что в эти времена уже есть такие, которые измеряют постоянный ток. Обычно такой штуковиной пользуются электрики и проводят приближенные замеры в электропроводке и тп. в общем с переменным током работают. А тут увидел видеоролик где человек показывал как он постоянный ток измерял. Причем довольно маленький - в десяток миллиампер или вроде того. Мне стало интересно применяет ли кто такие инструменты или же это на практике слишком неточный способ.

в интернете о таком использовании цифровых токовых клещей я пока не натолкнулся на чьи-либо рассуждения. чтобы пользуясь ими ток покоя выставляли.

что смущает меня с впаиванием резисторов 1 ои, это то что у них дичайший разброс реального номинала.
у меня есть только керамические такие на 5 вт. у них то полтора ома то еще чтото. может врет мультиметр. я не знаю. у меня нет эталонных резисторов чтобы проверить мультиметр на точность. сам мультиметр производит впечатление продвинутого аппарата. у меня holdpeak hp890

Ligeti

  • Сообщений: 891
  • GTLab - forever!
    • Просмотр профиля
Re: выходной усилитель на 2 лампах 6п3се. нужна помощь
« Ответ #208 : Октября 07, 2016, 06:35:17 am »
@ depeschzeu

Да прям уж дичайший разброс :) резистора с точностью 1% вполне достаточно. Стоят копейки. И я не пойму почему именно 5 ватт? По формуле P=I^2*R получается, что в случае одноомного резистора 5 ватт на нем рассеится в случае протекания тока 2,2 Ампера. Я таких ламп не встречал еще...

depeschzeu

  • Сообщений: 274
    • Просмотр профиля
    • E-mail
Re: выходной усилитель на 2 лампах 6п3се. нужна помощь
« Ответ #209 : Октября 07, 2016, 08:27:48 am »
ну на всякий случай для безопасности ))))
подскажите мне пожалуйста в какой статье можно найти или поделитесь опытом, какой есть хороший проверенный вами способ подобрать напряжение смещения чтобы выставить оптимальный ток покоя. я знаю что выход за пределы отрицательно влияет на жизнь ламп, дает излишние искажения и так далее. в общем я бы не хотел дать маху и сделать слишком "горячий" или "холодный режим" выходных ламп. Так как напряжение на анодах у меня будет непонятно еще каким, потому что я еще не решил проблему с силовым трансформатором, то и напряжение смещения может быть разным.
Как вы это делаете?
« Последнее редактирование: Октября 07, 2016, 12:25:25 pm от depeschzeu »

оleginсhat

  • Сообщений: 1129
  • GtLab.Net forever!
    • ICQ клиент - 5844880
    • Просмотр профиля
    • E-mail
Re: выходной усилитель на 2 лампах 6п3се. нужна помощь
« Ответ #210 : Октября 07, 2016, 03:41:46 pm »
Вы соберите сначала усилитель.
Обычно в гитарниках ..в двутактах в 100 проц случаев-схема фиксированного смещения.
Напряжение на анодах должно быть известно. Лампа должна быть известна-и даташит на нее.
куды бежите то?
*Three parameters must be known before an amp can be properly adjusted:
- Amplifier class (A or AB)
- Plate voltage
- Type of tube*
http://www.tube-town.net/cms/userfiles/media/bias/bias-setup-e.pdf
методика
именно используются резисторы 1 ом в катодах вых ламп и меряется падение напряжение на них в mv-это и есть ток лампы.
никаких клещей там ничего не надо. резисторы 1ом 5 проц 0.5 вт
про пять ватт вы откуда взяли то?????
Вот калькулятор http://www.tedweber.com/webervst/tubes1/calcbias.htm
Самое интересное так все выставляют и на парятся в поисках *более лучшей методики* :)
« Последнее редактирование: Октября 07, 2016, 04:31:54 pm от Oleginchat »
Mesa DR 2 ch,Soldano Decatone, then-Fender Champ,Soldano Slo-100,Slo-50,Marshall JCM-800.

Bpjkznjh

  • Гость
Re: выходной усилитель на 2 лампах 6п3се. нужна помощь
« Ответ #211 : Октября 07, 2016, 04:21:42 pm »
Если нет возможности/желания впаивать 1-оммники, можно измерить сопротивление половинки первички, и выстраивать ток по падению напряжения на ней... ;)

depeschzeu

  • Сообщений: 274
    • Просмотр профиля
    • E-mail
Re: выходной усилитель на 2 лампах 6п3се. нужна помощь
« Ответ #212 : Октября 12, 2016, 07:51:10 am »
Цитировать
Если нет возможности/желания впаивать 1-оммники, можно измерить сопротивление половинки первички, и выстраивать ток по падению напряжения на ней... Подмигивание
не совсем понял как это - половинка первички. можно пояснить?

оleginсhat

  • Сообщений: 1129
  • GtLab.Net forever!
    • ICQ клиент - 5844880
    • Просмотр профиля
    • E-mail
Re: выходной усилитель на 2 лампах 6п3се. нужна помощь
« Ответ #213 : Октября 12, 2016, 08:05:14 am »
http://www.tube-town.net/cms/userfiles/media/bias/bias-setup-e.pdf
страница7
теперь смотрим на вашу схема.
http://forum.gtlab.net/cgi-bin/yabb2/YaBB.pl?num=1466518495/120
нижний правый угол видим ТВЗ-это выходной трансформатор.
у него есть первичная обмотка. Выводы2-4. Половина обмотки выводы 2-3 или 3-4. Так вот на этой половине и меряется ток лампы.
Не могу избавится от чувства-что вы прикалываетесь. :D
« Последнее редактирование: Октября 12, 2016, 08:10:49 am от Oleginchat »
Mesa DR 2 ch,Soldano Decatone, then-Fender Champ,Soldano Slo-100,Slo-50,Marshall JCM-800.

Bpjkznjh

  • Гость
Re: выходной усилитель на 2 лампах 6п3се. нужна помощь
« Ответ #214 : Октября 12, 2016, 08:37:12 am »
Цитировать
http://www.tube-town.net/cms/userfiles/media/bias/bias-setup-e.pdf
страница7
теперь смотрим на вашу схема.
http://forum.gtlab.net/cgi-bin/yabb2/YaBB.pl?num=1466518495/120
нижний правый угол видим ТВЗ-это выходной трансформатор.
у него есть первичная обмотка. Выводы2-4. Половина обмотки выводы 2-3 или 3-4. Так вот на этой половине и меряется ток лампы.
Всё же измеряется напряжение падения, и пересчитывается в ток.
 Но есть нюанс - если первичка выходника не секционирована, разница сопротивлений половинок может быть процентов в 15-20. Ну и не забывать о ТБ, несколько сотен вольт...

оleginсhat

  • Сообщений: 1129
  • GtLab.Net forever!
    • ICQ клиент - 5844880
    • Просмотр профиля
    • E-mail
Re: выходной усилитель на 2 лампах 6п3се. нужна помощь
« Ответ #215 : Октября 12, 2016, 04:25:09 pm »
но там-совершенно верно-анодка присутствует...метод опасный
вот и выходит что метод измерения с резисторами 1ом в катоде-самый оптимальный-и безопасный
« Последнее редактирование: Октября 12, 2016, 04:36:12 pm от Oleginchat »
Mesa DR 2 ch,Soldano Decatone, then-Fender Champ,Soldano Slo-100,Slo-50,Marshall JCM-800.

Добрый Кот

  • Global Moderator
  • *****
  • Сообщений: 1030
  • GtLab.Net forever!
    • Просмотр профиля
    • E-mail
Re: выходной усилитель на 2 лампах 6п3се. нужна помощь
« Ответ #216 : Октября 17, 2016, 08:37:38 pm »
Цитировать
но там-совершенно верно-анодка присутствует...метод опасный
вот и выходит что метод измерения с резисторами 1ом в катоде-самый оптимальный-и безопасный

Я заранее прошу прощения за свои 5 копеек с сорказмом, но если опасно мерять падение напряжения на первичке выходника, тогда лучше вообще не собирать высоковольтную технику. Для отладки лампового усилителя в любом случае надо осуществлять контрольные высоковольтыные измерения. Одним больше, одним меньше - не имеет значения.
Предложеный Наблюдателем метод вполне приемлемый и как верно было замечено, нужно просто не забывать о ТБ.

Безусловно метод с 1ом безопасней, но если разброс резисторов будет один в +5%, другой в -5% то уже имеем перекос тока в 10%.
Поэтому если под рукой нет именно 1%, имхо предпочтительней воспользоваться методом "первички".
« Последнее редактирование: Октября 17, 2016, 08:38:56 pm от kote »

Peratron

  • Сообщений: 13579
  • GTLab - forever!
    • Просмотр профиля
    • E-mail
Re: выходной усилитель на 2 лампах 6п3се. нужна помощь
« Ответ #217 : Октября 17, 2016, 09:54:43 pm »
Цитировать
Безусловно метод с 1ом безопасней, но если разброс резисторов будет один в +5%, другой в -5% то уже имеем перекос тока в 10%.
Поэтому если под рукой нет именно 1%, имхо предпочтительней воспользоваться методом "первички".
А тестер переключить в омметр и померять сопротивление - не судьба?
Подогнать до 0.1% разницы банальной довеской впараллель - это типо неспортивно?
Схемотехническая мантра: титцешенкохоровицехилл. Повторять до просветления...

depeschzeu

  • Сообщений: 274
    • Просмотр профиля
    • E-mail
Re: выходной усилитель на 2 лампах 6п3се. нужна помощь
« Ответ #218 : Октября 17, 2016, 10:25:51 pm »
я думал взять кучку резисторов и измерить их подобрав парочку очень близких к 1 ом.
я правда не знаю насколько хорош мой holdpeak hp890 потому что у меня нет эталонных резисторов это проверить.
думаю надо раздобыть советских прецизионных где-то чтобы хотя бы убедиться для самого себя. иногда у барыг бывают.

у меня немного другой момент возник.

я попробовал один силовой трансформатор один но он оказался нехороший. он гудит. исправить это - у меня нет желания с намоткой связываться.
находить и проверять неисправности у трансформаторов я попросту не умею. вероятно неплотно лежат витки или утечки есть. выходит что тут дешевле и проще взять другой.
есть неподалеку тан63, говорят что новый с хранения.
вопрос к опытным.
хватит ли мне по току 150мА анодки на всю конструкцию если поглядеть на схему?
я посчитал что если хитро сложить вторички то получается 350В переменки. правда вторички отличаются по току. две пары 80ма 224в и две пары 110ма 124в. если их коммутировать для усиления по току и сложения по напряжению, общее должно быть как раз около 350в. ток при это приходится брать меньший из возможных - то есть удвоенные 80мА - 160мА.

Где то прочел мол этот трансформатор не очень и что просадка большая и тд. А так напряжение дает вполне высокое и накал есть две штуки.
Вот спрашиваю совета.
« Последнее редактирование: Октября 18, 2016, 02:01:09 pm от depeschzeu »

Добрый Кот

  • Global Moderator
  • *****
  • Сообщений: 1030
  • GtLab.Net forever!
    • Просмотр профиля
    • E-mail
Re: выходной усилитель на 2 лампах 6п3се. нужна помощь
« Ответ #219 : Октября 18, 2016, 07:59:22 am »
Цитировать
А тестер переключить в омметр и померять сопротивление - не судьба?
Подогнать до 0.1% разницы банальной довеской впараллель - это типо неспортивно?

Довольно странно именно от Вас, Peratron, услышать такой совет. Я думаю, что из присутствующих, те кто способны корректно измерить 1 ом с точностью даже в 5% вряд ли будут поднимать вопрос о том, как измерить ток лампы.
А городить источник тока...не проще ли соблюдать ТБ, без которой в принципе не стоит заниматься такими проектами?
Тут другой нюанс...в катоде мы измеряем ток анод+вторая сетка. В аноде исключительно ток анода.
Для исключения подмагничивания выходного двухтактного EI/ТОР трансформатора предпочтительней метод именно с первичкой. Для ПЛ/ШЛ менее кртитично.

P.S. Давайте тогда и для контроля анодных напряжений предусматривать делители в контрольных точках, чтоб не лезть в анодные цепи.
« Последнее редактирование: Октября 18, 2016, 08:00:08 am от kote »