Автор Тема: Выходной буфер, петля и всё что с ними связано  (Прочитано 12909 раз)

0 Пользователей и 1 Гость просматривают эту тему.

serste

  • Сообщений: 80
  • GTLab - forever!
    • Просмотр профиля
    • E-mail
Re: Выходной буфер, петля и всё что с ними связано
« Ответ #60 : Января 08, 2011, 06:57:39 pm »
Redfox, в этой схеме принциапиально не должно быть, не может быть и не требуется "разрыва". На выходе имеется буфер с регулировкой уровня сигнала, так что это готовый посыл ("send" - по-ихнему  :)) - а уже тебе решать, - подавать его на вход мощника или на обработку эффектами...
« Последнее редактирование: Января 08, 2011, 06:58:20 pm от serste »

Redfox

  • Сообщений: 55
  • GTLab - forever!
    • Просмотр профиля
    • E-mail
Re: Выходной буфер, петля и всё что с ними связано
« Ответ #61 : Января 08, 2011, 07:34:48 pm »
Спасибо за разъяснение!  :)

serg.rt

  • Сообщений: 1296
    • Просмотр профиля
    • E-mail
Re: Выходной буфер, петля и всё что с ними связано
« Ответ #62 : Января 13, 2011, 06:32:22 am »
В схемы из первого поста можно ставить TL071/072 без изменений номиналов?
Johnny B. Goode

Denn

  • Global Moderator
  • *****
  • Сообщений: 14277
  • είμαι ο μουσικός και ο ραδιομηχανίκός
    • ICQ клиент - 322153053
    • Просмотр профиля
    • E-mail
Re: Выходной буфер, петля и всё что с ними связано
« Ответ #63 : Января 13, 2011, 07:05:49 am »
Цитировать
В схемы из первого поста можно ставить TL071/072 без изменений номиналов?

Да, безусловно.
Не говорите что мне делать, и я не скажу куда Вам идти.

Лучшее решение из возможных - самое простое. И наоборот.

Прежде чем судить

serg.rt

  • Сообщений: 1296
    • Просмотр профиля
    • E-mail
Re: Выходной буфер, петля и всё что с ними связано
« Ответ #64 : Января 13, 2011, 08:02:05 pm »
Сделал, на TL072, понравилось. Спасибо :) Сюда б еще регуляторы уровней добавить, универсальности для.
Johnny B. Goode

melan

  • Сообщений: 226
  • Убийца ламп
    • Просмотр профиля
    • E-mail
Re: Выходной буфер, петля и всё что с ними связано
« Ответ #65 : Января 21, 2011, 02:55:08 pm »
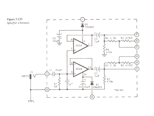
Итак! Появилась потребность сделать развести выход на стерео джек. Недолго думая, я вспомнил, что есть замечательная штука как Spluffer (http://diyfactory.ru/forum/index.php?showtopic=44)
По сути это одновременно и выходной буффер, именно по этому хочу обсудить его здесь.
По идее он должен был мне заменить повторитель на IRF ну и выполнить своё второе назначение)
И как же мне было обидно, когда он так и не запустился. Хотя я уже сделал плату с учётом под него.
Обидно от того, что такой примитив и не заработал.
Тогда я взял в руки макет и начал экспериментировать...
Решение нашёл очень быстро, взглянув на схемы от Denn'а.
Сделал делитель напряжения и подал половину на неинвертирующий вход ОУ. Всё сразу заработало, заиграло, повеселело =)
И теперь меня интересует вопорос: почему так?)



Dr.Fox

  • Сообщений: 2656
  • %USERNAME%
    • Просмотр профиля
    • E-mail
Re: Выходной буфер, петля и всё что с ними связано
« Ответ #66 : Января 22, 2011, 01:32:15 pm »
Всем привет... Глупый вопрос возник в процессе сбора головы) собсвенно делаю "солданоид" однотакт с половинкой фазика.. Есть большая необходимость в разрыве, есть мысли в качестве сенда брать сигнал просто после ТБ(ведь КП же ну!), а в качестве ретурна использовать оставшуюся половинку баллона включеную как "фазик" :) вопрос  в чем, можно ли в это безобразие будет воткнуть дилей на Птшке например, с проводами по пол метра?
нужно именно ламповое) дело религии... а еще один баллон ой как не хочется..
« Последнее редактирование: Января 22, 2011, 01:33:54 pm от LE88 »
Freedom is slavery.
War is peace.
Ignorance is Strength.
Existence is suffering.

melan

  • Сообщений: 226
  • Убийца ламп
    • Просмотр профиля
    • E-mail
Re: Выходной буфер, петля и всё что с ними связано
« Ответ #67 : Января 22, 2011, 03:16:18 pm »
Я думаю что это будет вполне нормально, но если бы я делал что-то подобное, то сделал бы ту половинку на ретурн постоянно активной это раз) Мастер левел сделал бы после нее - это два.
Обосную это на примере, с которым мне доводилось встречаться. Когда-то я собрал предусилитель без какого-либо повторителя, кроме КП и наблюдалась следующая штука: при подключении в возврат усилителя, погашенной громкости на выходе преда и наваленной громкости на усилителе наблюдалась сильная просадка ВЧ, а если бы ручки выкрутить наоборот на преде на всю, а на усилителе погасить, то звук представал во всей красе.
Вот такие дела творятся с погашенным сигналом из-за ёмкости кабеля.

Dr.Fox

  • Сообщений: 2656
  • %USERNAME%
    • Просмотр профиля
    • E-mail
Re: Выходной буфер, петля и всё что с ними связано
« Ответ #68 : Января 22, 2011, 03:19:57 pm »
@ melan

Именно так и планирую! + на неё ОС нагружу, мастер будет после триода.
Спасибо!
з.ы. а ТБ не будет плохо влиять на сенд?
« Последнее редактирование: Января 22, 2011, 03:22:18 pm от LE88 »
Freedom is slavery.
War is peace.
Ignorance is Strength.
Existence is suffering.

THRASH

  • Сообщений: 5719
  • GTLab - forever!
    • Просмотр профиля
    • E-mail
Re: Выходной буфер, петля и всё что с ними связано
« Ответ #69 : Апреля 11, 2011, 05:47:27 pm »
Товарищи. Покажите нормальную петлю на камнях. Мне нужно включить в него ревер, и получаеться что петля должна уменьшить сигнал до нормального для ревера входного уровня а потом увеличить для входного уровня мощника. Че то все равно не могу найти.
Jackson JS32RT Dinky->X2N, Gavrilenko custom shop baritone 27*-> AHB-2-->DIY 2х12( governor+v12)

MIXA

  • Сообщений: 182
  • GTLab - forever!
    • Просмотр профиля
    • E-mail
Re: Выходной буфер, петля и всё что с ними связано
« Ответ #70 : Сентября 06, 2011, 09:42:30 pm »
Подскажите плиз схему истокового повторителя с двуполярным питанием +- 15 вольт, которая будет минимально влиять на звук и обладать хорошим размахом сигнала. Стоит задача в ламповом преампе сделать буферы только на полевиках, никаких ОУ на прямом пути сигнала. Этот предрассудок возник после сборки довольно универсального буферо-петли-спикерсима на ОУ тл074. Когда включался каскад инвертирующего смесителя и после него просто инвертор на ОУ, то сигнал становился заметно"мертвее". Этого хочется избежать, надеюсь местная ООС в повторителе не будет столь пагубно влиять на звук.

Denn

  • Global Moderator
  • *****
  • Сообщений: 14277
  • είμαι ο μουσικός και ο ραδιομηχανίκός
    • ICQ клиент - 322153053
    • Просмотр профиля
    • E-mail
Re: Выходной буфер, петля и всё что с ними связано
« Ответ #71 : Сентября 07, 2011, 09:08:37 am »
@ MIXA

Если предрассудок мешает использовать буфер (на ОУ или на чём-то ещё - не важно), то просто не используй буфер вообще! Реальная необходимость буфера во множестве случаев притянута за уши, потеря ВЧ в кабеле достаточно легко компенсируется регулятором "Treble" гитарного темброблока. А работать на низкоомный вход (микшера, ЗК и т.п.) гитарному преампу просто не нужно, ибо это есть скорее некорректное использование преда.
Не говорите что мне делать, и я не скажу куда Вам идти.

Лучшее решение из возможных - самое простое. И наоборот.

Прежде чем судить

Marton

  • Гость
Re: Выходной буфер, петля и всё что с ними связано
« Ответ #72 : Сентября 07, 2011, 10:01:18 am »
@ MIXA

дык, сток в "+" питания, исток через нагрузку в "-" (~10k), вход через кондёр на затвор (22n), с затвора резистор в "ноль" (1М), выход с истока через кондёр (1u), а его можно нагрузить на резистор (50k)...

zEROID

  • Сообщений: 3021
  • Играю на гитаре и паяю с детства :-)
    • ICQ клиент - 24397417
    • Просмотр профиля
    • E-mail
Re: Выходной буфер, петля и всё что с ними связано
« Ответ #73 : Сентября 07, 2011, 10:15:18 am »
А работать на низкоомный вход (микшера, ЗК и т.п.) гитарному преампу просто не нужно, ибо это есть скорее некорректное использование преда.

Не, ну мало-ли вдруг в линию записать потребуется. Иногда пишут в линию с преампа, а потом уже пропускают через оконечник и кабенет, опять-же варианты кабинетов, микрофонов пробуют.

Или на сцене кабель длинный - потери в кабеле никак не компенсируются гитарным ТБ. Там же не просто верх заваливается, а ещё трансиенты "размазываются".

Так что выходной буфер нужен, тем более сделать его несложно. В конце концом ничто не мешает отдельно сделать выход "как есть". Если нет возможность воткнуть баллон, ну полевик высоковольтный и вуаля... Какие тээльки? Какие оу? Зачем?

Denn

  • Global Moderator
  • *****
  • Сообщений: 14277
  • είμαι ο μουσικός και ο ραδιομηχανίκός
    • ICQ клиент - 322153053
    • Просмотр профиля
    • E-mail
Re: Выходной буфер, петля и всё что с ними связано
« Ответ #74 : Сентября 07, 2011, 11:22:33 am »
@ zEROID

Какое Rвых у каскада на высоковольтном полевике? ;)


Цитировать
Или на сцене кабель длинный - потери в кабеле никак не компенсируются гитарным ТБ.

Тут имеет смысл говорить с участием цифр. Например, кабель длинною 50 метров и более, имхо, бессмысленен. 5-10 метров компенсируются treble'ом ненапрягаясь.

Про реампинг согласен, но это очень частный случай, имхо. И потом, если его делать грамотно, то пред следует включать в инструментальный вход ЗК, а там Rвх=1мом.
« Последнее редактирование: Сентября 07, 2011, 11:44:12 am от Denn »
Не говорите что мне делать, и я не скажу куда Вам идти.

Лучшее решение из возможных - самое простое. И наоборот.

Прежде чем судить

zEROID

  • Сообщений: 3021
  • Играю на гитаре и паяю с детства :-)
    • ICQ клиент - 24397417
    • Просмотр профиля
    • E-mail
Re: Выходной буфер, петля и всё что с ними связано
« Ответ #75 : Сентября 07, 2011, 11:42:35 am »
Какое Rвых у каскада на высоковольтном полевике?

Навскидку единицы килоом, а что много?

Можно сделать и меньше, вопрос только потребления тока...
« Последнее редактирование: Сентября 07, 2011, 11:43:46 am от zeroid »

Denn

  • Global Moderator
  • *****
  • Сообщений: 14277
  • είμαι ο μουσικός και ο ραδιομηχανίκός
    • ICQ клиент - 322153053
    • Просмотр профиля
    • E-mail
Re: Выходной буфер, петля и всё что с ними связано
« Ответ #76 : Сентября 07, 2011, 11:47:39 am »
Цитировать
Какое Rвых у каскада на высоковольтном полевике?

Навскидку единицы килоом, а что много?

Можно сделать и меньше, вопрос только потребления тока...

Много, очень много. Причём скорее всего реально не единицы, а десятки КОм. Я ушёл от защитных резисторов 1к на выходе ОУ, причём сначала "ушёл" на 220 Ом, сейчас не более 33..51 Ом. Это если упираться во "всеядность" буфера (а иначе какой в нём смысл?).

Потребление тока - тоже вопрос не праздный, в преампах ИП (анодки) весьма маломощные, резюк 10ком в исток КП не засадишь.

Вдогонку... кстати, какая там паразитная ёмкость с затвора на всё остальное у высоковольтных ПТ?  Кажется 600...1000 пф (у "народных" IRF'ов) - так это несколько метров кабеля до буфера  :P
« Последнее редактирование: Сентября 07, 2011, 11:59:34 am от Denn »
Не говорите что мне делать, и я не скажу куда Вам идти.

Лучшее решение из возможных - самое простое. И наоборот.

Прежде чем судить

MIXA

  • Сообщений: 182
  • GTLab - forever!
    • Просмотр профиля
    • E-mail
Re: Выходной буфер, петля и всё что с ними связано
« Ответ #77 : Сентября 07, 2011, 01:08:20 pm »
@ MARcus
А какой взять транзистор, может уже есть обкатанное решение? И может вместо нагрузки использовать источник тока?
Еще один момент: какие конденсаторы кто использует на выходе буферов? Емкости там не менее единицы мкф, а электролиты ставить не хочется, особенно если это двуполярка.
 @Denn
Использование ОУ очень удобно, но в данном проекте обойтись одними повторителями на полевиках - это концепция. Все же система с кучей транзисторов в ОУ охваченных ООС, менее предпочтительна чем один полевик.
Касаемо входного сопротивления девайсов: в реальности это может быть как ламповый традиционный каскад, так и каменный конец с входным в десятки килоом. Так же в преампе будет петля а её сенд надо забуферить на 100%.

Denn

  • Global Moderator
  • *****
  • Сообщений: 14277
  • είμαι ο μουσικός και ο ραδιομηχανίκός
    • ICQ клиент - 322153053
    • Просмотр профиля
    • E-mail
Re: Выходной буфер, петля и всё что с ними связано
« Ответ #78 : Сентября 07, 2011, 01:33:17 pm »
@ MIXA

Концепция - не вопрос. Мои мысли просты: 1) КП на высоковольтном ПТ имеет большую паразитную входную ёмкость, достаточно высокое Rвых и ни_много_ни_малую 100%-ю ООС. Радость только в отсутствии необходимости городить дополнительные вторичный ИП.  2) Если говорить о петле, то с огромной вероятностью, что туда в общем случае будет включаться прибор с "камнями" как на входе, так и на выходе. Следовательно, смысл концепции теряется.
3) Буфер на ОУ не требует качественного высоковольтного разделительного конденсатора большой ёмкости на выходе ;)
Не говорите что мне делать, и я не скажу куда Вам идти.

Лучшее решение из возможных - самое простое. И наоборот.

Прежде чем судить

hamaha

  • Сообщений: 1483
  • GTLab - forever!
    • Просмотр профиля
Re: Выходной буфер, петля и всё что с ними связано
« Ответ #79 : Сентября 07, 2011, 02:17:04 pm »
Цитировать
Вдогонку... кстати, какая там паразитная ёмкость с затвора на всё остальное у высоковольтных ПТ?  Кажется 600...1000 пф (у "народных" IRF'ов) - так это несколько метров кабеля до буфера
Не забываем, что в режиме повторителя паспортная входная емкость поделится в  S*Rн  раз. Метры станут сантиметрами.
Простота хуже воровства.