Автор Тема: Triple Fet  (Прочитано 6760 раз)

0 Пользователей и 1 Гость просматривают эту тему.

KMG

  • Сообщений: 3776
    • ICQ клиент - 412221711
    • AOL клиент - Mike
    • Просмотр профиля
    • E-mail
Triple Fet
« : Ноября 07, 2008, 04:32:42 pm »
Попали мне как то на глаза хитачевские мосфеты специально предназначенные для аудио (сначало даташиты а потом и вживье)
Даташиты:
http://www.renesas.com/fmwk.jsp?cnt=power_mos_gen_amp_root.jsp&fp=/products/discrete/power_mos/power_mosfets_for_amplifier/power_mos_gen_amp/
http://milas.spb.ru/~kmg/files/datasheets/Renesas/
И родились две темы
http://forum.gtlab.net/cgi-bin/yabb2/YaBB.pl?num=1167309262/225#228 (продолжение на основе витиной статьи)
http://forum.gtlab.net/cgi-bin/yabb2/YaBB.pl?num=1220714033/0#0
Если вторая не вызывала сомнений (уже читал к тому времени статью Medved`а "Полевой зверь") нужно было только правильно рассчитать транс, то первая вызвала много сомнений и споров.
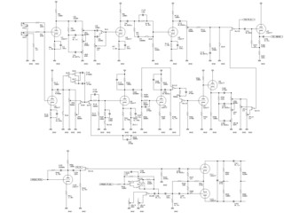
Но макет был собран (на основе схемы экстази):

 и началось тестирование.
В процессе испытаний выяснилось, что при правильной рабочей точке каскадов и правильной покаскадной ачх звук практически не отличается от лампового оригинала (даже без эмуляции сеточного ограничения, так как почти во всех каскадах ограничение в основном идет по отсечке).
 Для смягчения отсечки (по совету умных товарищей) в истоки полевиков были добавлены германиевые диоды.
Был вызван эксперт (Denn) для проверки звучания. Звук ему понравился (причем он периодически путался когда звучат полевики, а когда ламповый оригинал).
Настройка схемы сводится к выставлению рабочих точек каскадов (напряжение на стоке) путем изменения отрицательного смещения.
Поскольку это первый экземпляр - то на смещение стоят подстроечники (после настройки можно заменить на два постоянных, 0805 нормально встают на площадки от подстроечников).

Окончательная схема:

Внешний и внутренний вид:






Файлы можно найти здесь
Оконечник:
http://milas.spb.ru/~kmg/ (ссылка "Усилитель на полевых транзисторах с трансформаторным выходом")
Пред:
http://milas.spb.ru/~kmg/files/projects/xtcfet/ (страничку еще не оформил)

PS Петлю еще не собрал, поэтому кинул сигнал напрямую с преда на оконечник.
Сэмплы будут если до меня снова доедет Denn (или еще кто-нибудь не с такими кривыми руками как у меня).
« Последнее редактирование: Июля 05, 2009, 03:24:58 pm от mike »

Denn

  • Global Moderator
  • *****
  • Сообщений: 14277
  • είμαι ο μουσικός και ο ραδιομηχανίκός
    • ICQ клиент - 322153053
    • Просмотр профиля
    • E-mail
Re: Triple Fet
« Ответ #1 : Ноября 07, 2008, 05:38:16 pm »
Во-первых, спасибо Мише за проделанную работу и предоставленный стенд для сравнения.

Во-вторых, собственно по самому сравнению. В данном эксперименте имело место на мой взгляд (как гитариста) слабое звено - негитарная (Hi-Fi) акустика, поэтому даже полностью ламповый вариант преампа давал имхо какой-то "негитарный" оттенок звука, сухой, без "задоринки". Но именно для сравнения на похожесть преампов это не влияет. В остальном, что могу сказать: характер звука, динамика, реакция на звукоизвлечение  - идентичны, с точностью до небольших различий в АЧХ трактов, вызванных видимо разбросом параметров деталей и точностью установок ТБ "на глазок". Что в общем-то не сильно удивительно для меня, ведь схема выдержана один-в-один с ламовым оригиналом, характеристики усилительных каскадов похожие, "анодка" большая как и в лампах.

Для более детальной оценки желательно послушать на громком _гитарном_ аппарате и с разными гитарами. Ещё лучше - с разными гитаристами :)

В любом случае работа полезная и показательная. Теперь имеет смысл взять курс на уменьшение питающего напряжения с сохранением звуковых свойств ;)
« Последнее редактирование: Ноября 07, 2008, 05:51:29 pm от Denn »
Не говорите что мне делать, и я не скажу куда Вам идти.

Лучшее решение из возможных - самое простое. И наоборот.

Прежде чем судить

KMG

  • Сообщений: 3776
    • ICQ клиент - 412221711
    • AOL клиент - Mike
    • Просмотр профиля
    • E-mail
Re: Triple Fet
« Ответ #2 : Ноября 07, 2008, 05:43:20 pm »
Цитировать
~

Что это значит?

Denn

  • Global Moderator
  • *****
  • Сообщений: 14277
  • είμαι ο μουσικός και ο ραδιομηχανίκός
    • ICQ клиент - 322153053
    • Просмотр профиля
    • E-mail
Re: Triple Fet
« Ответ #3 : Ноября 07, 2008, 05:53:34 pm »
Цитировать
Цитировать
~

Что это значит?
Глюканат кальция форума  ::)
Не говорите что мне делать, и я не скажу куда Вам идти.

Лучшее решение из возможных - самое простое. И наоборот.

Прежде чем судить

KMG

  • Сообщений: 3776
    • ICQ клиент - 412221711
    • AOL клиент - Mike
    • Просмотр профиля
    • E-mail
Re: Triple Fet
« Ответ #4 : Ноября 07, 2008, 06:01:38 pm »
Когда дособеру полностью, можно будет привезти к кому нибудь у кого есть гитарный кабинет.

PS Основное достоинство этой схемы (при ламповом звучании) - надежность (отсутствует старение ламп) а также большая удароустойчивость (нет хрупких ламп), что немаловажно для напольных преампов.
« Последнее редактирование: Ноября 07, 2008, 08:45:52 pm от mike »

OldMike

  • Сообщений: 1963
  • Сложно сделать - просто, наоборот - сложнее...
    • ICQ клиент - 366028254
    • Просмотр профиля
    • E-mail
Re: Triple Fet
« Ответ #5 : Ноября 08, 2008, 12:09:55 am »
Mike, дорисуй регуляторы, пожалуйста. Я не помню (а может, и еще кто-то) схемы - прототипа, а так там не все очевидно. У тебя там куча разъемов нарисована вместо внешних соединений.
производится и предлагается к продаже линия примочек/преампов RedCat BM-4/5/6/7 и SL100/FSL100

VALUE

  • Сообщений: 1870
    • ICQ клиент - 395380114
    • Просмотр профиля
    • E-mail
Re: Triple Fet
« Ответ #6 : Ноября 08, 2008, 09:21:24 am »
Это ж чего получается? Берем любую ламповую схему, заменяем лампы на полевики с сохранением номиналов и все звучит?  :)

А почему именно фиксированное смещение?


P.S. Надо серьезно подумать над изготовлением полевых "ламп" с цоколевкой 12AX7  ;D

Denn

  • Global Moderator
  • *****
  • Сообщений: 14277
  • είμαι ο μουσικός και ο ραδιομηχανίκός
    • ICQ клиент - 322153053
    • Просмотр профиля
    • E-mail
Re: Triple Fet
« Ответ #7 : Ноября 08, 2008, 09:43:59 am »
Цитировать
P.S. Надо серьезно подумать над изготовлением полевых "ламп" с цоколевкой 12AX7  ;D
Именно это я и предложил Мише после прослушивания. Но есть проблемка, сабжевые "аудио" ПТ держат "анодку" не выше 200в. Думаю, возможно найти решение... но лучше всё-таки копать в сторону уменьшения Uпит.

П.С. где-то тут проскакивала ссылка на каменный протез-кенотрон :)
« Последнее редактирование: Ноября 08, 2008, 09:45:26 am от Denn »
Не говорите что мне делать, и я не скажу куда Вам идти.

Лучшее решение из возможных - самое простое. И наоборот.

Прежде чем судить

KMG

  • Сообщений: 3776
    • ICQ клиент - 412221711
    • AOL клиент - Mike
    • Просмотр профиля
    • E-mail
Re: Triple Fet
« Ответ #8 : Ноября 08, 2008, 01:43:36 pm »
Цитировать
Mike, дорисуй регуляторы, пожалуйста. Я не помню (а может, и еще кто-то) схемы - прототипа, а так там не все очевидно. У тебя там куча разъемов нарисована вместо внешних соединений.
Регуляторы собраны на отдельных платках и соединяются с основной через разъемы.
Схемы плат регуляторов:

Могу конечно выложить и платки регуляторов, но они привязаны к расположению отверстий в морде, да и развести их 5 минут (или навесом на выводах потенцев).
Земли каждой группы регуляторов идут отдельно на локальную землю каскада, к которому они подключены.

Оригинал (для справки):

KMG

  • Сообщений: 3776
    • ICQ клиент - 412221711
    • AOL клиент - Mike
    • Просмотр профиля
    • E-mail
Re: Triple Fet
« Ответ #9 : Ноября 08, 2008, 02:08:01 pm »
Цитировать
Это ж чего получается? Берем любую ламповую схему, заменяем лампы на полевики с сохранением номиналов и все звучит?  :)

Данная схема не эмулирует сеточное ограничение (Для экстази это не столь важно, так как почти все каскады, кроме последнего, работают с ограничением по отсечке).
Также обрати внимание на диод затвор-исток в истоковом повторителе - это очень важный момент, именно здесь эмулируется сеточное ограничение, влияющее на работу предыдущего каскада. Таким образом кстати можно улучшить звучание повторителя на ирф`е в ламповом преде (нужно только подобрать соответствующий диод/стабилитрон под порог открывания).

Цитировать
А почему именно фиксированное смещение?

"Порог открывания" этих полевиков ~ +0,3В, так что автосмещение не пройдет.
Напряжение в точках VOTx ~ -3 - 4В
Можно конечно повесить истоковые цепи на землю, но тогда все цепи связанные по постоянке с затвором нужно завешивать на положительное смещение.

PS Первоначальный макет питался через ТП-131-6 от накального транса с которого бралось смещение. То есть в напольнике можно использовать стандартные трансы в качестве повышающих.
« Последнее редактирование: Ноября 08, 2008, 03:10:06 pm от mike »

OldMike

  • Сообщений: 1963
  • Сложно сделать - просто, наоборот - сложнее...
    • ICQ клиент - 366028254
    • Просмотр профиля
    • E-mail
Re: Triple Fet
« Ответ #10 : Ноября 09, 2008, 12:19:09 am »
Спасибо, тезка. Еще б где-нибудь таких полевиков раздобыть....Ладно, приспичит - будем на ИРФах собирать, мож че и выйдет.
ЗЫ Я вам немного завидую - интернет это здорово, но вы можете сесть в такси (метро..) и заглянуть друг к другу...
производится и предлагается к продаже линия примочек/преампов RedCat BM-4/5/6/7 и SL100/FSL100

VALUE

  • Сообщений: 1870
    • ICQ клиент - 395380114
    • Просмотр профиля
    • E-mail
Re: Triple Fet
« Ответ #11 : Ноября 09, 2008, 05:54:34 am »
KMG, спасибо за разъяснения :)


Цитировать
проблемка, сабжевые "аудио" ПТ держат "анодку" не выше 200в

Ну можно и более высоковольтные поискать :)

Denn

  • Global Moderator
  • *****
  • Сообщений: 14277
  • είμαι ο μουσικός και ο ραδιομηχανίκός
    • ICQ клиент - 322153053
    • Просмотр профиля
    • E-mail
Re: Triple Fet
« Ответ #12 : Ноября 09, 2008, 09:36:35 am »
Цитировать
Цитировать
проблемка, сабжевые "аудио" ПТ держат "анодку" не выше 200в

Ну можно и более высоковольтные поискать :)

Именно "аудио" нету :(
Не говорите что мне делать, и я не скажу куда Вам идти.

Лучшее решение из возможных - самое простое. И наоборот.

Прежде чем судить

VALUE

  • Сообщений: 1870
    • ICQ клиент - 395380114
    • Просмотр профиля
    • E-mail
Re: Triple Fet
« Ответ #13 : Ноября 09, 2008, 10:04:10 am »
а чем "аудио" от "не аудио" отличаются?  :)

Medved

  • Сообщений: 4534
  • Ле... Лети!
    • ICQ клиент - 467329541
    • Просмотр профиля
    • E-mail
Re: Triple Fet
« Ответ #14 : Ноября 09, 2008, 10:15:35 am »
Топологией кристалла. Аудио- латеральные (они же горизонтальные), ключевые- вертикальные.

KMG

  • Сообщений: 3776
    • ICQ клиент - 412221711
    • AOL клиент - Mike
    • Просмотр профиля
    • E-mail
Re: Triple Fet
« Ответ #15 : Ноября 09, 2008, 11:07:10 am »
Цитировать
Спасибо, тезка. Еще б где-нибудь таких полевиков раздобыть....Ладно, приспичит - будем на ИРФах собирать, мож че и выйдет.
ЗЫ Я вам немного завидую - интернет это здорово, но вы можете сесть в такси (метро..) и заглянуть друг к другу...
У ИРФов на порядок больше входная емкость.
Если устраивает цена:
http://www.megachip.ru/item.php?item_id=35162
Могу заказать(~1-2 нед.) и выслать (правда никогда ничего не посылал на Украину)
Там есть кстати и 2SK1058 и 2SJ162 (на складе)
http://www.megachip.ru/search.php?search=2sk1058
Если заинтересует, пиши.

KMG

  • Сообщений: 3776
    • ICQ клиент - 412221711
    • AOL клиент - Mike
    • Просмотр профиля
    • E-mail
Re: Triple Fet
« Ответ #16 : Ноября 09, 2008, 11:42:46 am »
Цитировать
Топологией кристалла. Аудио- латеральные (они же горизонтальные), ключевые- вертикальные.
Кстати именно поэтому у латералов меньше разброс параметров, так как характеристики в первую очередь определяются геометрией, а не глубиной имплантации примесей.

Medved

  • Сообщений: 4534
  • Ле... Лети!
    • ICQ клиент - 467329541
    • Просмотр профиля
    • E-mail
Re: Triple Fet
« Ответ #17 : Ноября 09, 2008, 12:20:45 pm »
Да тоже будь здоров. Просто при работе с глубокой местной ООС по току оно все выравнивается.

KMG

  • Сообщений: 3776
    • ICQ клиент - 412221711
    • AOL клиент - Mike
    • Просмотр профиля
    • E-mail
Re: Triple Fet
« Ответ #18 : Ноября 09, 2008, 12:29:18 pm »
Разве 0,47 Ом в истоке - глубокая оос? У меня в оконечнике разброс тока покоя 1,5 мА при 50 мА (опора на 1N4148).

lart

  • Сообщений: 1334
    • Просмотр профиля
Re: Triple Fet
« Ответ #19 : Ноября 09, 2008, 02:11:57 pm »
Цитировать
...Еще б где-нибудь таких полевиков раздобыть...
Да их есть и у нас, в Украине:
http://www.kosmodrom.com.ua/product.php?page=0&name=2sk216&okbutton=%CF%EE%E8%F1%EA
http://www.kosmodrom.com.ua/product.php?page=0&name=2sk105&okbutton=%CF%EE%E8%F1%EA