Автор Тема: К вопросу об эмуляции лампового триода на ПТ  (Прочитано 83580 раз)

0 Пользователей и 1 Гость просматривают эту тему.

OldMike

  • Сообщений: 1963
  • Сложно сделать - просто, наоборот - сложнее...
    • ICQ клиент - 366028254
    • Просмотр профиля
    • E-mail
Re: К вопросу об эмуляции лампового триода на ПТ
« Ответ #560 : Сентября 09, 2009, 09:20:13 am »
Цитировать
Пока что в развития отношении заявленной темы - эмуляции вакуума в твёрдом теле - я вижу со своей колокольни попытку  подогнать твердотел к некой единственной лампе. Причём, подогнать весьма и весьма искусственно.

Честно говоря, я так и не понял - зачем применять внешние диоды, когда собственный диод имеется в полевике?

Перегрузочная характеристика, взятая за основу для синтеза, определяется двумя факторами: сеточная отсечка - верхняя полка, и насыщение - нижняя горбушка.

Сеточный детектор прекрасно работает на джифете - в полном соответствии с классической теорией. Угол отсечки (скважность) определяется параметрами диода, в том числе и сетка-катод, а так же уровнем входного сигнала.

http://gtlab.net/gtlab4/2009/03/17/к-вопросу-об-эмуляции-лампового-триод/

Я там обосновывал схемотехнику. У меня не получилось обойтись без дополнительных внешних деталей...Там же описана возможность подстройки параметров модели в зоне нижней горбушки (нижняя полуволна выходного сигнала), так что возможность настройки модели под конкретный тип лампы имеется. Основной недостаток предложенной модели - необходимость подстройки хотя бы режима по постоянке каждого каскада - для серии несмертельно, но неприятно.

ЗЫ Не стреляйте в пианиста, лучше играть он все равно не будет :). Сделал, как смог придумать...Сам очень хочу увидеть, как можно сделать без внешнего диода, и так, чтоб не нужно было подстраивать.

Цитировать
На мой взгляд, главным параметром является скважность - она в первую очередь определяет характер спектра (баланс между чётными и нечётными гармониками).
Вопрос: до какой степенни этот параметр следует моделировать, если он существенно зависит от соотношения входного сигнала к раствору входной характеристики лампы? То есть, он определённо нестабилен в процессе звукоизвлечения.
Наверно существенными являются параметры автостабилизации - постоянные времени сеточного детектора.

 Попыткой приблизится к бесподстроечной схемотехнике были схемы на 2n7000 - и то там присутствует внешний диод. Именно там я не заморачивался точной эмуляцией нижней горбушки, а старался привести в соответствие входную характеристику. Результаты см. выше.
« Последнее редактирование: Сентября 09, 2009, 09:35:38 am от OldMike »
производится и предлагается к продаже линия примочек/преампов RedCat BM-4/5/6/7 и SL100/FSL100

Антон Калина

  • Сообщений: 1101
  • TUBE SATISFACTION!
    • Просмотр профиля
    • E-mail
Re: К вопросу об эмуляции лампового триода на ПТ
« Ответ #561 : Сентября 09, 2009, 02:40:30 pm »
2Михаил
В общем вернулся к первоначальному варианту - все получилось.
Наверное, первый раз резюк не с тем номиналом припаял :(, другого обьяснения не нахожу. Режим по звуку настраивается очень просто, каскад работоспособен в строго определенном положении движка подстроечника, на слух отлично рулится :)
Осталось немного межкаскадку причесать.
Здесь не было блатных. Были только нормальные хорошие люди: шпионы, диверсанты, террористы.

KMG

  • Сообщений: 3776
    • ICQ клиент - 412221711
    • AOL клиент - Mike
    • Просмотр профиля
    • E-mail
Re: К вопросу об эмуляции лампового триода на ПТ
« Ответ #562 : Сентября 09, 2009, 09:10:42 pm »
Свежие осциллограммы ламп разных производителей здесь:
http://forum.gtlab.net/cgi-bin/yabb2/YaBB.pl?num=1252473740/0#3

Peratron

  • Сообщений: 13579
  • GTLab - forever!
    • Просмотр профиля
    • E-mail
Re: К вопросу об эмуляции лампового триода на ПТ
« Ответ #563 : Сентября 10, 2009, 07:03:37 am »
Цитировать
http://gtlab.net/gtlab4/2009/03/17/к-вопросу-об-эмуляции-лампового-триод/
Я там обосновывал схемотехнику.
Разумеется, читал - и не по одному разу. и так и не понял...

Цитировать
У меня не получилось обойтись без дополнительных внешних деталей...
Ещё бы! Откуда в стоке полевика взялся резюк в сто килоом?!

Давай поэтапно разбираться с физикой - сначала в прототипе:
за основу взят каскад сеточного ограничителя. А по выходу лампа при любом входном сигнале остаётся в активном режиме (по крайней мере в отношении нижней полуволны, если глядеть на выходе). Номинал анодного сопротивления выбран таким, что б даже при положительном напряжении на сетке относительно катода, анодная характеристика не забегала в область отсечек.

Дополнительный комментарий к этому обстоятельству - для лучшего понимания сущности: представь себе лампу с поданным на анод напряжением и сеткой. замкнутой на катод. В этом случае через лампу протекает начальный ток, который близок максимальному, который она способна выдать в анод.
Этот параметр является характеристическим для лампы.
Точно такой же параметр имеется и у полевика - начальный ток стока при замкнутых контактах затвора и истока.

В каскаде-прототипе сопротивление резюка с учётом напряжения питания таково, что на аноде гарантируется достаточный запас по напряжению и характеристика не уходит в область отсечек.

Ты берёшь джифет транзистор - у него начальный ток примерно такого же порядка. А дальше ничтоже сумняшеся лепишь ему в сток точно такой же резистор в 100 кОм. А питалово то намного ниже!! Естественно, твой полевик просто вскакивает в насыщение задолго до того, как напряжение на затворе достигнет уровня открывания диода.

НАМНОГО РАНЬШЕ!!!

О каком динамическом подобии работы твердотельной схемы может идти речь?!

Правильная динамически подобная схема должна иметь нагрузочный резистор такой величины, что б полевик оставался в активном режиме при достижении начального тока.
То есть, выбор номинала этого сопротивления является первым шагом по синтезу схемы: ты задался напряжением питания, определился с транзистором и померял его начальный ток. Исходя из желаемого остаточного напряжения нижней горбухи (такого, что б не залезать в зону стоковой отсечки) ты определяешь номинал нагрузочного резистора. И он не может быть выбран произвольно! Он является однозначной функцией от напряжения питания, начального тока стока полевика и желаемого размаха выходного сигнала.
Это значение является ограничителем сверху - ты можешь выбрать номинал меньшим, не нарушив работу схемы, но превысить ты не имеешь права.

Естественно, что при допустимых напряжениях питания этот номинал не превышает единиц килоом - но оно и хорошо, поскольку без особых заморочек обеспечивает высокую нагрузочную способность по выходу.
Разумеется, усиление каскада оказывается меньшим, чем у прототипа. Но вот на это как раз глубоко наплевать - после лампы стоит могучий делитель, приводящий сигнал к тому же значению.

При соблюдении указанных условий PN-переход полевика будет открываться точно так же, как сетка на входе лампы. И значит, сеточное автосмещение будет работать очень похоже. То есть, можно соблюдать структуру переходных цепей.

Но в отношении выбора затворных номиналов есть некоторые соображения, которые заставляют их отличаться от прототипа - если желаешь добиться именно динамического подобия.
То есть, затвор тоже не целесообразно копировать в ноль с лампы.
Я на этом остановлюсь чуть ниже.
 
Итак, после того, как ты определился с нагрузкой, рассчитываешь истоковый резистор - им ты задаёшь начальный режим и можешь сместить рабочую точку куда пожелаешь. То есть, какая именно полка будет ограничивать сигнал раньше - нулевой ток или диод?

Исходя из этого ты выбираешь истоковый резистор - и уж к нему ты подбираешь ёмкость! Эту ёмкость можно выбирать либо по сображениям коррекции АЧХ в до-ограничительном режиме, либо ставишь её такой, что б иметь максимальную чувствительность.
Но внимание: и в том, и в другом случае эта ёмкость оказывается включённой в контур автосмещения (сеточного детектирования). Потому тут начинается магия создания нужного звука.

Теперь переходим к сеточным/затвоврным цепям: характеристики полупроводникового диода несколько отличаются от вакуумного. Потому динамика сеточного детектирования может несколько отличаться от полевикового. Но пока я думаю следует остановиться - это малость следующего порядка и с ней разберёмся, получив для начала адекватную модель без всяких искусственных наворотов в виде приставных элементов.


2KMG: в этом описании кроется основа возражения на твоё утверждение о неадекватности сим-модели лампы. Мы ещё вернёмся к этому аспекту, а пока давай работать над консенсусом в отношении первичной модели гитарного драйва в ламповой реинкарнации и объяснением физики его работы...
Схемотехническая мантра: титцешенкохоровицехилл. Повторять до просветления...

Peratron

  • Сообщений: 13579
  • GTLab - forever!
    • Просмотр профиля
    • E-mail
Re: К вопросу об эмуляции лампового триода на ПТ
« Ответ #564 : Сентября 10, 2009, 07:16:30 am »
Предлагаю такой путь экспериментально-теоретической отработки сабжевого девайса:

- берётся конкретный ламповый прототип. Берётся живьем - то есть пишутся тестовые сэмплы.
- далее в существующем приборе отдельные ламповые каскады заменяются их твердотельными аналогами. Работа ведётся строго поэтапно - и каждое изменение "документируется" - то есть, помимо осциллограмм обязательно делаются сэмплы звучания.

Таким образом возникает возможность оценить вклад каждого каскада в общее звучание. Причём, оценить объективно, а не чисто умозрительно.

Ы?
Схемотехническая мантра: титцешенкохоровицехилл. Повторять до просветления...

KMG

  • Сообщений: 3776
    • ICQ клиент - 412221711
    • AOL клиент - Mike
    • Просмотр профиля
    • E-mail
Re: К вопросу об эмуляции лампового триода на ПТ
« Ответ #565 : Сентября 10, 2009, 08:06:35 am »
"Естественно, что при допустимых напряжениях питания этот номинал не превышает единиц килоом - но оно и хорошо, поскольку без особых заморочек обеспечивает высокую нагрузочную способность по выходу."

А вот здесь возникает некоторая разница, у лампового каскада Rвых соизмеримо с сопротивлением нагрузки. А в этом случае оно бкдет отличатся на два порядка. Это будет влиять на ачх, что проще скорректировать и на динамику, что гораздо сложнее.
Придется менять всю межкаскадку, чтобы свести выходной импеданс и нагрузку к тем же соотношениям.
Именно поэтому стоковые резисторы оставляют в тех же порядках, а играются истоковыми цепями.
Это не хайэнд, здевь все взаимосвязано.

OldMike

  • Сообщений: 1963
  • Сложно сделать - просто, наоборот - сложнее...
    • ICQ клиент - 366028254
    • Просмотр профиля
    • E-mail
Re: К вопросу об эмуляции лампового триода на ПТ
« Ответ #566 : Сентября 10, 2009, 09:35:24 am »
2 Peratron
Логически ты это обосновал неплохо. Но вот практически  у меня не получилось собрать каскад на ПТ (а я пытался), чтобы он так работал, как надо.
Поскольку теория - это хорошо, но критерием все ж является практика - если все так просто, как ты описал - плз, возьми паяльник и сделай макет каскада, рассчитанный так, как ты описал. (я не подкалываю). Я хочу увидеть результат его работы - осциллограммы и посмотреть живьем на его схему и параметры. Если осциллограмма будет похожа и удастся как-то согласовать межкаскадку при достаточном усилении, я первый сниму шляпу (после записи  сэмплов)...
Хотя, ИМХО, в случае успеха мы получим один геморрой вместо другого...В моем варианте мы имеем модель в масштабе примерно  1:10, т.е. входные и выходные ВАХ похожи на лампу (1:10), входное сопротивление нелинейно и тоже в масштабе, выходное выше лампового примерно в 3 раза (для 100 кОм), КУ каскада подобен лампе, но необходима подстройка режима ПТ. А получим мы каскад, в котором на 4 детальки меньше, но с совершенно другими характеристиками и тоже необходимостью настройки...Причем, если в моей модели входной диод (очень влияющий как раз на динамическое смещение рабочей точки) тоже оказывается в масштабе (что невозможно реализовать без внешних элементов), то в предлагаемом подходе он так и останется на уровне 0,6В, что при питании 1:10 т.е. 30 В приведет явно к потере масштабирования входной характеристики модели.
Ладно, спорить теоретически я не буду - чукча не теоретик, чукча - практик. Жду схему и осциллограммы макета каскада.

ЗЫ Цитата: "О каком динамическом подобии работы твердотельной схемы может идти речь?! "

Глянь еще раз сравнительные осциллограммы (ПТ vs. лампа) на динамическом сигнале , выложенные KMG. Подобие там весьма правдоподобно. От предлагаемой тобою модели хотелось бы не худшего, хотя ИМХО будут сложности из-за диода не в масштабе.
« Последнее редактирование: Сентября 10, 2009, 09:54:34 am от OldMike »
производится и предлагается к продаже линия примочек/преампов RedCat BM-4/5/6/7 и SL100/FSL100

Антон Калина

  • Сообщений: 1101
  • TUBE SATISFACTION!
    • Просмотр профиля
    • E-mail
Re: К вопросу об эмуляции лампового триода на ПТ
« Ответ #567 : Сентября 10, 2009, 10:46:51 am »
2Peratron
Я, конечно, не столь подкован в теории и симуляторах, как гуру этого форума, но тоже имею право высказаться.
То, что ты описал в предыдущем посте, весьма похоже на первый каскад (джифет) в схемах, выложенных выше. Только вот ограничивает он вовсе не так красиво, как лампа, да и кучу других недостатков имеет.
Здесь не было блатных. Были только нормальные хорошие люди: шпионы, диверсанты, террористы.

Denn

  • Global Moderator
  • *****
  • Сообщений: 14277
  • είμαι ο μουσικός και ο ραδιομηχανίκός
    • ICQ клиент - 322153053
    • Просмотр профиля
    • E-mail
Re: К вопросу об эмуляции лампового триода на ПТ
« Ответ #568 : Сентября 10, 2009, 10:51:24 am »
К вопросу различий лампы и транзистора (в частности, ПТ).
Не говорите что мне делать, и я не скажу куда Вам идти.

Лучшее решение из возможных - самое простое. И наоборот.

Прежде чем судить

Medved

  • Сообщений: 4534
  • Ле... Лети!
    • ICQ клиент - 467329541
    • Просмотр профиля
    • E-mail
Re: К вопросу об эмуляции лампового триода на ПТ
« Ответ #569 : Сентября 10, 2009, 11:07:45 am »
Peratron
Все, о чем ты тут так долго распинался уже давно было сделано. С внешним диодом сделано Виктором Кемпфом и широко освещено на соответствующих сайтах, с использованием внутреннего диода - делал Сергей Лузан и я, было широко известно в соответствующих кругах под названием "простые вещи".

Ты собери хоть один каскад в живую и попробуй настроить. А потом собери таких четыре. И сделай примочку с хотя бы таким звуком, который сделал Миша на ОУ без настроек каскадов вообще. А там с интересом всё обсудим, если будет что обсуждать, ага?
« Последнее редактирование: Сентября 10, 2009, 11:09:48 am от Medved »

Антон Калина

  • Сообщений: 1101
  • TUBE SATISFACTION!
    • Просмотр профиля
    • E-mail
Re: К вопросу об эмуляции лампового триода на ПТ
« Ответ #570 : Сентября 10, 2009, 01:47:47 pm »
2Medved
Ну зачем так резко?
Человек пытается нам обьяснить, с чего следует начинать. :)
Может, надо бы сначала показать ему, что уже сделано в этой области, а уже потом предлагать сделать готовую примочку?

2Perаtron
Не в обиду будет сказано (при всем моем уважении), но все теоретические выкладки, изложенные тобой выше, весьма смахивают на рассуждения хлопцев с руноффгрува, мол, лампа=джифет, и т.д. и т.п. Хотя, на самом деле, все это далеко не так.

ЗЫ
Хотел промолчать, но все же спрошу: камрады, а вам, часом, не кажется, что...? Ну в общем, вам ничего не кажется?
Извиняйте за параноидальные наклонности :)
Я - нормальный! :)
Здесь не было блатных. Были только нормальные хорошие люди: шпионы, диверсанты, террористы.

Ал-ндр

  • Сообщений: 3160
  • GTLab - forever!
    • Просмотр профиля
    • E-mail
Re: К вопросу об эмуляции лампового триода на ПТ
« Ответ #571 : Сентября 10, 2009, 02:04:09 pm »
Цитировать
Хотел промолчать, но все же спрошу: камрады, а вам, часом, не кажется, что...? Ну в общем, вам ничего не кажется?

Нам уже давно кажеться... ;)

Всем учиЦЦа на Википедию!

Peratron

  • Сообщений: 13579
  • GTLab - forever!
    • Просмотр профиля
    • E-mail
Re: К вопросу об эмуляции лампового триода на ПТ
« Ответ #572 : Сентября 13, 2009, 07:21:56 am »
Цитировать
2 Peratron
Логически ты это обосновал неплохо. Но вот практически  у меня не получилось собрать каскад на ПТ (а я пытался), чтобы он так работал, как надо.
Поскольку теория - это хорошо, но критерием все ж является практика - если все так просто, как ты описал - плз, возьми паяльник и сделай макет каскада, рассчитанный так, как ты описал.
Возвращаю к предложению, сделанному в посте от 10.09.2009 :: 11:16:30.
То есть, поэтапное сравнение двух устройств с заменой только небольшой части ламповых каскадов твердотельными аналогами.

За базар отвечу при получении исчерпывающей (по формулируемому мной запросу) информации о сравнении процессов. Сам буду поэтапно моделировать в симуляторе - партнёру предоставлю возможность практической проверки результата симуляции, что повышает корректность и уменьшает субъективность. Когда процесс находится в одних руках - слишком велик риск неосознанной подгонки результата под желаемый. Разделение ответственности несомненно повысит объективность.

А в отношении существующих решений - надеюсь, никто не намерен отрицать, что они даже теоретически не обеспечивают процессуального подобия? А значит малоперспективны в отношении полной и достоверной эмуляции. Хотя и хороши сами по себе - с последним то я не спорю вовсе. Мне только не нравится, что лоу-драйв оно не эмулирует. Ну, а неповторяемость экземпляров и вовсе это делает некошерным...


Схемотехническая мантра: титцешенкохоровицехилл. Повторять до просветления...

Peratron

  • Сообщений: 13579
  • GTLab - forever!
    • Просмотр профиля
    • E-mail
Re: К вопросу об эмуляции лампового триода на ПТ
« Ответ #573 : Сентября 13, 2009, 07:45:03 am »
Цитировать
Хотя, ИМХО, в случае успеха мы получим один геморрой вместо другого...
Вот когда получим - тогда и померяемся геморроями...
Для начала надо получить максимально точное физическое подобие и убедиться, что влияние на звук всех существенных факторов учтено.

Цитировать
В моем варианте мы имеем модель в масштабе примерно  1:10, т.е. входные и выходные ВАХ похожи на лампу (1:10),
В том то и фишка, что НЕ похожи - потому, что из реальной (и подобной) передаточной характеристики джифета выкушен кусок. Относительная линейность этого куска оказывается значительно выше, чем у полного раствора.
То есть, входная характеристика подобна только на большом сигнале и не подобна на малом.
Использование джифета с малой отсечкой гораздо продуктивней - даёт масштабирование, но при этом сохраняется относительная нелинейность в полной мере. Так же, сохраняется сквозная передача (с учётом нелинейности) с входа на выход. В варианте с внешним диодом это полностью отсутствует.

Цитировать
входное сопротивление нелинейно и тоже в масштабе, выходное выше лампового примерно в 3 раза (для 100 кОм), КУ каскада подобен лампе,

Ещё раз задаю вопрос: зачем в схеме сеточного ограничения нужно подобие по
усилению?!
Пересчитай входной сигнал в выходной - и убедишься, что он близок к единице, если вообще не отрицательный!
В ламповом усилителе сигнал усиливается, а потом делится - никому от этого хорошо не становится.
Сермяга в этом есть - такой делитель защищает последующие устройства от перегруза при переходных процессах, поскольку питание на лампе высокое. Но зачем это эмулировать на низковольтном твердотеле, который не перегрузит последующее устройство при любых преходных процессах в силу низковольтности своего питания?

Итак, ключевым условием, которое не позволяет тебе получить эмуляцию на естественных ресурсах джифета - это конструктивная парадигма "обеспечить аналогичный коэффициент усиления".
Откажись от неё - и всё сойдётся в лучшем виде. В чём же сакральность этого усиления, что ты к нему так душой прикипел?
 :D


Схемотехническая мантра: титцешенкохоровицехилл. Повторять до просветления...

lart

  • Сообщений: 1334
    • Просмотр профиля
Re: К вопросу об эмуляции лампового триода на ПТ
« Ответ #574 : Сентября 13, 2009, 03:51:18 pm »
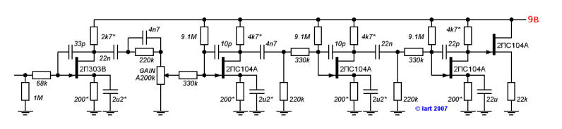
О, какая дискуссия пошла... И я маленько поучаствую :-)

Во многом согласен с мыслями Peratron. А так как я больше практик, чем теоретик, то свое участие в дискуссии обозначу выставлением на всеобщее обозрение схемки достаточно простого устройства на полевиках с весьма приличным звучанием (ну, почти ламповым ;-))  во всём диапазоне гейнов - от чистого до мощного рыка. Адекватно взаимодействует с регулятором громкости на гитаре.
Ощущения от игры в него - почти как в лампу (ну, настолько, насколько это вообще возможно :-) ).
Кроме того, великолепно "греется" бустерами, скримерами и т.п. Радует шумовыми характеристиками.

Повторять в "ноль" - необязательно, полевики можно брать любые. Единственное условие - как можно более низкоотсечные (за исключением первого каскада - там вообще пофиг, хоть ОУ).
"Пикушки" со стока на затвор - по вкусу, но не выше 47пФ, а то уж очень сильно верх зарежется... И не увлекаться увеличением стоковых резисторов, огромные Ку здесь не нужны. Главное - чтобы нижняя полуволна на стоке полевика не входила в жесткое ограничение, а плавненько закруглялась во всем диапазоне рабочих амплитуд сигнала.
Да, требует некоторой настройки под конкретный полевик, желательно с осциллографом. Но есть и хорошие вести - с помощью симулятора можно довольно точно определить максимальный номинал. Скажу более - эта схема была полностью отлажена в симуляторе. При макетировании реальные параметры практически совпали с виртуальными.
Суперской экомичностью в плане энергопотребления прибор не отличается, около 4мА что-то выходит. Но оно того стоит.

ПС
Печатку не просить, ибо старая утеряна, а новую не разводил. Некогда...
« Последнее редактирование: Сентября 13, 2009, 03:59:01 pm от lart »

Ал-ндр

  • Сообщений: 3160
  • GTLab - forever!
    • Просмотр профиля
    • E-mail
Re: К вопросу об эмуляции лампового триода на ПТ
« Ответ #575 : Сентября 13, 2009, 06:22:35 pm »
Цитировать
Ты собери хоть один каскад в живую и попробуй настроить.
+1000!
Медведь 1000 раз прав!
Мужики! Перестаньте заниматься МАСТУРБАЦИЕЙ! Делайте реальные вещи.  Вам же уже сказали , что симы  - Не СОВЕРШЕННЫ.

Михаил(OldMike) - тема потеряла всякий смысл :( :( :(.
« Последнее редактирование: Сентября 13, 2009, 06:26:19 pm от S@sha »

OlegFX

  • Сообщений: 5097
    • Просмотр профиля
Re: К вопросу об эмуляции лампового триода на ПТ
« Ответ #576 : Сентября 13, 2009, 06:51:07 pm »
2 Ал-ндр:

==Мужики! Перестаньте заниматься МАСТУРБАЦИЕЙ! Делайте реальные вещи....тема потеряла всякий смысл==

Не вижу проблемы, можно (и нужно) создать новую ветку, там и обсуждать "МАСТУРБАЦИЮ" - кто хочет, тот читает (не читает).
Кстати, модераторы, можете все, что надо, выделить и перенести в отдельную тему? На многих солидных форумах так делают. И будет счастье и практикам, и теоретикам.

Ал-ндр

  • Сообщений: 3160
  • GTLab - forever!
    • Просмотр профиля
    • E-mail
Re: К вопросу об эмуляции лампового триода на ПТ
« Ответ #577 : Сентября 13, 2009, 07:03:27 pm »
Олег, да ты прекрасно понял о чем идет речь ;). И не надо на помощь звать модераторов. Личное мнение - еще не потеряло смысл. А если выкладывается модель на симе, значит должна быть и реальная физическая материальная модель., поскольку форум ДЛЯ ПАЯЛЬЩИКОВ ;)
« Последнее редактирование: Сентября 13, 2009, 07:07:23 pm от S@sha »

VasiliuS

  • Сообщений: 454
  • GTLab - forever!
    • ICQ клиент - 122816791
    • Просмотр профиля
    • E-mail
Re: К вопросу об эмуляции лампового триода на ПТ
« Ответ #578 : Сентября 13, 2009, 10:18:36 pm »
Цитировать
Олег, да ты прекрасно понял о чем идет речь ;). И не надо на помощь звать модераторов. Личное мнение - еще не потеряло смысл. А если выкладывается модель на симе, значит должна быть и реальная физическая материальная модель., поскольку форум ДЛЯ ПАЯЛЬЩИКОВ ;)

а по-поему все в рамках темы
тема то - "вопрос об эмуляции лампового триода на ПТ" . Вот появился новый участник дискуссии со своим виденьем вопроса, со своим подходом...
Многим его подход кажется уже пройденным, кто-то его поддерживает... В любом случае он тоже заслуживает внимания... Просто его подход к решению разнится от OldMike - Миша сам думал\вынашивал\экспериментировал - и подарил массам свой результат. Тут же человек пытается распределить нагрузку еще на единомышленников, коих и ищет. Так возможно и лучше - не будет известно только в узких кругах.

Как известно : в споре рождается истина.  Я за приближение к истине -)

ИМНО
« Последнее редактирование: Сентября 13, 2009, 10:20:51 pm от vasilius »

OldMike

  • Сообщений: 1963
  • Сложно сделать - просто, наоборот - сложнее...
    • ICQ клиент - 366028254
    • Просмотр профиля
    • E-mail
Re: К вопросу об эмуляции лампового триода на ПТ
« Ответ #579 : Сентября 14, 2009, 05:56:58 pm »
Цитировать
А в отношении существующих решений - надеюсь, никто не намерен отрицать, что они даже теоретически не обеспечивают процессуального подобия? А значит малоперспективны в отношении полной и достоверной эмуляции. Хотя и хороши сами по себе - с последним то я не спорю вовсе. Мне только не нравится, что лоу-драйв оно не эмулирует. Ну, а неповторяемость экземпляров и вовсе это делает некошерным...
Привет, меня немного тут не было... Пожалуйста, не обижайся, если тебе показались резкими некоторые высказывания - я не хотчу никого обижать, да и мы взрослые люди, не пиписками тут меряемся. Просто я кое с чем категорически не согласен.
Ну например - процессуальное подобие эмуляции в принципе не достижимо - там пролет электронов в вакууме, тут - движение носителей (в том числе и "дырок") в полупроводнике...
Кстати, с пеной у рта буду доказывать (практически), что как раз лоугейн оно очень неплохо эмулирует...Могу поназаписывать и осциллограмм (хотя в статье все есть), а еще все ж закончу свой преамп/комбик и напишу сэмплов.
Да, вон Ларт практически реализовал нечто очень похожее предлагаемому тобой.
Ларт - запиши сэмплов, плз, а еще интересуют осциллограммы одиночного (второго, например)каскада при разных уровнях входного.
производится и предлагается к продаже линия примочек/преампов RedCat BM-4/5/6/7 и SL100/FSL100