Автор Тема: про преамп Marshall jcm900  (Прочитано 8713 раз)

0 Пользователей и 1 Гость просматривают эту тему.

Tza

  • Сообщений: 100
    • Просмотр профиля
    • E-mail
Re: про преамп Marshall jcm900
« Ответ #120 : Марта 30, 2010, 05:38:01 pm »
@ kholonkin

Что такое ДС/ДС преобразование?

kholonkin

  • Сообщений: 4352
    • ICQ клиент - 406512389
    • Просмотр профиля
Re: про преамп Marshall jcm900
« Ответ #121 : Марта 30, 2010, 05:44:57 pm »
Выскочастотное преобразование, плюсы: высокий КПД, Стабильная напруга.
Минусы: нужно иметь некоторые навыки, чтоб это дело не срало ВЧ помехами.

В твоем варианте, да и в своем бы в данной ситуации пошел бы и купил бы транс типа ТП-122-1 и не парился бы.
Описание на транс тут:
http://www.promelec.ru/catalog_info/54/130/509/256/

Uncle_Cherry

  • Сообщений: 5237
  • GTLab - forever
    • Просмотр профиля
    • E-mail
Re: про преамп Marshall jcm900
« Ответ #122 : Марта 30, 2010, 06:16:23 pm »
Цитировать
Выскочастотное преобразование
Не обязательно высокочастотное.
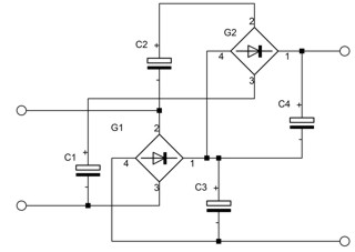
Вот классическая схема удвоения напряжения (если ток обмотки позволит):


Время подобно змее, укусившей свой хвост

Tza

  • Сообщений: 100
    • Просмотр профиля
    • E-mail
Re: про преамп Marshall jcm900
« Ответ #123 : Марта 30, 2010, 10:19:07 pm »
@ kholonkin

Дело в том, что предполагалось сделать блок питания отдельный с трансом. Блок есть, а обмотка не катит. Внедрить трансик такой можно, только внутрь корпуса с лампами, но фон будет по-любому, а это не гуд. Попробую множик, может даст результат...
---
Как говориться...на ошибках учатся, кстати я заказал транс, который мне посоветовал человек знающий...хз, как у него не просаживается напруга, я не понимаю...узнаю у него...
---
Спасибо, ребята за помощь...

KMG

  • Сообщений: 3776
    • ICQ клиент - 412221711
    • AOL клиент - Mike
    • Просмотр профиля
    • E-mail
Re: про преамп Marshall jcm900
« Ответ #124 : Марта 31, 2010, 07:24:37 am »
Вариант с двухполупериоднным выпрямлением

Dr.Fox

  • Сообщений: 2656
  • %USERNAME%
    • Просмотр профиля
    • E-mail
Re: про преамп Marshall jcm900
« Ответ #125 : Марта 31, 2010, 07:29:40 am »
@ KMG
на мостиках просадка больше будет же, очередные потери...
Freedom is slavery.
War is peace.
Ignorance is Strength.
Existence is suffering.

KMG

  • Сообщений: 3776
    • ICQ клиент - 412221711
    • AOL клиент - Mike
    • Просмотр профиля
    • E-mail
Re: про преамп Marshall jcm900
« Ответ #126 : Марта 31, 2010, 08:00:22 am »
Зато при больших токах при однополупериодке пульсации могут достигать неприемлемых величин.
Везде копромисс "нет в мире совершенства" :(

Dr.Fox

  • Сообщений: 2656
  • %USERNAME%
    • Просмотр профиля
    • E-mail
Re: про преамп Marshall jcm900
« Ответ #127 : Марта 31, 2010, 08:12:55 am »
@ KMG

хотя да!я делал удвоитель на ток 700ма...ужасное чтото...
как вариант сделать типо перевертыша, разобрать китайский транс, посчитать виток на вольт снять первичку и вторичку, и намотать на 4.5 и на 7вольт, все должно получится:) только нужно прикинуть потянет ли обмотка 4.5вольта 1а на 6вольт 700ма?) подумай над этим методом:)
« Последнее редактирование: Марта 31, 2010, 08:13:35 am от LE88 »
Freedom is slavery.
War is peace.
Ignorance is Strength.
Existence is suffering.

Tza

  • Сообщений: 100
    • Просмотр профиля
    • E-mail
Re: про преамп Marshall jcm900
« Ответ #128 : Марта 31, 2010, 09:29:38 am »
Поставил множик всё отлично работает, напруга 6,2В -идеально.
А теперь о плохом...
Поиграл минут 10 потрогал транс, а транс горяченный стал, по ходу по току не хватает...
емкость в множик поставил на 2200мкф.
---

Tza

  • Сообщений: 100
    • Просмотр профиля
    • E-mail
Re: про преамп Marshall jcm900
« Ответ #129 : Марта 31, 2010, 09:40:10 am »
При недокале всё-равно слышно немного песочка. А это  совсем не "тру".
===Добавил===
Я думаю, что придётся разобрать транс и домотать злополучные витки.
Помогите с расчётом транса, пожалуйста.
Как определить, сколько ещё домотать? И если провод будет немного другим диаметром, то на чём это скажется?
Накальная обмотка была с расчётом 4,4В на 1А.
« Последнее редактирование: Марта 31, 2010, 10:35:59 am от Tza »

Tza

  • Сообщений: 100
    • Просмотр профиля
    • E-mail
Re: про преамп Marshall jcm900
« Ответ #130 : Апреля 09, 2010, 06:12:04 am »
Товарищи, такой вопрос...
Питание полностью выпрямил, нужно ли заэкранить провода?или без экрана фона не должно быть тоже?или всё же заэкранить?то какие именно провода, т.к. я думаю, что все не получится, т.к. на коммутацию идут очень короткие провода...

Tza

  • Сообщений: 100
    • Просмотр профиля
    • E-mail
Re: про преамп Marshall jcm900
« Ответ #131 : Апреля 14, 2010, 03:59:30 pm »
Спасибо всем!Вот, что получилось.
Подскажите, нужен ли в этой схеме истоковый повторитель на IRF740 или катодного повторителя хватит, который уже есть?


Tza

  • Сообщений: 100
    • Просмотр профиля
    • E-mail
Re: про преамп Marshall jcm900
« Ответ #132 : Апреля 18, 2010, 11:14:41 am »
Товарищи, хочу сделать полноценный двухканальный преамп. Вот схемка...можете подсказать, правильно ли переключение организовано. Особенно беспокоят гейны, будет ли дополнительный в параллель гейн влиять на звук(когда переключаешься с канала на канал)???


Tza

  • Сообщений: 100
    • Просмотр профиля
    • E-mail
Re: про преамп Marshall jcm900
« Ответ #133 : Апреля 23, 2010, 11:47:41 am »
Разработал печать преампа на 2 канала, но т.к. опыта в подобных делах не очень много, поэтому спрошу, может ли кто-нибудь помочь оптимизировать печать?

Lucifer

  • Сообщений: 240
  • Тот кто несет свет
    • ICQ клиент - 375127955
    • Просмотр профиля
    • E-mail
Re: про преамп Marshall jcm900
« Ответ #134 : Июля 01, 2010, 03:31:05 pm »
Хм, схемка мне понравилась=))) Только на выход нужно катодный повторитель=)) Пока на макете соберу чтобы послушать звук=) :)
Да я отшельник, маг и волшебник, тяжек мой путь...

Tza

  • Сообщений: 100
    • Просмотр профиля
    • E-mail
Re: про преамп Marshall jcm900
« Ответ #135 : Июля 07, 2010, 07:50:07 pm »
@ Lucifer

скоро уже доделаю. Сделал печать. Думаю будет работать, ещё будет+переключение с другим включением диодов...
---
В конце поставил истоковый повторитель...
« Последнее редактирование: Июля 07, 2010, 07:51:14 pm от Tza »

Tza

  • Сообщений: 100
    • Просмотр профиля
    • E-mail
JCM900
« Ответ #136 : Января 21, 2011, 10:20:34 pm »
 Заканчивую конструирование преампа на 2 канала. Выкладываю на суд форумчан свой, пока не законченный проект.
Кто-нибудь, что-нибудь делал по теме подобное?
« Последнее редактирование: Января 25, 2011, 07:02:23 pm от vzvodatorr »

Tza

  • Сообщений: 100
    • Просмотр профиля
    • E-mail
Re: JCM900
« Ответ #137 : Января 21, 2011, 10:21:12 pm »
« Последнее редактирование: Января 25, 2011, 02:02:36 pm от vzvodatorr »

Tza

  • Сообщений: 100
    • Просмотр профиля
    • E-mail
Re: JCM900
« Ответ #138 : Января 22, 2011, 08:48:09 pm »
« Последнее редактирование: Января 25, 2011, 02:03:11 pm от vzvodatorr »

Nortelius

  • Сообщений: 11
  • GTLab - forever!
    • Просмотр профиля
    • E-mail
Re: JCM900
« Ответ #139 : Января 22, 2011, 08:54:49 pm »
На вид - очень даже хорошо
:)
Схему можно посмотреть?
И как организовано питание девайса?
Корпус Gainta G0 477?